ZUBR VA-1 red Professionals Voltammeter

Contents
INTRODUCTION
Voltammeter ZUBR VА-1 (hereinafter referred to as the device) is designed for measurement and control in a single-phase circuit of: voltage, current, power (active, reactive or full), cos φ allows you to estimate the power coefficient in your electrical grid).
The log for 100 cells allows you to keep statistics and save the maximum / minimum effective voltage and maximum current in the non-volatile memory.
IN THE BOX
| Voltammeter ZUBR VА-1 | 1 piece |
| Technical data sheet, installation and operation manual and warranty card | 1 piece |
| The packing box | 1 piece |
TECHNICAL DATA
| Voltage limit (if exceeded, a log entry will be made) | upper 242–280 V lower 120–197 V |
| Current limit (if exceeded, a log entry will be made) | 0,1–63 А |
| Time of the log recording delay when current limit is exceeded | 0–240 sec |
| Power Volt | not less than 100 V not more than 420 V |
| Power consumption | not more than 0,6 kWt*h /month |
| Current measurement accuracy | 0,5–63 А ± 0,2 А |
| Connection | not more than 16 mm² |
| Device weight | 0,144 kg ±10 % |
| Overall dimensions (w × h × d) | 36 х 85 х 66 mm |
| Degree of protection GOST 14254 | IP20 |
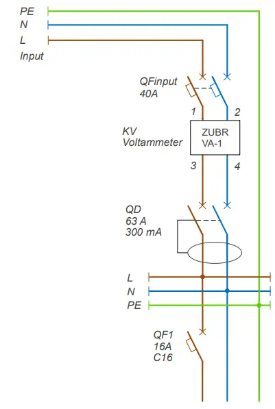
CONNECTION SCHEMES
Supply voltage (100 – 420 V, 50 Hz) served on terminals 1 (L, phase) and 2 (N, neutral).
Load connecting wires are connected to terminals 3 (L, phase) and 4 (N, neutral).
Terminals and are structurally interconnected. Therefore, it is not necessary for zero to pass through the terminals.
Scheme 1. Option of wiring diagram with a neutral bypass through VА-1

Scheme 2. Option of the connection diagram with a neutral bypass through VА-1

Before the installation and operation of the device, PLEASE READ BY THE END OF THIS DOCUMENT. This will help to avoid possible danger, mistakes and misunderstandings.
CURRENT AND POWER IS MEASURED at the phase input of the device.
Scheme 3. Option of wiring diagram without a neutral bypass through VА-1

Scheme 4. Option of the connection diagram without a neutral bypass through VА-1

INSTALLATION
The appliance is intended for installation inside residences The risk of moisture or humidity in the installation site should be minimal. The ambient temperature during the installation should be within –5…+45 °С.
The appliance is installed in a special box, which allows to conduct the easy installation and operation. Cabinet should be equipped with standard mounting rail 35 mm width (DIN rail). The appliance takes in width of 3 standard module on 18 mm. The height of the appliance should be in the range 0,5…1,7 m from the floor.
For protection against short circuit and excess capacity in circuit load necessarily need to set in front of the appliance, the automatic circuit-breaker (QF), see schemes 1, 3. To protect person from electric shock leak is set safety shutdown device.
Terminals of the device designed for wire cross section up to 16 mm². Clean the end wires of 10±0,5 mm. It is advisable to use a soft wire, which is tightened in the terminals with a screwdriver with a tip width of no more than 6 mm with a torque of 2 4 N·m. A screwdriver with a blade more than 6 mm wide can cause mechanical damage to the terminals. Doing so will void your warranty claim.
WARRANTY TERMS
The warranty for ZUBR devices is valid for 6 months from the date of sale, provided that the instructions are followed. The warranty period for products without a warranty certificate is counted from the date of production.
If your device is not working properly, we recommend that you first read the section «Possible problems». If you cannot find an answer, contact Service Center. In most cases, these actions resolve all issues.
If you continue to have issues with the device, please send it to a Service Center or to the store where you purchased the device. If your device is defective due to our fault, we will repair or replace it under warranty with in 14 business days.
Please see the full text of the warranty and the data you need to send to your Service Center on the website https://www.ds-electronics.company. If you have a warranty case, please, contact the General distributor in your area.
EXPLOITATION
When turned on, the voltammeter displays the symbols of the displayed parameters for 2 sec, then measures and displays the values of the mains voltage and load current.
If the voltage or current goes beyond the set limits, the corresponding screen will flash 1 time per second as an overrun type:
— the upper limit is exceeded
— the lower limit is exceeded
— current limit exceeded
Blinking of the green LED 1 time per 2 sec indicates the appearance of a new, not viewed record in the log.
All settings are stored in NON-VOLATILE MEMORY
POSSIBLE PROBLEMS, CAUSES AND WAYS TO OVERCOME THEM
At turning on neither indicator nor screendo not shine
Possible cause: There is no power supply voltage
It is necessary to: Ensure supply voltage presence.
Function menu |
Log for 100 deviations of parameters in the grid |
|
The selected parameter is displayed for 30 sec, then the voltammeter will automatically return to voltage and current indicating. |
![]() |
![]() |
SAFETY INSTRUCTIONS
Carefully read and become aware of yourself these instructions.
Connection of the device must be done by a qualified electrician.
Before the installation (dismantling) and connection (disconnection) of the device, turn off voltage supply and also act according to the «Rules of an arrangement of electric installations».
Turning on and off or and configure the device should be with dry hands.
Do not connect the device to the network disassembled.
Avoid hitting of water or moisture to the device.
Do not expose the device to extreme temperatures (higher than 40 ºС or below –5 °C) and high humidity.
Never clean the device with the use of chemicals such as benzene, solvents.
Do not store the device and do not use it in areas with the dust.
Do not attempt to disassemble and repair the device.
Do not exceed the landmarks value adaptor and power.
To protect against overvoltage caused by lightning discharges, use a lightning protector.
Protect the children from games with the working device, it is dangerous.
ADDITIONAL INFORMATION
Do not fire and do not throw away the device with the household waste.
After the end of its service life, the product must be disposed of in accordance with applicable law.
Transportation of goods carried in the package, ensuring the safety of the product.
The deive is transported by any kind of transport (rail, sea, motor, air transportation).
Date of manufacture is on the back side of device. Application time is unlimited.
The device does not contain harmful substances.
If you have any questions or you something will not clear, call the Service centre the telephone number listed below.
vF97 230106

Low Voltage Directive 2014/35/EU
EMC Directive 2014/30/EU
CUSTOMER SUPPORT
Manufacturer and vendor: DS ELECTRONICS, LTD
04136, Ukraine, Kyiv region, Kyiv, 1–3 Pivnichno-Syretska str
+38 (091) 481-91-81, Service Center: +38 (091) 481-91-81
[email protected] www.ds-electronics.company

The selected parameter is displayed for 30 sec, then the voltammeter will automatically return to voltage and current indicating.
