Contents
zencontrol zc-pir-st-1sw-r Standalone Smart PIR Sensor

Product Range
Order code Description
zc-pir-st-1sw-r Standalone smart PIR sensor
zc-pir-st-1sw-r-blk Standalone smart PIR black sensor
Specifications
- Supply 220 – 240 V ~50 Hz
- Supply current < 0.020 A
- Relay output (- r models) 6 A resistive
- Lens Fresnel
- Sensors PIR, IR, lux
- IR 38 kHz
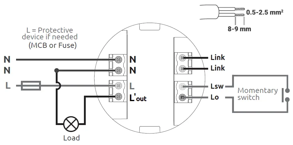
- Wiring 2.5 mm2 cable
- Operating temperature 0 – 35°C
- Material PC (body)
- Ingress protection
IP54 (front-face only)
IP65 (with surface or wall mount kit)
Accessory Range
Order code Description
zc-smart-wall-kit Smart sensor wall mount kit
zc-smart-sm-kit Smart sensor surface mount kit, for surface, rod, conduit mount
zc-rodmount-wht Rod mount kit, white, for with Smart sensor surface mount kit
zc-ir-ctrl-com Hand-held infrared control and commissioning unit
Wiring

Dimensions
Mounting (kits sold separately)
- Recessed (cut-out min Ø83 mm)
- Wall mount kit (mounting centres 85 mm)
- Surface mount kit
- Rod mount kit
- Conduit mount kit (mounting centres 50-60 mm)
Dimensions Ø95 / 55 mm

Safety information
- This product must only be installed by a licensed electrician.
- Before commencing installation turn off and isolate the electrical supply.
- There are no user serviceable parts, attempting to service any part of the product will void the warranty
- As the installer, it is your responsibility to ensure you comply to all relevant building and safety codes. Refer to application standards for the relevant rules.
- When the installation is complete, leave this manual with the building’s owner for future reference.
Installation
Remove the product from the box and inspect it for any damage. If you believe the product to be damaged or otherwise unsound, do not install the product. Please return it to the place of purchase for replacement.
If the product is satisfactory, proceed with the installation:
- Choose a location considering the conditions listed in the detection pattern section.
- Drill mounting hole in desired position using 83 mm hole saw.
- Push the spring clips in as per fig 3. Insert sensor into the desired position and the spring clips will automatically release, ensuring that the sensor is secure and flush up against the ceiling.
- Remove covers, as per fig 4, and wire per diagrams overleaf.

Presense Mode

Presense Mode (With Switch)

Absense Mode

Detection pattern
Mounting height 2-4 m
Range 8m (mounted at 3.0 m)
- The units detection range may alter with changes in ambient temperature.
- Position sensor so that movement occurs across the scan area. Detection range will be reduced when walking directly towards or away from the sensor.
- Do not direct sensor at reflective surfaces or variable heat sources.
- Do not aim sensor directly at the sun, this may cause damage to the PIR sensor.
- When in Absence Mode the product will have a 30 second grace period after the light turns off, where a user may re-trigger the sensor.
- Green LED will flash during detection.
- Red LED will flash on successfully receiving an IR command.

Programming & default standalone configuration
Sensor mode Presence mode. The sensor will automatically turn lights on when movement is detected.
Sensor idle-time 14 minutes after the last presence was detected
Refer to IR commissioning, zc-ir-ctrl-com, datasheet for custom programming via IR. Note: zc-ir-ctrl-com is sold separately.
Remote Control description



