welldana D34-180505 Swimming Pool Heat Pump Unit

Contents
Advice to customers
- Please read this manual carefully before installing the product, otherwise you could damage the heat pump, injure users or incur financial losses.
- As advances in science and technology are made, the product will also improve.
We would therefore urge you to keep up to date with the latest products. - If you require further technical information, please contact your local distributor.
- Note:
- Before installing the heat pump, check that your local power supply meets the requirements of the heat pump.
For full details, check the unit’s label or the performance information that appears in this manual. - Fit the electrical protection devices in compliance with local regulations.
- You must earth the heat pump in order to prevent electric shocks caused by an unexpected short circuit in the unit.
- There is a diagram of the wiring in this manual.
- For safety reasons, you should not replace or repair the heat pump yourself. If it required repairs, please contact your local distributor for assistance.
- Do not place objects inside the heat pump while it is working. They could come into contact with the fan and damage it, as well as cause accidents (especially in the case of children).
- Do not use the heat pump without the grille or plaque, as this could cause accidents or the unit to malfunction.
- If the unit fills with water, contact your local distributor immediately.
The unit may only be reset following a full inspection by a qualified service engineer. - Unqualified service engineers may not adjust the unit’s switchboards, valves or controllers.
- Before installing the heat pump, check that your local power supply meets the requirements of the heat pump.
Performance and installation
Performance and features
- High efficiency
With a COP value up to 5.0 our heat pumps are very efficient when transferring heat from the air to the swimming pool water. You can save as much as 80% of cost compared to an electrical heater. - Long life-span
The heat exchanger is made of PVC & Titanium tube, which can withstand and prolong exposure to swimming pool water. - Easy control and operation
The unit is very easy to operate: simply switch it on and set the desired pool water temperature.
The system includes a micro-computer controller, allowing all operation parameters to be set.
Operation status can be displayed on the controller with LED display.
Working principles

- Heat pumps utilize the sun s free heat by collecting and absorbing energy from the outside air.
This energy is then compressed and transferred to the pool water. Your existing water pump circulates the water through the heater, usually next to the pool equipment, and the water warms up. The heat pump timer could be set to operate during daylight hours, for example, usually 9am to 5pm. - The unit contains a fan that draws in outside air and directs it over the surface of the EVAPORATOR (energy collector).The liquid refrigerant within the EVAPORATOR coil absorbs the heat from the outside air becomes a gas.
- The warm gas in the coil passes through the COMPRESSOR concentrating and increasing the heat to form a very hot gas which then passes to the CONDENSER (water heat exchanger).It is here that the heat exchange occurs as the hot gas gives off heat to the cool swimming pool water circulating through the coil.
- The pool water becomes warmer, and the hot gas cooling as it flows through the CONDENSER coil returns to its liquid form and, after passing on through the CAPILLARY TUBE the whole , process begins again.
- The state of the heat pump technology can efficiently collect heat from the outside air down to the 7℃ to 10 range. For tropic and subtropical climates, this means that the pool can be maintained at 26℃ to 32℃
Location of heat pump installation
The unit will perform well on any location provided three factors are present:
- Fresh air
- Electricity
- Pool filter piping
The unit may be installed virtually anywhere outdoors providing minimum distance requirements are met with respect to other objects (see diagram below).For indoor pools please consult your installer.
If the unit is placed in a windy area, no problems occur with e.g. the pilot light, as opposed to what is often the case with gas heaters.
Attention: Do not place the unit in an enclosed area with a limited air volume where the unit’s discharged air will be re-circulated or near shrubs that could block the air inlet. These locations deny the unit a continuous fresh air supply, which reduces its efficiency and may prevent adequate heat yield. See diagram below for minimum required distances.

Cautions
- Do not put your hands or any other object into the air outlet and fan. It could damage the heat pump and cause injuries.
- In case any abnormality was found in the heat pump, please cut off the power at once and contact a professional technician.
- It is strongly suggested to place a guard around the machine to keep children away from the heat pump.
Distance from the pool
Normally, the pool heat pump is installed within a 7.5 meter radius of the pool. The greater the distance from the pool, the greater the heat loss from the piping. Since the piping is buried for the most part, heat loss is minimal for distances of up to 30 meters (15 meters to and from the pump= 30 meters total), unless the soil is wet or the water level is high. Heat loss per 30 meters could roughly be estimated at 0.6 kw-hour (2000 BTU) for every 5 temperature difference between the pool water and the soil ℃ surrounding the pipe which translates to an operation time increase of 3-5 , %.
Installation of the check-valve
Attention- When using automatic chlorine and PH dosage systems, it is of uttermost importance to protect the heat pump from high concentrations of these chemicals that could corrode the heat exchanger.
Therefore, such systems should add the chemicals in the conduits located DOWNSTREAM of the heat pump and it is recommended to install a check-valve in order to prevent backflow when there is no water circulation.
Damage to the heat pump caused by disregarding any of these recommendations will invalidate the warranty.

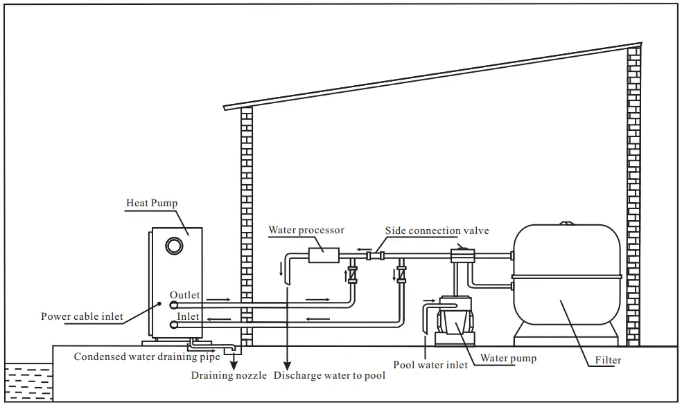
Pool system set up

Connecting the by pass

Warning:
- Do not place your hand or any other objects into the air outlet and fan. It could damage the heat pump and cause injuries;
- In case of any abnormality with the heat pump, cut off the power immediately and contact a professional technician;
- It is strongly advised to place a protective guard around the unit to keep children away from the heat pump.
- An authorized electrician must connect the Heat Pump to the power. (230V 1ph or 400V 3ph)
Important—Although the heat pump is electrically isolated from the rest of the unit, this only prevents the passage of electricity to or from the pool water. Grounding the unit is still required to protect yourself from short circuits inside the unit. Make for adequate ground connection.
Check if the electrical mains voltage corresponds with the operating voltage of the heat pump prior to hooking up the unit.
POWER CONNECTION

| Model | Voltage (V) | Fuse (A) | Current (A) | Cable diameter (mm 2)
(for max. Length of 20 meters) |
| 3.8kW | 220-240 | 10 | 3.9 | 2×2.5+2.5 |
| 4.5kW | 220-240 | 10 | 4.6 | 2×2.5+2.5 |
| 5.6kW | 220-240 | 10 | 5.8 | 2×2.5+2.5 |
| 7.8kW | 220-240 | 16 | 7.6 | 2×2.5+2.5 |
| 9.5kW | 220-240 | 16 | 9.4 | 2×2.5+2.5 |
| 12.5kW | 220-240 | 16 | 10.4 | 2×4.0+4.0 |
| 14.0kW | 220-240 | 20 | 12.6 | 2×4.0+4.0 |
| 17.0kW | 220-240 | 32 | 17.0 | 2×6.0+4.0 |
| 21.0kW | 220-240 | 32 | 20.0 | 2×6.0+4.0 |
| 14.0kW | 3×380 | 10 | 4.8 | 4×2.5+2.5 |
| 17.0kW | 3×380 | 16 | 6.3 | 4×2.5+2.5 |
| 21.0kW | 3×380 | 16 | 8.8 | 4×2.5+2.5 |
| 26.0kW | 3×380 | 16 | 9.8 | 4×2.5+2.5 |
| 31.0kW | 3×380 | 25 | 11.4 | 4×2.5+2.5 |
First time start-up
Note- In order for the unit to heat the pool (or spa), the filter pump must be running so that the water can circulate through the heat pump. Without this circulation, the heat pump will not start.
When all connections have been made and checked, the following steps should be followed:
- Turn on the filter pump. Check for leaks.
- Turn on the electrical power supply to the unit, then press the ON/OFF key on the electronic control panel. The unit should start when the time delay period has elapsed.
- When the unit has been running for a couple of minutes, check if the air leaving the unit is cooler than the ambient temp.
- Check the performance of the flow switch as follows: with the unit running turn the filter pump off.
The unit should also switch off automatically. - The unit and the filter pump should run 24 hours a day until the desired pool water temperature has been reached. Once the set temperature is reached, the unit will switch itself off. As long as the filter pump is running, the unit will restart automatically when the temperature of the pool water drops more than 1°C below the set temperature.
Depending on the starting temperature of the pool water and the air temperature, it can take several
days for the water to reach the desired temperature. Covering the pool can drastically reduced this
period.
Water flow switch— the unit is equipped with a flow switch that is switched on when enough water has flowed through the unit and that is switched off when the water flow becomes too low. (E.g. When the filter pump is switched off).
Time delay— the unit is equipped with a built-in 3-minute start delay included to protect electrical components and contacts. After this time delay, the unit will automatically be restarted. Even a brief interruption of the power supply will activate the start delay and prevent the unit from starting immediately. Additional interruptions of the power supply during the delay period will have no effect on the 3-minute countdown.
Condensation
When the swimming pool water is being heated by the heat pump, the incoming air is cooled down quite a bit, which can cause condensation on the fins of the evaporator. Condensed volumes can attain several litres per hour under high atmospheric humidity. Sometimes, this is wrongfully interpreted as a water leak.
Operation of heat pump
Operation of control display
Control display illustration:

When heat pump is supplied with power, controller will display with full screen, shows that it is already connected. If connection fails in 10 seconds, please check connections between communication cable and control display, or replace with another control display.
Button functions:
button: ON/OFF switch to start or stop heat pump.
TIMER button: Timer button to set timer on and timer off.
MODE button: To switch between heating, cooling and auto mode.
To enter parameter settings and confirm settings.
“+” “-”button: To increase or decrease value.
Icons definitions:
–heating icon, showing heat pump is in heating mode.
–cooling icon, showing heat pump is in cooling mode.
–auto icon, showing heat pump is in auto mode.
–alarm icon, showing system alarm.
–key pad lock icon, showing buttons on the control display are locked.
–wifi signal.
Note: 1. Heat pump is not equipped with electric heater internally, only provides terminal for external connection.
2. Fan speed is automatically controlled by ambient temperature, not manually.
Power ON/OFF heat pump
Press button 5s to switch on heat pump.

Once the heat pump is powered on all related running component icons will be lightened as well as
POWER displayed in the middle of display to show system is in running status.
Figure 2-2 shows heat pump in standby status and figure 2-3 shows heat pump in running status.
The left temperature shows flow water temperature while the right temperature is the return water temperature.

How to change mode
Press button to select auto, heating or cooling mode, related indicator icon will be MODE lightened as a symbol to show heat pump is in either auto
, heating
or cooling
mode.

Adjust desired water temperature
- First select desired mode, auto, heating or cooling.
- No matter the heat pump is under standby status or running status, press “+” or “-” , display will show the desired water temp. of selected mode with a flashing value, then change the water temp. by moving “+” or “-” as requested.
Check and set parameters
When heat pump is in standby status, press button for 5 seconds display will MODE show parameter number with value flashing together.
Move “+” and “-” button to check required parameter settings.

Select desired parameter and press button MODE for resetting parameter. Parameter number stays fixed while parameter value remains flashing.
Move “+” and “-” button to adjust the value.
Press button to confirm the setting. MODE
Without any further movement on the display button in 2min it will return to main interface automatically.
See Parameter table for more details.
Note: All parameters can be changed ONLY under standby status !
Setting Time
Press TIMER button 5s in a quick stop to activate time setting.
When hour numbers are flashing it is available for revision, move “+” or “-” to fix hour numbers.
Press TIMER button to confirm hour setting.
Minute numbers start flashing once the hour numbers are confirmed, move “+” or “-” to fix minute numbers.
Press TIMER button to confirm minute setting.
Setting Timer on/ Timer off
Press TIMER button to enter timer setting for TIMER 1.
Hour data will be flashing with ON, move “+” or “-” to set it.
Confirm timer on hour setting by pressing TIMER button.
Minute data starts flashing once hour setting is confirmed, move to set it. “+” or “-”
Confirm timer on minute setting by pressing TIMER button.
Press TIMER button, and then MODE button. The “
” signal will flash, then press “ + ” or button to change to TIMER 2 or TIMER 3.
Hour data will be flashing with ON, move “+” or “-” to set it.
Confirm timer on hour setting by pressing TIMER button
Minute data starts flashing once hour setting is confirmed, move “+” or “-” to set it.
Confirm timer on minute setting by pressing TIMER button.
Once Timer on is set and confirmed Timer off will be activated.
Follow the same steps as setting Timer on to set Timer off.
Cancellation of Timer off
If the starting time is set to be the same as the finishing time, then the timer function is off.
The “
” signal will be off.

Key pad lock
Press “+” and “-” button together for 5 seconds, display will show lock icon. Do this again “ to unlock.
Parameter table overview (1)
| Parameter | Control Display | APP Description | Range | Default | Remark |
| F0/00 | Temp. Setting Cooling | Temp. Setting Cooling | 8~37℃ | 27℃ | Adjustable |
| F1/01 | Temp. Setting Heating | Temp. Setting Heating | 8~40℃ | 27℃ | Adjustable |
| F2/02 | Time between defrosting cycles | Time b/w Defrosting Cycles | 10~90Min | 30Min | By technician |
| F3/03 | Evaporator temp. Defrost start | Evap. Temp. Defrost Start | -30~0℃ | -3℃ | By technician |
| F4/04 | Evaporator temp. Defrost stop | Evap. Temp. Defrost Stop | 2~30℃ | 13℃ | By technician |
| F5/05 | Defrosting time | Defrost Time | 1~12Min | 8Min | By technician |
| F6/06 | Number of Refrigerant system | Number of Refrigerant System | 1~4 | 1 | By technician |
| F7/07 | Power-off memory setting | Power-off Memory Setting | 0(No)/1(Yes) | 1(Yes) | By technician |
| F8/08 | Type of unit
(0=only cooling/1=heat pump/ 2=EI. Heating/3=hot water) |
Type of Unit | 0~3 | 1
(heat pump) |
By technician |
| F9/09* | Filter pump setting
(0=always running/1=run 5 min/2hr) |
Filter Pump Setting | 0~1 | 0 | By technician |
| F10/10 | Cooling Heating AUTO Restart | Cool/Heat/Auto Restart | 8~40℃ | 27℃ | Adjustable |
| F11/11 | Delta Temp. Start-Stop | Delta Temp. Start-Stop | 1~20℃ | 2℃ | By technician |
| F12/12 | Setting of Superheating Target for Electric Expansion Valve (EEV) | Set. Target Superheat EEV | – 15~15 | 5 | N/A |
| F13/13 | Setting of Calculating Factor for EEV | Set. Calc. Factor EEV | 10~50 | 35 | N/A |
| F14/14 | Opening Setting of EEV | Opening Setting of EEV | 10~50 | 35 | N/A |
| F15/15** | EEV Setting | EEV Setting | 0(manual)/
1(auto) |
1 | N/A |
| F16/16 | 4 way valve direction | Four-way Valve Direction | 0(heating)/ 1(cooling) | 0 | By technician |
| F17/17 | Water freezing protection setting ambient temperature | Water Anti-freezing Air | 0~15℃ | 0℃ | By technician |
| F18/18 | Water freezing protection
setting inlet water temperature |
Water Anti-freezing Inlet Water | 2~14℃ | 4℃ | By technician |
Parameter table overview (2)
| Parameter | Control Display | APP Description | Range | Default | Remark |
| F19/19 | Setting of heat exchange overheat protection Tout-Tin(to low water flow) | Set W. Out Over-Cooling Prot. | 3~20℃ | 5℃ | By technician |
| F20/20 | Protection setting of out-in water temperature(Only in Cooling Mode) | Protection In-Out Cooling | 5~20℃ | 13℃ | By technician |
| F21/21 | Protection water outlet temp. heating | Set W. Out Over-Heating Prot. | 20~90℃ | 60℃ | By technician |
| F22/22 | Time delay of compressor start (after filter pump start) | Time Delay Comp. Start | 5~99S | 60S | By technician |
| F23/23 | Time delay of filter pump stop (after compressor stop) | Time Delay Pump Stop | 5~99S | 30S | By technician |
| F24/24 | Setting Ambient temp. to Start bottom heater | Bottom Heater Start | 0~20℃ | 7℃ | By technician |
| F25/25 | Setting Ambient temp. to change fan speed | Set Fan Speed Temp. | 5~40℃ | 27℃ | By technician |
| F26/26 | Change Fahrenheit/Celsius(0=C/1=F) | Fahrenheit/Celsius | 0(Centigrade)/ 1(Fahrenheit) | 0 | By technician |
| F27/27 | Factory reset | Factory Reset | 0(Reset)/ 1(existing setting) | 1 | By technician |
Remarks: To change the factory default via the phone, password is required and only available for technician.
* Run 5min/2hr=filter pump stops 30s after compressor, filter pump runs for 5 min every 2hours checking inlet temp., in this period will disregard the flow switch.
** 0=manual, in manual parameter 13 and 14 is enabled; 1=automatic, in automatic parameter 13 & 14 disabled only Parameter 12 is valid.
System measure value overview
| Parameter | Description | Range | Remark |
| T0 | Water Inlet Temp. | -10~99℃ | Measured Value |
| T1 | Water Outlet Temp. | -10~99℃ | Measured Value |
| T2 | Evaporator Temp. | -10~99℃ | Measured Value |
| T3 | Ambient Temp. | -10~99℃ | Measured Value |
| T4 | Return Gas Temp. | -10~99℃ | Measured Value |
| T5 | Elec. Expansion Valve | 10~50(1=10P) | Measured Value |
| T6 | Not used | – 10~99℃ | Measured Value |
| T7 | Not used | -10~99℃ | Measured Value |
Remarks: “Г” =“T”, e.g. “ Г 0”=T0″.
Operation of APP controller
working principle of APP control . .
Requirements for Android System:

- System version above 2.3.7 (2.3.7 not included).
- Resolution 480*800 and above.
- APK 40M and above, TF card or build-in storage.
- Requiring the system to have remaining 100MB of storage.
Requirements for iphone IOS System:
- For IOS system version 8.x and above.
- For iphone 4s and latter ones.
- At least 40M of storage remaining in the phone.
Set up of the network.
- Download “ POOL COMFORT” and install it.
POOL COMFORT APP

- Make sure your phone is connected to your WIFI module.

- Start the heat pump and press button “-” and ” TIMER ” button on the control display together for 3 seconds to activate the control display WIFI WIFI icon starts blinking . and search the WIFI nearby.

- Click the “POOL COMFORT” icon and start it.

- Click button “+” and choose “new device”.
With the connected WIFI name shown , fill in WIFI password and click “Search”. It will take maximum120 seconds to connect the control display through the connected WIFI module.
Once the WIFI icon remains ON the connection between your phone and control display has been set up.

- Insert default password of the device “123456″, and click “Bar code” to scan the serial number of heat pump which is below the data plate on the side panel of the heat pump.
Put the serial number inside the scanning area and make sure the red scanning line stay on the serial number.
Soon after the serial number is scanned press “confirm” to enter the main interface.
There will be a gentle reminder of changing the password. Set the new password and it will go to operational page.

Now the connection between your heat pump and APP are well set up !
APP operation
- Illustration of operational page.

- How to switch on/off the heat pump.
Click
Button to turn on/off the unit. - How to change mode
Press
to select auto(smart), heating, or cooling mode. - How to set desired water temperature
Click
to modify the water temperature. - How to set timer.
a. Click the
to enter the timer page;
b. Click “Timer On”, move up and down to set the time for Timer On
c. Do the same to set “Timer Off”.
d. Finally click “save” to confirm.
e. The latest Timer On /Off will also show on the operational page.
f. There are maximum 3 timers can be set.

- How to check details of running status
In running or standby status, click
to check system measured value and working details.

- How to change parameter setting
(Password is required to change the factory default setting , only available for technician.) Insert technical password to enter technical setting page.

- How to rename the device.


- How to change user’s password

Protection systems
Water flow switch
Equipped with flow switch the heat pump will not work when the filter pump is not working (and the water is not circulating).
This system prevents the heat pump from heating only the water present in the heat pump itself.
The protection also stops the heat pump if water circulation is cut off or stopped.
Refrigerant gas high and low pressure protection
The high pressure protection makes sure the heat pump is not damaged in case of over pressurization of the gas. The low pressure protection emits a signal when refrigerant is escaping from the conduits and the unit can not be kept running.
Overheating protection on the compressor
This protection protects the compressor from overheating.
Automatic defrost control
When the air is very humid and cold, ice can form on the evaporator. In that event, a thin layer of ice appears that will grow increasingly bigger as long as the heat pump is running. When the temperature of the evaporator has become too low, automatic defrost control will be activated, which will reverse the heat pump cycle so that hot refrigerant gas is sent through the evaporator during a brief period of time to defrost it.
Temperature difference between inflowing and outflowing water
During normal operation of the heat pump, the temperature difference between inflowing and outflowing water will approximate 1 to 2 In the event that the pressure switch does not work and that the water ℃. stops circulating, the temperature probe monitoring the outflowing water will always detect a rise in temperature. As soon as the temperature difference between inflowing and outflowing water exceeds 13℃, the heat pump will be automatically turned off.
Low temperature cut-out
If, during cooling, the temperature of the outflowing water reaches 5 or drops below this temperature, ℃ the heat pump will turn itself off until the water temperature reaches or exceeds 7 ℃ again.
Anti-frost protection during winter
This protection can only be activated if the heat pump is in STAND-BY status.
First anti-frost protection
If the filter pump is controlled by the heat pump (regardless of the value for parameter 9) and when the water temperature lies between 2 and 4 and the air temperature is lower than 0 the filter pump will ℃, ℃, be automatically turned on to prevent the water from freezing in the piping. This protection is deactivated when the temperature rises again.
Second anti-frost protection
If the water temperature drops even more, that is, below 2 (during long frost periods), the heat pump ℃ will also start running to heat the water until its temperature approximates 3 When this temperature ℃. is reached, the heat pump will stop, but anti frost protection will remain active until conditions change.
Direction
Swimming pool water chemistry
Special attention should be paid to the chemical balance of the pool water. The pool water values should always stay within the following limits:
| Min | Max | |
| pH | 7.0 | 7.4 |
| Free chlorine(mg/1) | 0.5 | 1.2 |
| TAC(mg/1) | 80 | 120 |
| Salt(g/1) | 3 |
Important: failure to comply with these limits will invalidate the warranty.
Note: exceeding one or several limits can damage the heat pump beyond repair. Always install water-treatment equipment (e.g. chemical dosing systems) after the water outlet of the heat pump, especially if the chemicals are automatically added to the water (e.g. automatic chemical dosing systems).
A check valve should also be installed between the outlet of the heat pump and the water-treatment equipment to prevent products from flowing back into the heat pump if the filter pump stops.
Heat pump winterizing
Important: failure to take the necessary precautions for winterizing can damage the heat pump, which will invalidate the warranty.
The heat pump, filter pump, filter and conduits must be protected in areas where the temperature can drop below freezing point. Evacuate all water from the heat pumps as follows:
- Disconnect the electrical power supply to the heat pump
- Close the water supply to the heat pump completely.
- Disconnect water inlet and outlet coupling fittings of the heat pump and let the water drain out of the unit. Make sure all water is out of the heat pump.
- Loosely reattach water inlet and outlet coupler fittings to the heat pump in order to prevent dirt from setting into the conduits.
Note: these precautions should not be taken if you choose to use the built-in anti-frost protection.
Restarting the pump after winter
If you emptied the heat pump for winterising, follow the steps below to restart it in spring:
- First check that there is no dirt in the conduits and that there are no structural problems
- Check that the water inlet and outlet fittings are adequately fastened. Check that ”water inlet” and ” water outlet” are correct according to the lables on the heat pump. (Water out from the filter unit = water inlet on heat pump)
- Start the filter pump to start the water flow to the heat pump. Adjust the by-pass so there is enough water through the heat pump. Normally on small filter system the by-pass can be closed, so all circulated water goes through the heat pump.
- Reconnect the electrical power supply to the heat pump and turn the heat pump ON.
Check-up
Our heat pumps have been built and developed to last long if they have been installed correctly and can operate in normal conditions. Regular check-ups are important if you want your heat pump to function efficiently for many years. Below are some recommendations to ensure optimal working conditions for your heat pump.
- Make sure that the service panel is easily accessible.
- Keep the area surrounding the heat pump free of organic waste.
- Prune any vegetation around the heat pump so that there is sufficient free space around the pump.
- Remove any water sprinklers that are near the heat pump as they could cause daectly onto the heat pump from a roof. Install proper drainage.
- Prevent rain from running directly onto the heat pump from a roof. Install proper drainage.
- Do not use the heat pump if it has been flooded. Immediately contact a qualified technician to inspect the heat pump and carry out necessary repair.
Condensation can occur when the heat pump is running. This condensation water can flow away through an opening in the base pan of the unit. The amount of condensation water will increase when humidity is high. Remove any dirt that could block the water outlet on the bottom pan. 5 to 20 liters per day of condensation water can be produced while the unit is running. If more condensation is produced, stop the heat pump and wait for one hour before checking for water leakage (Let the filter pump keep running).
Note: a quick way to verify that the water running is because of the condensation. Shut off the unit and keep the pool pump running. If the water stops running out, it is condensation. AN EVEN QUICKER WAY IS TO TEST THE DRAIN WATER FOR CHLORINE. If no chlorine is detected, the drain water is a result of condensation.
Also make sure that the air in and out passages are free, and prevent air out from immediately re-entering to the air in. (It is important to have min. 2m free space at the air out side of the heat pump).
Maintenance and inspection
Maintenance
- Check the water inlet and drainage often. The water and air inflow into the system should be sufficient so that its performance and reliability does not get compromised. You should clean the pool filter regularly to avoid damage to the unit caused by clogging of the filter.
- The area around the unit should be spacious and well ventilated. Clean the sides of the heat pump regularly to maintain good heat exchange and to save energy.
- Check if all processes in the unit are operational and pay special attention to the operation perssure of the refrigerant system.
- Check the power supply and cable connections regularly. Should the unit begin to function abnormally or should you notice a smell from an electrical component, arrange from timely repair or replacement.
- You should also purge the water if the unit will not work for an extended period of time. You should check all parts of the unit thoroughly and completely fill the system with water before turning it on again afterwards.
Trouble shooting guide
Incorrect installation may result in an electrical charge that could lead to death or serious injury of users, installers or others by electrical shock and it may also cause damage to heat pump.
DO NOT attempt to modify the internal configuration of the heat pump.
- Keep your hands and hair clear of the fan blades to avoid injury.
- If you are not familiar with your pool filtration system and heat pump:
a. attempt to carry out any adjustment or service without consulting your dealer, pool professional or air conditioning contractor.
b. Read the entire installation manual before attempting to use, service or make adjustments to the unit.
c. Wait for 24hours after the installation before start the heat pump to prevent damage to the compressor. (If the heat pump has been transported and carried all the time with the feet down, it can be started immediately).
Note: Switch off the power before carrying out any maintenance or repairs
IMPORTANT REMARK: if a malfunction cannot be resolved immediately, in order to analyse the problem we will need to know the message (error code) that is showing on the display controller as well as the values for the settings (parameters 0-A). We also need to know the status of the heat pump : the ambient temperature, water inlet / outlet temperature, if it is cold air coming out from the heat pump, if the grill (Evaporator) is cold, or if there is ice on the heat pump.
Please keep this information at hand when calling customer service (describe the issue).
On the following pages you will find an overview of the different types of failure problems that can occur together with instructions on how to solve them.
| Problem: | the heat pump doesn’t work | |
| Observation: | the screen does not light up and the fan/compressor doesn’t make a sound | |
| Possible cause | Solution | |
| No electrical power supply | Check power supply (wiring, fuses,……………… ) | |
| Problem: | the heat pump works normally but there is no or insufficient heating | |
| Observation: | The screen displays the temperature but no error codes | |
| Possible cause | Solution | |
| 1. In sufficient capacity of the heat pump in proportion to the size of the swimming pool | 1. Install a larger sized model or an extra heat pump. Cover the pool to limit heat loss | |
| 2. The compressor works but the fan doesn’t | 2. Check the electrical wiring of the fan. Replace the condenser or the fan motor if necessary. | |
| 3. The fan works but the compressor doesn’t | 3. Check the electrical wiring of the compressor. Replace the condenser or the compressor if necessary. | |
| 4. The heat pump has not been placed on an optimal location | 4. Make for sufficient air circulation(see manual for details) | |
| 5. Faulty temperature setting | 5. Set the correct temperature | |
| 6. By-pass not adjusted | 6. Have the by-pass readjusted by the installer | |
| 7. Massive ice formation on the evaporator | 7. Have the settings for automatic defrost control checked by the installer | |
| 8. Not enough refrigerant | 8. Have the heat pump checked by a refrigeration technician | |
| Problem: | The heat pump works normally but the water is cooling down instead of heating up | |
| Observation: | The screen displays the temperature but no error codes | |
| Possible cause | Solution | |
| 1.The wrong mode has been selected | 1.Verify the parameters, select the correct mode | |
| 2. The controller is out of order | 2. Check the voltage in the electrical wiring to the 4-way valve. If no electric potential is measured, replace the controller | |
| 3. The 4-way valve is out of order | 3. Check the voltage in the electrical wiring to the 4-way valve. If electric potential is measured, replace the coil. If the problem persists, have the heat pump checked by a refrigeration technician | |
| Problem: | the heat pump doesn’t stop | |
| Observation: | the screen displays the temperature but no error codes | |
| Possible cause | Solution | |
| 1.Wrong setting of parameters | 1.Check the set parameters and adjust them if necessary (settings just above the capacity of the heat pump) | |
| 2. Pressure switch out of order | 2. Check operation of the pressure switch by turning off the filter pump and restarting it. If the heat pump doesn’t react to this, the pressure switch must be adjusted or replaced. | |
| 3. Electrical failure | 3. Contact your installer | |
| Problem: | water leak | |
| Observation: | there’s an amount of water under the heat pump | |
| Possible cause | Solution | |
| 1.Condensation due to atmospheric humidity | 1.No action required | |
| 2.Water leak | 2.Try to localize the leak and check for the presence of chlorine in the water. If that is the case, the heat pump must be temporarily replaced during repair. | |
| Problem: | abnormal amount of ice formed on the evaporator | |
| Observation: | the evaporator is for the most part covered in ice | |
| Possible cause | Solution | |
| 1.Insufficient air inflow | 1.Check the location of the heat pump and remove any dirt that could be present on the evaporator | |
| 2.High water temperature | 2.If the pool water is already quite hot (warmer than 29?),the probability of ice formation increases.
Lowering the set temperature is a possible option |
|
| 3.Incorrect setting of automatic defrost control | 3.Check the setting of the defrosting function together with your installer. | |
| 4.The 4-way valve is out of order | 4.Check the voltage in the electrical wiring to the 4-way valve. If electric potential is measured, replace the coil. If the problem persists, have the heat pump checked by a refrigeration technician. | |
| 5.Not enough refrigerant | 5.Have the heat pump checked by a refrigeration technician. | |
Failure code table overview
| Control Display | Protection/Failure | Check | Solution |
| P1 | Inlet water temp. sensor failure | 1. Check the connection of inlet water sensor.
2. Check if the sensor is broken. |
1. Reconnect the sensor.
2. Replace the sensor. |
| P2 | Outlet water temp. sensor failure | 1.Check the connection of outlet water sensor.
2. Check if the sensor is broken. |
1. Reconnect the sensor. 2. Replace the sensor. |
| P3 | Coil temp. sensor failure | 1. Check the connection of coil temperature sensor.
2. Check if the sensor is broken. |
1. Reconnect the sensor. 2. Replace the sensor. |
| P4 | Return gas temp. sensor failure | 1. Check the connection of return gas temperature sensor.
2. Check if the sensor is broken. |
1. Reconnect the sensor. 2. Replace the sensor. |
| P5 | Ambient temp. sensor failure | 1. Check the connection of ambient temperature sensor.
2. Check if the sensor is broken. |
1. Reconnect the sensor. 2. Replace the sensor. |
| P7 | Winter anti-freeze protection Ⅰ | No action required | |
| P7 | Winter anti-freeze protection Ⅱ | No action required | |
| E1 | High pressure protection | 1. Check if high pressure switch is broken.
2. Check if there is a blockage in water circuit or water flow is not enough. 3. Check if there is a blockage in refrigerant circuit. |
1. Replace high pressure switch.
2. Remove cause of blockage or increase water flow. 3. Send heat pump to dealer for detailed check. |
| E2 | Low pressure protection | 1. Check if low pressure switch is broken.
2. Check if refrigerant level is low. 3. Ambient temp. and water inlet temp. is too low. |
1. Replace low pressure switch.
2. Fill up with enough refrigerant. 3. Decrease water flow. 4. Send heat pump to dealer for detailed check. |
| E3 | Water flow switch failure | 1. Check if wiring connection of flow switch is in correct position.
2. Check water flow. 3. Check if flow switch is broken. 4.Check if water pump is working. |
1.Reconnect the wiring. 2.Increase water flow. 3.Replace flow switch. 4.Repair or replace water pump. |
| E4 | Order of phases incorrect (only for 3 phase model) | Order of phases incorrect | Reconnect the phases in right order. |
| E8 | Communication failure | Check the connection | Reconnect the connection wire. |
| E12 | Water Out Over-Cooled | 1. Check if there is any jam in the water circuit.
2. Check if the water flow volume is enough. 3. Check if the water pump has failed to work. |
1. Remove the jam.
2. Increase the water flow volume. 3. Repair or replace the water pump. |
| E13 | Water Out Over-Heated | ||
| E14 | Protection for excessive temp. difference between water inlet & outlet | 1. Check if there is any blockage in the water circuit.
2. Check if the water flow volume is enough. 3. Check if the water pump is working. |
1. Remove the cause of the blockage. 2. Increase the water flow volume. 3. Repair or replace the water pump. |
Name plate & wiring diagram
Name plate

Wiring diagram
