Contents
VOLLRATH 38708 Cafeteria Breath Guard

Installation Instructions
- These instructions cover the installation of the one-piece Cafeteria Breath Guard and the three-piece Cafeteria Breath Guard.
ONE-PIECE BREATH GUARD INSTALLATION
- Some units are shipped with a breath guard not installed. To install the breath guard follow these steps:
- NOTE: Use caution when tightening the cap nuts. Overtightening may cause the plastic to crack.
- Install the breath guard uprights (A) to the studs (B) securing with cap nuts (C) as shown. See Figure 1. Repeat for all four uprights.

- Install the breath guard support tube (D) between the uprights (A) securing with cap nuts (C) as shown. Repeat on the other side.
- Install the one-piece breath guard (E) securing with screws (F) and cap nuts (C) as shown. Repeat for all four mounting locations.
- Install the side breath protector (G) to the support tube (D) securing it with cap nuts (C) as shown. Repeat on the other side.
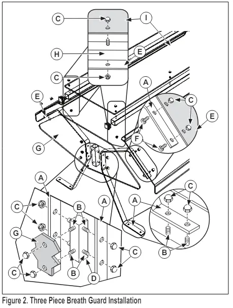
THREE-PIECE BREATH GUARD INSTALLATION
- Some units are shipped with a breath guard not installed. To install the breath guard follow these steps:
- NOTE: Use caution when tightening the cap nuts. Overtightening may cause the plastic to crack.
- Install the breath guard uprights (A) to the studs (B) securing with cap nuts (C) as shown. See Figures 1 and 2. Repeat for all four uprights.

- Install the breath guard support tube (D) between the uprights (A) securing with cap nuts (C) as shown. Repeat on the other side.
- Install the side breath guards (E) securing with screws (F) and cap nuts (C) as shown. Repeat for all mounting locations.
- Install the side shield (G) to the support tube (D) securing it with cap nuts (C) as shown. Repeat on the other side.
- Install the support bar and stud assembly (H) to the side breath guards (E). Repeat for all mounting locations.
- Install the top breath guard (l) to the support bar and stud assembly (H) securing with cap nuts (C). Repeat for all mounting locations.
Item No. 2350030-01 Rev 04/12
- www.vollrathco.com
- The Vollrath Company, L.L.C.
- 1236 North 18th Street
- Sheboygan, WI 53081-3201
- U.S.A.
- Main Tel: 800.628.0830
- Service Tel: 800.628.0832
- FAX: 800.752.5620
- Vollrath of Canada, Co.
- Tel: 800.695.8560
- FAX: 800.752.5620
- © 2010 The Vollrath Company, L.L.C
