Contents
velleman K8076 PIC Programmer Board

Product Information
The K8076 is an assembly kit with a total of 202 solder points. It is designed for beginners with a difficulty level of 1-3, but also suitable for advanced users. The device is compliant with Part 15 of the FCC Rules, as long as the enclosed instructions are followed.
The K8076 features an onboard configurable 40 pin ZIF socket, allowing for easy microcontroller selection using patch jumpers. It comes with the PICprog2006TM software for programming and includes a set of SUBD connectors. The power supply requirement is 15V DC with a minimum of 300mA, and it can be connected using a PS1508 adapter. The dimensions of the device are 132x65x20mm. The currently supported controllers are PIC10F200, PIC12C508A, PIC12CE518, PIC12F629, PIC12F675, PIC16F54, PIC16F84A, PIC16F870, PIC16F871, PIC16F872, PIC16F873, PIC16F874, PIC16F876, PIC16F877, PIC16F627, PIC16F627A, PIC16F628, PIC16F628A, PIC16F648A, PIC16F630, PIC16F676, and PIC18F2550.
The minimum system requirements for using the K8076 are an IBM Compatible PC with a Pentium or better processor and Windows 98/ME/NT/2000/XP operating system. A CDROM drive and a free REAL serial (RS232) port are also required. Please note that the functioning of the PIC programmer card cannot be guaranteed through a USB conversion cable.
Product Usage Instructions
Assembly Hints
- Make sure you have the right tools, including a basic multi-meter if required.
- Mount the components against the PCB surface and carefully solder the leads.
- Ensure that the solder joints are cone-shaped and shiny.
- Trim excess leads as close as possible to the solder joint.
- Remove the components from the tape one at a time, following the correct mounting sequence for axial components.
Component Assembly
- Diodes: Pay attention to the polarity of the diodes (Cathode).
- Resistors: Follow the specified resistance values for each resistor.
- Voltage regulator: Install the specified voltage regulator component.
- Capacitors: Install the specified capacitors, ensuring correct polarity if electrolytic.
- IC sockets: Pay attention to the position of the notch when installing IC sockets.
- Transistors: Install the specified transistors.
- Headers: Install the specified headers.
- Board-to-wire connector: Install the specified board-to-wire connector.
- LEDs: Pay attention to the polarity of the LEDs (Cathode).
- Voltage regulator: Install the specified voltage regulator component.
- DC – Jack: Install the specified DC – Jack component.
- Electrolytic Capacitor: Pay attention to the polarity of the electrolytic capacitor.
Note: Always refer to any last-minute manual updates indicated as ‘NOTE’ on a separate leaflet.
This board can program a wide range of Microchip® PIC™ microcontrollers
This device complies with Part 15 of the FCC Rules provided the enclosed instructions are followed to the letter. Use of the device is subject to the following conditions: (1) this device must not cause harmful interference and (2) the operation of this device should not be influenced by unwanted interference.
More information about FCC can be look at https://www.fcc.gov
The translation of this manual and all other information can be found on the CD.
Features & Specifications
Features
- onboard configurable 40 pin. ZIF socket
- Microcontroller selection using patch jumper
- easy to use programming PICprog2006TM software included ? SUBD connector set included
Specifications
- power supply: 15V DC, min. 300mA adapter (Ex. PS1508)
- serial port connector: 9 p. SUBD
- dimensions: 132x65x20mm / 5,23 x 2,57 x 0,79″
- currently supported controllers (rev. 2.0.0.0) :
- PIC10F200
- PIC12C508A,PIC12CE518
- PIC12F629,PIC12F675
- PIC16F54
- PIC16F84A
- PIC16F870,PIC16F871,PIC16F872,PIC16F873*,PIC16F874*
- PIC16F876,PIC16F877*
- PIC16F627,PIC16F627A,PIC16F628,PIC16F628A
- PIC16F648A* PIC16F630,PIC16F676
- PIC18F2550,…
- (*): under test
Minimum system requirements
- IBM Compatible PC, Pentium or better
- Windows? 98/ME/NT/2000/XP
- CDROM drive
- free REAL serial (RS232) port required*
(*) The functioning of the PIC programmer card cannot be guaranteed through a USB conversion cable.
Assembly (Skipping this can lead to troubles!
Ok, so we have your attention. These hints will help you to make this project successful. Read them carefully.
Make sure you have the right tools
- A good quality soldering iron (25-40W) with a small tip.
- Wipe it often on a wet sponge or cloth, to keep it clean; then apply solder to the tip, to give it a wet look. This is called ‘thinning’ and will protect the tip, and enables you to make good connections. When solder rolls off the tip, it needs cleaning.
- Thin raisin-core solder. Do not use any flux or grease.
- A diagonal cutter to trim excess wires. To avoid injury when cutting excess leads, hold the lead so they cannot fly towards the eyes.
- Needle nose pliers, for bending leads, or to hold components in place.
- Small blade and Phillips screwdrivers. A basic range is fine.
For some projects, a basic multi-meter is required, or might be handy

Assembly Hints
- Make sure the skill level matches your experience, to avoid disappointments.
- Follow the instructions carefully. Read and understand the entire step before you perform each operation.
- Perform the assembly in the correct order as stated in this manual
- Position all parts on the PCB (Printed Circuit Board) as shown on the drawings.
- Values on the circuit diagram are subject to changes.
- Values in this assembly guide are correct*
- Use the check-boxes to mark your progress.
- Please read the included information on safety and customer service
* Typographical inaccuracies excluded. Always look for possible last minute manual updates, indicated as ‘NOTE’ on a separate leaflet.
Assembly hints
Soldering Hints
- Mount the component against the PCB surface and carefully solder the leads
- Make sure the solder joints are cone-shaped and shiny
- Trim excess leads as close as possible to the solder joint
REMOVE THEM FROM THE TAPE ONE AT A TIME !
AXIAL COMPONENTS ARE TAPED IN THE COR-RECT MOUNTING SEQUENCE !
Construction
- Diodes. Watch the polarity!

- Resistors

- Metal film resistors

- Voltage regulator

- Capacitors

- IC sockets, Watch the position of the notch!

- Transistors.

- Voltage regulator

- LEDs. Watch the polarity !

- Headers

- DC – Jack

- Board to wire connector

- Electrolytic Capacitor.
Watch the polarity !

- Sub D – connector

- ZIF socket

- IC’s. Watch the position of the notch!

- Rubber feet

- Serial cable
Mount a SUBD connector on both sides of a shielded 6-core cable. Refer to fig. 2.0 below.
If you do not assemble cables with the included SUBD connectors, pay attention to the following: all conductors must be connected “PIN to PIN”.Now, mount a enclosure over each SUBD connector according to fig. 3.0

- PIC – selection cable
- Cut off a piece of each wire of the female ‘board-to-wire’ connector so there is 6cm of wire left on the connector. See fig. 4.0
- Cut off 5 pieces of shrinkable tube with a lenght equal to 1cm.
- Slide the shrinkable tube over the wires of the female ‘board to wire’-connector (fig. 5.0)
- Solder each wire to a metal terminal
- Attention: Always make sure to slide down the shrinking tube far enough from the soldering points!
- Slide the shrinkable tube over the soldered joints and heat them using a hair dryer or, better still, using a paint

- Software installation
- Place the Velleman® software CD in your CD-ROM player.
- Select ‘Browse through this CD for other Velleman software’ (this message will not be displayed on your screen if ‘AUTORUN’ is not activated).
- Select the ‘K8076’ folder.
- Run the ‘SETUP.EXE’ program in the ‘C:K8076’ folder.
- Follow the indications on the screen until all files are installed.
For connecting, testing and using this kit please refer to the programme help file on the included CD.

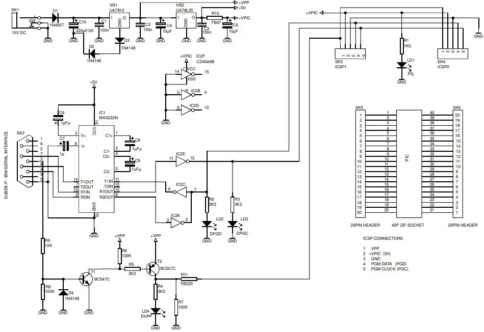
- Schematic diagram.

- PCB

VELLEMAN Components NV Legen Heirweg 33
9890 Gavere
Belgium Europe
www.velleman.be
www.velleman-kit.com
Modifications and typographical errors reserved © Velleman Components nv.
H8076IP’1 – 2006
