Contents
UNiMiG ARC200 Razor PFC Stick Welder
Product Information
- Product Name: RAZOR ARC 160/200 PFC
- Model Numbers: U13002K (RAZOR ARC 160 PFC), U13003K (RAZOR ARC 200 PFC)
- Operating Manual: Download here
Machine Features
- HD Backlit Interface: The next generation interface panel is bright and easy to read in any environment.
- Power Factor Correction (PFC): Provides maximum electrical efficiency by automatically compensating for voltage fluctuations. PFC is also designed to be generator friendly.
- Advanced MMA Features: Includes Anti-Stick technology, adjustable Arc Force, and Hot Start functionality for improved weld quality and ease of use.
Machine Specifications
- RAZOR ARC 160 PFC:
- Operating Manual Page: 3
- Weight: 7 kg
- Dimensions: 9 cm x 9 cm x 9 cm
- RAZOR ARC 200 PFC:
- Operating Manual Page: 7
- Weight: 10 kg
- Dimensions: 10 cm x 10 cm x 10 cm
Product Usage Instructions
Safety
Welding and cutting equipment can be dangerous to both the operator and people in or near the surrounding working area if not operated correctly. Follow all relevant safety regulations and read the instruction manual carefully before installation and operation.
- Machine operating safety:
- Electric shock: Can be fatal.
- Fumes and gases: Dangerous. Avoid welding/cutting materials without proper ventilation or air-supplied respirator.
- Arc rays: Harmful to eyes and skin.
- Fire hazard: Welding/cutting can cause fires in hidden areas. Be cautious when working on ceilings, floors, bulkheads, or partitions.
- Gas cylinders: Handle with care.
- Gas build-up: Be aware of gas build-up during welding, cutting, or heating operations.
- Electronic magnetic fields: Take precautions during welding, cutting, or heating operations.
- Noise: Use hearing protection as noise can damage hearing.
- Hot parts: Use welding gloves and clothing to handle hot parts and prevent burns.
- Caution:
- Only qualified technicians should repair the welding/cutting equipment. Observe all safety notes and precautions mentioned in the manual to avoid electrical shock.
TIG Welding Gas Leakage Check:
For TIG welding, it is recommended to check for gas leakage at initial setup and regular intervals. Follow the procedure below:
- Connect the regulator and gas hose assembly, and tighten all connectors and clamps.
- Slowly open the cylinder valve.
- Set the flow rate on the regulator to approximately 8-10 L/min.
- Close the cylinder valve and pay attention to the needle indicator of the contents pressure gauge on the regulator.
Safety
Welding and cutting equipment can be dangerous to both the operator and people in or near the surrounding working area if the equipment is not correctly operated. Equipment must only be used under the strict and comprehensive observance of all relevant safety regulations.
Read and understand this instruction manual carefully before the installation and operation of this equipment.
Machine operating safety
- Do not switch the function modes while the machine is operating. Switching of the function modes during welding can damage the machine. Damage caused in this manner will not be covered under warranty.
- Disconnect the electrode-holder cable from the machine before switching on the machine, to avoid arcing should the electrode be in contact with the workpiece.
- Operators should be trained and or qualified.
Electric shock: it can kill
- Touching live electrical parts can cause fatal shocks or severe burns. The electrode and work circuit is electrically live whenever the output is on. The input power circuit and internal machine circuits are also live when power is on. In MIG/MAG welding, the wire, drive rollers, wire feed housing, and all metal parts touching the welding wire are electrically live. Incorrectly installed or improperly grounded equipment is dangerous.
- Connect the primary input cable, according to Australian and New Zealand standards and regulations.
- Avoid all contact with live electrical parts of the welding/cutting circuit, electrodes and wires with bare hands.
- The operator must wear dry welding gloves while he/she performs the welding/cutting task.
- The operator should keep the workpiece insulated from himself/herself.
- Keep cords dry, free of oil and grease, and protected from hot metal and sparks.
- Frequently inspect input power cable for wear and tear, replace the cable immediately if damaged, bare wiring is dangerous and can kill.
- Do not use damaged, undersized, or badly joined cables.
- Do not drape cables over your body.
- We recommend (RCD) safety switch is used with this equipment to detect any leakage of current to earth.
Fumes and gases are dangerous
- Smoke and gas generated while welding or cutting can be harmful to people’s health. Welding produces fumes and gases. Breathing these fumes and gases can be hazardous to your health.
- Do not breathe the smoke and gas generated while welding or cutting, keep your head out of the fumes.
- Keep the working area well ventilated, use fume extraction or ventilation to remove welding/cutting fumes and gases.
- In confined or heavy fume environments always wear an approved air-supplied respirator.
- Welding/cutting fumes and gases can displace air and lower the oxygen level, causing injury or death. Be sure the breathing air is safe.
- Do not weld/cut in locations near degreasing, cleaning, or spraying operations. The heat and rays of the arc can react with vapours to form highly toxic and irritating gases.
- Materials such as galvanised, lead, or cadmium plated steel, containing elements that can give off toxic fumes when welded/cut. Do not weld/cut these materials unless the area is very well ventilated, and or wearing an air-supplied respirator.
Arc rays: harmful to people’s eyes and skin
- Arc rays from the welding/cutting process produce intense visible and invisible ultraviolet and infrared rays that can burn eyes and skin.
- Always wear a welding helmet with the correct shade of filter lens and suitable protective clothing, including welding gloves while the welding/cutting operation is performed.
- Measures should be taken to protect people in or near the surrounding working area. Use protective screens or barriers to protect others from flash, glare and sparks; warn others not to watch the arc.
Fire hazard
- Welding/cutting on closed containers, such as tanks, drums, or pipes, can cause them to explode. Flying sparks from the welding/cutting arc, hot workpiece, and hot equipment can cause fires and burns. Accidental contact of the electrode
to metal objects can cause sparks, explosion, overheating, or fire. Check and be sure the area is safe before doing any welding/cutting. - The welding/cutting sparks & spatter may cause fire, therefore remove any flammable materials well away from the working area. Cover flammable materials and containers with approved covers if unable to be moved from the welding/cutting area.
- Do not weld/cut on closed containers such as tanks, drums, or pipes, unless they are correctly prepared according to the required Safety Standards to ensure that flammable or toxic vapours and substances are totally removed, these can cause an explosion even though the vessel has been “cleaned”. Vent hollow castings or containers before heating, cutting or welding. They may explode.
- Do not weld/cut where the atmosphere may contain flammable dust, gas, or liquid vapours (such as petrol)
- Have a fire extinguisher nearby and know how to use it. Be alert that welding/cutting sparks and hot materials from welding/cutting can easily go through small cracks and openings to adjacent areas. Be aware that welding/cutting on a ceiling, floor, bulkhead, or partition can cause a fire on the hidden side.
Gas cylinders
- Shielding gas cylinders contain gas under high pressure. If damaged, a cylinder can explode. Because gas cylinders usually are part of the welding/cutting process, be sure to treat them carefully. CYLINDERS can explode if damaged.
- Protect gas cylinders from excessive heat, mechanical shocks, physical damage, slag, open flames, sparks, and arcs.
- Ensure cylinders are held secure and upright to prevent tipping or falling over.
- Never allow the welding/cutting electrode or earth clamp to touch the gas cylinder, do not drape welding cables over the cylinder.
- Never weld/cut on a pressurised gas cylinder, it will explode and kill you.
- Open the cylinder valve slowly and turn your face away from the cylinder outlet valve and gas regulator.
Gas build-up
- The build-up of gas can cause a toxic environment, deplete the oxygen content in the air resulting in death or injury. Many gases use in welding/cutting are invisible and odourless.
- Shut off shielding gas supply when not in use.
- Always ventilate confined spaces or use approved air-supplied respirator.
Electronic magnetic fields
- MAGNETIC FIELDS can affect Implanted Medical Devices.
- Wearers of Pacemakers and other Implanted Medical Devices should keep away.
- Implanted Medical Device wearers should consult their doctor and the device manufacturer before going near any electric welding, cutting or heating operation.
Noise can damage hearing
- Noise from some processes or equipment can damage hearing.
Wear approved ear protection if noise level is high.
Hot parts
- Items being welded/cut generate and hold high heat and can cause severe burns.
- Do not touch hot parts with bare hands. Allow a cooling period before working on the welding/cutting gun. Use insulated welding gloves and clothing to handle hot parts and prevent burns.
Caution
Working environment
- The environment in which this welding/cutting equipment is installed must be free of grinding dust, corrosive chemicals, flammable gas or materials etc., and at no more than a maximum of 80% humidity.
- When using the machine outdoors, protect the machine from direct sunlight, rainwater and snow, etc.; the temperature of the working environment should be maintained within -10°C to +40°C.
- Keep this equipment 30cm distant from the wall.
- Ensure the working environment is well ventilated.
Safety tips
- Ventilation: This equipment is small-sized, compact in structure, and of excellent performance in amperage output. The fan is used to dissipate heat generated by this equipment during the welding/cutting operation. Important: Maintain good ventilation of the louvres of this equipment. The minimum distance between this equipment and any other objects in or near the working area should be 30 cm. Good ventilation is of critical importance for the normal performance and service life of this equipment.
- Thermal Overload Protection: Should the machine be used to an excessive level, or in a high-temperature environment, poorly ventilated area or if the fan malfunctions the Thermal Overload Switch will be activated, and the machine will cease to operate. Under this circumstance, leave the machine switched on to keep the built-in fan working to bring down the temperature inside the equipment. The machine will be ready for use again when the internal temperature reaches a safe level.
- Over-Voltage Supply: Regarding the power supply voltage range of the machine, please refer to the “Main parameter” table. This equipment is of automatic voltage compensation, which enables the maintaining of the voltage range within the given range. In case that the voltage of input power supply amperage exceeds the stipulated value, it is possible to cause damage to the components of this equipment. Please ensure your primary power supply is correct.
- Do not come into contact with the output terminals while the machine is in operation. An electric shock may occur.
Maintenance
Exposure to extremely dusty, damp, or corrosive air is damaging to the welding/cutting machine. To prevent any possible failure or fault of this welding/cutting equipment, clean the dust at regular intervals with clean and dry compressed air of required pressure.
Please note that: lack of maintenance can result in the cancellation of the guarantee; the guarantee of this welding/cutting equipment will be void if the machine has been modified, attempt to take apart the machine or open the factory-made sealing of the machine without the consent of an authorized representative of the manufacturer.
Troubleshooting
Caution: Only qualified technicians are authorized to undertake the repair of this welding/cutting equipment. For your safety and to avoid Electrical Shock, please observe all safety notes and precautions detailed in this manual.
Attention! Check For Gas Leakage (WHEN TIG WELDING)
At initial set up and at regular intervals we recommend to check for gas leakage
Recommended procedure is as follows:
- Connect the regulator and gas hose assembly and tighten all connectors and clamps.
- Slowly open the cylinder valve.
- Set the flow rate on the regulator to approximately 8-10 L/min.
- Close the cylinder valve and pay attention to the needle indicator of the contents pressure gauge on the regulator, if the needle drops away towards zero there is a gas leak. Sometimes a gas leak can be slow and to identify it will require leaving the gas pressure in the regulator and line for an extended time period. In this situation it is recommended to open the cylinder valve, set the flow rate to 8-10 L/min, close the cylinder valve and check after a minimum of 15 minutes.
- If there is a gas loss then check all connectors and clamps for leakage by brushing or spraying with soapy water, bubbles will appear at the leakage point.
- Tighten clamps or fittings to eliminate gas leakage.
IMPORTANT! We strongly recommend that you check for gas leakage prior to operation of your machine. We recommend that you close the cylinder valve when the machine is not in use.
Welding Guns Of Australia PTY LTD, authorised representatives or agents of Welding Guns Of Australia PTY LTD will not be liable or responsible for the loss of any gas.
Machine Features
RAZOR ARC 160 PFC
HD Backlit Interface
This next generation interface panel is bright and easy to read in any environment.
Power Factor Correction (PFC)
PFC gives you maximum electrical efficiency. It automatically compensates for any voltage fluctuation, and PFC is also designed to be generator friendly.
Advanced MMA Features
The RAZOR ARC 160 PFC features Anti-Stick technology, as well as adjustable Arc Force and Hot Start functionality. These features are designed for improving weld quality and ease of use.
10A Plug
A 10 AMP power plug can be used on any domestic outlet. It’s perfect for the DIY home handyman or the professional welder looking for a machine that can be used almost anywhere.
DC Lift Arc TIG
Lift Arc ignition allows the arc to be started easily in DC TIG by simply touching the tungsten to the workpiece and lifting it up to start the arc. This stops the tungsten tip sticking to the workpiece and breaking the tip from the tungsten electrode.
Optional Remote Control
Upgrade your machine with a handy remote control. Both a wired and wireless controller are available.
Smart Fan
Smart Fan diminishes noise, saves power, helps reduce energy costs, and minimises the number of contaminants being pulled through the machine.
Lightweight & Portable
Weighing just 7.2kg, the RAZOR ARC 160 PFC is ready to go anywhere you need it.
RAZOR ARC 200 PFC
HD Backlit Interface
This next generation interface panel is bright and easy to read in any environment.
Power Factor Correction (PFC)
PFC gives you maximum electrical efficiency. It automatically compensates for any voltage fluctuation, and PFC is also designed to be generator friendly.
Advanced MMA Features
The RAZOR ARC 200 PFC features Anti-Stick technology, as well as adjustable Arc Force and Hot Start functionality. These features are designed for improving weld quality and ease of use.
Optional Remote Control
Upgrade your machine with a handy remote control. Both a wired and wireless controller are available.
DC Lift Arc TIG
Lift Arc ignition allows the arc to be started easily in DC TIG by simply touching the tungsten to the workpiece and lifting it up to start the arc. This stops the tungsten tip sticking to the workpiece and breaking the tip from the tungsten electrode.
Smart Fan
Smart Fan diminishes noise, saves power, helps reduce energy costs, and minimises the number of contaminants being pulled through the machine.
Lightweight & Portable
Weighing just 7.6kg, the RAZOR ARC 200 PFC is ready to go anywhere you need it.
Machine Specifications
RAZOR ARC 160 PFC
Technical Data
| Parameter | Values |
| SKU | U13002K |
| Primary Input Voltage | 240V Single Phase |
| Supply Plug | 10 AMP |
| Ieff (A) | 10 |
| Rated Output | 20A/20.8V – 160A/26.4V |
| No Load Voltage (V) | 78 |
| Protection Class | IP23S |
| Insulation Class | H |
| Minimum Generator (kVA) | 9.0 |
| Dinse Connector | 35/50 |
| Standard | AS/NZ60974-1 |
| MMA Weld Material type | Mild Steel, Stainless Steel, Cast Iron |
| TIG Weld Material type | Mild Steel, Stainless Steel, Copper, Silicon Bronze |
| Warranty (Years) | 5 |
STICK Specifications
| Parameter | Values |
| STICK Welding Current Range | 20-160A |
| STICK Duty Cycle @ 40°C | 20% @ 160A
60% @ 93A 100% @ 72A |
| STICK Electrode Range | 2.5-4.0mm |
| STICK Welding Thickness Range | 2-10mm |
TIG Specifications
| Parameter | Values |
| TIG Function Type | DC Lift Arc |
| TIG Welding Current Range | 10-160A |
| TIG Duty Cycle @ 40°C | 35% @ 160A
60% @ 123A 100% @ 95A |
| TIG Welding Thickness Range | 1-6mm |
Size & Weight
| Parameter | Values |
| Dimensions (mm) | 413×150×311 mm |
| Weight (kg) | 7.2kg |
RAZOR ARC 200 PFC
Technical Data
| Parameter | Values |
| SKU | U13003K |
| Primary Input Voltage | 240V Single Phase |
| Supply Plug | 15 AMP |
| Ieff (A) | 14.9 |
| Rated Output | 20A/20.8V – 200A/28V |
| No Load Voltage (V) | 78 |
| Protection Class | IP23S |
| Insulation Class | H |
| Minimum Generator (kVA) | 9.0 |
| Dinse Connector | 35/50 |
| Standard | AS/NZ60974-1 |
| MMA Weld Material type | Mild Steel, Stainless Steel, Cast Iron |
| TIG Weld Material type | Mild Steel, Stainless Steel, Copper, Silicon Bronze |
| Warranty (Years) | 5 |
STICK Specifications
| Parameter | Values |
| STICK Welding Current Range | 20-200A |
| STICK Duty Cycle @ 40°C | 25% @ 200A
60% @ 129A 100% @ 100A |
| STICK Electrode Range | 2.5-4.0mm |
| STICK Welding Thickness Range | 2-12mm |
TIG Specifications
| Parameter | Values |
| TIG Function Type | DC Lift Arc |
| TIG Welding Current Range | 10-200A |
| TIG Duty Cycle @ 40°C | 25% @ 200A
60% @ 129A 100% @ 100A |
| TIG Welding Thickness Range | 1-8mm |
Size & Weight
| Parameter | Values |
| Dimensions (mm) | 413×150×311 mm |
| Weight (kg) | 7.6kg |
Machine Layout
Front Panel Layout
- Interface Panel
- “+” Output Terminal
- “-” Output Terminal
- Wired Remote Connection PortRear Panel Layout
- On/Off Switch
- Input Power Cord
Control Panel Layout
- Numerical Display
- Multi Function Adjustment Knob
- Welding Mode Selection Button
- MMA Electrode Size Selection Button
- Parameter Settings Selection Button
- Remote Mode Button
- Warning Indicators (Overcurrent & Thermal Overload)
- VRD Indicator light
- Remote Mode On Indicator
Control Panel Details
WELDING PROCESS SELECTION
MMA ‘STICK’ Mode
This indicates that the machine is in MMA mode. For MMA setup details see page 15.
DC LIFT TIG Mode
This indicates that the machine is in Lift Tig mode. For TIG setup details see page 20.
Note: When Lift TIG mode is activated, all other functions are disabled except amperage control and remote mode.
MMA ELECTRODE SIZE SELECTION
Manual Mode
This indicicates that the machine is manual MMA mode. While in this mode the machine sets no limits on amperage MIN/MAX and allows you full control of the Arc Force and Hot Start settings.
Electrode Pre-Sets
Each off these indicators are for the electrode sizes that the machine is pre-set to weld with. When one of these are selected, the machine will automatically put limiters on amperage settings based on recommended MIN/MAX. It will also automatically set the Arc Force and Hot Start settings based on what works best for the selected size of electrode.
PARAMETER SELECTION
Amperage Adjustment
When this indicator is lit you are in amperage adjustment mode. It functions for both MMA mode and Lift TIG mode.
- Note: When you have a pre-set electrode size activated your amperage adjusment will have limits set on MIN/MAX based on the size you have selected.
- Note: If you do not touch the panel for 5 seconds it will default back to this parameter.
Hot Start
This indicates that you are adjusting the Hot Start parameter. Hot Start provides a boost of amperage at the beginning of the weld cycle, to help ignite the electrode. Hot Start can provide up to a 60 amp boost based upon your settings.
Arc Force
This indicicates that you are adjusting the Arc Force parameter. Arc Force provides up to a 60 amp boost of your welding current to ensure optimum arc performance.
Anti-Stick
This unit has anti-stick functionality by default. If a short circuit occurs while welding for more than 2 seconds, the machine will automatically drop to 20A to allow the short circuit to be cleared. When the short circuit is cleared the welding current will automatically return to the set current.
REMOTE MODE
Remote Mode Indicator
Simply press the remote mode button turn remote mode on and off. For full details on how to use and pair the remote functionality please see page 33.
Package Contents
MMA: Machine Setup
- For DC+ electrodes, connect earth clamp to the negative (-) dinse connection, and electrode holder to the positive (+) dinse connection.
- For DC- electrodes, connect earth clamp to the positive (+) dinse connection, and electrode holder to the negative (-) dinse connection.
- Connect the plug into a power point, then switch the machine ON.
- Ensure that MMA mode is activated on the front panel.
- Twist electrode holder to loosen grip.
- Place electrode into electrode holder.
- Twist electrode holder to tighten and securely grip electrode.
- Using the Electrode Size Selector Button, choose either manual mode or the size that corresponds with the electrode you are using.
- Ensure you are in Amperage Control mode, then adjust your amperage output to suit the material you are welding.
- Connect earth clamp to your workpiece.
- Strike electrode to the workpiece to initiate arc.
- Drag along workpiece to weld. Pull the electrode away from the workpiece to finish weld.
MMA: Welding Guide
One of the most common types of arc welding is Manual Metal Arc welding, also known as MMA welding. An electric current is used to strike an arc between the base material and a consumable electrode rod or ‘stick’. The electrode rod is made of a material that is compatible with the base material being welded. They are covered with a flux that gives off gaseous vapours that serve as a shielding gas and provide a layer of slag, both of which protect the weld area from atmospheric contamination. The electrode core itself acts as filler material. The residue from the flux that forms a slag covering over the weld metal must be chipped away after welding.
- The arc is initiated by momentarily touching the electrode to the base metal.
- The heat of the arc melts the surface of the base metal to form a molten pool at the end of the electrode.
- The melted electrode metal is transferred across the arc into the molten pool and becomes the deposited weld metal.
- The deposit is covered and protected by a slag which comes from the electrode coating.
- The arc and the immediate area are enveloped by an atmosphere of protective gas.
Manual Metal Arc (stick) electrodes have a solid metal wire core and a flux coating. These electrodes are identified by the wire diameter and by a series of letters and numbers. The letters and numbers identify the metal alloy and the intended use of the electrode.
The metal wire core works as a conductor of the current that maintains the arc. The core wire melts and is deposited into the welding pool.
The covering on a shielded metal arc welding electrode is called flux. The flux on the electrode performs many different functions.
These include:
- Producing a protective gas around the weld area.
- Providing fluxing elements and de-oxidisers.
- Creating a protective slag coating over the weld as it cools.
- Establishing arc characteristics.
- Adding alloying elements.
Covered electrodes serve many purposes in addition to adding filler metal to the molten pool. These additional functions are provided mainly by the covering on the electrode.
Electrode Selection
As a general rule, the selection of an electrode is straight forward, in that it is only a matter of selecting an electrode of similar composition to the parent metal. However, for some metals, there is a choice of several electrodes, each of which has particular properties to suit specific classes of work.
The size of the electrode generally depends on the thickness of the section being welded, and the thicker the section, the larger the electrode required. The table gives the maximum size of electrodes that may be used for various thicknesses of section based on using a general-purpose type 6013 electrode.
Correct current selection for a particular job is an important factor in arc welding. With the current set too low, it is difficult to strike and maintain a stable arc. The penetration is reduced and beads with a distinct rounded profile will be deposited. Too high a current is accompanied by overheating of the electrode, resulting in undercut, burning through of the base metal and producing excessive spatter.
| Average Thickness of Material | Maximum Recommended Electrode Diameter |
| 1.0 – 2.0mm | 2.5mm |
| 2.0 – 5.0mm | 3.2mm |
| > 5.0mm | 4.0mm |
| Electrode Size (ø mm) | Current Range (Amps) |
| 2.5mm | 60 – 100 |
| 3.2mm | 90 – 150 |
| 4.0mm | 140 – 200 |
Arc Length
To strike the arc, the electrode should be gently scraped on the work until the arc is established. There is a simple rule for the proper arc length; it should be the shortest arc that gives a good surface to the weld. An arc too long reduces penetration, produces spatter and gives a rough surface finish to the weld. An excessively short arc will cause sticking of the electrode and result in poor quality welds. The general rule of thumb for down hand welding is to have an arc length no greater than the diameter of the core wire.
Electrode Angle
The angle that the electrode makes with the work is important to ensure a smooth, even transfer of metal. When welding in down hand, fillet, horizontal or overhead, the angle of the electrode is generally between 5 and 15 degrees towards the direction of travel. When vertical up welding, the angle of the electrode should be between 80 and 90 degrees to the workpiece.
Travel Speed
The electrode should be moved along in the direction of the joint being welded at a speed that will give the size of run required. At the same time, the electrode is fed downwards to keep the correct arc length at all times. Excessive travel speeds lead to poor fusion, lack of penetration, etc., while too slow a rate of travel will frequently lead to arc instability, slag inclusions and poor mechanical properties.
Material and Joint Preparation
The material to be welded should be clean and free of any moisture, paint, oil, grease, mill scale, rust or any other material that will hinder the arc and contaminate the weld material. Joint preparation will depend on the method used include sawing, punching, shearing, machining, flame cutting and others. In all cases, edges should be clean and free of any contaminates. The chosen application will determine the type of joint.
TIG: Machine Setup
- Connect the TIG torch to the negative (-) dinse connection, twist to lock in place.
- Connect the earth clamp to the positive (+) dinse connection, twist to lock in place.
- Connect the plug into a power point, then switch the machine ON.
- Press the Welding Mode Selection button and choose TIG mode.
- Place argon flowmeter regulator into your gas outlet.
- Tighten securely with wrench.
- Connect gas hose to the flowmeter outlet and crimp in place.
- Adjust gas flow to 8-12L/min.
- Set the welding current using the amperage control dial.
- Connect earth clamp to your workpiece.
- Turn on the gas valve located on the TIG torch handle.
- Lay the outside edge of the gas cup on the workpiece with the tungsten electrode 1-2mm from the workpiece.
- With a small movement rotate the gas cup forward so that the tungsten electrode touches the workpiece.
- Now rotate the gas cup in the reverse direction to lift the tungsten electrode from the workpiece to create the arc.
IMPORTANT!
We strongly recommend that you check for gas leakage prior to operation of your machine. We recommend that you close the cylinder valve when the machine is not in use.
Welding Guns Of Australia PTY LTD, authorised representatives or agents of Welding Guns Of Australia PTY LTD will not be liable or responsible for the loss of any gas.
TIG: Welding Guide
DC TIG Welding
The DC power source uses what is known as DC (direct current), in which the main electrical component known as electrons flow in only one direction from the negative pole (terminal) to the positive pole (terminal). In the DC electrical circuit, there is an electrical principle at work which should always be taken into account when using any DC circuit. With a DC circuit, 70% of the energy (heat) is always on the positive side. This needs to be understood because it determines what terminal the TIG torch will be connected to (this rule applies to all the other forms of DC welding as well).
DC TIG welding is a process in which an arc is struck between a tungsten electrode and the metal workpiece. The weld area is shielded by an inert gas flow to prevent contamination of the tungsten, molten pool and weld area. When the TIG arc is struck, the inert gas is ionised and superheated, changing its molecular structure, which converts it into a plasma stream. This plasma stream flowing between the tungsten and the workpiece is the TIG arc and can be as hot as 19,000°C. It is a very pure and concentrated arc which provides the controlled melting of most metals into a weld pool. TIG welding offers the user the highest amount of flexibility to weld the widest range of material thickness and types. DC TIG welding is also the cleanest weld with no sparks or spatter.
The intensity of the arc is proportional to the current that flows from the tungsten. The welder regulates the welding current to adjust the power of the arc. Typically thin material requires a less powerful arc with less heat to melt the material, so less current (amps) is required. Thicker material requires a more powerful arc with more heat, so more current (amps) is necessary to melt the material.
Lift Arc Ignition for TIG Welding
Lift Arc is a form of arc ignition where the tungsten electrode is touched to the workpiece and then pulled upwards to initiate an arc. When the machine detects that the tungsten has left the surface and a spark is present, it immediately (within microseconds) increases power, converting the spark to a full arc. It is a simple, safe, lower-cost alternative arc ignition process to HF (high frequency) and a superior arc start process to scratch start.
Lift Arc ignition allows the arc to be started easily in DC TIG by simply touching the tungsten to the workpiece and lifting it to start the arc. This prevents the tungsten tip from sticking to the workpiece and breaking the tip from the tungsten electrode. There is a particular technique called “rocking the cup” used in the Lift Arc process that provides easy use of the Lift Arc function.
TIG Welding Fusion Technique
Manual TIG welding is often considered the most difficult of all the welding processes. Because the welder must maintain a short arc length, great care and skill are required to prevent contact between the electrode and the workpiece. Similar to Oxygen Acetylene torch welding, TIG welding typically requires two hands and in most instances requires the welder to manually feed a filler wire into the weld pool with one hand while manipulating the welding torch in the other. However, some welds combining thin materials can be accomplished without filler metal, such as edge, corner, and butt joints. This is known as Fusion welding where the edges of the metal pieces are melted together using only the heat and arc force generated by the TIG arc. Once the arc is started, the torch tungsten is held in place until a weld pool is created, a circular movement of the tungsten will assist in creating a weld pool of the desired size. Once the weld pool is established, tilt the torch at about a 75° angle and move smoothly and evenly along the joint while fusing the materials together.
TIG Welding with Filler Wire Technique
It is necessary for many situations with TIG welding to add a filler wire into the weld pool to build up weld reinforcement and create a strong weld. Once the arc is started, the torch tungsten is held in place until a weld pool is created, a circular movement of the tungsten will assist in creating a weld pool of the desired size. Once the weld pool is established, tilt the torch at about a 75° angle and move smoothly and evenly along the joint. The filler metal is introduced to the leading edge of the weld pool. The filler wire is usually held at about a 15° angle and fed into the leading edge of the molten pool. The arc will melt the filler wire into the weld pool as the torch is moved forward. Also, a dabbing technique can be used to control the amount of filler wire added. The wire is fed into the molten pool and retracted in a repeating sequence as the torch is moved slowly and evenly forward. It is essential during the welding to keep the molten end of the filler wire inside the gas shield as this protects the end of the wire from being oxidised and contaminating the weld pool.
TIG Tungsten Selection Guide
Tungsten Electrodes Rating for Welding Currents
| Tungsten Diameter (mm) | Diameter at the Tip (mm) | Constant Included Angle (°) | Current Range (Amps) | Current Range (Pulsed Amps) |
| 1.0mm | 0.25 | 20 | 5 – 30 | 5 – 60 |
| 1.6mm | 0.5 | 25 | 8 – 50 | 5 – 100 |
| 1.6mm | 0.8 | 30 | 10 – 70 | 10 – 140 |
| 2.4mm | 0.8 | 35 | 12 – 90 | 12 – 180 |
| 2.4mm | 1.1 | 45 | 15 – 150 | 15 – 250 |
| 3.2mm | 1.1 | 60 | 20 – 200 | 20 – 300 |
| 3.2mm | 1.5 | 90 | 25 – 250 | 25 – 350 |
Tungsten Preparation
Always use DIAMOND wheels when grinding and cutting. While tungsten is a tough material, the surface of a diamond wheel is harder, and this makes for smooth grinding. Grinding without diamond wheels, such as aluminium oxide wheels, can lead to jagged edges, imperfections, or poor surface finishes not visible to the eye that will contribute to weld inconsistency and weld defects.
Always ensure to grind the tungsten in a longitudinal direction on the grinding wheel. Tungsten electrodes are manufactured with the molecular structure of the grain running lengthwise and thus grinding crosswise is “grinding against the grain.” If electrodes are ground crosswise, the electrons have to jump across the grinding marks, and the arc can start before the tip and wander. Grinding longitudinally with the grain causes the electrons to flow steadily and easily to the end of the tungsten tip. The arc starts straight and remains narrow, concentrated, and stable.
Electrode Tip/Flat
The shape of the tungsten electrode tip is an important process variable in precision arc welding. A good selection of tip/flat size will balance the need for several advantages. The bigger the flat, the more likely arc wander will occur and the more difficult it will be to arc start. However, increasing the flat to the maximum level that still allows arc starts and eliminates arc wander will improve the weld penetration and increase the electrode life. Some welders still grind electrodes to a sharp point, which makes arc starting easier. However, they risk decreased welding performance from melting at the tip and the possibility of the point falling off into the weld pool.
Electrode Included Angle/Taper – DC
Tungsten electrodes for DC welding should be ground longitudinally and concentrically with diamond wheels to a specific included angle in conjunction with the tip/flat preparation. Different angles produce different arc shapes and offer different weld penetration capabilities. In general, blunter electrodes that have a larger included angle provide the following benefits:
- Last longer
- Have better weld penetration
- Have a narrower arc shape
- Can handle more amperage without eroding
Sharper electrodes with smaller included angle provide:
- Offer less arc weld
- Have a wider arc
- Have a more consistent arc
The included angle determines the weld bead shape and size. Generally, as the included angle increases, penetration increases and bead width decreases.
Factory Reset
If you wish to reset the machine to factory settings, press and hold the Welding Mode Selection Button for 5 seconds to restore factory settings. After pressing and holding for 5 seconds, the display window will count down from 3. When the countdown ends, the factory settings are restored. If the button is released before the countdown ends, the factory restore will not take place.
WARNING THIS CANNOT BE UNDONE*
Indicator Lights
Error Codes
| Error Code | Issue | Details |
| E10 | Overcurrent Protection | The machine is outputting more current than it is rated for. This is likely due to internal fault. |
| Possible Solution: Power down and restart machine. | ||
| E31 | Under Voltage Protection | Voltage source for machine is too low. Can be caused by extension cable. |
| Possible Solution: Remove any extension cables and check power socket and machine power wire. Attempt weld on a different power circuit. | ||
| E32 | Over Voltage Protection | Voltage source for machine is too high. |
| Possible Solution: Remove any extension cables and check power socket and machine power wire. Attempt weld on a different power circuit. | ||
| E34 | Under Voltage Error | Power supply voltage is too low. This is likely caused by internal fault. |
| Possible Solution: Remove any extension cables and check power socket and machine power wire. Attempt weld on a different power circuit. | ||
| E61 | IGBT Overheat | Internal temperature is too high. This is likely caused by reaching duty cycle limit. |
| DO NOT TURN OFF MACHINE! Wait for machine to cool down and for indicator warning to turn off. | ||
| E62 | Rectifier Overheat | Internal temperature is too high. This is likely caused by reaching duty cycle limit. |
| DO NOT TURN OFF MACHINE! Wait for machine to cool down and for indicator warning to turn off. | ||
| RED VRD ICON | Abnormal VRD | The No-Load voltage is too high. This is likely caused by VRD fault. |
| Possible Solution: Power down and restart machine. | ||
After attempting the possible solutions listed in the chart above please contact UNIMIG Support Services if you are still experiencing issues with your machine.
MMA (STICK) Troubleshooting
No arc
- Incomplete welding circuit: Check earth lead is connected. Check all cable connections.
- Wrong mode selected: Check the MMA selector switch is selected.
- No power supply: Check that the machine is switched on and has a power supply.
Porosity – Small cavities or holes resulting from gas pockets in weld metal
- Arc length too long: Shorten the arc length.
- Workpiece dirty, contaminated or moisture: Remove moisture and materials like paint, grease, oil, and dirt, including mill scale, from base metal.
- Damp electrodes: Use only dry electrodes.
Excessive spatter
- Amperage too high: Decrease the amperage or choose a smaller electrode.
- Arc length too long: Shorten the arc length.
Weld sits on top, lack of fusion
- Insufficient heat input: Increase the amperage or choose a smaller electrode.
- Workpiece dirty, contaminated or moisture: Remove moisture and materials like paint, grease, oil, and dirt, including mill scale, from base metal.
- Poor welding technique: Use the correct welding technique or seek assistance for the correct technique.
Lack of penetration
- Insufficient heat input: Increase the amperage or choose a smaller electrode.
- Poor welding technique: Use the correct welding technique or seek assistance for the correct technique.
- Poor joint preparation: Check the joint design and fit up, make sure the material is not too thick. Seek assistance for the correct joint design and fit up.
Excessive penetration – Burn through
- Excessive heat input: Reduce the amperage or use a larger electrode.
- Incorrect travel speed: Try increasing the weld travel speed.
Uneven weld appearance
Unsteady hand, wavering hand: Use two hands where possible to steady up, practise your technique.
Distortion – Movement of base metal during welding
- Excessive heat input: Reduce the amperage or use a larger electrode.
- Poor welding technique: Use the correct welding technique or seek assistance for the correct technique.
- Poor joint preparation and/or joint design: Check the joint design and fit up, make sure the material is not too thick.
Seek assistance for the correct joint design and fit up.
Electrode welds with different or unusual arc characteristic
Incorrect polarity: Change the polarity, check the electrode manufacturer for correct polarity.
TIG Troubleshooting
Tungsten burning away quickly
- Incorrect gas or no gas: Use pure argon. Check cylinder has gas, connected, turned on, and torch valve is open.
- Inadequate gas flow: Check the gas is connected, check hoses, gas valve and torch are not restricted.
- Back cap not fitted correctly: Make sure the torch back cap is fitted so that the O-ring is inside the torch body.
- Torch connected to DC+: Connect the torch to the DC- output terminal.
- Incorrect tungsten being used: Check and change the tungsten type if necessary.
- Tungsten being oxidised after weld is finished: Keep shielding gas flowing 10-15 seconds after arc stoppage.
Contaminated tungsten
- Touching tungsten into the weld pool: Keep tungsten from contacting weld puddle. Raise the torch so that the tungsten is off of the work piece 2-5mm.
- Touching the filler wire to the tungsten: Keep the filler wire from touching the tungsten during welding, feed the filler wire into the leading edge of the weld pool in front of the tungsten. 16.3 Porosity – Poor weld appearance and colour
- Wrong gas / poor gas flow / gas leaks: Use pure argon. Gas is connected, check hoses, gas valve and torch are not restricted. Set the gas flow between 8-12 L/min. Check hoses and fittings for holes, leaks etc.
- Contaminated base metal: Remove moisture and materials like paint, grease, oil, and dirt from base metal.
- Contaminated filler wire: Remove all grease, oil, or moisture from filler metal.
- Incorrect filler wire: Check the filler wire and change if necessary. 16.4 Yellowish residue/smoke on the alumina nozzle & discoloured tungsten
- Incorrect gas: Use pure argon gas.
- Inadequate gas flow: Set the gas flow between 8-12 L/min flow rate.
- Alumina gas nozzle too small: Increase the size of the alumina gas nozzle.
Unstable arc during DC welding
- Torch connected to DC+: Connect the torch to the DC- output terminal.
- Contaminated base metal: Remove materials like paint, grease, oil, and dirt, including mill scale from base metal.
- Tungsten is contaminated: Remove 10mm of contaminated tungsten and re-grind the tungsten.
- Arc length too long: Lower torch so that the tungsten is off of the work piece 2-5mm.
Arc wanders during DC welding
- Poor gas flow: Check and set the gas flow between 8-12 L/min flow rate.
- Amperage too low: Increase the amperage.
- Incorrect arc length: Lower torch so that the tungsten is off of the work piece 2-5mm.
- Tungsten incorrect or in poor condition: Check that correct type of tungsten is being used. Remove 10mm from the
weld end of the tungsten and re-sharpen the tungsten. - Poorly prepared tungsten: Grind marks should run lengthwise with tungsten, not circular. Use proper grinding method
and wheel. - Contaminated base metal or filler wire: Remove contaminating materials like paint, grease, oil, and dirt, including mill
scale, from base metal. Remove all grease, oil, or moisture from filler metal.
Arc difficult to start or will not start DC welding
- Incorrect machine set up: Check machine set up is correct.
- No gas, incorrect gas flow: Check the gas is connected and cylinder valve open, check hoses, gas valve and torch are
not restricted. Set the gas flow between 8-12 L/min flow rate. - Incorrect tungsten size or type: Check and change the size and or the tungsten if required.
- Loose connection: Check all connectors and tighten.
- Earth clamp not connected to work: Connect the earth clamp directly to the workpiece wherever possible.
Optional Accessories
Remote Control Connection & Use
WIRED REMOTE CONNECTION
Locate the wired remote port on the front panel of the machine, and unscrew the port cover. Using the orientation groves, connect the wired remote to the port and screw the connector in securely. 
Press the remote mode button to turn remote functionality on. The remote mode indicator will light up just above the remote button. Simply press the remote button again to turn remote mode off.
WIRELESS REMOTE CONNECTION
Press and hold the remote button on the front panel of the machine. After 3 seconds, the wireless icon will begin to flash blue indicating the machine is in pairing mode. While holding down the remote button, press the connect button on the wireless remote.
After pressing and holding the center connection button on the remote, the light indicator on the remote will flash. 
This will display on the screen once the connection is successful. You can now release the buttons. Ensure that remote mode is turned on by pressing the remote button.
Remote mode can be turned on and off without the need for the remote to be reconnected.
To unpair the remote, press and hold the remote button on the machine and wait for the indicator to start flashing. Release the button and the screen will show a failed connection. The remote is now unpaired.
This indicates a failed connectiont to the remote. If you are having issues connecting the remote check the battery and try again. If you’re still experiencing connetion issues please reach out to UNIMIG service Support.
Machine Breakdown

Machine Parts List
ARC 160 PFC
| Code | Name | |
| 1 | 10083652 | Iron plate of display panel |
| 2 | 10083484 | Knob |
| 3 | 51000374 | Silicone key |
| 4 | 51001885 | Front panel sticker |
| 5 | 51000464 | Display panel PCB board |
| 6 | 10083487 | Plug |
| 7 | 10021855 | Quick socket |
| 8 | 51000384 | Aviation socket (plus) |
| 9 | 10083669 | Rear panel |
| 9 | 10083670 | Front panel |
| 10 | 10083646 | Fan mounting plate |
| 11 | 10083654 | Rear panel bracket |
| 12 | 10083655 | Beam |
| 13 | 51002115 | Main board PCB |
| 14 | 10083653 | Front panel bracket |
| 15 | 10083486 | Quick socket plug |
| 16 | 10083650 | Left cover |
| 17 | 10083651 | Right cover |
| 18 | 51002017 | Top cover (standard) |
| 19 | 10083671 | Louver |
| 20 | 10050418 | Rectifier bridge radiator |
| 21 | 10083690 | Handle |
| 22 | 10083625 | Heat sink |
| 23 | 10083638 | Aluminum connector |
| 24 | 10083640 | Output aluminum connector |
| 25 | 10083642 | Output copper connector |
| 26 | 10083689 | Wind shield |
| 27 | 10083490 | Main transformer |
| 28 | 10083628 | Diode heat sink |
| 29 | 51000937 | Electrolytic capacitor |
| 30 | 51002018 | Chassis |
| 31 | 10083629 | IGBT heat sink |
| 32 | 10083626 | PFC IGBT heat sink |
| 33 | 51000456 | PFC inductor |
| 34 | 10064197 | Fan |
| 35 | 10083670 | Rear panel |
| 36 | 51000471 | Switch |
| 37 | 51001928 | Power cord |
ARC 200 PFC
| Code | Name | |
| 1 | 10083448 | Rear bracket |
| 2 | 10083468 | Handle |
| 3 | 51001979 | Top cover |
| 4 | 10083446 | Front bracket |
| 5 | 10083440 | Right cover |
| 6 | 10083208 | Protective ring |
| 7 | 10083484 | Knob |
| 8 | 51002053 | Display panel |
| 9 | 10083453 | Silicone key |
| 10 | 10083474 | Iron plate of display panel |
| 11 | 51000401 | Display panel PCBA |
| 12 | 10083487 | Plug |
| 13 | 51000383 | Aviation socket (plus) |
| 14 | 10083486 | Quick socket plug (standard) |
| 15 | 10021855 | Quick socket |
| 16 | 10086152 | Front panel |
| 17 | 51001978 | Chassis |
| 18 | 51000442 | Inverter |
| 19 | 10083450 | Left cover |
| 20 | 10083485 | Side louver |
| 21 | 51001928 | Power cord |
| 22 | 10083524 | Rocker switch |
| 23 | 10083469 | Rear panel |
| 24 | 10083455 | 62mm heat sink |
| 25 | 10083459 | 35mm heat sink |
| 26 | 51000899 | Electrolytic capacitor |
| 27 | 10083457 | 50mm heat sink |
| 28 | 10066349 | Relay |
| 29 | 51000700 | EMC inductor |
| 30 | 51000601 | IGBT |
| 31 | 51000703 | Thermistor 1 |
| 31 | 51000702 | Thermistor 2 |
| 32 | 10064546 | Rectifier tube |
| 33 | 10083488 | Main transformer |
| 34 | 10083444 | Positive connector |
| 35 | 10083436 | Negative connector |
| 36 | 10083443 | Heat sink connector |
| 37 | 10083472 | Wind shield |
| 38 | 10083447 | Fan presser |
| 39 | 10056858 | Fan |
| 40 | 51000450 | Main board |
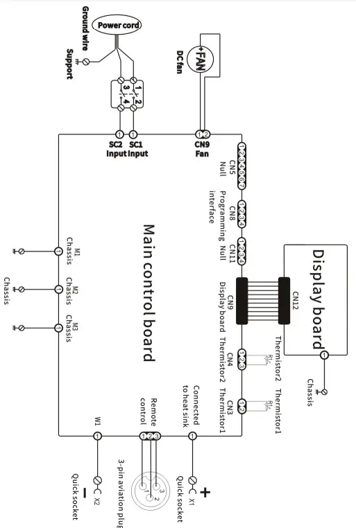
Wiring Diagram
HEAD OFFICE:
- 112 Christina Rd, Villawood NSW 2163
- PH: (02) 9780 4200
- FAX: (02) 9780 4210
- EMAIL: [email protected]
QLD OFFICE:
- 19 Commerce Cct, Yatala QLD 4207
- PH: (07) 3333 2855
- FAX: (07) 3274 5829
- EMAIL: [email protected]
VIC OFFICE:
- 91 Yellowbox Drive, Craigieburn VIC 3064
- PH: (03) 8682 9911
- FAX: (03) 9333 7867
- EMAIL: [email protected]
WA OFFICE:
- 26 Sustainable Ave, Bibra Lake WA 6163
- PH: (08) 6363 5111
- FAX: (08) 9417 4781
- EMAIL: [email protected]