UNI-T UT372D 2 in 1 Tachometer User Manual

Contents
I. Introduction
UT372D 2 in 1 tachometer is a stable, safe and reliable rotational Revolutions Per Minute (RPM) measuring device. It has contact and non-contact (optical) RPM measurement modes, which is convenient for users to use in different occasions. It is commonly applied in the fields of motors, fans, papermaking, plastics, chemical fibbers, washing machines, automobiles, etc. Please carefully read and strictly follow all warnings and precautions.
II. Features
- Contact and non-contact measurements;
- It can measure the rotational velocity, frequency, count, surface velocity and length.
- It can store 10 groups of data and can save the MAX/MIN/AVG/last reading.
- Its screen can be rotated.
- It comes with a Bluetooth APP that makes it easy to view data, export charts and perform other operations on the smartphone.
III. Unpacking Inspection
Open the packing box and take out the meter. Please carefully check whether the following accessories are missing or damaged:
- User manual——————————————————————————1 PC
- Quick start guide————————————————————————1PC
- Safety Instructions———————————————————————-1PC
- 1.5V AAA battery————————————————————————3PCS
- Shaft contact (cone) ——————————————————————-1PC
- Shaft contact (internal cone) ——————————————————–1PC
- 0.1m contact wheel———————————————————————1PC
- 6in contact wheel————————————————————————1PC
- Reflecting tape—————————————————————————10PCS
if any accessories are missing or damaged, please contact the distributor immediately.
⚠ Warning: Before using the tachometer, please read the “Safety Instructions” carefully.
IV. Safety Instructions
Please pay attention to the Warning and its symbol .A warning identifies conditions and procedures that are dangerous to users or that can cause damage to the product or the equipment under test.
- Check the meter and accessories before use to avoid any damage or abnormal phenomenon. If the product housing has been damaged and the LCD has no display, or the product operates incorrectly, please do not use it.
- Use the product only as specified.
- Please do not disassemble the meter or change the internal wiring.
- Replace the batteries when the low battery indicator shows. Remove the batteries if the product is not used for an extended period of time. When the battery voltage is lower than 3.5V, the low battery indicator is displayed on the screen.
- Do not store or use the product in a high temperature, high humidity, inflammable, explosive or strong electromagnetic field environment.
- Use a soft cloth and detergent to gently wipe the product housing. Do not clean with corrosive solvents or abrasive detergents.
- Laser radiation:
a. Laser: Class 2
b. beam divergence: 1.5 mrad
c. wavelength: 630nm-670nm
d. output power: 1mW
e. Do not direct laser beam into eyes, as this can cause permanent eye damage.
f. Label:

V. Structure (Figure 1)

- LCD
- Measure
- MAX/MIN/AVG/Last reading
- Store
- Power
- Unit
- Mode
- Laser aperture (do not stare into beam)
- Mechanical adapter
- Shaft contacts (cone/ internal cone)
- Contact wheels (6in/0.1m)
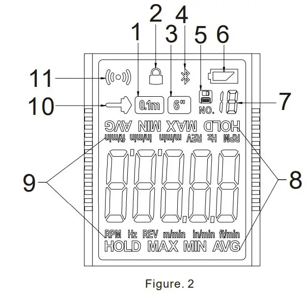
VI. Screen Indicators/Icons (Figure 2)
- 0.1m contact wheel measurement (contact)
- Lock measurement
- 6in contact wheel measurement (contact)
- Bluetooth
- Store
- Low battery indicator
- Storage number (NO.1-NO.10)
- Measured values (HOLD, MAX, MIN, AVG)
- Measurement functions (RPM, Hz, REV), surface velocity units (m/min, in/min, ft/min),length units (m, in, ft)
- Contact RPM measurement
- Trigger
Note: NO.1, 3 and 10 are icons of the contact measurement. Press the “MODE” button until the above three icons are not displayed, and then the non-contact measurement will be entered.

VII. Buttons (Figure 3)

- Long press to turn on/off the meter. Short press to turn on/off the backlight.
- Short press the MODE button to switch between the measurement modes. Long press to turn on/off the lock measurement.
- Short press the UNIT button to switch between functions/units. Long press to rotate the screen.
- Short press the MAX/MIN/AVG button to step though MAX/MIN/AVG/last reading. Long press to turn on/off the Bluetooth.
- The Measure button : a. In the lock measurement mode: will show on the screen. Short press the Measure button to start/stop measuring. b. Not in the lock measurement mode: will not show on the screen. Press and hold the Measure button to start measuring, and release the button to stop measuring. Note: After the product is turned on, it enters the unlocked measurement mode by default. The Measure button on the side of the product has the same functions as that on the front panel.
- The STORE button : a. View stored data: In the main interface, short press the STORE button to view the stored data. At this point, each time users press the STORE button, the screen displays the next stored data. b. Store the current data: In the main interface, long press the STORE button to prepare for data storage. The storage number flashes on the screen. Short press the STORE button to select a number. Long press the STORE button to save the current data. Note: When viewing or storing data, short press the Measure button to return to the main interface. After data is stored, units cannot be changed. Up to 10 groups of data can be stored. When viewing a group of data, short press the MAX button to view its MAX/MIN/AVG/last reading.
VIII. Operation
⚠ Warning:
> Do not point the laser directly at users’ eyes.
> When taking non-contact measurements, keep the product at least 50mm away from the object under test to avoid product damage or personal injury.
> When taking contact measurements, the shaft contacts/contact wheels should be slowly approaching the object under test.
Non-Contact (Optical) Measurement To take non-contact measurements, please first loosen the quick release screws on both sides of the mechanical adapter and remove the adapter from the product.
- Non-Contact—RPM/Hz (Figure 4)
a. Stop the object under test from rotating.
b. Cut a piece of 10mm*10mm reflecting tape, stick it on the measured object, and tear off the film on the surface of the reflecting tape.
c. The tachometer is placed in a stable position with a distance of 50mm to 500mm between its laser aperture and the measured object.
d. Turn on the tachometer. Short press the MODE button to select the non-contact measurement mode. (No mode icon will be displayed.)
e. Short press the UNIT button to select RPM or Hz.
f. Long press to turn on the laser. Point the laser at the reflecting tape. The vertical angle is not more than 30°. Note: The lock measurement mode can also be used. For details, please see No.2 and No.5 in VII. Buttons.
g. Start the object under test. The trigger symbol will flash and the measured value will be displayed on the tachometer screen. - Non-Contact—REV (Figure 5)
a. The tachometer is placed in a stable position with a distance of 50mm to 500mm between its laser aperture and the measured object.
b. Turn on the tachometer. Short press the MODE button to select the non-contact measurement mode. (No mode icon will be displayed.)
c. Short press the UNIT button to select REV.
d. Long press to turn on the laser. Point the laser at the object being counted. The vertical angle is not more than 30°. Note: The lock measurement mode can also be used. For details, please see No.2 and No.5 in VII. Buttons.
e. When the counted object has been scanned by the laser, the tachometer will add up the count and display the number.
Note: Counted objects must be reflective, or they may not be counted.
Contact Measurement Before taking contact measurements, please first install the mechanical adapter on the tachometer and tighten the quick release screws (Figure 6).
Figure. 6

3. Contact—RPM/Hz (Figure 7)
- a. Stop the object under test from rotating.
- b. Install the shaft contact (cone/internal cone) on the shaft of the mechanical adapter.
- c. Turn on the tachometer. Short press the MODE button to select
- d. Short press the UNIT button to select RPM or Hz.
- e. Make the shaft contact closely contact with the object to be measured.
- f. Long press to start measuring.
Note: The lock measurement mode can also be used. For details, please see No.2 and No.5 in VII. Buttons. - g. Start the object under test. The trigger symbol will flash and the measured value will be displayed on the tachometer screen.

4. Contact—Surface Velocity/Length Measurement (Figure 8)
- a. Stop the object under test from rotating or moving.
- b. Install the contact wheel (0.1m/6in) on the shaft of the mechanical adapter.
- c. Turn on the tachometer. Short press the MODE button to select 0.1m or 0.6in according to the contact wheel used.
- d. Short press the UNIT button to select the surface velocity unit (m/min, in/min, ft/ min) or length unit (m, in, ft).
- e. Long press to start measuring.
Note: The lock measurement mode can also be used. For details, please see No.2 and No.5 in VII. Buttons. - f. Make the contact wheel closely contact with the object to be measured.
- g. Start the object under test. The measured value will be displayed on the tachometer screen. Note: The trigger symbol will flash when taking surface velocity measurements and will not when taking length measurements.

Note: To ensure the measurement accuracy, it is necessary to keep the product in a motionless and stable state.
IX. Specifications
1. General
LCD: 5 digit display, maximum display 99999; Overload display: Display “OL”; Low battery indicator: Replace the batteries when the low battery indicator shows. When the battery voltage is lower than 3.5V, the low battery indicator is displayed on the screen; Refresh rate: 1s (60 RPM above) ~60s (depending on the rotational velocity); Sensor type: Photodiode and Hall sensor; Measuring distance: 50mm~500mm (non-contact); Drop proof: 1m Power: AAA 1.5V x3 Battery life: Continuous operating for about 20 hours (alkaline); Product size: 176mm × 63mm x 38mm Product weight: About 181g (without batteries); Auto power off: The product shuts down automatically if no button press occurs for 15 minutes.
2. Environment Requirements
Indoor use Altitude: 2000m; Safety standards: EN IEC 61326; IEC 60825-1; EN 50689 Pollution degree: 2; Operating temperature and humidity: 0~50 (80%RH); Storage temperature and humidity: -20~60 (80%RH).
3. Electrical Accuracy: ±(% of reading + digit); Ambient temperature: 23±5;
Ambient humidity: 80%RH; Temperature coefficient: 0.1× (accuracy) /.
(1) Accuracy

(2) Resolution

(3) Range

⚠ Warning
Please do not open the product housing to avoid inaccurate measurements or product damage.
X. Bluetooth APP
- Preparation Please install the APP iENV (IOS) or UTienv (Android) on the smartphone first.
- Installation For IOS devices, search “iENV” in APP Store. For Android devices, there are three ways to download the APP:
• Search “UTienv” in Play Store.
• Download on UNI-T’s official website: https://meters.uni-trend.com.cn/static/upload/app-Download/UTienv.apk
• Scan the QR code below. (Note: APP versions may be updated without prior notice.)
https://meters.uni-trend.com.cn/static/upload/appDownload/UTienv.apk - Connection After turning on the tachometer, long press the MAX button, and the Bluetooth symbol will flash on the screen. Turn on the Bluetooth function and the APP iENV or UTienv on the smartphone. Search and connect UT372D. The Bluetooth symbol on the tachometer screen will always be displayed after the connection is successful. Note: Android 10 and up smartphones need to turn on the location function at the same time to connect successfully.
XI. Maintenance and Repair
- General Maintenance
a. This product must be maintained by qualified professional maintenance personnel or designated maintenance department.
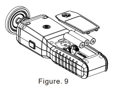
b. Clean the product housing regularly with a dry cloth. Do not use cleaners that contain abrasives or solvents. - Battery Installation and Replacement
a. The product is powered by three 1.5V AAA batteries. Please refer to Figure 9 to install or replace the batteries. b. Turn the product front panel down. Loosen the quick release screw and remove the battery cover to take out the batteries. Install the new batteries and be sure that the polarity is correct.
c. Please use the same type of battery, and do not install inappropriate batteries.
d. After installing the new batteries, close the battery cover and tighten the quick release screw.

*. The contents of this manual are subject to change without prior notice.
*. Due to different batches, the materials and details of actual products may be slightly different from the graphic information. Please refer to the goods received. The experimental data in the manual are theoretical values and all from Uni-Trend’s internal laboratories, for reference only. Customers cannot use them as bases for placing orders. If users have any questions, please contact customer service.
No.6 Gong Ye Bei 1st Road,
Songshan Lake National High-Tech Industrial
Development Zone, Dongguan City,
Guangdong Province, China