Contents
Telemecanique Sensors XCSE7321 Safety Interlock
Safety interlock switch
These devices have been designed to be in compliance with the standards currently in effect: EN/IEC 60947-5-1, EN/ISO 13849-1, EN/IEC 62061, EN/IEC 60947-1, EN/ISO 14119, EN/IEC 60204. These devices can achieve up to category 4 PL=e or SIL 3 (if combined with an appropriate Control Safety Unit PL=e / SIL 3).
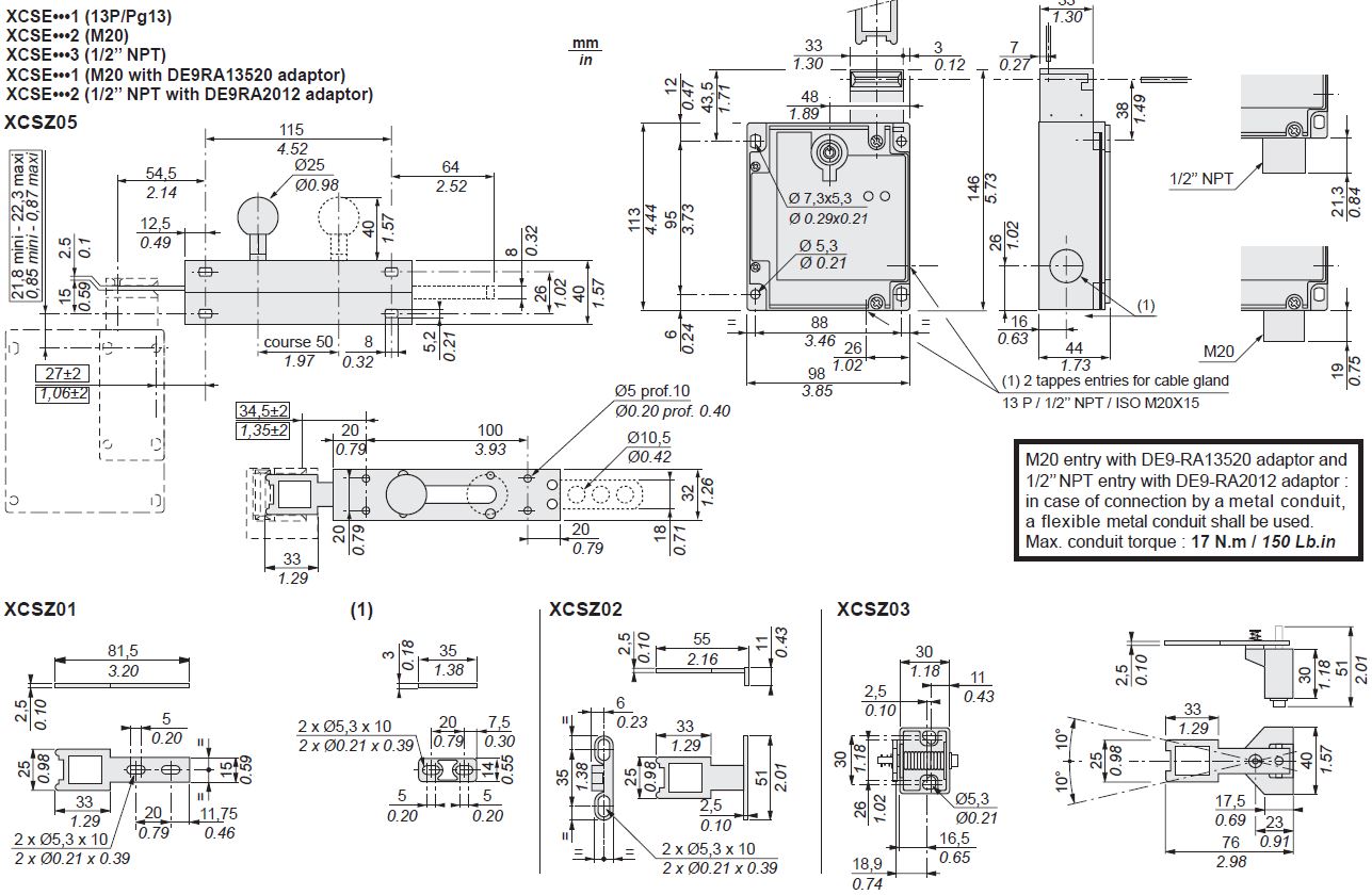
Dimensions
Shim provided with XCSZ01 enabling an XCKJ with a ZCKY07 key to be replaced by an XCSE with an XCSZ01 key without redrilling any attaching holes.
Electrical equipment should be installed, operated, serviced, and maintained only by qualified personnel. No responsibility is assumed by Schneider Electric for any consequences arising out of the use of this material.
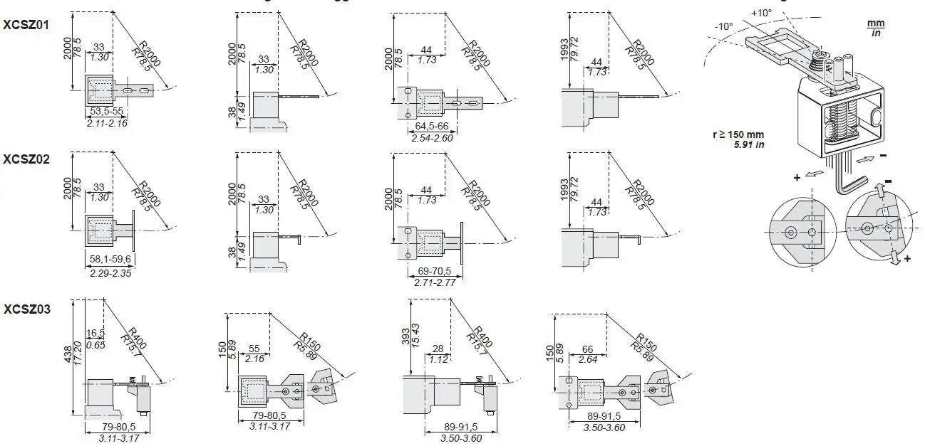
Tongued key actuation radii
Head Orientation
Tightening torque, tightening capacity
1/2’’ NPT :
in case of connection by a metal conduit, a flexible metal conduit shall be used. Max. conduit torque :
9 N.m / 80 Lb.in
Adjustment of tongued keys
The safety interlock switch must not be used as a mechanical stop or as a centring tool for the moving guard. An additional limit stop on the fixed part must be anticipated. After adjustment, make it impossible to dismantle the support key. Only keys XCSZ 01/02/03/05 must be used.
Contacts state
-
- Transient state


- Transient state
Wiring diagram
- Contacts represented with actuating key inserted and solenoïd not energized.

DANGER
HAZARD OF ELECTRIC SHOCK, BURN OR EXPLOSION
Turn off all power before working on this equipment. Failure to follow these instructions will result in death or serious injury.
CAUTION
INCORRECT INSTALLATION
- All spare actuating keys must be stored in a safe place and only used or installed by authorized persons.
- Do not use a master key, modified or dummy actuating key.
- Actuating keys must be permanently mounted by soldering, riveting or One-way screws.
Failure to follow these instructions can result in equipment damage.
Operation example of a safety switch XCSE: Locking when the solenoid is unpowered (Locking on de-energisation models) or locking when the solenoid is powered (Locking on energisation models).

Characteristics
| Product certifications | UL, CSA, CCC, EAC |
| Ambient air temperature | Operation : -25…+40 C° / -13…104 F° – Storage : -40…+70 C° / -40…158 F° |
| Vibration resistance | 5 gn (10-500 Hz) conforming to EN/IEC 60068-2-6 |
| Shock resistance | 10 gn (11 ms) conforming to EN/IEC 60068-2-27 |
| Number of operations | > 106 |
| Reliability data B10d | 5.500.000 (data value for a service life of 20 years can be limited by contact and mechanical wear) |
| Rated electric characteristics of use | a AC-15, B300 : Ue = 240 V, Ie = 1,5 A or Ue = 120 V, Ie = 3 A,
c DC-13, Q300: Ue = 250 V, Ie = 0,27 A or Ue = 125 V, Ie = 0,55 A conforming to IEC 60 947-5-1, EN 60 947-5-1 |
| Electric shock protection | Class I conforming to EN/IEC 61140 |
| Actuation speed | mini = 0,01 m/s (0.39 in/s) – maxi = 0,5 m/s (19.68 in/s) |
| Short-circuit protection | 10 A gG (gl) cartridge fuse (use type CC in the United States) |
| Cable connection | Screw clamps terminals – Clamping capacity : min : 1 x 0.5 mm² / 1 # 20 AWG, max : 2 x 1.5 mm² / 2 # 16 AWG. |
| Resistance to forcible withdrawal of actuator | F1max = 2600N / 584.5 lbf, fZh = 2000N / 449.6 lbf |
Wiring example
: XCSE with 2 LED module associated with the
- – Contacts represented with actuating key inserted and solenoïd not energized.
- 1°) XPSUAF for monitoring category-3 PL=d
- Key inserted and locked GN LED on / Key not inserted: OG LED o

- 2°) XPSUAF for monitoring category-4 PL=e (Assuming that the failure of the single mechanical point can be excluded
- Key inserted and locked: GN LED on / Key not inserted: OG LED on

Maintenance
It is imperative to check the following points regularly
- the mechanical adjustment of product XCSE with the XCSZ 01/02/03/05 tongued key
- wear: the devices should not be used beyond the characteristics stated in catalogues
- make sure of the good electric switching
- it is forbidden to modify the devices.
Any and all liability shall be excluded in case of non compliance with the requirements of this notice.
Servicing precautions

https://qr.tesensors.com/XCS004




