tecnolite ESLED-6500-ST Lighting For Outdoor Use Installation Guide

Home » tecnolite » tecnolite ESLED-6500-ST Lighting For Outdoor Use Installation Guide

tecnolite-LOGO

technote ESLED-6500-ST Lighting For Outdoor Use

tecnolite-ESLED-6500-ST-Lighting-For-Outdoor-Use-PRODUCT

TECHNICAL SPECIFICATIONS

Power supply

  • 100 V ~ -127 V ~ 60 H7 50 W 0 50 4.0 39 4.
  • Lamp type: LED 50 W

Electrical information included on the product label Unfit for constant work with voltages over or under those established on the product label.

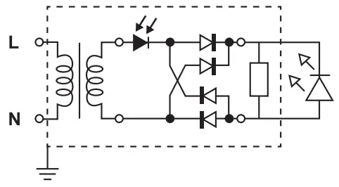
ELECTRICAL DIAGRAM

tecnolite-ESLED-6500-ST-Lighting-For-Outdoor-Use-FIG- (1)

CAUTION

  1. The assembly of this luminaire must be located at least 0,50 m away from any combustible material, to avoid fire hazards.
  2. Disconnect the electric power source during installation and before conducting maintenance work.
  3. The lamp and other parts of the luminaire may heat up enough to cause burns; use a clean rag and gloves to handle the luminaire.*

MAINTENANCE

Disconnect the power source. Clean the luminaire and its internal parts with a dry area and check the connections periodically.

Accesories

tecnolite-ESLED-6500-ST-Lighting-For-Outdoor-Use-FIG- (2)

INSTALLATION

tecnolite-ESLED-6500-ST-Lighting-For-Outdoor-Use-FIG- (5)tecnolite-ESLED-6500-ST-Lighting-For-Outdoor-Use-FIG- (6)tecnolite-ESLED-6500-ST-Lighting-For-Outdoor-Use-FIG- (7)

LIMITED WARRANTY

The ILUMINACION ESPECIALIZADA DE OCCIDENTE S.A. de C.V. warranty covers product defects related to materials or components for periods of:

LED light fixtures 5 years
Self-ballasted compact fluorescent lamps 2 years

Luminaires without lamps, drivers and controllers, IOT products, smart devices, sensors, Connect, Mercado libre and products that use rechargeable batteries for 1 year.
IMPORTER: Iluminación Especializada de Occidente S. A. de C. V. Av. Dr. Angel Leaño 401, 2 B, Los Robles, Zapopan Jal. C.P. 45134, México. Tel. 01(33) 3836 0330, (01) 800 777 54 83.
The company ILUMINACION ESPECIALIZADA DE OCCIDENTE S.A. de issues this warranty to cover products marketed with any of our brands. To make this warranty valid, the user must show the distributor where the material was acquired, the duly stamped warranty policy, and the invoice of purchase or acquisition of the product. Where relevant, receipt or proof of purchase that includes the details product or object of sale.

The company ILUMINACION ESPECIALIZADA DE OCCIDENTE S.A. de C.V. agrees to repair or exchange the product at no cost to the client. To make this warranty valid, please contact the distributor that you purchased from or the customer service centres. If you require replacement parts, components and accessories, please contact the IMPORTER and/or the authorized distributor that you purchased the products from.
IMPORTANT: This warranty does not cover installation or uninstallation costs under any circumstances, only the replacement or repair of the affected product. If the manufacturer decides to replace a defective product but it becomes impossible because it is no longer manufactured or it is unavailable, the manufacturer can replace the product with a similar one.

  • When the product has been used in abnormal conditions.
  • When the product has been used in a lamp (light bulb) of a higher power than that indicated for its use or when it has not met the requirements specified in the Official Mexican Standards (NOM, as per acronym in Spanish).
  • When the product has not been operated or installed in line with the instructions provided.
  • When the product has been used in a different variation than the specified nominal voltage.
  • When the product has been modified or repaired by a third party other than the staff authorized by Grupo Construlita’s subsidiary companies.

THIS WARRANTY IS NOT VALID IN THE FOLLOWING CASES
returned products verified by experts to determine the cause of the product’s failure, in case it is the user’s responsibility, no warranty will be applied. When the power installation does not comply with the current Mexican Standard NM-001-SEDE, the manufacturer will not be held responsible for the conditions of the power supply. When the product has been used or installed at a different temperature than specified when it has been exposed to corrosive environments, aggressive gases, relative humidity
higher than 80% or whenever the conditions had been exceeded according to the IP protection degree.Not responsible for the guarantee due to natural disasters.

tecnolite-ESLED-6500-ST-Lighting-For-Outdoor-Use-FIG- (8)

CUSTOMER SERVICE CENTERS
Tecnolite México
Poniente Industrial Park
Address: Carretera La Venta-Nextipac
No. 3020 Col. Nextipac, Interior Nave 4
C.P. 45220 Zapopan, Jalisco
Tel. No.: (33)3636 7608 / (33)3365 4002 www.tecnolite.mx

Leave a Comment