Supplementary Electric Heaters for JMM4&5 Wall-Mount Air Handlers User Manual [BAYHTRJ505BRKAA, BAYHTRJ508BRKAA & BAYHTRJ510BRKAA]

IMPORTANT — This Document is customer property and is to remain with this unit. Please return to service information pack upon completion of work .
![]()
HAZARDOUS VOLTAGE –
DISCONNECT POWER BEFORE SERVICING
Contents
GENERAL
This accessory electric heater is designed to provide power directly to the unit from the accessory heater’s power supply eliminating the need for additional circuits. The power and control wiring use a single polarized plug to connect the heater and the unit. See the Heater Data table on page 3 for the number of circuits required.
- Check the unit heater label to confirm that the selected Heater is approved for use with this unit in the installed configuration.
- Check the components received for damage. Report any defects or shortages to the transportation company immediately.
- Be sure the power supply agrees with the listing shown on heater nameplate.
![]()
SAFETY HAZARD! This information is intended for use by individuals possessing adequate backgrounds of electrical and mechanical experience. Any attempt to repair a central air conditioning product may result in personal injury and/or property damage. The manufacturer or seller cannot be responsible for the interpretation of this information, nor can it assume any liability in connection with its use.

SAFETY HAZARD! Sharp Edge Hazard. Be careful of sharp edges on equipment or any cuts made on sheet metal while installing or servicing. Personal injury may result.
![]()
THIS PRODUCT CONTAINS FIBERGLASS WOOL INSULATION! FIBERGLASS DUST AND CERAMIC FIBERS ARE BELIEVED BY THE STATE OF CALIFORNIA TO CAUSE CANCER THROUGH INHALATION. GLASSWOOL FIBERS MAY ALSO CAUSE RESPIRATORY, SKIN, OR EYE IRRITATION.
PRECAUTIONARY MEASURES
- Avoid breathing fiberglass dust
- Use a NIOSH approved dust/mist respirator
- Avoid contact with the skin or eyes. Wear long-sleeved, loose fitting clothing, gloves, and eye protection.
- Wash clothes separately from other clothing, rinse washer thoroughly.
- Operations, such as sawing, blowing, tear-out, and spraying may generate fiber concentrations requiring additional respiratory protection. Use the appropriate NIOSH approved respirator in these situations.
FIRST AID MEASURES
EYE CONTACT: FLUSH EYES WITH WATER TO REMOVE DUST. IF SYMPTOMS PERSIST, SEEK MEDICAL ATTENTION.
SKIN CONTACT: WASH AFFECTED AREA GENTLY WITH SOAP AND WARM WATER AFTER HANDLING.
![]()
HAZARDOUS VOLTAGE!
Disconnect all electrical power, including remote disconnects before installing or servicing. Follow proper lockout/tagout procedures to ensure the power can not be inadvertently energized. Failure to disconnect power before servicing could result in death or serious injury.
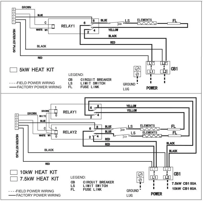
NOTE: Illustrations may vary from the actual unit by cabinet and heater size .
INSTALLATION
- Remove the upper access panel from the fan coil unit.
- Remove the cover plate from the fan coil opening and save the screws for the next step. Install the heater kit and secure the element plate with the 2 screws removed from the cover plate plus a 3rd screw provided with the kit.

- Install the electronic-control into the space on the left hand side and attach with screws provided in the kit.

- Connect the electric heaters to the air handler using the Heater Kit Plug. Connect high voltage to the circuit breaker lugs and ground lug per the wiring schematic and air handler installation guide.

- Cover the upper access panel on the fan coil unit.

HEATER TABLES
IMPORTANT: The BAYHTRJ5** electric heat accessory includes one 60 amp circuit breaker to provide an electrical disconnect for service personnel that is intended to help protect internal electrical components in the event of a short circuit or ground fault. As designed, the circuit breakers supplied in the BAYHTRJ5** accessory DO NOT provide over current protection of the branch circuit. Therefore, the branch circuit(s) shall be sized and protected according to the unit nameplate.



Note: The electric heater has been evaluated with the end product of the JMM4 and JMM5 series wall-mounted unit by the ETL certification.
Since the manufacturer has a policy of continuous product and product data improvement, it reserves the right to change design and specification without notice.

Supplementary Electric Heaters for JMM4&5 Wall-Mount Air Handlers User Manual [BAYHTRJ505BRKAA, BAYHTRJ508BRKAA & BAYHTRJ510BRKAA] –
Supplementary Electric Heaters for JMM4&5 Wall-Mount Air Handlers User Manual [BAYHTRJ505BRKAA, BAYHTRJ508BRKAA & BAYHTRJ510BRKAA] –