STIEBEL-ELTRON SHW 200 ACE Floor Mounted Cylinder Instruction Manual

Home » STIEBEL ELTRON » STIEBEL-ELTRON SHW 200 ACE Floor Mounted Cylinder Instruction Manual

STIEBEL-ELTRON SHW 200 ACE Floor Mounted Cylinder Instruction Manual
Featured Image:

No file chosen
Update Post
 Add MediaVisualText
Heading 4 

H4
Close dialog
Add media
Actions
Upload filesMedia Library
Filter mediaFilter by type
Uploaded to this post
Filter by date
All dates
Search
Media list
Showing 29 of 29 media items

UPLOADING
2 / 29 – STIEBEL-ELTRON-SHW-200-ACE-Floor-Mounted-Cylinder-FEATURED-IMG.JPG
ATTACHMENT DETAILS

STIEBEL-ELTRON-LOGO-1.jpg
August 11, 2023
15 KB
396 by 62 pixels
Edit Image
Delete permanently
Alt Text
Learn how to describe the purpose of the image(opens in a new tab). Leave empty if the image is purely decorative.Title
STIEBEL-ELTRON-LOGO
Caption
Description

Copy URL to clipboard
ATTACHMENT DISPLAY SETTINGS
Alignment
Center
Link To
None
Size
Full Size – 396 × 62
Selected media actions
1 item selected
Clear Insert into post
No file chosen

STIEBEL-ELTRON SHW 200 ACE Floor Mounted Cylinder

SPECIAL INFORMATION

  • The appliance may be used by children aged 3 and older and persons with reduced physical, sensory or mental capabilities or a lack of experience and know-how, provided that they are supervised or they have been instructed on how to use the appliance safely and have understood the resulting risks. Children aged 3 to 8 years may only operate the tap connected to the appliance. Children must never play with the appliance. Children must never clean the appliance or perform user maintenance unless they are supervised.
  • The connection to the power supply is only permissible as a permanent connection in conjunction with the removable cable grommet. Ensure the appliance can be separated from the power supply by an isolator that disconnects all poles with at least 3 mm contact separation.
  • Observe the maximum permissible pressure (see chapter Installation / Specification / Data table).
  • The appliance is pressurised. During the heat-up process, expansion water will drip from the safety valve.
  • Regularly activate the safety valve to prevent it from becoming blocked, e.g. by limescale deposits.
  • Drain the appliance as described in chapter “Installation / Maintenance / Draining the appliance”.
  • Install a type-tested safety valve in the cold water supply line. Please note that, depending on the static pressure, you may also need a pressure reducing valve.
  • Size the drain so that water can drain off unimpeded when the safety valve is fully opened.
  • Fit the discharge pipe of the safety valve with a constant downward slope and in a room free from the risk of frost.
  • The safety valve discharge aperture must remain open to atmosphere.
  • Install a residual current device (RCD).

OPERATION

General information

  • The chapter “Operation” is intended for appliance users and qualified contractors.
  • The chapter “Installation” is intended for qualified contractors.

Note

  • Read these instructions carefully before using the appliance and retain them for future reference.
  • Pass on the instructions to a new user if required.

Safety instructions

  • Structure of safety instructions
  • KEYWORD Type of risk
  • Here, possible consequences are listed that may result from failure to observe the safety instructions.
  • Steps to prevent the risk are listed here.

Symbols, type of risk

Symbol Type of risk

  • STIEBEL-ELTRON-SHW-200-ACE-Floor-Mounted-Cylinder-FIG-1Injury
  • STIEBEL-ELTRON-SHW-200-ACE-Floor-Mounted-Cylinder-FIG-2Electrocution
  • STIEBEL-ELTRON-SHW-200-ACE-Floor-Mounted-Cylinder-FIG-3Burns (burns, scalding)

Keywords

  • KEYWORD Meaning
  • DANGER Failure to observe this information will result in serious injury or death.
  • WARNING Failure to observe this information may result in serious injury or death.
  • CAUTION Failure to observe this information may result in non-serious or minor injury.

Other symbols in this documentation

Note

  • General information is identified by the symbol shown on the left.
  • Read these texts carefully.

Symbol Meaning

  • STIEBEL-ELTRON-SHW-200-ACE-Floor-Mounted-Cylinder-FIG-5Material damage (Appliance and consequential losses, environmental pollution)
  • STIEBEL-ELTRON-SHW-200-ACE-Floor-Mounted-Cylinder-FIG-6Appliance disposal

This symbol indicates that you have to do something. The action you need to take is described step by step.

Units of measurement

STIEBEL-ELTRON-SHW-200-ACE-Floor-Mounted-Cylinder-FIG-4Note
All measurements are given in mm unless stated otherwise.

Safety

Intended use

This pressure appliance is designed to heat DHW. This appliance is designed for domestic use. It can be used safely by untrained persons. The appliance can also be used in a non-domestic environment, e.g. in a small business, as long as it is used in the same way. Any other use beyond that described shall be deemed inappropriate. Observation of these instructions and of instructions for any accessories used is also part of the correct use of this appliance. Any modifications or conversions to the appliance void all warranty rights.

General safety instructions

STIEBEL-ELTRON-SHW-200-ACE-Floor-Mounted-Cylinder-FIG-3WARNING Burns
There is a risk of scalding at outlet temperatures in excess of 43 °C.

STIEBEL-ELTRON-SHW-200-ACE-Floor-Mounted-Cylinder-FIG-1WARNING Injury
The appliance can be used by children aged 3 and above, as well as by persons with limited physical, sensory or mental abilities, or with a lack of experience and knowledge, provided they are supervised or have been instructed in the safe use of the appliance and understand the resulting dangers. Children aged 3 to 8 years may only operate the tap connected to the appliance. Children must not play with the appliance. Cleaning and user maintenance may not be carried out by unsupervised children.

STIEBEL-ELTRON-SHW-200-ACE-Floor-Mounted-Cylinder-FIG-4Note
The appliance is under pressure. During the heat-up process, expansion water will drip from the safety valve. If water continues to drip when heating is completed, please inform your heating contractor.

Appliance description

Test symbols
See type plate on the appliance.

Appliance description

The appliance electrically heats domestic hot water, with the temperature controlled via the temperature selector. Subject to the power supply, the water is heated automatically to the required temperature. You can use the appliance to supply one or several draw-off points. The steel cylinder is coated on the inside with special directly applied enamel and is equipped with a thermometer and a protective anode. The anode with consumption indicator protects the cylinder interior from corrosion. The cylinder is enclosed by thermal insulation and a casing. The appliance is also protected against frost on the temperature setting “cold” as long as the power supply is guaranteed. The appliance switches on in good time and heats the water. The water supply line and the safety assembly are not protected against frost by the appliance.

Settings
The temperature is infinitely adjustable. Depending upon the system, the temperatures may vary from the set value.

STIEBEL-ELTRON-SHW-200-ACE-Floor-Mounted-Cylinder-FIG-7

  • 1 Thermometer
  • 2 Temperature selector
  • Cold (frost protection)
  • I Low-temperature setting, 35 °C
  • E Recommended energy saving position, low scaling, approx. 60 °C
  • III Maximum temperature setting, 82 °C

Temperature selection is limited in the delivered condition. This limitation can be cancelled by a qualified contractor (see chapter “Installation / Settings”).

Cleaning, care and maintenance

  • Have the electrical safety of the appliance and the function of the safety assembly regularly checked by a heating contractor.
  • Never use abrasive or corrosive cleaning agents. A damp cloth is sufficient for cleaning the appliance.

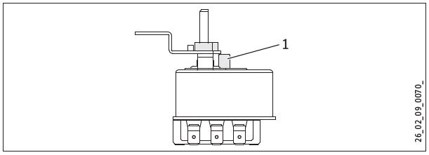
Signal anode with consumption indicator (SHW ACE only)

Material damage
If the consumption indicator changes colour from white to red, have the signal anode checked by a heating contractor and if necessary replaced.

STIEBEL-ELTRON-SHW-200-ACE-Floor-Mounted-Cylinder-FIG-8

  1. Signal anode with consumption indicator
  2. White = anode OK
  3. Red = ask your heating contractor to check

Scaling

  • Almost every type of water deposits lime at high temperatures.
  • This settles inside the appliance and affects both the performance and service life. The heating elements must therefore be descaled from time to time. A qualified contractor who knows the local water quality will tell you when the next service is due.
  • Check the taps/valves regularly. You can remove limescale deposits at the tap outlets using commercially available descaling agents.
  • Regularly activate the safety valve to prevent it from becoming blocked e.g. by limescale deposits.

Troubleshooting

Fault Cause Remedy

  • The water does not heat up. There is no power. Check the fuses/MCBs in your fuse box
  • The flow rate is low. The aerator in the tap or shower head is scaled up or contaminated. Clean and/or descale the aerator or shower head.

If you cannot remedy the fault, notify your heating contractor. To facilitate and speed up your enquiry, please provide the serial number from the type plate (no. 000000-0000-000000):

STIEBEL-ELTRON-SHW-200-ACE-Floor-Mounted-Cylinder-FIG-9

INSTALLATION

Safety
Only a qualified contractor should carry out installation, commissioning, maintenance and repair of the appliance.

General safety instructions
We guarantee trouble-free function and operational reliability only if the original accessories and spare parts intended for the appliance are used.

Instructions, standards and regulations

Note
Observe all applicable national and regional regulations and instructions.

Appliance description

Standard delivery

  • Delivered with the appliance:
  • Thermometer (delivered inside the control panel)
  • Cylinder casing (delivered fixed to the thermal insulation)

Accessories

  • Required accessories
  • Depending on the static pressure, safety assemblies and pressure reducing valves are available. These type-tested safety assemblies protect the appliance against unacceptable excess pressure.

Further accessories
If it is not possible to fit an anode rod from above, install a segmented signal anode.

Preparations

Installation site

  • Always install the appliance in a room free from the risk of frost and near the draw-off point, and secure the appliance to the floor.
  • Fitting the cylinder casing and DHW circulation line if required

Note
Fit the cylinder casing before making the water connection and, if necessary, the DHW circulation line or the flanged immersion heater.

A DHW circulation line can be fitted to the “DHW circulation” connection (see chapter “Specification / Dimensions and connections”). Alternatively, the “DHW circulation” connection can be used to connect a thermometer.

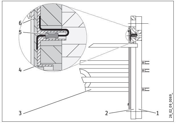
STIEBEL-ELTRON-SHW-200-ACE-Floor-Mounted-Cylinder-FIG-10

  1. Connection “DHW circulation”
  2. Cylinder casing
  3. Zip fastener

Installation

  • Fit the cylinder casing.
  • Fit the cable grommet and control panel cover.
  • Push on the temperature selector.
  • If you use the “DHW circulation” connection to install a DHW circulation line, you need to cut an opening in the cylinder casing near the connection (indentation in the foam) for the DHW circulation line.
  • Remove the thermal insulation near the connection.
  • Route the DHW circulation line through the aperture in the cylinder casing and fit the DHW circulation line.
  • Insulate the “DHW circulation” connection.

Thermometer

STIEBEL-ELTRON-SHW-200-ACE-Floor-Mounted-Cylinder-FIG-11

  • Insert the thermometer as far as it will go and align it.

Signal anode (SHW ACE only)

Material damage
The appliance must not be operated without a consumption indicator or with a damaged one, otherwise water will leak out once the anode is depleted.

STIEBEL-ELTRON-SHW-200-ACE-Floor-Mounted-Cylinder-FIG-12

  • Transport protection
  • Signal anode with consumption indicator
  • Remove the transport protection.
  • Check the consumption indicator for transport damage.

Water connection and safety assembly

  • Safety instructions

Note
Carry out all water connection and installation work in accordance with regulations.

Material damage
When using plastic pipework, observe chapter “Specification / Fault conditions”.

Material damage
Operate the appliance only with pressure-tested taps.

Cold water line
Galvanised steel, stainless steel, copper and plastic are approved materials.
A safety valve is required.

DHW line
Stainless steel, copper and plastic pipework are approved materials.

Connection

  • Flush the pipes thoroughly.
  • The max. permissible pressure must not be exceeded (see chapter “Specification / Data table”).
  • Install a type-tested safety valve in the cold water supply line. Please note that, depending on the static pressure, you may also need a pressure reducing valve.
  • Fit the DHW outlet pipe and the cold water inlet pipe. Connect the hydraulic connections with flat gaskets.
  • Size the drain so that water can drain off unimpeded when the safety valve is fully opened.
  • Fit the discharge pipe of the safety valve with a constant downward slope and in a room free from the risk of frost.
  • The safety valve discharge aperture must remain open to the atmosphere.

Power supply

WARNING Electrocution Before any work on the appliance, disconnect all poles from the power supply.
WARNING Electrocution The connection to the power supply is only permissible as a permanent connection in conjunction with the removable cable entry. Ensure that the appliance can be separated from the power supply by an isolator that disconnects all poles with at least 3 mm contact separation.
WARNING Electrocution Ensure that the appliance is earthed.
WARNING Electrocution Install a residual current device (RCD).

Material damage
Observe the type plate. The specified voltage must match the mains voltage.

  • Pull off the temperature selector.
  • Undo the screws at the bottom of the control panel cover and remove the cover.
  • Prepare the power cable and feed it through the cable grommet into the control panel. Select a cable with a cross-section suited to the load of the appliance.
  • Connect the required load in accordance with the connection examples (see chapter “Specification / Wiring diagrams and connections”).
  • Fit the control panel cover.
  • Push on the temperature selector.
  • Use a ballpoint pen to mark the selected connected load and voltage on the type plate.

Commissioning

Commissioning

  • Open a draw-off point until the appliance has filled up and the pipework is free of air.
  • Adjust the flow rate. For this, observe the maximum permissible flow rate with a fully opened tap (see chapter “Specification / Data table”). If necessary reduce the flow rate at the butterfly valve of the safety assembly.
  • Carry out a tightness check.
  • Turn the temperature selector to maximum temperature.
  • Switch the mains power ON.
  • Check the function of the appliance.
  • Check the function of the safety assembly.

Appliance handover

  • Explain the appliance function to users and familiarise them with its operation.
  • Make the user aware of potential dangers, especially the risk of scalding.
  • Hand over these instructions.

Recommissioning
See chapter “Commissioning”.

Settings

  • Limiting the temperature selection
  • You can adjust the temperature selection limitation beneath the temperature selector.
  • Factory setting: Limited to 60 °C
  • Set the temperature selector to “cold” and isolate the appliance from the power supply.
  • Remove the temperature selector and the control panel cover.

STIEBEL-ELTRON-SHW-200-ACE-Floor-Mounted-Cylinder-FIG-13

  • Limiter disc
  • Without limiter disc, maximum 82 °C
  • You can set the limit to 45 °C / 60 °C by rotating the limiter disc. After removing the limiter disc, the maximum temperature can be set.
  • Replace the control panel cover and temperature selector.

Shutting down

  • Disconnect the appliance from the mains at the MCB/fuse in the fuse box.
  • Drain the appliance. See chapter “Maintenance / Draining the appliance”.

Note
The high limit safety cut-out can respond at temperatures below –15 °C. The appliance may be subjected to these temperatures during storage or transport.

STIEBEL-ELTRON-SHW-200-ACE-Floor-Mounted-Cylinder-FIG-14

  1. High limit safety cut-out reset button.

Maintenance

WARNING Electrocution Carry out all electrical connection and installation work in accordance with relevant regulations.
WARNING Electrocution Before any work on the appliance, disconnect all poles of the appliance from the power supply.

If you need to drain the appliance, observe chapter “Draining the appliance”.

Checking the safety valve

  • Regularly vent the safety valve on the safety assembly until a full water jet is discharged.

Draining the appliance

WARNING Burns Hot water may escape during the draining process.

  • If the cylinder needs to be drained for maintenance or to protect the whole installation when there is a risk of frost, proceed as follows:
  • Close the shut-off valve in the cold water line.
  • Open the hot water taps on all draw-off points.
  • Drain the appliance via the safety assembly.

Replacing the signal anode (SHW ACE only)

  • Replace the signal anode if it becomes depleted.

Cleaning and descaling the appliance

  • Never use descaling pumps.
  • Only descale the flanged immersion heater after dismantling and never treat the cylinder surface or protective anode with descaling agents.
  • Torque of the flange screws: see chapter “Specification / Dimensions and connections”

Replacing flanged immersion heater

STIEBEL-ELTRON-SHW-200-ACE-Floor-Mounted-Cylinder-FIG-15

  1. Insulation plate
  2. Flange plate
  3. Soldered flange
  4. Insulating plate
  5. Corrosion resistor 390 Ω
  6. Gasket

The corrosion resistor acts to balance the potential and prevents power leakage corrosion on the heating elements.

  • Never damage or remove the corrosion resistor during maintenance.
  • After replacing the corrosion resistor, reassemble the flanged immersion heater correctly.

Specification

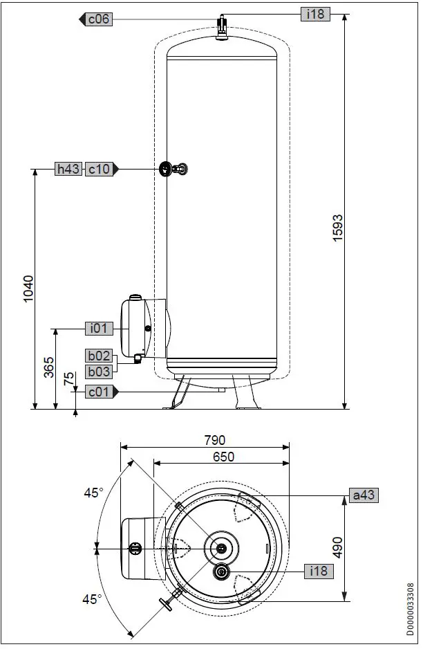
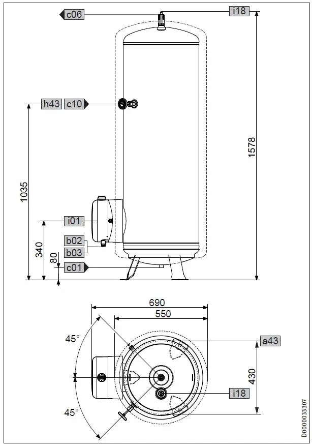
Dimensions and connections

SHW 200 ACE

STIEBEL-ELTRON-SHW-200-ACE-Floor-Mounted-Cylinder-FIG-16 STIEBEL-ELTRON-SHW-200-ACE-Floor-Mounted-Cylinder-FIG-17

SHW 300 ACE

STIEBEL-ELTRON-SHW-200-ACE-Floor-Mounted-Cylinder-FIG-18 STIEBEL-ELTRON-SHW-200-ACE-Floor-Mounted-Cylinder-FIG-19

SHW 400 ACE

Appliance sectional view

Wiring diagrams and connections

Heat-up diagram

  • The heat-up time depends on the cylinder capacity, cold water inlet temperature and heating output.
  • At 10 °C cold water temperature and temperature setting “E”:
  • X Nominal capacity [I]
  • Y Duration [h]
  • 1 2 kW
  • 2 3 kW
  • 3 4 kW
  • 4 6 kW

Fault conditions
In the event of a fault, temperatures of up to 95 °C at 0.6 MPa can occur.

Details on energy consumption

Product datasheet: Conventional water heaters to regulation (EU) no. 812/2013 and 814/2013 / (S.I. 2019 No. 539 / Schedule 2)

    SHW 200 ACE SHW 300 ACE SHW 400 ACE
    070074 070075 070076
Manufacturer   STIEBEL ELTRON STIEBEL ELTRON STIEBEL ELTRON
Load profile   XL XL XL
Energy efficiency class   C C C
Energy conversion efficiency % 39 39 38
Annual power consumption kWh 4332 4333 4357
Default temperature setting °C 60 60 60
Sound power level dB(A) 15 15 15
Option for exclusive operation during off-peak periods  
Smart function  
Storage volume V l 200 300 400
Mixed water volume at 40 °C l 317 490 618
Daily power consumption kWh 19.92 19.83 20.07
 
    SHW 200 ACE SHW 300 ACE SHW 400 ACE
    070074 070075 070076
Hydraulic data        
Nominal capacity l 200 300 400
Amount of mixed water 40 °C (15 °C/60 °C) l 397 590 780
Electrical data        
Connected load ~ 230 V kW 2-4 2-4 2-4
Connected load ~ 400 V kW 2-6 2-6 2-6
Rated voltage V 230/400 230/400 230/400
Phases   1/N/PE, 2/N/PE, 3/PE 1/N/PE, 2/N/PE, 3/PE 1/N/PE, 2/N/PE, 3/PE
Frequency Hz 50-60 50-60 50-60
Single circuit operating mode   X X X
Application limits        
Temperature setting range °C 35-82 35-82 35-82
Max. permissible pressure MPa 0.6 0.6 0.6
Test pressure MPa 0.78 0.78 0.78
Max. permissible temperature °C 95 95 95
Max. flow rate l/min 30 38 45
Min./max. conductivity, drinking water μS/cm 100-1500 100-1500 100-1500
Energy data        
Standby energy consumption/24 h at 65 °C kWh 1.9 2.2 2.7
Energy efficiency class   C C C
Versions        
IP rating   IP25 IP25 IP25
Sealed unvented type   X X X
Color   White White White
Dimensions        
Height mm 1578 1593 1763
Width mm 550 650 700
Depth mm 690 790 840
Weight        
Weight, full kg 254 367 485
Weight, empty kg 54 67 85

Note
The appliance conforms to IEC 61000-3-12.

Guarantee

The guarantee conditions of our German companies do not apply to appliances acquired outside of Germany. In countries where our subsidiaries sell our products a guarantee can only be issued by those subsidiaries. Such guarantee is only granted if the subsidiary has issued its own terms of guarantee. No other guarantee will be granted. We shall not provide any guarantee for appliances acquired in countries where we have no subsidiary to sell our products. This will not affect warranties issued by any importers.

Environment and recycling
We would ask you to help protect the environment. After use, dispose of the various materials in accordance with national regulations.

Deutschland

Australia

Austria

Belgium.

China

  • STIEBEL ELTRON (Tianjin) Electric Appliance Co., Ltd.
  • Plant C3, XEDA International Industry City Xiqing Economic Development Area
  • 300385 Tianjin
  • Tel. 022 8396 2077 | Fax 022 8396 2075 [email protected]
  • www.stiebeleltron.cn

Czech Republic

Finland

France

  • STIEBEL ELTRON SAS
  • 7-9, rue des Selliers
  • B.P 85107 | 57073 Metz-Cédex 3
  • Tel. 0387 7438-88 | Fax 0387 7468-26
  • [email protected].

Hungary

Japan

  • NIHON STIEBEL Co. Ltd.
  • Kowa Kawasaki Nishiguchi Building 8F
  • 66-2 Horikawa-Cho
  • Saiwai-Ku | 212-0013 Kawasaki
  • Tel. 044 540-3200 | Fax 044 540-3210
  • [email protected]
  • www.nihonstiebel.co.jp

Netherlands

New Zealand

Poland

Russia

Slovakia

South Africa

Switzerland

Thailand

United Kingdom and Ireland

United States of America

Errors and technical changes handled! | Subject to errors and technical changes! | Subject to errors and technical modifications! | Under the conditions of confusion and technical discretion! | Barring error or technical modification! | Except technical error or alteration | Display of technical information and possible equipment | Omyly and technical skills jsou vyhrazeny!

Leave a Comment