STIEBEL ELTRON SBP 1000-1500 E Buffer Cylinder Instruction Manual

Home » STIEBEL ELTRON » STIEBEL ELTRON SBP 1000-1500 E Buffer Cylinder Instruction Manual

SBP 1000-1500 E Buffer Cylinder
Instruction ManualSTIEBEL ELTRON SBP 1000-1500 E Buffer Cylinder » SBP 1000 E » SBP 1010 E » SBP 1500 E » SBP 1000 E SOL
» SBP 1500 E SOL » SBP 1000 E cool » SBP 1010 E cool » SBP 1500 E cool
OPERATION AND INSTALLATION
Buffer cylinder

General information

The chapter “Operation” is intended for appliance users and heating contractors.
The chapter “Installation” is intended for heating contractors.
Note
Read these instructions carefully before using the appliance and retain them for future reference.
Pass on the instructions to a new user if required.
1.1 Safety instructions
1.1.1 Structure of safety instructions
KEYWORD Type of risk
Here, possible consequences are listed that may result from failure to observe the safety instructions.

  • Steps to prevent the risk are listed.

1.1.2 Symbols, type of risk

Symbol Type of risk
Injury
Burns (burns, scalding)

1.1.3 Keywords

KEYWORD Meaning
DANGER Failure to observe this information will result in serious injury or death.
WARNING Failure to observe this information may result in serious injury or death.
CAUTION Failure to observe this information may result in nonserious or minor injury.

1.2 Other symbols in this documentation
Note
General information is identified by the symbol shownon the left.

  • Read these texts carefully.
Symbol Meaning
Material losses (appliance, consequential, environment)
Appliance disposal

This symbol indicates that you have to do something. The action you need to take is described step by step.
1.3 Units of measurement
Note
All measurements are given in mm unless stated otherwise.

Safety

2.1 Intended use
This appliance is generally intended to be used for the storage, heating and cooling of process water.
SBP E cool appliances are also permitted to store cooled process water down to + 7 °C.
Any other or additional use is inappropriate, in particular usage with alternative storage media. Observation of these instructions and of instructions for any accessories used is also part of the correct use of this appliance.
2.2 General safety instructions
WARNING Burns 

There is a risk of scalding at outlet temperatures in excess of 43 °C.
WARNING Injury
The appliance may be used by children aged 8 and up and persons with reduced physical, sensory or mental capabilities or a lack of experience provided that they are supervised or they have been instructed on how to use the appliance safely and have  nderstood the resulting risks.
Children must never play with the appliance.
Children must never clean the appliance or perform user maintenance unless they are supervised.

Appliance description

This appliance is designed to extend the operating time of the  heat source and to bridge power-OFF periods. It is also designed for the hydraulic separation of the volume flow between the  heat/refrigerant source circuit and the heating/cooling circuit.
Suitable heat exchangers, flanged and threaded immersion heaters can be fitted by contractors.
In addition, up to two further heat  sources (e.g. a solid fuel boiler) can be connected. The appliance  is equipped for fitting five sensor wells. A sleeve enables a thermometer to be fitted.
SBP E SOL
SBP E SOL buffer cylinders are additionally equipped with a smooth tube indirect coil for heating the cylinder content with solar energy.
SBP E cool
SBP E cool buffer cylinders are equipped with a vapour diffusionproof preinsulation to  protect against the formation of condensate.
This must be combined with thermal insulation WD cool.

Cleaning, care and maintenance

  • Have a contractor regularly check the appliance, the safety assembly and all fitted accessories.
  • Never use abrasive or corrosive cleaning agents. A damp cloth is sufficient for cleaning all plastic parts.

Troubleshooting

Telephone your contractor. To facilitate and speed up your enquiry, please provide the serial number from the type plate (0000000000-000000):Safety
Only a qualified contractor should carry out installation, commissioning, maintenance and repair of the appliance.
6.1 General safety instructions
We can only guarantee trouble-free function and operational reliability if  riginal spare parts intended for the appliance are used.
6.2 Regulations, standards and instructions
Note
Observe all applicable national and regional regulations and instructions.

Appliance description

7.1 Standard delivery
Delivered with the appliance:
– additional type plate only SBP 1010 E:
– Insulation set for blank flange (nominal diameter DN 80)
7.2 Accessories
7.2.1 Required accessories
Depending on the static pressure, safety assemblies and pressure reducing valves are available. These type-tested safety assemblies protect the appliance against unacceptable excess pressure.
7.2.2 Further accessories
In addition, heat exchangers, flanged and threaded immersion heaters and thermal insulation are available as accessories.

Preparations

8.1 Installation site

  • Always install the appliance in a room free from the risk of frost.
  • Ensure the floor has sufficient load bearing capacity and evenness (see chapter “Specification / Data table”).
  • Observe the room height and height when tilted (see chapter “Specification / Data table”).

Minimum clearances Maintain the minimum clearances.
8.2 Transport
Use the lifting eyes at the top of the appliance to assist handling.

Preparing for installation

Note
Connect the hydraulic connections with flat gaskets.
9.1 Fitting the thermal insulation, if appropriate
  • Position the appliance in its intended site.
  • Fit the thermal insulation according to the instructions supplied.
    For this, ensure that there is enough space for the  installation task. You can then link the appliance into the  heating system.
SBP 1000/1500 E (SOL) | SBP 1000-1500 E coolSBP 1010E
  1. Cover
  2. Top thermal insulation section (only WDH cool)
  3. Top thermal insulation section
  4. Top thermal insulation ring
  5. Convection brake (only WDH cool)
  6. R.h. thermal insulation section
  7. Cover strip
  8. Flange thermal insulation ring
  9. Connection cover (including insulation)
  10. Flange cover
  11. Thermal insulation, flange
  12. Plastic cover with insulation sections
  13. Fleece strip
  14. Thermal insulation section, bottom
  15. Thermal insulation ring, bottom
  16. Rose
  17. Left thermal insulation section
  • On cylinders supplied horizontally, insert the bottom thermal  insulation section inside the support ring, prior to positioning the cylinder. Slightly tip the vertically delivered cylinder  in order to position the bottom thermal insulation section.
  • Surround the support ring with the bottom thermal insulation ring and secure it with adhesive tape.
  • Remove the foil from the 5 foam strips (convection brakes) and stick them around the cylinder in the positions shown (only WDH cool).
  • Prior to fitting them, shape the right hand and left hand thermal insulation sections into a semi-circular form for approx.  10 seconds. A pressure-activated adhesive then holds the  thermal insulation sections in the required shape and makes  fitting them easier.  Please note that the use of tensioning straps may damage the  thermal insulation.
  • Push the thermal insulation sections over the connections on the appliance.
  • Connect the thermal insulation sections at the front by clipping the hook closure strip into the last hook strip. If necessary, the short black cover strips can be used to temporarily hold the hook closure strips together.
  • Position the thermal insulation sections around the cylinder and connect the thermal insulation sections at the back by clipping the hook closure strip into the first or second hook strip.
  • Adjust the thermal insulation sections on the appliance by patting and pressing them down with the palm of the hand.
  • Starting from the top, retighten the hook closure strip from the top until it hooks into the final hook strip.
  • Place the thermal insulation ring around the flange to completely fill the gap to the side insulation segments.
  • Place the thermal insulation ring and the two thermal insulation sections on the top.
  • Place the cover over the thermal insulation sections.
  • Fit the cover strips onto the hook closure strips. If required, the cover strips can be trimmed to size.
  • Fill the hollow spaces near the connections with the soft foam inserts.
  • Push the roses and caps into the apertures. SBP 1010 E:
  • Wrap the fleece strip around the neck of the blank flange (DN 80).
  • Place the plastic cover together with the thermal insulation onto the blank flange (DN 80).
Note
Affix the additional type plate in a clearly visible position on the thermal insulation.
9.2 Installing the manual air vent valve
  • Install a manual air vent valve at the air vent valve connection.

9.3 Fitting the temperature sensor

  • Fill the protective pipe with heat conducting paste.
  • Insert the sensor into the protective pipe until it bottoms.
  • Prior to inserting contact sensor AVF 6 into the protective pipe, bend the bias spring forward.

9.4 Where appropriate, fit the flanged or threaded immersion heater.

  • Remove the dummy flanges and plugs in order to mount the heat exchanger, flanged or threaded immersion heater. Maintain the DC separation towards the cylinder.

Commissioning

Water quality, solar circuit
A glycol/water mixture of up to 60 % is permitted for the indirect coil in the solar circuit if only dezincification-resistant metals, glycol-resistant gaskets and diaphragm expansion vessels suitable for glycol are used throughout the installation.
Oxygen diffusion 
Material losses
Avoid open heating systems and plastic pipes in underfloor heating systems which are permeable to oxygen.
In underfloor heating systems with plastic pipes that are permeable to oxygen and in open vented heating systems, oxygen diffusion may lead to corrosion on the steel components of the heating system (e.g. on the indirect coil of the DHW cylinder, on buffer cylinders, steel heating elements or steel pipes).
  Material losses
The products of corrosion (e.g. rusty sludge) can settle in the heating system components and can result in a lower output or fault shutdowns due to reduced cross-sections.
Material losses
Avoid open vented solar thermal systems and plastic pipes which are permeable to oxygen.
With plastic pipes that are permeable to oxygen, oxygen diffusion may lead to corrosion on the steel components of the solar thermal system (e.g. on the indirect coil of the DHW cylinder).
10.1 Commissioning
Material losses
A safety valve is required.
  • Fill and vent the appliance.
  • Carry out a tightness check.
  • Vent the internal indirect coil.
  • Switch the mains power ON if required.
  • Check the function of the safety assembly.
  • Check the function of fitted accessories.
  • Then check the function of the solar thermal system, if appropriate.
  • If relevant, check that the DHW temperature displayed on the heat source control unit is correct.
10.1.1 Appliance handover
  • Explain the appliance function to users and familiarise them with its operation.
  • Make users aware of potential dangers, especially the risk of scalding.
  • Hand over these instructions.
10.2 Recommissioning
See chapter “Commissioning”.

Shutting down

  • If necessary, disconnect any accessories installed from the mains at the MCB/fuse in the fuse box.
  • Drain the appliance. See chapter “Maintenance / Draining the appliance”.

Maintenance

No special maintenance is required for the appliance. A regular visual check is sufficient.
12.1 Draining the appliance
WARNING Burns

Hot water may escape during the draining process.
If the appliance needs to be drained for maintenance or to protect the whole installation when there is a risk of frost, proceed as follows:

  • For draining the appliance, remove the thermal insulation around the drain connector.

Specification

13.1 Dimensions and connections
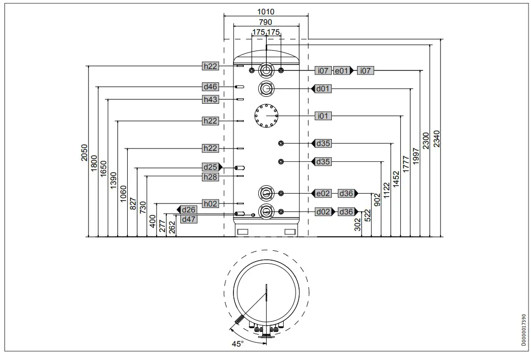
SBP 1000 E | SBP 1000 E SOL
SBP 1000 E SBP 1000 E SOL
d01 Heat pump flow Nominal diameter DN 80 DN 80
d02 Heat pump return Nominal diameter DN 80 DN 80
d25 Solar flow Female thread G 1
d26 Solar return Female thread G 1
d35 Heat source flow optional Female thread G 1 1/2 G 1 1/2
d36 Heat source return optional Female thread G 1 1/2 G 1 1/2
d46 Ventilation Female thread G 1/2 G 1/2
d47 Drain Male thread G 3/4 A G 3/4 A
e01 Heating flow Nominal diameter DN 80 DN 80
e02 Heating return Nominal diameter DN 80 DN 80
h02 Sensor heat pump return Diameter mm 9.5 9.5
h22 Sensor heat source Diameter mm 9.5 9.5
h28 Sensor solar cylinder Diameter mm 9.5 9.5
h43 Thermometer Diameter mm 14.5 14.5
i01 Flange Diameter mm 280 280
Pitch circle diameter mm 245 245
Screws M 14 M 14
i07 Electric emergency/booster heater Female thread G 1 1/2 G 1 1/2
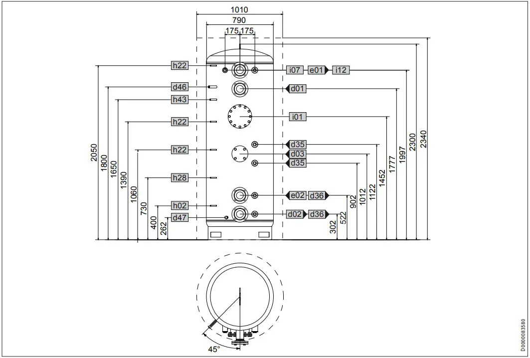
SBP 1010 E
SBP 1010 E
d01 Heat pump flow Internal diameter DN 80
d02 Heat pump return Internal diameter DN 80
d03 Heat pump flow optional Internal diameter DN 80
Pitch circle diameter mm 150
Screws M 16
Female thread G 2
d35 Heat source flow optional Female thread G 2
d36 Heat source return optional Female thread G 1/2
d46 Ventilation Male thread G 3/4 A
d47  Drain Internal diameter DN 80
e01 Heating flow Internal diameter DN 80
e02 Heating return Diameter mm 9,5
h02 Sensor heat pump return Diameter mm 9,5
h22 Sensor heat source Diameter mm 9,5
h28 Sensor solar cylinder Diameter mm 14,5
h43 Thermometer Diameter mm 280
i01 Flange Pitch circle diameter mm 245
Screws M 14
i07 elec. emergency/booster heater Female thread G 1 1/2
i12 Heat generator, opt. Female thread G 2

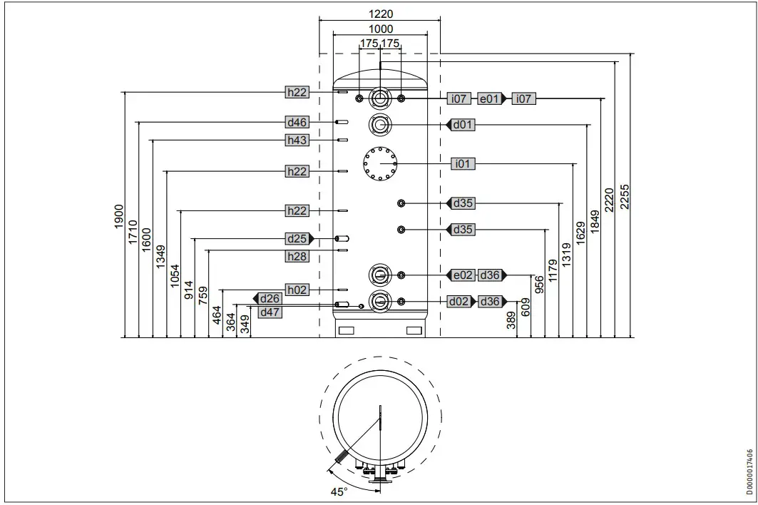
SBP 1500 E | SBP 1500 E SOLSTIEBEL ELTRON SBP 1000-1500 E Buffer Cylinder - Dimensions 3

SBP 1500 E SBP 1500 E SOL
d01 Heat pump flow Nominal diameter DN 80 DN 80
d02 Heat pump return Nominal diameter DN 80 DN 80
d25 Solar flow Female thread G 1
d26 Solar return Female thread G 1
d35 Heat source flow optional Female thread G 1 1/2 G 1 1/2
d36 Heat source return optional Female thread G 1 1/2 G 1 1/2
d46 Ventilation Female thread G 1/2 G 1/2
d47 Drain Male thread G 3/4 A G 3/4 A
e01 Heating flow Nominal diameter DN 80 DN 80
e02 Heating return Nominal diameter DN 80 DN 80
h02 Sensor heat pump return Diameter mm 9.5 9.5
h22 Sensor heat source Diameter mm 9.5 9.5
h28 Sensor solar cylinder Diameter mm 9.5 9.5
h43 Thermometer Diameter mm 14.5 14.5
i01 Flange Diameter mm 280 280
Pitch circle diameter mm 245 245
Screws M 14 M 14
i07 Electric emergency/booster heater Female thread G 1 1/2 G 1 1/2

SBP 1000 E cool | SBP 1010 E cool
STIEBEL ELTRON SBP 1000-1500 E Buffer Cylinder - Dimensions 2

SBP 1000 E cool SBP 1010 E cool
d01 Heat pump flow Internal diameter DN 80 DN 80
d02 Heat pump return Internal diameter DN 80 DN 80
d03 Heat pump flow optional Internal diameter DN 80
d35 Heat source flow optional Female thread G 1 1/2 G 1 1/2
d36 Heat source return optional Female thread G 1 1/2 G 1 1/2
d46 Ventilation Female thread G 1/2 G 1/2
d47 Drain Male thread G 3/4 A G 3/4 A
e01 Heating flow Internal diameter DN 80 DN 80
e02 Heating return Internal diameter DN 80 DN 80
h02 Sensor heat pump return Diameter mm 9.5 9.5
h22 Sensor heat source Diameter mm 9.5 9.5
h28 Sensor solar cylinder Diameter mm 9.5 9.5
h43 Thermometer Diameter mm 14.5 14.5
i01 Flange Diameter mm 280 280
Pitch circle diameter mm 245 245
Screws M 14 M 14
i07 elec. emergency/booster heater Female thread G 1 1/2 G 1 1/2

SBP 1500 E coolSTIEBEL ELTRON SBP 1000-1500 E Buffer Cylinder - Dimensions 1

SBP 1500 E cool
d01 Heat pump flow Nominal diameter DN 80
d02 Heat pump return Nominal diameter DN 80
d35 Heat source flow optional Female thread G 1 1/2
d36 Heat source return optional Female thread G 1 1/2
d46 Ventilation Female thread G 1/2
d47 Drain Male thread G 3/4 A
e01 Heating flow Nominal diameter DN 80
e02 Heating return Nominal diameter DN 80
h02 Sensor heat pump return Diameter mm 9.5
h22 Sensor heat source Diameter mm 9.5
h28 Sensor solar cylinder Diameter mm 9.5
h43 Thermometer Diameter mm 14.5
i01 Flange Diameter mm 280
Pitch circle diameter mm 245
Screws M 14
i07 Electric emergency/booster heater Female thread G 1 1/2

13.2 Fault conditions
In the event of a fault, temperatures of up to 95 °C at 1.0 MPa can occur depending on the type of heart source used.
13.3 Data table

SBP 1000 E SBP 1010 E SBP 1500 E SBP 1000 E SBP 1500 E SBP 1000 E SBP 1010 E SBP 1500 E
SOL SOL cool cool cool
227564 236569 227565 227566 227567 227588 236570 227589
Hydraulic data
Rated capacity l 1006 1006 1503 979 1473 1006 1006 1503
Capacity, lower indirect coil l 25.9 22.5
Surface area, lower indirect coil 3 3.6
Pressure drop at 1.0 m³/h, indirect coil, bottom hPa 8 9
Application limits
Max. permissible pressure MPa 0.3 1.0 0.3 0.3 0.3 0.3 1.0 0.3
Test pressure MPa 0.45 1.5 0.45 0.45 0.45 0.45 1.5 0.45
Maximum charge / discharge flow rate m³/h 12.5 12.5 15 12.5 15 12.5 12.5 15
Max. permissible temperature °C 95 95 95 95 95 95 95 95
Max. recommended collector aper- ture area 20 30
Dimensions
Height mm 2300 2300 2220 2300 2220 2300 2300 2220
Height incl. thermal insulation mm 2340 2340 2255 2340 2255 2340 2340 2255
Diameter mm 790 790 1000 790 1000 822 822 1032
Diameter incl. thermal insulation mm 1010 1010 1220 1010 1220 1010 1010 1220
Height of unit when tilted mm 2335 2335 2250 2335 2250 2335 2335 2250
Weights
Weight (wet) kg 1178 1239 1703 1224 1780 1187 1248 1742
Weight (dry) kg 172 233 229 219 285 181 242 239

Guarantee

The guarantee conditions of our German companies do not apply to appliances acquired outside of Germany. In countries where our subsidiaries sell our products a guarantee can only be issued by those subsidiaries. Such guarantee is only granted if the subsidiary has issued its own terms of guarantee. No other guarantee will be granted.
We shall not provide any guarantee for appliances acquired in countries where we have no subsidiary to sell our products.
This will not affect warranties issued by any importers.

Environment and recycling

We would ask you to help protect the environment. After use, dispose of the various materials in accordance with national regulations.

Deutschland
STIEBEL ELTRON GmbH & Co. KG
Dr.-Stiebel-Straße 33 | 37603 Holzminden
Tel. 05531 702-0 | Fax 05531 702-480
[email protected]
www.stiebel-eltron.de
Verkauf
Tel. 05531 702-110 | Fax 05531 702-95108
[email protected]
Kundendienst
Tel. 05531 702-111 | Fax 05531 702-95890
[email protected]
Ersatzteilverkauf
www.stiebel-eltron.de/ersatzteile 
[email protected]

Australia
STIEBEL ELTRON Australia Pty. Ltd.
294 Salmon Street | Port Melbourne VIC 3207
Tel. 03 9645-1833 | Fax 03 9644-5091
[email protected]
www.stiebel-eltron.com.au
Netherlands
STIEBEL ELTRON Nederland B.V.
Daviottenweg 36 | 5222 BH ‘s-Hertogenbosch
Tel. 073 623-0000 | Fax 073 623-1141
[email protected]
www.stiebel-eltron.nl
Austria
STIEBEL ELTRON Ges.m.b.H.
Gewerbegebiet Neubau-Nord
Margaritenstraße 4 A | 4063 Hörsching
Tel. 07221 74600-0 | Fax 07221 74600-42
[email protected]
www.stiebel-eltron.at
New Zealand
Stiebel Eltron NZ Limited
61 Barrys Point Road | Auckland 0622
Tel. +64 9486 2221
[email protected]
www.stiebel-eltron.co.nz
Belgium
STIEBEL ELTRON bvba/sprl
‘t Hofveld 6 – D1 | 1702 Groot-Bijgaarden
Tel. 02 42322-22 | Fax 02 42322-12
[email protected]
www.stiebel-eltron.be
Poland
STIEBEL ELTRON Polska Sp. z O.O.
ul. Działkowa 2 | 02-234 Warszawa
Tel. 022 60920-30 | Fax 022 60920-29
[email protected]
www.stiebel-eltron.pl
China
STIEBEL ELTRON (Tianjin) Electric Appliance
Co., Ltd.
Plant C3, XEDA International Industry City
Xiqing Economic Development Area
300385 Tianjin
Tel. 022 8396 2077 | Fax 022 8396 2075
[email protected]
www.stiebeleltron.cn
Russia
STIEBEL ELTRON LLC RUSSIA
Urzhumskaya street 4,
building 2 | 129343 Moscow
Tel. +7 495 125 0 125
[email protected]
www.stiebel-eltron.ru
Czech Republic
STIEBEL ELTRON spol. s r.o.
Dopraváků 749/3 | 184 00 Praha 8
Tel. 251116-111 | Fax 235512-122
[email protected]
www.stiebel-eltron.cz
Slovakia
STIEBEL ELTRON Slovakia, s.r.o.
Hlavná 1 | 058 01 Poprad
Tel. 052 7127-125 | Fax 052 7127-148
[email protected]
www.stiebel-eltron.sk
Finland
STIEBEL ELTRON OY
Kapinakuja 1 | 04600 Mäntsälä
Tel. 020 720-9988
[email protected]
www.stiebel-eltron.fi
South Africa
STIEBEL ELTRON Southern Africa (PTY) Ltd
30 Archimedes Road
Wendywood
Johannesburg, 2090
Tel. +27 10 001 85 47
[email protected]
www.stiebel-eltron.co.za
France
STIEBEL ELTRON SAS
7-9, rue des Selliers
B.P 85107 | 57073 Metz-Cédex 3
Tel. 0387 7438-88 | Fax 0387 7468-26
[email protected]
www.stiebel-eltron.fr
Switzerland
STIEBEL ELTRON AG
Industrie West
Gass 8 | 5242 Lupfig
Tel. 056 4640-500 | Fax 056 4640-501
[email protected]
www.stiebel-eltron.ch
Hungary
STIEBEL ELTRON Kft.
Gyár u. 2 | 2040 Budaörs
Tel. 01 250-6055 | Fax 01 368-8097
[email protected]
www.stiebel-eltron.hu
Thailand
STIEBEL ELTRON Asia Ltd.
469 Moo 2 Tambol Klong-Jik
Amphur Bangpa-In | 13160 Ayutthaya
Tel. 035 220088 | Fax 035 221188
[email protected]
www.stiebeleltronasia.com
Japan
NIHON STIEBEL Co. Ltd.
Kowa Kawasaki Nishiguchi Building 8F
66-2 Horikawa-Cho
Saiwai-Ku | 212-0013 Kawasaki
Tel. 044 540-3200 | Fax 044 540-3210
[email protected]
www.nihonstiebel.co.jp
United States of America
STIEBEL ELTRON, Inc.
17 West Street | 01088 West Hatfield MA
Tel. 0413 247-3380 | Fax 0413 247-3369
[email protected]
www.stiebel-eltron-usa.com

United Kingdom and Ireland
STIEBEL ELTRON UK Ltd.
Unit 12 Stadium Court
Stadium Road | CH62 3RP Bromborough
Tel. 0151 346-2300 | Fax 0151 334-2913
[email protected]
www.stiebel-eltron.co.uk

Subject to errors and technical changes!
Stand 9734

Leave a Comment