FI1512 FI Series Floor Insert Heater
Owner’s Manual
REPLACEMENT COMPONENT LIST INCLUDED

This unit complies with CSA and UL standards
Contents
IMPORTANT INSTRUCTIONS
WARNING
Before installing and operating this product, the user and/or installer must read, understand and follow these instructions and keep them handy for future reference. If these instructions are not followed, the warranty will be considered null and void and the manufacturer deems no further responsibility for this product.
This product must be installed by a qualified person and connected by a certified electrician, according to the electrical and building codes effective in your region.
The following instructions must be adhered to in order to avoid personal injuries or property damages, serious injuries and potentially fatal electric shocks.
Protect the heating unit with the appropriate circuit breaker or fuse, in accordance with the nameplate.
Make sure the line voltage (volt) is consistent with that indicated on the unit’s nameplate.
This unit must be grounded.
Switch off the power at the circuit breaker/fuse before installing, repairing and cleaning the unit.
Make sure the unit is appropriate for the intended use (if needed, refer to the product catalog or a representative). Use this heater only as described in this manual. Any other use not recommended by the manufacturer may cause fire, electric shock, or injury to persons. Do not use outdoors.
RECOMMENDED HEATING CAPACITY: 1.25 W/cubic foot (0.03 m³)
It corresponds to 10 W/square foot (0.09 m²) based on a standard ceiling height of 8 feet (2.44 m). The recommended capacity is usually sufficient for normal heating needs. Please note that the insulation quality of walls and windows are some of the factors that influence heat losses, which modify the required capacity to heat a room. If needed, refer to a specialist who will be able to calculate these heat losses and optimize the required capacity or consult the “ONLINE HEATING CALCULATION” section of the Stelpro web site (residential buildings). To heat a large room and increase your comfort, it is recommended to install several units instead of one. For example, 2 x 1000 W rather than 1 x 2000 W.
Do not install the unit where objects or pieces of furniture could be heat damaged.
If the unit’s capacity is insufficient for the size of the room, it will be in operation continuously, and may become defective earlier and turn yellow.
Respect distances and positions indicated in the installation section.
If the installer or user modifies the unit, they will be held responsible for any damage resulting from this modification, and the CSA certification could be void.
This unit must not come into contact with a water source and must be protected from splashes (e.g. a wet mop). Do not use it if any part has been immersed. Moreover, do not turn it on or off when standing in water or if your hands are wet.
When cutting or drilling into a wall, do not damage electrical wiring and other hidden utilities.
Do not install this product on walls made of synthetic material such as, but not limited to, carpet and wallpaper.
When starting up the unit for the first time or after a long period, it is normal that it produces some temporary odours and whitish smoke.
Because this unit is hot when in use, it may pose risks even in normal operation. Therefore, be careful and responsible when using it. To avoid burns, do not let bare skin touch hot surfaces. Let the unit cool down for few minutes before handling (it will stay warm for some time after shutdown). Extreme caution is necessary when any heater is used by or near children or invalids and whenever the heater is left operating and unattended.
Keep the front and and upper sides of the unit at least 6 inches (15 cm) from any adjacent surfaces. Moreover, make sure objects or pieces of furniture such as, but not limited to, blankets, towels, beds, laundry baskets, clothing, papers, etc., do not come into contact with the unit and keep them at least 12 inches (30 cm) from the unit. Failure to comply with this warning could lead to a fire. Some materials are more heatsensitive than others, so make sure those near the unit can withstand heat.
Never block air vents (with objects or other items). You risk damaging the heater and the obstruction could lead to electric shock or overheating, which could result in a fire.
Do not insert or allow foreign objects to enter any air vent as this may cause electric shocks, a fire, or damages to the unit.
This unit has hot and arcing or sparking parts inside. It is not designed to be used or stored in wet areas or areas containing flammable liquids, combustible materials or corrosive, abrasive, chemical, explosive and flammable substances such as, but not limited to, gasoline, paint, chlorine, sawdust and cleaning products.
Some areas are dustier than others. Thus, it is the user’s responsibility to evaluate if the unit must be cleaned based on the amount of dirt accumulated on and inside air vents. Accumulated dirt can lead to a component malfunction or give a yellowish colour to unit. Failure to install and maintain unit in accordance with these instructions poses a fire hasard.
Thermal protection activation indicates that the unit has been subjected to abnormal operating conditions. If the thermal protection remains activated or activates and deactivates repeatedly, it is recommended that a qualified electrician or a certified repair centre examine the unit in order to make sure it is not damaged. (Refer to the limited warranty)
Before unplugging the unit, all controls must be in the “OFF” position and the current from the main breaker panel should be cut. (The general switch may be used also, if included.)
If the unit is damaged or defective, discontinue use, cut off power supply at circuit breaker and contact a certified electrician or certified repair centre. (Refer to the limited warranty)
If an option must be added, make sure it has been approved by Stelpro. This way, it will ensure that it has been tested in accordance with our safety rules and that an appropriate installation has been planned into the unit.
Make sure that all the electrical connections have been secured and made properly. Pull each wire to ensure it is not loose in the connector or the terminal board as this may cause a fire.
SAVE THESE INSTRUCTIONS
Note: When a part of the product specification must be changed to improve operability or other functions, priority is given to the product specification itself. In such instances, the instruction manual may not entirely match all the functions of the actual product. Therefore, the actual product and packaging, as well as the name and illustration, may differ from the manual.
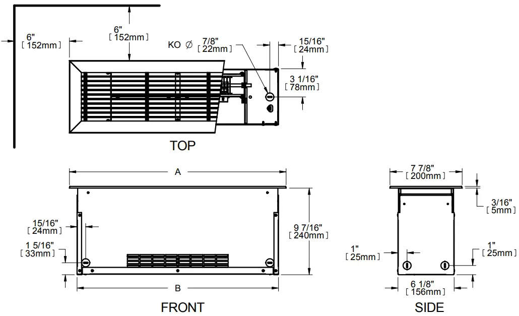
TECHNICAL DRAWINGS

SPECIFICATIONS
| TYPE | POWER | LENGTH (A) | LENGTH (B) | WEIGHT | |||
| CODE | WATTS | MM | IN. | MM | IN. | LB | KG |
| FI605 | 500 | 600 | 23,6 | 558 | 22,0 | 6,4 | 14 |
| FI907 | 750 | 900 | 35,4 | 858 | 33,8 | 10 | 22 |
| FI1210 | 1000 | 1200 | 47,2 | 1158 | 45,6 | 13,6 | 30 |
| FI1512 | 1250 | 1500 | 59 | 1458 | 57,4 | 16,9 | 37 |
| FI1815 | 1500 | 1800 | 70,8 | 1758 | 69,2 | 20 | 44 |
| FI2117 | 1750 | 2100 | 82,6 | 2058 | 81,0 | 23,7 | 52 |
| FI2420 | 2000 | 2400 | 94,5 | 2358 | 92,8 | 26,7 | 59 |
Add W for white, S for silver, SW for silica white or BK for black
Add 1 = 120 V; 2 = 240 V; 3 = 347 V; 5 = 480 V; 6 = 600 V; 7 = 277 V; 8 = 208 V
INSTALLATION
N.B. Cut off power supply at circuit breaker/fuse before proceeding to the installation and wiring connections. This product must be connected by a certified electrician, according to the electrical and building codes effective in your region. Consult the wiring plan found on the unit.
To reduce the risk of fire, do not store or use gasoline or other flammable vapors and liquids in the vicinity of the heater. Do not mount in contact with combustible material. Do not mount in close proximity to another unit.
IMPORTANT – This unit must be installed at no less than 6’’ (15.2 cm) from adjacent walls. The shoulder flanges of the unit must rest on the finished floor.
- This unit must be recessed parallel to floor joists
- Thanks to its sturdy 18 gauge galvanized steel construction, it can be installed in concrete floors without any need for additional framing. The air vents located on the sides of the casing may be blocked, but it is recommended to keep the area free of obstructions to optimize air output.

FLOOR OPENING
6 3/8″ x (DIM. B + 1/4″)
162mm x (DIM. B + 6.5mm)
OPERATION
WARNING: the heater must be properly installed before it is used.
This heater must be controlled by a wall thermostat (thermostat not included).
This unit is equipped with a thermal protection that must be reset manually. The activation of the manual reset can be made without removing the top grill.
- Turn off the circuit breaker at the electrical panel.
- Insert a long, thin object through the grill, into the small hole within the enclosure of the heater where the manual reset button is located (see the illustration here).
- Gently press down the button to reactivate the thermal protection.
N.B. If the unit cycles under control of the thermal protection constantly, it could indicate that it is defective. If so, it should be verified and repaired immediately.

ELECTRICAL WIRING
The ground fault protection connection must be made by connecting the bare wire coming from the electrical panel to the green screw located inside the junction box of the heater.
N.B. This product must be connected by a certified electrician, according to the electrical and building codes effective in your region.
MAINTENANCE 
N.B. All other repairs and maintenance other than those described in this guide should be performed by qualified service personnel. In order for the warranty to be valid, the unit must be cleaned regularly. Cut off power supply at circuit breaker/fuse and wait for the unit to cool down before cleaning.
Use a soft rag for dusting. When cleaning, use only a damp rag and non-abrasive dish soap. If you use a cleaning product, always wipe the product off properly to avoid the discoloration of the unit. Do not use abrasive or chemical cleaners because they can damage the finishing. If the unit is used in a very dusty location, use a vacuum brush to remove dust and other foreign objects from the grilles. Note that cigarette smoke could yellow the discharge grille and that the best way to prevent this problem is to clean the unit regularly.
Do not use cleaning products identified with these symbols:
![]()
N.B. Note that there is electrical current to the unit even if the thermostat is off. Meaning that there is a risk of electric shock as long as the unit is energized.
REPLACEMENT COMPONENT LIST
| REF. # | PART # | DESCRIPTION |
| 1 | M-FI0600H1* | GRILL (ALUMINUM) (600 MM) |
| 1 | M-FI0900H1* | GRILL (ALUMINUM) (900 MM) |
| 1 | M-FI1200H1* | GRILL (ALUMINUM) (1200 MM) |
| 1 | M-FI1500H1* | GRILL (ALUMINUM) (1500 MM) |
| 1 | M-FI1800H1* | GRILL (ALUMINUM) (1800 MM) |
| 1 | M-FI2100H1* | GRILL (ALUMINUM) (2100 MM) |
| 1 | M-FI2400H1* | GRILL (ALUMINUM) (2400 MM) |
| 2 | EA0300-06-*** | ELEMENT 300 W (600 MM) |
| 2 | EA0400-06-*** | ELEMENT 400 W (600 MM) |
| 2 | EA0450-09-*** | ELEMENT 450 W (900 MM) |
| 2 | EA0500-06-*** | ELEMENT 500 W (600 MM) |
| 2 | EA0600-09-*** | ELEMENT 600 W (900 MM) |
| 2 | EA0600-12-*** | ELEMENT 600 W (1200 MM) |
| 2 | EA0750-09-*** | ELEMENT 750 W (900 MM) |
| 2 | EA0750-15-*** | ELEMENT 750 W (1500 MM) |
| 2 | EA0800-12-*** | ELEMENT 800 W (1200 MM) |
| 2 | EA0900-18-*** | ELEMENT 900 W (1800 MM) |
| 2 | EA1000-12-*** | ELEMENT 1000 W (1200 MM) |
| 2 | EA1000-15-*** | ELEMENT 1000 W (1500 MM) |
| 2 | EA1050-21-*** | ELEMENT 1050 W (2100 MM) |
| 2 | EA1200-18-*** | ELEMENT 1200 W (1800 MM) |
| 2 | EA1200-24-*** | ELEMENT 1200 W (2400 MM) |
| 2 | EA1250-15-*** | ELEMENT 1250 W (1500 MM) |
| 2 | EA1400-21-*** | ELEMENT 1400 W (2100 MM) |
| 2 | EA1500-18-*** | ELEMENT 1500 W (1800 MM) |
| 2 | EA1600-24-*** | ELEMENT 1600 W (2400 MM) |
| 2 | EA1750-21-*** | ELEMENT 1750 W (2100 MM) |
| 2 | EA2000-24-*** | ELEMENT 2000 W (2400 MM) |
| 3 | PROT-024 | THERMAL PROTECTION (MAN.) (L220) 600 MM |
| 3 | PROT-025 | THERMAL PROTECTION (MAN.) (L220) 900 MM |
| 3 | PROT-026 | THERMAL PROTECTION (MAN.) (L220) 1200 MM |
| 3 | PROT-028 | THERMAL PROTECTION (MAN.) (L220) 1500-1800 MM |
| 3 | PROT-029 | THERMAL PROTECTION (MAN.) (L220) 2100 MM |
| 3 | PROT-031 | THERMAL PROTECTION (MAN.) (L220) 2400 MM |
| 3 | PROT-084 | LINEAR THERMAL PROTECTION (AUTO.) (L190) 600 MM |
| 3 | PROT-085 | LINEAR THERMAL PROTECTION (AUTO.) (L190) 900 MM |
| 3 | PROT-086 | LINEAR THERMAL PROTECTION (AUTO.) (L190) 1200 MM |
| 3 | PROT-087 | LINEAR THERMAL PROTECTION (AUTO.) (L190) 1500-1800 MM |
| 3 | PROT-088 | LINEAR THERMAL PROTECTION (AUTO.) (L190) 2100 MM |
| 3 | PROT-089 | LINEAR THERMAL PROTECTION (AUTO.) (L190) 2400 MM |

Add W for white or SW for silica white
Add 1 = 120 V; 2 = 240 V; 3 = 347 V; 5 = 480 V; 6 = 600 V; 7 = 277 V; 8 = 208 V
TROUBLESHOOTING
| PROBLEM | DEFECTIVE PART OR PART TO CHECK |
| The unit does not work | • Defective thermostat or wrong thermostat setting • Open circuit breaker or fuse • Activated thermal protection • Faulty connections |
| The unit runs continuously | • Defective thermostat or wrong thermostat setting • Heat losses greater than the unit’s capacity |
| The enclosure is extremely hot | • Defective thermal protection • Blocked air vents • Defective motor |
| The unit cycles under control of the thermal protection (overheat indicator) | • Blocked air vents • Defective motor |
| Overheating | • Defective thermostat or wrong thermostat setting • Defective motor |
| The breaker trips when the heater is turned on | • Faulty connections • Voltage higher than indicated on the nameplate |
| Elements are on, but the motor does not work | • Defective motor |
| The desired room temperature cannot be reached | • One or more defective elements • Defective thermostat or wrong thermostat setting • Voltage lower than indicated on the nameplate • Heat losses greater than the unit’s capacity |
N.B. If you do not solve the problem after checking these points, cut off the power supply at the main electrical panel and contact our customer service (see the “LIMITED WARRANTY” section to obtain the phone numbers).
LIMITED WARRANTY
This limited warranty is offered by Stelpro Design Inc. (“Stelpro”) and applies to the following product made by Stelpro: FI model. Please read this limited warranty carefully. Subject to the terms of this warranty, Stelpro warrants its products and their components against defects in workmanship and/or materials for the following periods from the date of purchase: 3 years. This warranty applies only to the original purchaser; it is non-transferable and cannot be extended.
CLAIM PROCEDURE
If at any time during the warranty period the unit becomes defective, you must cut off the power supply at the main electrical panel and contact 1) your installer or distributor, 2) your service center or 3) Stereo’s customer service department. In all cases, you must have a copy of the invoice and provide the information written on the product nameplate. Stelpro reserves the right to examine or to ask one of its representatives to examine the product itself or any part of it before honoring the warranty. Stelpro reserves the right to replace the entire unit, refund its purchase price or repair a defective part. Please note that repairs made within the warranty period must be authorized in advance in writing by Stelpro and carried out by persons authorized by Stelpro.
Before returning a product to Stelpro, you must have a Stelpro authorization number (RMA). To obtain it, call the customer service department at: 1-800-363-3414 (electricians and distributors – French), 1-800-343-1022 (electricians and distributors – English), or 1-866-766-6020 (consumers). The authorization number must be clearly written on the parcel or it will be refused.
CONDITIONS, EXCLUSIONS AND DISCLAIMER OF LIABILITY
This warranty is exclusive and in lieu of all other representations and warranties (except of title), expressed or implied, and Stelpro expressly disclaims and excludes any implied warranty of merchantability or implied warranty of fitness for a particular purpose.
Stereo’s liability with respect to products is limited as provided above. Stelpro shall not be subject to any other obligations or liabilities whatsoever, whether based on contract, tort or other theories of law, with respect to goods or services furnished by it, or any undertakings, acts or omissions relating thereto. Without limiting the generality of the foregoing, Stelpro expressly disclaims any liability for property or personal injury damages, penalties, special or punitive damages, damages for lost profits, loss of use of equipment, cost of capital, cost of substitute products, facilities or services, shutdowns, slowdowns, or for other types of economic loss or for claims of a dealer’s customers or any third party for such damages. Stelpro specifically disclaims all consequential, incidental and contingent damages whatsoever.
This warranty does not cover any damages or failures resulting from: 1) a faulty installation or improper storage; 2) an abusive or abnormal use, lack of maintenance, improper maintenance (other than that prescribed by Stelpro) or a use other than that for which the unit was designed; 3) a natural disaster or an event out of Stelpro’s control, including, but not limited to, hurricanes, tornadoes, earthquakes, terrorist attacks, wars, overvoltage, flooding, water damages, etc. This warranty does not cover any accidental or intentional losses or damages, nor does it cover damages caused by negligence of the user or owner of the product. Moreover, it does not cover the cost of disconnection, transport, and installation.
The warranty is limited to the repair or the replacement of the unit or the refund of its purchase price, at the discretion of Stelpro. Any parts replaced or repaired within the warranty period with the written authorization of Stelpro will be warranted for the remainder of the original warranty period. This warranty will be considered null and void and Stelpro will have the right to refuse any claims if products have been altered without the written authorization of Stelpro and if the nameplate numbers have been removed or modified. This warranty does not cover scratches, dents, corrosion or discoloration caused by excessive heat, chemical cleaning products and abrasive agents. It does not cover any damage that occurred during the shipping.
Some states and provinces do not allow the exclusion or limitation of incidental or consequential damages and some of them do not allow limitations on how long an implied warranty lasts, so these exclusions or limitations may not apply to you. This warranty gives you specific legal rights and you may have other rights which vary from state to state or from province to province.
For further information or to consult this guide online, please visit our website at www.stelpro.com
STELPRO DESIGN INC.
Saint-Bruno-de-Montarville
Quebec
J3V 6L7