Contents
ST Engineering AGIL LCU 302 Remote Street Lighting Controller

Product Information
Specifications
- Product Name: AGIL LCU 302, AGIL LCU 302-1 (NBIoT)
- Type: Remote Street Lighting Controller
- Key Application: Functional Specifications
- Supported Bands: B1/2/3/4/5/8/12/13/18/19/20/25/26/27/28/66/85
- Features: Selection of current, low/high power, low power factor, dimming failure, current and light intensity monitoring, light control
- Parameters Monitored: Light intensity, line voltage (V), current (mA), active power (KW), power factor, active energy consumption (KWH)
Product Usage Instructions
Installation
Follow the installation guidelines provided in the user manual. Ensure proper electrical connections are made.
Configuration
Configure the controller based on your specific requirements using the provided interface or software.
Monitoring
Regularly monitor the parameters displayed on the controller such as light intensity, current, and power consumption to ensure efficient operation.
Control
Utilize the controller to adjust light intensity, switch between power modes, and address any dimming failures promptly.
Mechanical / Working Environment
Ensure the controller is installed in a suitable mechanical and working environment to prevent damage and ensure optimal performance.
FAQ
- Q: How do I reset the controller?
A: To reset the controller, locate the reset button on the device and press it for at least 10 seconds. - Q: What should I do if the controller displays a dimming failure?
A: Check the connected lighting fixtures and power supply for any issues. If the problem persists, contact technical support for assistance. - Q: Can the controller be used with LED street lights?
A: Yes, the controller is compatible with various types of street lights, including LED fixtures. Ensure proper configuration for optimal performance.
Key Application
- Single lamp remote controller with LED driver
- Street lighting
Functional Specifications
- AGIL LCU 302 , AGIL LCU 302-1
- Support Cat NB1, Cat NB2 & Cat M1
- Frequency Bands: Cat NB1/NB2 & Cat M1 (B1/2/3/4/5/8/12/13/18/19/20/25/26/27/28/66/85)
- On/Off and dimming functionality with DALI/ 0–10-volt selection
- Real-time reporting and alarms
- Alarms: lamp/LED driver failure, over/under voltage, over current, low/high power, low power factor, dimming failure
- Configuration: On/OFF/Dimming, over/under voltage, over current and light intensity
- Built in energy meter
- Reportsof various luminaire dynamic parameters such as light intensity, line voltage (V), current (mA), active power (KW), power factor and active energy (aggregate) consumption (KWH)
- Auto-positioning with GPS
- Secured data protection, PKI –TLS1.2 over TCP
- RTC supports scheduled taskand Photocell for backup light control
- Supports over the air firmware upgrade
- Optional configuration for last gasp
Mechanical / Working Environment
- Size: Ø 84 x 98 mm
- IP Protection: IP66
- Weight: 0.22kg
- Operating Temperature: -40°C~+72°C
- Operating Humidity: <95%RH Non-condensing
Product Compliant/Certification
- Safety: IEC 61347-1:2015+A1:207, IEC 61347-2-11:2001+A1:2017, EN 62493:2015
- EMC: EN IEC 55015:2019+A11:2020, EN 61547:2009, EN IEC 61000-3-2:2019+A1:2021, EN 61000-3-3:2013+A2:2021
- RF: EN 301908-1 V15.1.1, EN 301908-13 V13.2.1
- Environment: EN 60068-2-30:2005, EN 60068-2-2:2007
- IP Rating: EN 60529:1992+A1:2000+A2:2013
- RoHS: EN 63000:2018
- Entrusted (IK08): IEC 62262:2002
- Reliability (ALT): IEC 62059-31-1:2008
- CE Conformity
- FCC Certified
Installation
- Standard NEMA 7-PIN interface, plug-and-play
- AGIL LCU 302 is easily installed on top of the lighting fixture utilizing a NEMA socket
Specifications

Precautions
Please read this specification carefully before use, so as to avoid any installation error that might cause the malfunction of the device.
Transportation and Storage conditions
- Storage Temperature: -40℃~+85℃
- Storage Environment: avoidanyhumid,wet env
- Transport: avoid falling
- Stock piling: avoid over-piling
Notice
- On-site installation should be done by professional personnel.
- Do not install the device in a long-term high temperature environment, which might shorten its lifetime.
- Well insulate the connects during the installation.
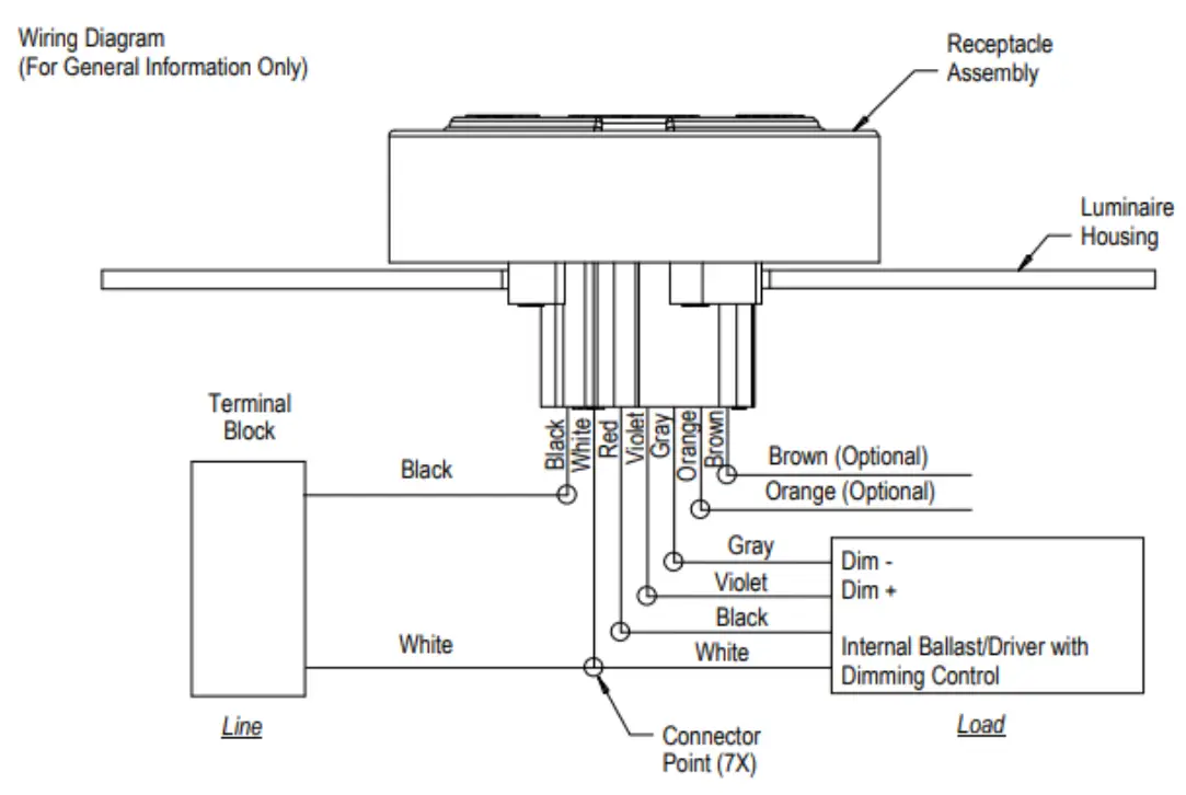
- Wire the device STRICTLY according to the attached diagram, inappropriate wiring might cause deadly damage to the device.
- Please rotate the device to ensure the NEMA interface is completely connected.
Dimension

Features
- Support NB, Cat M1 ;
- Standard NEMA 7-PIN interface, plug and play;
- Remotely turn ON/OFF, built-in 16A Relay;
- Support dimming interface: DALI and0-10V;
- Failure detection: lamp failure, power failure, over voltage, overcurrent, under voltage, power outrage;
- Automatically report failure notification to the server and all trigger thresholds are configurable;
- Built-in power meter, support remotely read real-time status and parameters like voltage, current, power and energy;
- Built-in RTC, support scheduled task;
- Built-in photocell, auto control via lux value;
- Built-in network indicator: easy for troubleshooting;
- Optional configuration: last gasp, GPS;
- Support online firmware upgrading(OTA);
- IP66.
Wiring Diagram

FCC
These two models of our company’s FCC-certified products: AGIL LCU 302, and AGIL LCU 302-1, make the following statement:
FCC Radiation Exposure Statement:
This equipment complies with FCC radiation exposure limits set forth for an uncontrolled environment. This equipment should be installed and operated with a minimum distance 20-cm between the radiator & your body.
FCC Warning
This device complies with Part 15 of the FCC Rules. Operation is subject to the following two conditions:
(1) This device may not cause harmful interference, and (2) this device must accept any interference received, including interference that may cause undesired operation.
NOTE 1: This equipment has been tested and found to comply with the limits for a Class B digital device, under part 15 of the FCC Rules. These limits are designed to provide reasonable protection against harmful interference in a residential installation. This equipment generates uses and can radiate radio frequency energy and, if not installed and used by the instructions, may cause harmful interference to radio communications. However, there is no guarantee that interference will not occur in a particular installation. If this equipment does cause harmful interference to radio or television reception, which can be determined by turning the equipment off and on, the user is encouraged to try to correct the interference by one or more of the following measures:
- Reorient or relocate the receiving antenna.
- Increase the separation between the equipment and the receiver.
- Connect the equipment to an outlet on a circuit different from that to which the receiver is connected.
- Consult the dealer or an experienced radio/TV technician for help.
NOTE 2: Any changes or modifications to this unit not expressly approved by the party responsible for compliance could void the user’s authority to operate the equipment.
ST Engineering Urban Solutions Ltd.
www.stengg.com
[email protected]
© 2023 ST Engineering Urban Solutions Ltd. All rights reserved.