Contents
Spidocook SAP020PR Professional Contact Grill

DESCRIPTION
Professional Contact Cooking System with Glass Ceramic plates, suitable for cooking a wide array of different foods, as such: toast, sandwiches, meat, fish, vegetables, eggs, etc. High-quality cooking result thanks to heat distribution uniformity and use of shock resistance, non-stick, non-porous and impermeable to smells and tastes Glass Ceramic Cooking Surfaces. High versatility of use thanks to SHB™ Plus technology which allows combined heating (contact + infrared) and high cooking Temperature setting. Up to 60% saving in Preheating Time thanks to SHB™ Plus. Up to 60% saving in Energy consumption thanks to the Protek.Safe™ high efficiency insulation system which eliminates unnecessary energy loss.
STANDARD COOKING FEATURES
SETTINGS
- Manual Control
- Temperature set: 248 °F – 752 °F.
PROGRAMS
- Time and Temperature Values storing
ACCESSORIES
METAL SCRAPER
Metallic scraper for Glass Ceramic Surfaces (included)
SPIDO CLEAN SPRAY DETERGENT
750 ml Spray Detergent for Glass Ceramic and Steel Surfaces (to be purchased separately)
STANDARD TECHNICAL FEATURES
- Double Upper Black Ribbed Glass Ceramic cooking plate: n°2 9 4/5”x9 4/5” in
- Stainless Steel Case
- Ergonomic Handle
- Self-looking Handle Bracket
- 4 Non-Slip Feets
- Removable Dip Tray
- ON/OFF button and LED light

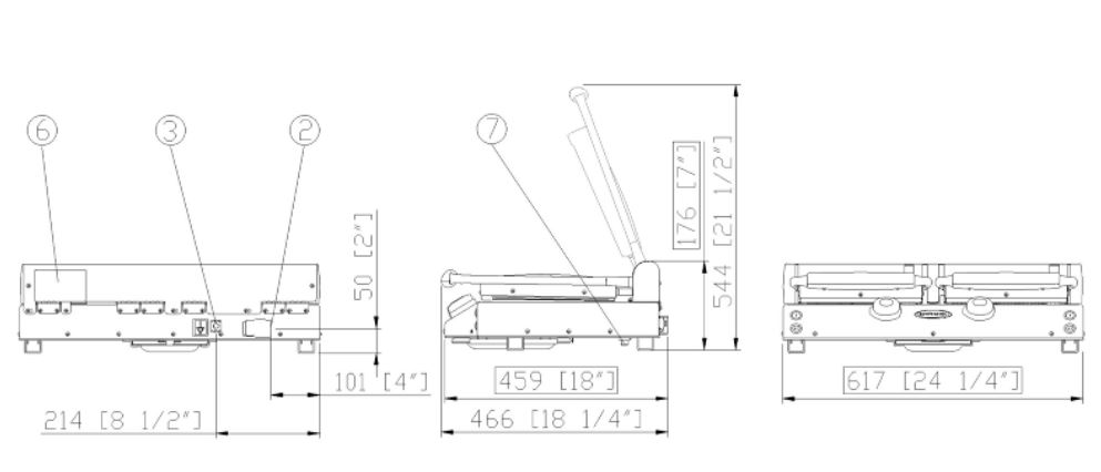
| CONNECTION POSITIONS | |
| 2 | Terminal board power supply |
| 3 | Unipotential terminal |
| 6 | Technical data plate |
| 7 | Safety thermostat |
| INSTALLATION REQUIREMENTS |
| Installations must conform to all local electrical systems, specifically minimum wire gauge required for field connection, hydraulic and ventilation codes. |
| DIMENSIONS AND WEIGHT | |
| Width | 24 ¼” |
| Depth | 18” |
| Height | 7” |
| Net Weight | 37,5 lb |
| POWER SUPPLY | |
| STANDARD | |
| Voltage | 240 V |
| Phase | 1PH+N+PE |
| Frequency | 60 Hz |
| Power | 2,7 kW |
| Maximum Amp Draw | 12,3 A |
| Power cable requirement | SJTO
3 x AWG14 |
| Plug | NEMA 6-15P |

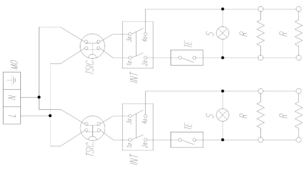
| WIRING DIAGRAMS | |
| INT | Switch |
| MO | Terminal board |
| R | Heating element |
| S | Pilot light |
| TE | Thermostat |
| TS | Safety thermostat |
