signify OPFS-SOL OptiForm Solar Installation Guide

Home » signify » signify OPFS-SOL OptiForm Solar Installation Guide

signify OPFS-SOL OptiForm Solar Installation Guide

IMPORTANT: FOR YOUR PROTECTION, YOU MUST CAREFULLY READ ALL WARNINGS AND INSTRUCTIONS IN THEIR ENTIRETY PRIOR TO  INSTALLATION,OPERATION, SERVICE OR MAINTENANCE. FAILURE TO DO SO CAN RESULT IN DEATH, PERSONAL INJURY AND PROPERTY DAMAGE. If you do not understand these warnings and instructions, or if additional information is desired, please contact Signify [email protected] phone 1-833-744-6439.

  • Installation, service and maintenance of luminaires must be performed by a qualified professional and in accordance with all federal, state and local laws, regulations and electrical codes. This professional should be familiar with the construction and operation of this product and any hazards involved. If not qualified, do not attempt installation, service or maintenance.
  • To reduce the risk of death, personal injury or property damage from fire, electric shock, falling parts, cuts, abrasions and other hazards, please read all warnings and instructions included with the luminaire, on the luminaire’s packaging and affixed to the luminaire itself.
  • Maintenance of the luminaires should be performed by person(s) familiar with the luminaire’s construction and operation and any hazards involved.

WARNING
RISK OF FIRE, ELECTRIC SHOCK OR PERSONAL INJURY

  • Disconnect or turn off power before attempting any installation, service or maintenance.
  • Verify that supply voltage is correct by referencing the luminaire label information.
  • Make all electrical and ground connections in accordance with the National Electrical Code (NEC) and any other applicable laws, regulations or codes.
  • All wiring connections should be capped with UL-approved wire connectors.

WARNING
RISK OF FIRE OR PERSONAL INJURY

  • Keep combustible materials away from LED/lamp & lens
  • Do not operate in close proximity to persons, combustible materials or substances affected by heat or drying

WARNING
RISK OF FIRE, ELECTRIC SHOCK OR PERSONAL INJURY

  • Wear gloves and safety glasses at all times when removing luminaire from carton, installing, servicing or performing maintenance.
  • Avoid direct eye exposure to the light source while it is on.

WARNING
RISK OF FIRE, ELECTRIC SHOCK OR PERSONAL INJURY

  • Allow Led/lamp & lens to cool before handling.
  • Do not touch enclosure or light source
  • Do not exceed maximum wattage marked on luminaire label.
  • Follow all manufacturer’s warnings, recommendations, instructions and restrictions for driver type, burning position, mounting locations and replacement.

CAUTION
RISK OF PRODUCT DAMAGE

  • Never connect luminaires and/or components under load with supply voltage turned on.
  • Do not mount or support these luminaires in a manner that can cut the outer jacket or damage wire insulation.
  • Do not restrict fixture ventilation. Allow for some volume of airspace around luminaire. Avoid covering luminaire with insulation, foam or other material that will prevent convection or conduction cooling.
  • Do not exceed luminaire maximum ambient temperature.
  • Do not modify the luminaire.
  • Only use luminaire in its intended application and location.
  • Led products are polarity sensitive. Ensure proper polarity before installation.
  • Electrostatic Discharge (ESD) can damage LED. Personal grounding equipment must be worn during all installation and servicing of the luminaire.
  • Do not touch individual electrical components as this can cause ESD, shorten LED life, or impact LED performance.
  • Some components inside the luminaire may not be serviceable. In the unlikely event your luminaire may require service, stop using it immediately and contact
    Signify.
  • Always read the luminaires complete installation instructions prior to installation for any additional luminaire specific warnings.
  • In the case of HID or Fluorescent luminaires, regular re-lamping is required to keep luminaire operating within safe limits
  • Do not install damaged product. Handling and installing damaged products can potentially increase the risks mentioned In case of damage and/or missing parts upon arrival of the luminaire.
  • These instructions do not purport to cover all details or variations in equipment nor to provide every possible contingency to meet in connection with installation, operation or maintenance.
  • Please see luminaire specific Installation and Maintenance Instruction for additional warnings or any applicable FCC or regulatory statements. Failure to follow any of these Instructions could void luminaires warranties.
    Luminaire Maintenance
  • Regular luminaire maintenance programs are recommended.
  • It is recommended to clean the outside of the luminaire and the refractor/lens.
  • Frequency of cleaning will depend on ambient dirt level and minimum light output which is acceptable to user.
  • If clean water is not sufficient for cleaning, use a neutral, synthetic, not-scratching and not-abrasive cleaning substance.
  • Never use alkaline and/or acetous cleaning substances.
  • Make sure that the cleaning substance is carefully removed by rinsing with lots of clean water.
  • Signify recommends using a cleaning solution that has a PH between 5 and 8.
  • Recycle: For information on how to recycle electronic products and components, please visit www.epa.gov.

Installation Instructions

Installation best practice

  1.  In daytime, sunlight should shine on the PV panel directly without any shade and blocking, otherwise it will not work for charging and harm the battery lifetime.
  2.  First Installation should avoid deeply discharge the battery, installing in daytime or recharge the battery before installation, or shut down the luminaire in first night.
  3.  Protect all the connectors during installation away from sand and potential impurity for in ground, desert, soil and mud environment. Connectors are forbidden to be repaired when the cover is broken in the site, should be replaced.
  4.  Do not use any type of solvent for cleaning and be careful not to put too much pressure on the panel while cleaning.

Battery Box & Solar Panel Assembly

CAUTION: Please handle batteries carefully to avoid damage. (handles on some models)

  1.  Before starting the battery box assembly, provide a suitable work surface to lay the battery box flat. Example: use two trestles.
    Assembly Instruction
  2.  After laying the battery box down flat and stable, open the door and secure it with the safety arm. Make sure the main switch is on ‘’OFF’’ before starting the assembly.
  3.  Position batteries as per show below & fix the batteries with straps and hardware provided (4) 1/4-20 X 1.5’’ SS bolts,(4) lock washers, (4) flat washers Recommended torque: 3.2 ft-lbs.
    Assembly Instruction
    Warning
    CAUTION Prevent over torque damage Do not over torque nuts and bolts

    NOTE: It is important to place the batteries so that the poles face each other.
  4. According to the electrical diagram, connect batteries cables to battery M6 terminals (positive/negative) with (2) M6 bolts, lock washers & washers. Recommended torque: 3.2 ft-lbs. Once connected, make sure the (2) positive terminal covers protect the terminals to prevent short circuit.
    Assembly Instruction
    CAUTION: Do not attempt to install the solar system in windy conditions.
    IMPORTANT: The PV panel is fragile. Never install the solar panel on the ground upside down, this could damage the panel. Always handle the solar panel carefully.
    NOTE: Remove protective film on PV panel frame before 7 installation.
  5. Close the battery box cover using the 2 latches.
  6. Connect the Solar panel cables (male and female) to the battery box cables connectors (male and female) while placing the panel on the battery box lid.
  7. Secure the excess cable with nylon cable tie to solar panel frame.
  8. Secure solar panel to the frame using 1/4-20 X 5/8“ ss carriage bolt, washers & ss nylon insert lock nuts. Recommended torque: 6.25 ft-lbs.
    IMPORTANT: Reduce power tool speed when tightening stainless steel nylon insert lock nuts to reduce friction and prevent thread galling on the stainless steel bolt
  9. Fix the solar panel ground wire by screwing #8X1/2‘’ selftapping screw on ground wire terminal into the solar panel frame hole.
  10. Secure solar (2) panel protectors to the frame using (4) 1/4-20 X 5/8“ ss carriage bolt, washers & ss nylon insert lock nuts. Recommended torque: 6.25 ft-lbs.

Pole Assembly

  1. Lay the pole flat on the ground without damaging it.
  2. Pass the SOOW cable through the top of the pole and bring it out through the hole provided on the pole.
    IMPORTANT: Do not install the arm and/or luminaire before lifting the pole into place. This could damage the arm/luminaire and could also be dangerous for the user.
  3. Refer to the installation instructions provided with the pole.
  4. Carefully install the pole on the foundation bolts. Screw the nuts so that whole thing is snug.

Solar System Installation

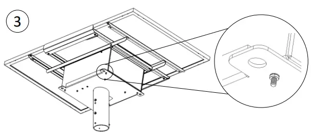
  1. Remove the 3/8X 1” locking bolt, lock washer & washer to install the solar system tenon on the pole.Assembly Instruction
  2. Loosen the set screws (6) 3/8-16, 1/2”, to install the solar system tenon on the pole.
    Assembly Instruction
  3. With the proper equipment, attach the lifting straps to the (4) eyelets provided.
    Assembly Instruction
    IMPORTANT: Always adjust the straps so the tenon remains vertical when lifting to simplify installation on the pole. Make sure the straps are resting on the solar panel protectors on each side

    IMPORTANT: Secure the system with a tag line in order to handle the solar system safely and to reduce the chances of swinging .

  4. Lift the solar system above the pole without damaging the solar panel.
  5. Align the solar system to the tenon and place it smoothly on the pole while completing the connection of the SOO cable.
  6. Using a compass, orient the face of the solar panel towards the south.
    Assembly Instruction
  7. Once the system is aligned in the desired orientation, make a mark on the pole at the position of the locking bolt.
    Assembly Instruction
  8. Lift the solar system slightly to clear the mark and drill a 1/2″ hole at the mark.
    Assembly Instruction
  9. Install the solar system on the pole and secure it with the locking bolt 3/8-16, 1‘’,lock washer & washer. Tighten the bolt to the specified torque: 11.6 ft-lbs.
    Assembly Instruction
  10. Tighten the set screws (6) 3/8-16, 1/2” to the specified torque: 18 ft-lbs.
    Assembly Instruction
  11. Connect the main ground to the ground lug at the base of the pole.
    Assembly Instruction
  12. Contactor must provide and install Ground rod as per National Electrical code (NEC) article 250.52 (A)(5) or the local application regulation agency. Then, complete the connection between the rod and the ground lug.
    CAUTION: Never power up the product without ensuring that it is safely grounded.

OPFS-SOL luminaire Installation

WARNING: THE ELECTRICAL POWER MUST BE DISCONNECTED DURING ALL INSTALLATION OR SERVICE WORK. FAILURE TO FOLLOW THE INSTALLATION DOCUMENTATION OR OPERATING THIS PRODUCT OTHERWISE THAN FOR ITS INTENDED USE VOIDS THE WARRANTY.

  1. Install the mounting arm passing the SOOW cable. Secure the mounting arm from the inside with (2) 3/8-16” bolts, lock washers and flat washers to the post. Tighten the nuts to the specified torque: 18 ft-lbs.
  2.  Fold fixture wires towards the front. Slide the fixture on the mounting arm. Tighten the mounting bolts (2) 1/4’’-20 x 3/4’’ , lock washer & washer to the specified torque: 6.6 ft-lbs.
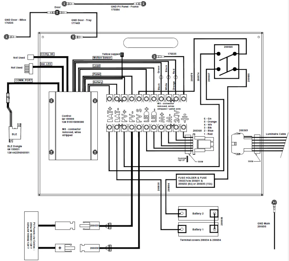
  3.  Once luminaire is installed and hardware is properly torqued, make supply wiring connections according to the appropriate wiring diagram.
  4.  Install the Arm cover using the #10-24 screw. Tighten the bolts to the specified torque: 1.5 ft-lbs.

    NOTE: Wire nuts supplied by others.

Power supply of the system

  1. Open the door and secure it with the safety arm.
    Assembly Instruction
  2.  Turn the switch to ‘’ON’’ to turn on the system
  3.  Verify that the system is operational and that the light turns on.
  4.  Once on the ground, check BLE connectivity and validate configurations using the app on your smartphone.
    Assembly Instruction

Sensor Information

Installation:

When included, the optional sensor is provided pre-wired and installed in the luminaire.

Settings and Adjustments:

There are no settings or adjustments to make.

Ambient temperature :

The temperature of the surrounding air in the coverage area will affect the sensor detection (sensitivity to detect motion). Hot air temperatures (above 89°F) will reduce the detection of the sensor and may require larger movement for detection. Cold air temperatures (below 39° F) will increase the detection of the sensor.

Sensor Height:
Sensors mounted above 20’ to 25’ will have reduced detection at the perimeter of the coverage area. Elevating the sensor higher reduces the diameter of the coverage area. Mounting the sensor lower than 20’ also reduces the diameter of the coverage area.
Sensor Height

Terrain:

The terrain within the detection area of the sensor affects the detection and coverage area. If the terrain slopes down away from the sensor, the detection withing the depressed area will be reduced. If the terrain slopes up away from the sensor, the coverage area will be reduced in size.

Moving objects such as tree branches within the coverage area can produce false triggering of the sensor.

Air vents such as heat pumps and air conditioning units within or near the coverage area can produce false triggering of the sensor.

Electrical diagram
Electrical diagram

©2021 Signify Holding. All rights reserved. This document may be subject to change No representation or warranty as to the accuracy or completeness of the information included herein is given and any liability for any action in reliance thereon is disclaimed. All trademarks are owned by Signify Holding or their respective owners.

Signify North America Corporation
400 Crossing Blvd Suite 600
Bridgewater Township, NJ 08807
Telephone 732-563-3000

Signify Canada Ltd.
281 Hillmount Road.
Markham, ON, Canada LEC 253
Telephone 800-668-9008

Leave a Comment