Contents
SM7B
Cardioid Dynamic Vocal Microphone
General Description
The Model SM7B dynamic microphone has a smooth, flat, wide-range frequency response appropriate for music and speech in all professional audio applications. It features excellent shielding against electromagnetic hum generated by computer monitors, neon lights, and other electrical devices. In addition to its standard windscreen, it also includes the A7WS windscreen for close-talk applications.
The SM7B is an outstanding choice for the following applications:
- Recording Studio—Instrumental and Vocal
- Location Recording
- Motion Picture and Television Scoring
- Television, Talk Shows, and News Desks
- Radio Announcing and Production
- Narration
Mounting Instructions
The SM7B can be mounted on a microphone stand or hung from a boom. It is shipped in the boom mounting configuration. To set up the SM7B in the microphone stand mounting configuration, proceed as follows:
- Remove tightening nuts on the sides.
- Remove the fitted washers, the lock washers, the outer brass washers, and the brass sleeves.
- Slide the bracket off the microphone. Be careful not to lose the washers still on the microphone.
- Invert and rotate the bracket. Slide it back onto the bolts over the brass and plastic washers still on the microphone. The bracket should fit so the XLR connector faces the rear of the microphone, and the Shure logo on the back of the microphone is right-side up.
- Replace the brass sleeves. Be sure they are seated properly within the inner washers.
- Replace the outer brass washers, the lock washers and the fitted washers.
- Replace the tightening nuts and tighten the microphone at the desired angle.
 NOTE: If the tightening nuts do not hold the microphone in position, one or both of the brass sleeves may not be properly seated within all the washers.

Boom and Microphone Stand Mounting Configuration

MOUNTING ASSEMBLY – EXPLODED VIEW
Windscreen
Use the standard windscreen for general voice and instrumental applications. Use the supplied A7WS windscreen for close-talk applications, such as voice overs or radio announcements, as it offers maximum protection from plosive breath noise and creates a warmer, more intimate sound.

To install the A7WS, follow these instructions:
- To avoid tearing the windscreen during removal, grip it from the plastic ring and the base and remove by gently pulling and twisting.
- If desired, adhere the supplied velcro strips around the microphone grille, approximately one inch from the base of the grille (as shown) to hold new windscreen in place.
- Install the A7WS windscreen by stretching over the velcro strips, then squeezing at the base of the windscreen to adhere to the velcro. No velcro strip inside the windscreen is needed, as the windscreen itself adheres to the velcro. To remove, grip at the base of the windscreen and pull while twisting.
Specifications
Type
Dynamic (moving coil)
Frequency Response
50 to 20,000 Hz
Polar Pattern
Cardioid
Output Impedance
150 Ω
Sensitivity
(@ 1 kHz, open circuit voltage)
-59 dBV/Pa [1](1.12 mV)
Hum Pickup
(typical, at 60 Hz, equivalent SPL/mOe)
11 dB
Polarity
Positive pressure on diaphragm produces positive voltage on pin 2 with respect to pin 3
Net Weight
0.764 kg (1.69 lbs)
Housing
Dark gray enamel aluminum and steel case with dark gray foam windscreen.
[1]1 Pa=94 dB SPL[1]1 Pa=94 dB SPL

Typical Frequency Response

Typical Polar Pattern

Internal Connections

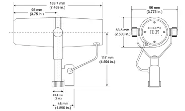
Overall Dimensions
Accessories
Furnished Accessories

Optional Accessories

Replacement Parts

Shure SM7B Cardioid Dynamic Vocal Microphone User Manual – Optimized PDF
Shure SM7B Cardioid Dynamic Vocal Microphone User Manual – Original PDF
