Contents
SEBSON IR_WAL_C Indoor PIR Sensor Light Switch

Product Information
Thank you for choosing a product of SEBSON. Please read the instructions carefully and keep them for looking up before start-up this product. A long and failure-free operation can only be guaranteed if the installation and start-up is done properly.
Before starting up this product, please check for external damage. In case of visible external damage we immediately dis-advise the start-up of this product!
Please remove all packaging material of this product before the first start-up an and check the content for completeness!

Intended use:
This SEBSON motion detector has an IR sensor that detects the heat radiation of moving objects and activates e.g. a connected light.
Scope of delivery:
- 1 motion detector
Specifications
- Operating Voltage: 220 – 240V AC 50Hz
- Maximum Power Consumption: Max. 1,200W (for connected device), Max. 500W (for the motion sensor itself)
- Protection Type: IP20
- Protection Class: Class II
- Motion Detection Speed:
- Operating Temperature:
- Humidity:
Product Usage Instructions
General Safety Instructions:
- Danger: Have the installation of this product carried out by a professional in accordance with the applicable electrical and safety regulations.
- Caution: Keep this product away from children and animals! The contents of the packaging can pose a choking hazard.
- Danger: The installation of this product may be done only by a qualified person according the valid regulations for electrical installation!
In case of damages or contact with water turn off this product immediately without tension and make sure that a restart is no longer possible!
Danger of suffocation: Please keep this product away from children and animals. The packaging contains small parts that can be swallowed!
Caution: Avoid overloading the device, an overload can damage the device or cause a short circuit! Therefore, please note the maximum power consumption in the technical data!
- The remodeling of this product is not allowed! The proper and safe functioning of the device can no longer be guaranteed if it is modified! In addition, this will invalidate the warranty claim!
- The manufacture does not accept any responsibility for injuries or damage resulting from improper use of this product!
- Any other use than the description may result in damage to the product. So the dangers are such as electric shock, short circuit, fire etc.
- We reserve the right to make changes to the product, the packaging or the operating instructions as well as printing errors.
- This product is only suited for indoor-use and not for outdoor-use!
- Protect the product from external damage, heavy dirt, moisture and excessive heat!
- In order that the warranty claim does not expire please use only the supplied items. Repairs may only be done by an expert and only by using original spare parts!
- In commercial institutions, the accident prevention regulations of the professional trade association for electrical equipment and facilities must be adhered to.
Instruction for installation

Danger: Before installing please make sure that the circuit is interrupted! For installation, the work on the mains voltage is required. Please remove the associated mains fuse or deactivate the switch fuse! Check by using a voltage tester if the line is de-energized. Make sure that the current circuit will not closed during the installation!
- The installation of this product may be done only by a qualified person according the valid regulations for electrical installation!
Attention: Before drilling the mounting holes, make sure that there are no gas, electricity or water pipes at the drilling location that could be damaged by this!
- Please observe the safety instructions and technical data before installing this product!
- Note on installation:
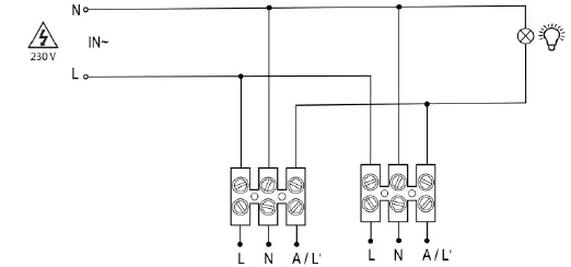
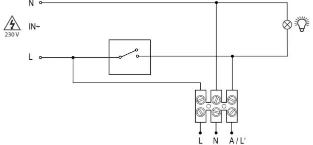
- L: Live wire (black or brown)
- N: Neutral conductor (blue or grey)
- This device is only suitable for wall mounting!
- For optimum range, select the mounting height recommended in the “Technical Data”.
- 2 units in a parallel connection

- Permanent switch-on of a connected device with an additional switch connected in parallel

To ensure optimum sensitivity of the sensor, install the device in the room in such a way that the movements are transversely to the device. Movements that are directly to and from the device are less well detected.

The following environments or surfaces are not suitable for mounting, as they may impair the detection of thermal radiation

- Metal surfaces e.g. metal door frames
- In the immediate vicinity of electronic devices such as computers, monitors etc
- Heat sources e.g. radiant heaters, radiators or lamps
- In the vicinity of e.g. fume cupboards or fans
- Within the radiation range of luminaires (minimum distance from luminaires >50cm)
Function of the Motion Sensor:
The motion sensor detects movement within its range and can be used to control connected devices. The sensor integrated in this device detects heat radiation from moving bodies, e.g. people or animals, and transmits this as an electrical impulse to a connected light, for example. This device then switches itself on. The detection of heat radiation can be limited by large furniture, glass panes or very high ambient temperatures of over 40°C, for example in summer.
Disabling and activating the motion detector:
- ON: Sensor deactivated-Connected device is switched on
- OFF: Sensor deactivated- Connected device is switched off
- PIR: Motion detector is activated after 30 seconds (warm-up phase)
Detection area

The detection range of the motion detector is approx. 9m and 160° (free area) at a mounting height of 1-1,8m on the wall. In closed rooms the detection distance can be lower, according to room layout.
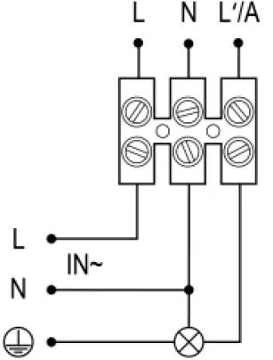
Connection of the protective conductor (PE):

When connecting a lamp with protective conductor contact, the protective conductor must be bypassed from the supply line to the lamp with the aid of an additional terminal in the in-wall socket.
Sensitivity when switching (with regard to the ambient brightness):

This setting control can be used to regulate the switch-on sensitivity of this unit depending on the ambient brightness (between 3 and 2.000 LUX).
Deactivating and Activating the Motion Sensor:
Danger: Have the installation of this product carried out by a professional in accordance with the applicable electrical and safety regulations.
Before mounting the product, make sure to read and follow the safety instructions and technical specifications.
To deactivate the motion sensor, turn the switch to “OFF”. To activate it, turn the switch to “ON” or “PIR”. When set to “PIR”, the motion sensor will be activated after a 30-second warm-up phase.
Detection Range:
The detection range of the motion sensor is indicated in Figure 3.
Connection of the Protective Earth (PE):
If a lamp with an earth contact is connected and no junction box is used, the earth wire from the power supply to the lamp must be bridged using an additional clamp in the housing of the motion sensor.
Sensitivity to Ambient Light:
The sensitivity to ambient light can be adjusted using this setting, ranging from 3 to 2000 LUX.
Time Setting (Delay in Switching Off):

The duration of the operating time can be gradually adjusted from approximately 10 seconds to 30 minutes. The timer will restart if motion is detected by the sensor before the set time has elapsed.
Function Test:

To perform a function test, ensure that the motion sensor is not covered and that the detection area is not restricted by objects such as large furniture. To set the detection range and perform the function test in daylight, rotate the knobs to the positions shown in the diagram. After a warm-up phase of approximately 30 seconds, the motion sensor will be activated. If no further motion is detected within the sensor’s detection area, the sensor will switch off.
| Technical Data: | |
| Operating voltage: | 220 -240V AC 50Hz |
| Maximum power consumption: | Max. 1.200W Max. 500W |
| Electrical protection: | IP20 |
| Protection class: | II |
| Detection moving speed: | 0,6-1,5m/s |
| Ambient temperature: | -20° – +40°C |
| Humidity: | <93% |
| Possibilities of adjustments: | |
| Detection area: | Max.9m (<24°C)/160° |
| Sensitivity when switching (with regard to the ambient brightness): | <3-2.000LUX |
| Time setting (switching off delay): | Min. 10s +/- 3s – Max. 30min +/-2min |
Information for private households (WEEE)
The Electrical and Electronic Equipment Act (WEEE) contains a large number of requirements for the handling of electrical and electronic equipment. The most important ones are summarized here.
Separate collection of waste equipment
Old, worn-out or defective electrical and electronic equipment is referred to as waste equipment. These devices must not be disposed of in the normal household waste or together with the residual waste. The devices should be transferred to special collection and return systems.
Batteries and rechargeable batteries as well as illuminants
As a rule, owners of WEEE shall separate spent batteries and accumulators that are not enclosed in the WEEE, as well as light sources that can be removed from the WEEE without causing damage, from the WEEE before handing it over to a collection point. This does not apply if WEEE is prepared for reuse with the participation of a public waste management authority. Batteries or rechargeable batteries that contain harmful substances are marked with the symbol of a crossed-out dustbin and must not be disposed of in household waste. Below the dustbin symbol is the chemical name of the pollutant – in the example below “Cd” for cadmium. “Pb” stands for lead, “Hg” for mercury:
If disposed of improperly, the substances contained in the batteries may cause hazards to health and the environment. The hazards are averted by the separate collection and proper disposal of used batteries.

Options for returning old appliances
Owners of WEEE from private households can hand it in free of charge at the collection points of the public waste management authorities or at the take-back points set up by manufacturers or distributors.
Data privacy notice
Old devices often contain sensitive personal data. This applies in particular to information and telecommunications technology devices such as computers and smartphones. In your own interest, please note that each end user is responsible for deleting the data on the end-of-life devices to be disposed of.
Meaning of the “crossed-out dustbin” symbol
The symbol of a crossed-out dustbin regularly displayed on electrical and electronic equipment indicates that the respective device must be collected separately from unsorted municipal waste at the end of its service life.
Cleaning:
Danger: Before start cleaning the product interrupt the current circuit by switching off the circuit breaker or unscrew the fuse! Use a slightly moistened cloth for cleaning. In order not to damage the product, it is essential to avoid water penetrating into the housing! Never clean the device under running water! Do not use solvent-containing cleaner for cleaning.
Address :
- SEBSON
- Sebastian Sonntag
- Walter-Behrendtstr.10
- 44329 Dortmund
- Germany
- Email: [email protected]
- VAT-Nr.: GB179436663
- WEEE-Reg.-ID.: 500617
FAQ
- Q: Can I install this product myself?
A: It is recommended to have the installation carried out by a professional in accordance with electrical and safety regulations. - Q: What is the maximum power consumption for connected devices?
A: The maximum power consumption for connected devices is 1,200W. - Q: What is the maximum power consumption for the motion sensor itself?
A: The maximum power consumption for the motion sensor itself is 500W. - Q: What is the IP rating of this product?
A: This product has an IP20 rating, indicating protection against solid objects greater than 12mm and no protection against water. - Q: Can I adjust the sensitivity to ambient light?
A: Yes, the sensitivity to ambient light can be adjusted between 3 and 2000 LUX.