Contents
Schneider Electric PM5560 Power Meter

PM5560
To download user manuals and other documentation, visit www.se.com.
Type PM5560 / PM5580 / PM5650 in the search field.
Refer to the user manual when you see this icon.
For California residents only
WARNING: Cancer and Reproductive Harm www.P65Warnings.ca.gov

Note: Do not use the product if it is damaged. Contact Schneider Electric customer care representative for support (www.se.com/support).
| Commercial reference | Control power: 100 to 480 V AC ± 10% ; 125 to 250 V DC ± 20% 100 bis 480 V AC ± 10 % ; 125 bis 250 V DC ± 20 % (L1, L2) | Control power: 20 to 60 V DC ± 10% | Waveform capture |
| METSEPM5560 | √ | – | – |
| METSEPM5580 | – | √ | – |
| METSEPM5650 | √ | – | √ |
Safety precautions
DANGER
HAZARD OF ELECTRIC SHOCK, EXPLOSION, OR ARC FLASH
- Apply appropriate personal protective equipment (PPE) and follow safe electrical work practices. See NFPA 70E in the USA, CSA Z462 or applicable local standards.
- Turn off all power supplying this device and the equipment in which it is installed before working on the device or equipment.
- Always use a properly rated voltage sensing device to confirm that all power is off.
- Follow guidelines in the Wiring section (5) of this document.
- Do not exceed the device’s ratings for maximum limits.
- Do not use this device for critical control or protection applications where human or equipment safety relies on the operation of the control circuit.
- Never short the secondary of a voltage transformer (VT).
- Never open circuit a current transformer (CT).
- Always use grounded external CTs for current inputs.
- Do not use water or any liquid material to clean the product. Use a cleaning cloth to remove dirt.
If dirt cannot be removed, contact local Technical Support representative.
Failure to follow these instructions will result in death or serious injury.
Dimensions

Mounting

Wiring
Green connector



Straight-line topology only. Loop or ring topology is not supported.
![]() |
![]() |
![]() |
![]() |
|
| I1+, I1-, I2+, I2-, I3+, I3-, I4+, I4- | 0.82 – 3.31 mm2 (18 – 12 AWG) | ![]() |
(PH2) | 0.9 – 1.0 N·m (8.0 – 9.0 in·lb) |
| V1, V2, V3, VN | 0.82 – 3.31 mm2 (18 – 12 AWG) | 7 mm (0.28 in) | (M3) | 0.5 – 0.6 N·m (4.4 – 5.3 in·lb) |
| L1, L2 (PM5560 / PM5650) | ||||
| +, – [Control power (PM5580)] | ||||
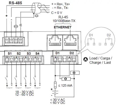
| +, -, , C [RS-485] | 0.05 – 3.31 mm2 (30 – 12 AWG) | 6 mm (0.24 in) | (M3) | |
| S1+, S1-, S2+, S2-, S3+, S3-, S4+, S4- | ||||
| D1+, D1-, D2+, D2- |
| VT | CT | N.O. switch | ||
| IEC | ![]() |
![]() |
![]() |
|
| ANSI | ![]() |
![]() |
![]() |
![]() |
Wiring
- 500 mA fuses and disconnect switch
- Shorting block
- VT primary fuses and disconnect switch
- indicates wiring for a balanced system
Clearly label the device’s disconnect circuit mechanism and install it within easy reach of the operator.
The fuses / circuit breakers must be rated for the installation voltage and sized for the available fault current.
Fuse for neutral terminal is required if the source neutral connection is not grounded.
| Maximum voltage at terminals | |||||||
![]() |
![]() |
![]() |
![]() |
![]() |
![]() |
![]() |
|
| UL | ≤ 347 VLN / 600 VLL | ≤ 347 VLN / 600 VLL | ≤ 600 VLL | ≤ 600 VLL | ≤ 600 VLL | ≤ 347 VLN | ≤ 347 VLN / 600 VLL |
| IEC | ≤ 400 VLN / 690 VLL | ≤ 400 VLN / 690 VLL | ≤ 600 VLL | ≤ 600 VLL | ≤ 690 VLL | ≤ 400 VLN | ≤ 400 VLN / 690 VLL |
1PH

3PH3W

3PH3W

Wiring
3PH4W

3PH4W

Control power
Black connector

Green connector

PM5560 / PM5650:
500 mA fuses
L1 and L2 are non-polarized. If using an AC power supply with neutral, connect neutral to the meter’s L2 terminal.
Always use a fuse on L1. Fuse L2 when connecting an ungrounded neutral to the control power.
If using a control power transformer, fuse both primary and secondary sides of the transformer.
The fuses / circuit breakers must be rated for the installation voltage and sized for the available fault current.
PM5580:
A fuses
The low-voltage DC power connections + and − are polarized.
These connections are internally reverse polarity protected.
Always use a fuse on +. Fuse – when connecting to a floating DC source.
The fuses / circuit breakers must be rated for the installation voltage and sized for the available fault current.
Terminal covers

- A Voltage terminal cover
- B Voltage terminal sealing point
- C Current terminal cover
- D Current terminal sealing points
- E Control power terminal cover
- F Control power terminal sealing point
To install terminal covers:
Note: Use steel cable with 1.6 mm (1/16 in) diameter and 152.4 mm (6 in) adjustable length for sealing.
- Install the voltage terminal cover (A) and seal it at the sealing point (B).
- Install the current terminal cover (C) and seal it at the sealing points (D).
- Install the control power terminal cover (E) and seal it at the sealing point (F).
Description

- A Voltage inputs
- B Control power
- C Ethernet ports
- D Digital outputs
- E Current inputs
- F Digital inputs
- G RS-485 comms Gasket
- H Ethernet comms LEDs
- J Maintenance and alarm notification area
- K Navigation or menu selections:
- Exit screen and go up one level
- Move cursor up the list of options
- Move cursor down and display more options
- ◀ Move cursor one character to the left
- ▶ Scroll right and display more options, or move the cursor one character to the right.
- +Show the next item in the list or increase the highlighted value
- – Show the previous item in the list
- L Alarm / energy pulsing LED
- M Heartbeat / communications LED
- N Menu selection buttons
Basic setup

Change the regional settings (if required):
- Navigate to Maint > Setup > HMI > Region.
- Use the Edit and + or – buttons to change the displayed Language, Date, Time Format or HMI mode.
To reset the meter to the default language (English), press and hold the outermost two buttons for 5 seconds.
Perform basic setup:
- Navigate to Maint > Setup > Meter > Basic.
- Edit all the meter parameters to match your power system and electrical wiring.
- Exit and save your settings.
Set up communications:
- Navigate to Maint > Setup > Comm.
- Select Serial to edit Modbus RS-485 parameters to match your network communications.
- Exit and save your settings.
To configure Ethernet, repeat above, but select Enet and edit the IP parameters according to what your network administrator has assigned for the meter.
Verification
Use the front panel buttons to navigate to the real-time data screens and verify that the meter readings are correct.
Specifications
Control power (PM5560 / PM5650)
- AC: 100 to 480 V ± 10%
- Frequency: 45 to 65 Hz
- DC: 125 to 250 V ± 20%
- AC burden:
- Max. 5.0 W / 16.0 VA / 15.2 VAR at 480 V L-N
- DC burden:
- Typical 3.1 W at 125 V DC, max. 5 W
- Installation category III Control power (PM5580)
- DC: 20 to 60 V ± 10%
- DC burden:
- Max. 4.1 W
- Installation category III Voltage inputs
- Measured voltage: 20 to 400 V L-N / 20 to 690 V L-L (Wye) or 20 to 600 V L-L (Delta)
- Frequency: 50/60 Hz ± 10%
- Permanent overload: 480 V L-N or 828 V L-L
- Impedance: 5 MΩ
- Uimp: 6 kV for 1.2 μs
- Measurement category III Current inputs
- Nominal 5 A (Class 0.2S) or 1 A (Class 0.5S)
- Measured current: 50 mA to 10 A
- Withstand: 20 A continuous, 50 A @ 10 sec/hr, 500 A @ 1 sec/hr
- Impedance: < 0.3 mΩ
- Burden: < 0.024 VA at 10 A Digital outputs
- Type: Form A
- Reference voltage: 40 V
- Maximum: 30 V AC / 60 V DC Status inputs
- Type: Externally excited
- ON state: 30 V AC / 60 V DC max
- OFF state: 0 to 4 V DC Environment
- -25 to 70 °C (-13 to 158 °F) operating temperature
- Humidity rating: 5% to 95% RH non-condensing, maximum dewpoint 37°C (99°F)
- Pollution degree 2
- Altitude: ≤ 3000 m (9843 ft)
- IP30 meter body (except connectors), IP54 front display (IEC 60529)
- For UL Type 12 applications, install meter on a flat surface of a Type 12 enclosure.
- For indoor use only.
EAC Interstate Standards
- GOST 31819.21-2012
- GOST 31819.23-2012
Representative Offices
- Authorized suppliers:
- Schneider Electric Russia Address: 12/1 Dvintsevst., 127018 Moscow, Russia
- Tel.: +7 (495) 777 99 90
- Fax: +7 (495) 777 99 92 Schneider Electric Kazakhstan
- Address: Dostyk ave 38, Ken Dala business center, Almaty, Kazakhstan A25D9D1
- Тel.: +7 (727) 357 23 57
- Fax: +7 (727) 357 24 39
Serial Number Decoding

- A Plant code
- B Model number identification code
- C Running serial number for the product
China ROHS Certificate
The “Administrative Measures for the Restriction of Hazardous Substances in Electric Appliance and Electronic Products” requires this document to be shipped with all PM5560, PM5580 and PM5650 products to the People’s Republic of China. Purchasers in other countries may disregard.
Product
| Part Name | Hazardous Substances | |||||
| (Pb) | (Hg) | (Cd) | (Cr(VI)) | (PBB) | (PBDE) | |
| Metal parts | O | O | O | O | O | O |
| Plastic parts | O | O | O | O | O | O |
| PCBA | X | O | O | O | O | O |
This table is made according to SJ/T 11364.
O: indicates that the concentration of hazardous substance in all of the homogeneous materials for this part is below the limit as stipulated in GB/T 26572.
X: indicates that concentration of hazardous substance in at least one of the homogeneous materials used for this part is above the limit as stipulated in GB/T 26572.
Notices
Read these instructions carefully and look at the equipment to become familiar with the device before trying to install, operate, service or maintain it.
Electrical equipment should be installed, operated, serviced and maintained only by qualified personnel. No responsibility is assumed by Schneider Electric for any consequences arising out of the use of this material. A qualified person is one who has skills and knowledge related to the construction, installation, and operation of electrical equipment and has received safety training to recognize and avoid the hazards involved.
Power Logic and Schneider Electric are trademarks or registered trademarks of Schneider Electric in France, the USA and other countries.
- This product must be installed, connected and used in compliance with prevailing standards and/or installation regulations.
- If this product is used in a manner not specified by the manufacturer, the protection provided by the product may be impaired.
- The safety of any system incorporating this product is the responsibility of the assembler/installer of the system.
As standards, specifications and designs change from time to time, always ask for confirmation of the information given in this publication.
Schneider Electric 35 rue Joseph Monier 92500 Rueil Malmaison France
+ 33 (0) 1 41 29 70 00
www.se.com
Schneider Electric Limited Stafford Park 5
Telford TF3 3BL
United Kingdom
GDE41422-04
© 2022 Schneider Electric. All rights reserved. 05/2022



















