Contents
PROCET PT-PSE109GBRO-D DC to DC PoE Injector

Product Information
The PT-PSE109GBRO-D is a single port industrial-rated DC to DC PoE injector manufactured by Creative Lianjie Network Technology Co.Ltd. It is enclosed in a high-impact metal shell and is designed for use with wireless access points, network cameras, routers, and other high-power Ethernet terminals. The injector provides power up to 90W (Max) for remote PDs over 4 pairs at 10/100/1000Mbps of data speed. It is compliant with the 802.3af/at/bt standard and features surge protection. The input voltage range is 50-56Vdc and it can be powered through a 2PIN terminal block or a DC jack. The effective distance is 100 meters over Cat5e/Cat6 cables. For longer distance requirements, the PT-PEX01G-OT (outdoor or indoor PoE extender) can be used.
Product Usage Instructions
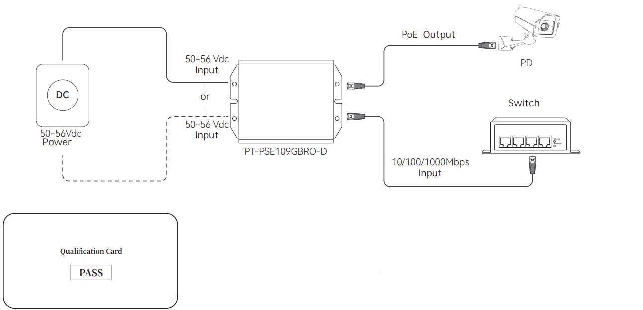
- Ensure that the PT-PSE109GBRO-D is used indoors only.
- Connect the DC power source to the injector using either the 2PIN terminal block or the DC jack.
- Connect the PoE output port of the injector to the device (wireless access point, network camera, etc.) that requires power.
- Connect the LAN port of the injector to the network switch using an Ethernet cable.
- Verify that the PD (powered device) is compatible with the 802.3af/at/bt standard and requires power within the specified range.
- Ensure that all connections are secure.
- Power on the DC power source.
- The PT-PSE109GBRO-D will provide power to the connected PD over the Ethernet cable.
- Monitor the power and network status indicators on the injector to ensure proper operation.
Note: For optimal performance and longer distance requirements, consider using the PT-PEX01G-OT PoE extender.
Declaration
Copyright ©2022Creative Lianjie Network Technology Co.Ltd All rights reserved. This document belongs to PROCET company. It is not allowed to reproduce and modify without the original author’s permission. It is PROCET’s policy to improve its products as new technology, components, software, and firmware at any time. PROCET, therefore, reserves the right to change specifications without prior notice. Please follow WEEE (Waste Electrical and Electronic Equipment) disposal instructions for old electronic products. Please do not dispose of the old product in your general household waste bin. The symbol indicates that the product should not be discarded as unsorted waste but must be sent to separate collection facilities for recovery and recycling.
Overview
PT-PSE109GBRO-D is a single port industrial-rated DC to DC PoE injector. Enclosed in a high-impact metal shell. Two types of DC input which can be powered through a 2PIN terminal block or a DC jack. The input voltage range is 50-56Vdc. PoE output port with 6KV (10/700us) surge protection, which is compliant with 802.3af/at/bt standard that provides power up to 90W(Max) for remote PDs over 4 pairs at 10/100/ 10 00Mbps of data speed.The effective distance is 100 meters over Cat5e/Cat6 cables. Working for wireless access points, network cameras, routers, and other high power Ethernet terminals. For longer distance request, our product PT-PEX01G-OT (outdoor or indoor PoE extender) can help.
Appearance

- 50-56Vdc DC port
- GND Terminal
- 50-56Vdc 2PIN port
- LAN port
- PoE port

Specification

CONNRCTION

Caution
- Connect a CAT5/5e/6 cable with the RJ45 connector into the RJ45 socket labeled PoE. On the other end of the CAT5e/6 cable, connect to your PoE Device (such as IP Cameras etc). The total Ethernet cable length can not exc eed 100 meters.
- For LAN Port at 10/100/1000Mbps, connect another CAT5/5e/6 cable with RJ45 connector to the Ethernet data transfer.
- Two types of DC input which can be powered through a 2PIN terminal block or a DC jack. Do not connect two DC inputs simultaneously.
- please read the instructions carefully and follow the sta ndard operating procedures before using.
- Please place it in a well-ventilated and dry area, and it is for indoor use only.

Creative Lianjie Network Technology Co.Ltd
www.procetpoe.com

