Contents
PROCET PoE System PT-PSE109GBRO-D PoE Injector

Product Information
The PT-PSE109GBRO-D is a single port industrial-rated DC to DC PoE injector. It is enclosed in a high-impact metal shell and has two types of DC input options: a 2PIN terminal block or a DC jack. The input voltage range is 50-56Vdc. The PoE output port provides 6KV (10/700us) surge protection and is compliant with the 802.3af/at/bt standard. It can deliver power up to 90W (Max) for remote PDs over 4 pairs at 10/100/1000Mbps of data speed. The effective distance is 100 meters over Cat5e/Cat6 cables. This product is suitable for wireless access points, network cameras, routers, and other high-power Ethernet terminals. For longer distance requirements, the PT-PEX01G-OT (outdoor or indoor PoE extender) can be used.
The product dimensions, power requirements, network protocol support, and regulatory compliance information are not provided in the given text.
Product Usage Instructions
- Connect the PoE port to the PoE-powered device (PD) such as IP Camera or Wireless APs. Refer to Figure 2-1 for the connection diagram.
- Connect either a DC port to a DC Power System with a voltage range of 50-56Vdc. The POWER LED on the unit should light up, confirming power. The ACTIVE LED will flash when there is power but no PD connected, and it will be solid when working normally with a PD.
- Ensure to use Cat5 or higher UTP/STP cables for 100Base-TX Ethernet. For 1000Base-T or 2.5GBase-T Ethernet, Cat5e or above UTP/STP cables are recommended.
- For fixing the PoE injector, follow the instructions in Figure 3-4. Use tools such as a level ruler, marking pen, craft knife, wire stripper, network pliers, impact drill, different matching drill bits, rubber hammer, cross screwdriver, wrench, ladder, etc.
- For grounding the PoE injector during construction, refer to the grounding solutions provided in Figure 3-6. If the installation is in a computer room, it can be connected to the dedicated grounding busbar in the room.
Please refer to the product’s user manual for more detailed instructions and information.
Declaration
- This document belongs to PROCET company. It is not allowed to reproduce and modify without the original author’s permission. It is PROCET’s policy t o improve its products as new technology, components, software, and firmware at any time. PROCET, therefore, reserves the right to change specifications without prior notice.Please follow WEEE (Waste Electrical and Electronic Equipment) disposal instructions for old electronic products. Please do not dispose of the old product in your general household waste bin.
- The symbol indicates that the product should not be discarded as unsorted waste but must be sent to separate collection facilities for recovery and recycling.
- Copyright©2022 Creative Lianjie Network Technology Co.Ltd All rights reserved.
Overview
- The installation Guide for PT-PSE109GBRO-D and mainly introduces the hard ware specification, installation methods, and precautions of the installation. There may be differences in the appearance and configuration from other models. All product images in this manual are for illustration purposes only and may differ from the actual product.
This manual includes the following chapters:
- Product Introduction. Including the basic functions and specification o f PT-PSE109GBRO-D, as well as the product appearance and applications introduction.
- Installatio n Introduction. Introducing the preparation work and precautions before installing the product.
- Product Installation. Two methods of product installation.
For Whom
- Network Engineers
- Network Administrators
- Field Technicians
Introduction
- PT-PSE109GBRO-D is a single port industrial-rated DC to DC PoE injector. Enclosed in a high impact metal shell. Two types of DC input which can be powered through a 2PIN terminal block or a DC jack. The input voltage range is 50-56Vdc.
PoE output port with 6KV (10/700us) surge protection, which is compliant with 802.3af/at/bt standard that provides power up to 90W(Max) for remote PDs over 4 pairs at 10/100/1000Mbps of data speed.The effective distance is 100 meters over Cat5e/Cat6 cables. Working for wireless access points, network cameras, routers, and other high power Ethernet terminals. For longer distance request, our product PT-PEX01G-OT (outdoor or indoor PoE extender) can help.
Appearance
Upper View
Side View
Front View
Specification
| Items | Description | |
| Input | 50-56Vdc 2.0A Max | |
| PoE Standard | IEEE802.3af/at/bt/PoE++ | |
| Output | 48-54Vdc 1.75A (Max 90W) | |
| Power pins | 4/5(+),7/8(-),3/6(+),1/2(-) | |
| Data Speed | 10/100/1000Mbps | |
| Work Temp. | -40℃ to 65℃ | |
| Operating
Humidity |
20%-80%,non-condensation | |
| Operating
Altitude |
Up to 2000 meters | |
| Storage
Temp. |
-20℃ to 70℃ | |
| Storage
Humidity |
10%-95%,non-condensation | |
| Network
Protocol |
IEEE802.3/IEEE802.3u/IEEE802.3ab | |
| Media
Support |
10/100/1000BASE-TX Cat5 or above UTP (328 feets) | |
|
PoE Surge Protection |
Protected line:1,2,3,4,5,6,7,8 | |
| Common mode surge protection(10/700us): 6kV | ||
| Differential mode surge protection (10/700us): 1.5KV | ||
| Regulatory
Compliance |
CE FCC | |
| IP Rated | IP40 | |
| Dimensions | 98.5mm×70.27mm×29.7mm (192.1g) | |
|
LED |
PWR | Power Indicator |
| Active | PoE Power Indicator | |
| FCC | FCC Part 15 Subprt B | |
| CE | EN 55032:2015/A11:2020 | |
| EN 55035:2017/A11:2020 | ||
Installation Preparation
Package contents
Open the box of the PT-PSE109GBRO-D and carefully unpack it, the box should contain the following items:
Installation toolkit
These tools may be needed during equipment installation and should be prepared by yourself: level ruler, marking pen, craft knife, wire stripper, network pliers, impact drill, different matching drillbits, rubber hammer, cross screwdriver, wrench, ladder, etc.
Inspection
- Connect the device to a DC Power System and check the PWR LED to ensure proper function before installation.
- Connect the PoE port to the PoE-powered device(PD). Such as the IP Cameras or Wireless APs.
- As shown in Figure 2-1
Caution:
- Please use PoE powered device(PD) that complies with IEEE802.3af/at/bt/PoE++ to connect this product.

- Connect either a DC port to a DC Power System with the 50-56Vdc. The unit’s POWER LED should now light up, confirming power. The unit’s ACTIVE LED flashes which means have power not connect to PD or connect to PD and make the PoE identification handshake wit h IEEE802.3af/at/PoE+ PDs.
- The unit’s ACTIVE LED is solid light which means normal work with the PD.
Caution:
- We recommend to use Cat5 or higher UTP/STP cables for 100Base-TX Ethernet.
- We recommend to use Cat5e or above UTP/STP cables for 1000Base-T or 2.5GBase-T Ethernet.
- To ensure better lightning protection for outdoor PD, it is recommended to use PROCET Ethernet surge protection products. For more info rmation, please visit https://www.procetpoe.com
Installation
- This product is safe to use for slot-fasten-mounted and wall-mounted installation.
Wall mounting
- The device will be fixed on the wall with screws into the poles, and the hole diameter should be between 8mm to 10mm.
- Mark the screw hole positions with marking pens.
- As shown in 3-1.

- Drill an 8mm diameter hole at the marked position and fix the expansion bolt into the hole by hitting it with a rubber hammer.
- Fix the product with screws and tighten them into the expansion bolts.
- As showed in 3-2.

- Caution in the drilling process
- Keep the drill bit perpendicular to the wall surface, hold the drill handle tightly with both hands, and maintain a steady direction to avoid shaking and damaging the wall or causing the hole to tilt.
- If the wall is too hard and smooth for the drillbit to locate, use a center punch to make an indentation at the hole position to help guide the drillbit.
- The depth of each hole should be consistent.

Slot-fasten mounting
- Use the slot-fasten mounting to fix the product on the wall with screws.
- oosen the screws and put the product slot into the screw.
- As showed in 3-4.

- Make sure the slot is fixed to the screws tightly and tighten the screws.
- As showed in 3-5.

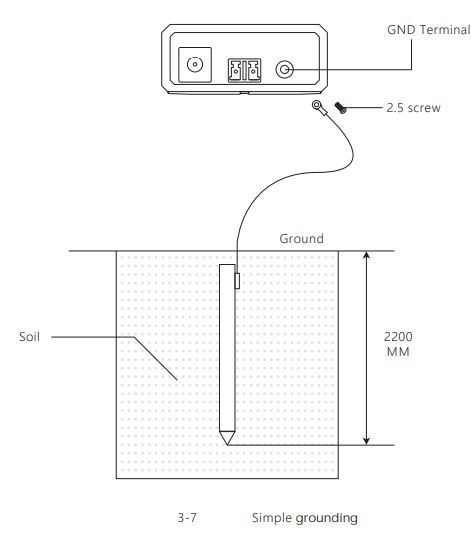
Grounding
- PROCET PoE injector PT-PSE109GBRO-D has the following grounding solutions for reference during construction:
- If the installation is in the computer room, it can be connected to the dedicated grounding busbar in the room. The grounding busbar is a connecting conductor between the grounding bodies of the building, such as flat iron, flat steel, nanomaterial conductors, copper -clad steel, etc. Pls refer to the figure 3-6.

- For the safety of personnel and equipment in an environment without dedicated grounding equipment, a simple grounding device can be constructed as follows:
- a. Prepare a 6mm 2 grounding wire or a braided soft copper wire.
- b. Prepare a copper tube or angleiron, or other metal tube, bury it underground to a depth of one meter or more as a grounding electrode.
- c. Use the grounding wire to connect the external grounding terminal of the product to the metal tube.(or angle iron)
Caution:
- Use a galvanized metal pipe buried underground at a depth of one meter or more, such as a water or sew age pipe , as an emergency grounding if no other grounding environment is available.

Inspection
- Inspect the installed equipment before putting it into operation
- Make sure the PD is compliant with our product.
- Make sure the Ethernet cable connection is correct.
- Make sure all connections are correct, and turn on the power, inspect all the indicators.
- Creative Lianjie Network Technology Co.Ltd www.procetpoe.com.

