Contents
Pride Mobility BA400 Mobility Pride Provider

SAFETY GUIDELINES
WARNING! An authorized dealer or qualified technician must perform the initial setup of this vehicle and must perform all of the procedures in this manual.
The symbols below are used throughout this owner’s manual and on the vehicle to identify warnings and important information. It is very important for you to read them and understand them completely.
WARNING! Indicates a potentially hazardous condition/situation. Failure to follow designated procedures can cause either personal injury, component damage, or malfunction. On the product, this icon is represented as a black symbol on a yellow triangle with a black border.
MANDATORY! These actions should be performed as specified. Failure to perform mandatory actions can cause personal injury and/or equipment damage. On the product, this icon is represented as a white symbol on a blue dot with a white border.
PROHIBITED! These actions are prohibited. These actions should not be performed at any time or in any circumstances. Performing a prohibited action can cause personal injury and/or equipment damage. On the product, this icon is represented as a black symbol with a red circle and red slash.
INTENDED USE
The intended use of this Pride Mobility Products product is to provide assistance to persons with limited mobility who have the capacity to operate a motorized vehicle.
Please fill out the following information for quick reference:
- Dealer: Address:
- Phone Number:
- Purchase Date:
- Serial Number:
NOTE: This owner’s manual is compiled from the latest specifications and product information available at the time of publication. We reserve the right to make changes as they become necessary. Any changes to our products may cause slight variations between the illustrations and explanations in this manual and the product you have purchased. The latest/current version of this manual is available on our website.
NOTE: This product is compliant with WEEE, RoHS, and REACH directives and requirements.
NOTE: This product meets IPX4 classification (IEC 60529).
NOTE: The vehicle and its components are not made with natural rubber latex. Consult with the manufacturer regarding any after-market accessories.
NOTE: This product is not a medical product and is not intended to assist, treat, diagnose or alleviate any medical condition or disability.
WARNING! Avoid abrupt maneuvers at excessive speed. It is recommended that you operate the vehicle at the slowest speed until you become familiar with vehicle controls and operation.
SAFETY
PRODUCT SAFETY SYMBOLS
The symbols below are used on the vehicle to identify warnings, mandatory actions, and prohibited actions.
It is very important for you to read and understand them completely.
NOTE: There are more warnings identified and explained in the Consumer Safety Guide that is included with your vehicle.
Please become familiar with all the warnings and safety information found in the Consumer Safety Guide and refer to this resource often.
Read and follow the information in the owner’s manual.
Indicates UNOCCUPIED vehicle securement points.
Vehicle information label
Manufactured in
Does not meet ISO 7176-19 standards for occupied transport in a motor vehicle. When travelling in a motor vehicle, do not sit in your vehicle.
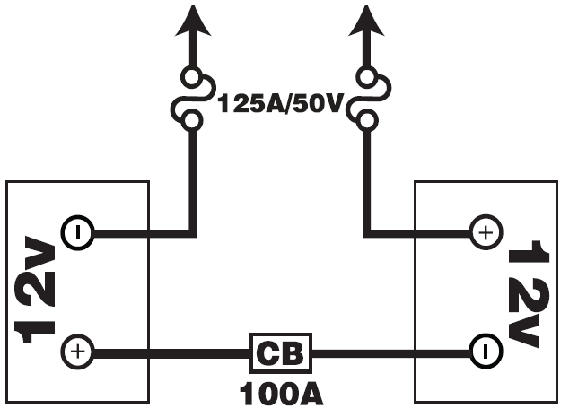
Battery Set Configuration:
- + = Positive (Red) Terminal Post
- – = Negative (Black) Terminal Post
- Connect Red wires to Red Positive (+) Terminal Posts.
- Connect Black wire to Black Negative (-) Terminal Posts.
Fully charge batteries before operating.- Remove key from an unattended vehicle.
Wear head protection
GENERAL
MANDATORY! Do not operate your new vehicle for the first time without completely reading and understanding this owner’s manual and the Consumer Safety Guide.
Your vehicle is a state-of-the-art product.
We provide an extensive variety of products to best fi t the individual needs of the vehicle user.
There are certain situations where the vehicle user will need to practice operating the vehicle.
As you begin using your vehicle during daily activities, you will probably encounter situations in which you will need some practice.
Simply take your time and you will soon be in full and confident control as you maneuver through doorways, on and off elevators, up and down ramps, and over moderate terrain.
Additional general information can be found on the supplemental information sheets and booklets included in your Owner’s Package.
Please fully read and review the information, and keep it readily available for future reference.
Below are some precautions, tips and other safety considerations that will help you become accustomed to operating the vehicle safely.
PRE-RIDE SAFETY CHECK
Get to know the feel of your vehicle and its capabilities.
We recommend that you perform a safety check before each use to make sure your vehicle operates smoothly and safely.
Perform the following inspections prior to using your vehicle:
- Check the condition of the tires. Make sure they are not damaged or excessively worn.
- Check all electrical connections. Make sure they are tight and not corroded.
- Check all harness connections. Make sure they are secured properly.
- Check the brakes to ensure they operate properly.
- Check the battery condition meter to ensure the batteries are fully charged.
- Ensure the manual freewheel lever is in drive mode before sitting on the vehicle.
If you discover a problem, contact your authorized dealer for assistance. Please refer to the Contact Information insert in your Owner’s Package.
BRAKING INFORMATION
Your vehicle is equipped with these powerful brake systems:
- Regenerative: Uses electricity to rapidly slow the vehicle when the throttle control lever returns to the center/stop position.
- Disc Park Brake: Activates mechanically after regenerative braking slows the vehicle to near stop or when power is removed from the system for any reason.
- Handbrake: This lever provides you with emergency stopping power. See II. “Your Vehicle.”
HANDBRAKE LEVER
The handbrake lever contains hydraulic fluid.
When the lever is depressed, the fluid is pushed through the brake line to engage the brake pads against the brake discs.
The handbrake lever is a completely sealed unit, meaning that the hydraulic fluid should not leak; however, there are certain safety measures that should be taken if the handbrake lever becomes cracked or damaged.
- Do not touch spilled material unless wearing protective equipment, such as safety goggles and gloves.
- For small spills, cover the material with dry earth, sand or other non-combustible absorbent material. Once absorbed, enclose the material in a plastic bag and contact your local waste disposal agency for proper disposal measures. Do not expose the material to waterways or sewers.
- If the eyes are exposed, check for and remove contact lenses. Flush eyes with cool, clean, low-pressure water while occasionally lifting and lowering the eyelids. Seek medical attention if excessive tearing, redness or pain persists.
- If the skin is exposed, remove all contaminated clothing. Wipe off excess material and wash exposed skin with soap and water. Seek medical attention if skin appears damaged or if irritation persists. Thoroughly clean contaminated clothing before reuse. Discard contaminated leather goods.
- If ingested, do not induce vomiting or give anything to drink unless directed to by a physician. Never give anything by mouth to a person who is not fully conscious. Seek medical attention immediately.
- If inhaled, move the affected individual to fresh air. If the affected individual is not breathing, immediately begin rescue breathing. If breathing is difficult, 100% humidified oxygen should be administered by a qualified individual. Seek medical attention immediately and keep the affected individual warm and at rest.
- If ignited, use dry chemical, foam, carbon dioxide or water fog to extinguish.
WARNING! Do not modify the handbrake lever or attempt to replace the hydraulic fluid.
If damage occurs, follow the safety information in this section and contact your authorized dealer for handbrake replacement.
The hydraulic handbrake should only be serviced or replaced by your authorized dealer.
WARNING! The handbrake contains hydraulic fluid that can cause mild skin, eye and nasal/bronchial irritation.
Do not attempt to adjust or service the handbrake without proper protective equipment such as safety goggles and gloves and wash hands after handling.
YOUR VEHICLE
TILLER CONSOLE
The tiller console houses all of the controls needed to drive your vehicle, including the LCD control panel, handbrake lever, tiller adjustment lever, and the throttle control lever. See figure 1.
PROHIBITED! Do not expose the tiller console to moisture. In the event that the tiller console does become exposed to moisture, do not attempt to operate your vehicle until the tiller console has dried thoroughly.
IDENTIFICATION KEY
- HORN BUTTON
- SPEED ADJUSTMENT (INCREASE)
- SPEED ADJUSTMENT (DECREASE)
- TURN SIGNAL BUTTONS
- THROTTLE CONTROL LEVER
- HI-LOW SWITCH
- LIGHTS BUTTON
- MIRROR AND MIRROR PLUGS
- HANDBRAKE LEVER
- MODE BUTTON
- HAZARD LIGHTS BUTTON
- SET BUTTON
- LCD SCREEN
- TILLER ADJUSTMENT LEVER

Figure 1. Tiller Console
Horn Buttons
These buttons activate a warning horn. Your vehicle must be powered up for the horn to be operational. Do not hesitate to use the warning horn when doing so may prevent accident or injury.
Speed Adjustment Buttons
These adjustment buttons enable you to pre-select and limit your vehicle’s speed. This is indicated by the maximum speed indicator on the LCD screen.
- Press the image of the tortoise to decrease the speed of the vehicle.
- Press the image of the hare to increase the speed of the vehicle.
Turn Signal Buttons
- Press the appropriate turn signal button once to activate it. The turn signal will fl ash on the LCD screen.
- Press the same signal button to turn it off .
Throttle Control Lever
This lever allows you to control the forward speed and the reverse speed of your vehicle up to the maximum speed you preset with the speed adjustment. A throttle control lever is located on the underside of the left and right side of the tiller handle. See fi gure 1.
To use throttle control lever:
To move Forward, use either of the following:
- Use your left thumb to push the left side of the throttle control lever.
- Use your right hand fingers to pull back on the right side of the throttle control lever.
To move Rearward, use either of the following:
- Use your right thumb to push the right side of the throttle control lever.
- Use your left hand fingers to pull back on the left side of the throttle control lever.
Release the throttle control lever and allow your vehicle to come to a complete stop before engaging the other side of the lever. When the throttle control lever is completely released, it automatically returns to the center “stop” position and engages your vehicle’s brakes.
High-Low Button
This button toggles the vehicle’s speed between HIGH and LOW.
- Press the High-Low button once to set the speed adjustment to high. The High-Low indicator will display on the LCD screen. See fi gure 1. Using this setting in conjunction with the speed adjustment buttons will allow the vehicle to achieve speeds up to the maximum preprogrammed speed for the vehicle.
- Press the High-Low button again to set the speed adjustment to Low. The High-Low indicator will not display on the LCD screen. Using this setting in conjunction with the speed adjustment buttons will allow the vehicle to achieve speeds up to the half the maximum preprogrammed speed for the vehicle.
Lights Switch
This switch controls your vehicle’s lighting system.
- Press the lights button once to activate the lighting system. The light symbol will be shown on the LCD screen.
- Press the lights button again to turn the lighting system off .
WARNING! Vehicle users are required to use their lights when visibility is restricted—day or night.
Hazard Lights Button
This button activates the 4-way yellow flashers on your vehicle.
- Press the button once to turn on the flashers.
- Press the button again to turn off the flashers.
NOTE: The 4-way flashers will fl ash and a warning beep will sound as long as the hazard lights are on. See fi gure 6 for volume control.
Tiller Adjustment Lever
For information on positioning and adjusting your tiller, see V. “Comfort Adjustments.”
Mirror Positioning and Adjustment
For information on positioning and adjusting your mirror, see V. “Comfort Adjustments.”
LCD Screen and control panel settings
The LCD control panel offers easily intuited feedback information via the LCD screen. See figure 1. The LCD screen is also used during the set-up (activation) of the various control panel settings.
Handbrake Lever
This lever provides you with emergency stopping power. When in motion, release the throttle control lever and gently squeeze the handbrake lever to come to a stop. Handbrake effectiveness can be modified by tightening or loosening the setscrew located on the handbrake lever. See figure 2.
WARNING! The handbrake is intended for use as a supplemental braking system only.
IDENTIFICATION KEY
- HANDBRAKE LEVER
- SETSCREW

Mode Button
Use the mode button to scroll between the odometer, tropometer, temperature, and clock.
Off-board Charger Port
The off -board charger power cord plugs into this port during battery charging. The off -board charger port is located on the tiller.
Key Switch
- Insert the key into the key switch and turn it clockwise to power up (turn on) your vehicle.
- Turn the key counter clockwise to power down (turn off ) your vehicle.
WARNING! If the key is turned to the “off” position while your vehicle is in motion, the electronic brakes will engage and your vehicle will come to an abrupt stop!
IDENTIFICATION KEY
- KEY SWITCH
- OFF-BOARD CHARGER PORT
- TILLER CONSOLE FUSES

Electrical System Fuses
Your vehicle is equipped with a series of electrical system fuses, which help protect the off -board charging system, key switch and lighting system from receiving an overload of electrical current. These fuses are the same type used in automobiles and are located in a compartment on the tiller.
NOTE: Keep all electrical areas clean and free of moisture and foreign material.
IDENTIFICATION KEY
- OFF-BOARD CHARGER PORT
- USB PORT
- KEY FUSE
- BATTERY FUSE

LCD SCREEN AND CONTROL PANEL SETTINGS
The LCD control panel offers easily intuited feedback information via the LCD screen. See figure 5.
The LCD screen is also used during the set-up (activation) of the various control panel settings. See chart 1.
IDENTIFICATION KEY
- BATTERY CONDITION INDICATOR
- LIGHTS INDICATOR
- SPEED/ERROR CODE/VOLUME
- HI-LOW INDICATOR
- UNIT INDICATOR
- MAXIMUM SPEED INDICATOR
- RIGHT TURN INDICATOR
- AM/PM
- CLOCK
- TEMPERATURE
- DISTANCE/TIME/TEMP/ERROR MESSAGE
- TRIPOMETER
- ODOMETER
- LEFT TURN INDICATOR

Figure 5. LCD Screen
NOTE: To program control panel settings, Hi-Low Indicator must be switched off , and Maximum Speed Indicator must be set to full. See figure 1.
SETTING INFORMATION CHART
| SETTING | CODE | INFORMATION |
| Odometer | ODO | Measures mph, km/h, and hours of use. Also displays total distance traveled over life of vehicle. (Cannot be reset.) |
| Tropometer | TRIP | Displays trip distance traveled. (Can be reset to “0”.) |
| Temperature | TEMP | Displays current temperature in °F or °C. |
| Clock | ![]() |
Displays time in 12-hour (AM/PM) or 24-hour. |
Chart 1. LCD Control Panel Information
Press MODE until the setting you want to change appears on the LED screen.
Then, press and hold SET and MODE until the setting blinks, then follow the steps corresponding to your setting in chart 2.
| ODO TRIP TEMP | ||||||||
| Operation | Press Mode | Press MODE for 2 seconds then release | Press Mode | Press MODE (hour digits flash) | ||||
| Selection | Use SET to select option | Press and hold SET until option resets to 0.0 | Use SET to choose °F or °C | Use SET to change hours. Alternate pressing MODE and SET to change minutes and AM/PM. | ||||
| Exit | Pres ![]() |
or![]() |
Press![]() |
or![]() |
Press![]() |
or![]() |
Press![]() |
or![]() |
Chart 2. LCD Control Panel Information
Battery Charging Mode
During battery charging, the console will display the clock and the battery condition indicator.
Battery Condition Indicator
When the key is turned to the “on” position, this LED indicator gives an approximate reading of battery strength. When the vehicle’s battery voltage reaches a low enough level, a warning beep will sound once, indicating the batteries need charging. The warning beep will not sound again until the vehicle is restarted or the throttle control lever is pressed.
Maximum Speed Indicator LED
The maximum speed indicator displays the maximum speed selected with the speed adjustment buttons. The more bars that are lit, the faster the speed. The maximum vehicle speed will be determined by the HIGH-LOW setting, which limits the maximum speed to half when set to LOW. The actual travel speed will be shown in the speed display on the LCD screen.
Volume Control
The volume of the hazard lights, horn, low voltage, turn signals, and error message can be turned on or off separately. See figure 6.
To set the volume on or off :
- Ensure the key is in the “off ” position.
- Press the appropriate two buttons simultaneously (see chart 3), and turn the key to the “on” position.
- Once the volume control screen appears, release the buttons.
- Press the rabbit button or the tortoise button to cycle through modes (0-3 indicates off and 4 indicates on).
NOTE: The horn may be turned on or off . In Set 2, volume control must be set at 4 for the horn to operate. - To exit, press any button except the rabbit or tortoise.
NOTE: The error message language option is set the same way as the volume.
IDENTIFICATION KEY
- VOLUME/LANGUAGE OPTION
- FUNCTION INDICATOR

Figure 6. Volume Control Display
| FUNCTION | BUTTONS | FUNCTION INDICATOR |
| Hazard Lights | SET + HAZARD LIGHTS | SET 1 |
| Horn | SET + HORN | SET 2 |
| Low Voltage | SET + LEFT TURN INDICATOR | SET 3 |
| Turn Signals | SET + RIGHT TURN INDICATOR | SET 4 |
| Error Message Language Option | SET + LIGHTS | SET 5
6 – Spanish 5 – Italian 4 – French 3 – German 2 – Dutch 1 – English 0 – Close |
Chart 3. Volume Control Information
REAR COMPONENTS
The manual freewheel lever, anti-tip wheels, motor/transaxle assembly, and optional safety flag brackets are located on your vehicle as shown.
See figure 7. Although not shown, the batteries and main circuit breaker (reset button) are also located on the rear component section of your vehicle.
WARNING! Before placing your vehicle into or taking it out of freewheel mode, remove the key from the key switch.
Never sit on a vehicle when it is in freewheel mode. Never put a vehicle in freewheel mode on any incline.
Manual Freewheel Lever
Whenever you need or want to push your vehicle for short distances, you can put it in freewheel mode.
- Remove the key from the key switch.
- Push down on the manual freewheel lever to disable the drive system and the brake system. This will enable you to push the vehicle.
NOTE: If your vehicle is equipped with a 2-position manual freewheel lever, you must pull up on the lever and then push forward on the manual freewheel lever to disable the drive system and the brake system. This will enable you to push the vehicle. - Pull up on the manual freewheel lever to reengage the drive and the brake systems and take your vehicle out of freewheel mode.
IDENTIFICATION KEY
- MANUAL FREEWHEEL LEVER
- MOTOR/TRANSAXLE ASSEMBLY

WARNING! When your vehicle is in freewheel mode, the braking system is disengaged.
- Disengage the drive motors only on a level surface.
- Ensure the key is removed from the key switch.
- Stand to the side of the vehicle to engage or disengage freewheel mode. Never sit on a vehicle to do this.
- After you have finished pushing your vehicle, always return it to the drive mode to lock the brakes.
NOTE: If the vehicle is placed in freewheel mode (manual freewheel lever forward) while the key is in the “on” position, the vehicle will not run until the manual freewheel lever is pushed rearward and the key is turned to the “off ” position, then back to the “on” position.
Motor/Transaxle Assembly
The motor/transaxle assembly is an electromechanical unit that converts electrical energy from your vehicle’s batteries into the controlled mechanical energy that drives the vehicle’s wheels.
Batteries
The batteries store electrical energy that powers your vehicle. See III. “Batteries and Charging ” for information on how to charge your vehicle batteries.
Back-Up Sensor
Your vehicle is equipped with an automatic backup sensor and reverse light to alert you of objects that may be behind you.
When the vehicle is driven in the reverse direction and a solid obstacle such as a wall is detected, an audible tone is emitted alerting you to the presence of a detected object.
This feature can be turned off using the switch located on the backup sensor module on the rear of your vehicle.
WARNING! The back up sensor should not take the place of looking behind you prior to and while driving in a reverse direction.
The sensors may not detect objects that are moving, or ones with poor reflective properties such as persons, pets or shrubbery.
- To ensure reliable operation, keep the sensor free of dirt, mud, and water.
- If exposed to water, allow sensor to dry before using.
- If sensor screens become covered with dust, debris, or water, wipe with a dry cloth prior to use.
Main Circuit Breaker (Reset Button)
When the voltage in the batteries becomes low or your vehicle is heavily strained because of excessive loads, the main circuit breaker may trip to protect the motor and electronics from damage.
When the breaker trips, the entire electrical system shuts down. See figure 8.
- The reset button pops out when the breaker trips.
- Allow a minute or so for the electronics to “rest.”
- Push in the reset button to reset the breaker.
- If the breaker trips frequently, you may need to charge the batteries more often.
- If the main circuit breaker trips repeatedly, see your authorized dealer for service.
IDENTIFICATION KEY
- RESET LEVER
- MANUAL SHUT-OFF BUTTON

NOTICE: If you are preparing the vehicle for transport or service, or if there is a situation that requires you to manually shut down the electrical system, press the manual shut-off button on the circuit breaker. This will cut all power to the vehicle.
SECURING THE VEHICLE
Always secure the vehicle in a forward-facing position in the motor vehicle. Attach the four tie-down straps to the designated securement points. See figures 9. Tighten the straps to sufficiently remove all slack. Never attach tie-downs to adjustable, moving or removable parts of the vehicle such as armrests, shrouds and wheels. These items should be removed. Position the anchor points for the rear tie-down straps directly behind the rear securement points on the vehicle. The front tie-down straps should anchor to floor points that are spaced wider than the vehicle to provide increased lateral stability.
WARNING! Ensure vehicles are properly secured to the motor vehicle during transport.
Vehicles that are not properly secured can become a hazard to the user and to other motor vehicle passengers in the event of a crash, sudden stopping, or swerving, as the vehicle could tip or slide out of place.
Do not secure a vehicle by any of its removable parts such as armrests, seat, basket, accessory brackets, etc.
IDENTIFICATION KEY
- FRONT SECUREMENT POINTS
- REAR SECUREMENT POINTS

BATTERIES AND CHARGING
BATTERIES AND CHARGING
Your vehicle requires two long-lasting, 12-volt, deep-cycle batteries that are sealed and maintenance-free.
They are recharged by an off -board charging system.
- Charge your vehicle’s batteries for at least 8 to 14 hours prior to using it for the first time.
- Keep the batteries fully charged to keep your vehicle running smoothly.
READING YOUR BATTERY VOLTAGE
The battery condition LED on the tiller console indicates the approximate strength of your batteries. To ensure the highest accuracy, the battery condition LED should be checked while operating your vehicle at full speed on a dry, level surface. See figure 10.
IDENTIFICATION KEY
- BATTERY CONDITION LED

CHARGING YOUR BATTERIES
PROHIBITED! Removal of grounding prong can create electrical hazard. If necessary, properly install an approved 3-pronged adapter to an electrical outlet having 2-pronged plug access.
PROHIBITED! Never use an extension cord to plug in your battery charger. Plug the charger directly into a properly wired standard electrical outlet.
PROHIBITED! Do not allow unsupervised children to play near the vehicle while the batteries are charging. We recommend that you do not charge the batteries while the vehicle is occupied.
MANDATORY! Read the battery charging instructions in this manual and in the manual supplied with the battery charger before charging the batteries.
WARNING! Explosive gases may be generated while charging the batteries. Keep the vehicle and battery charger away from sources of ignition such as flames or sparks and provide adequate ventilation when charging the batteries.- WARNING! You must recharge your vehicle’s batteries with the supplied off-board charger. Do not use an automotive-type battery charger.
- WARNING! Inspect the battery charger, wiring and connectors for damage before each use. Contact your authorized dealer if damage is found.
WARNING! Do not attempt to open the battery charger case. If the battery charger does not appear to be working correctly, contact your authorized dealer.- WARNING! If the battery charger is equipped with cooling slots, then do not attempt to insert objects through these slots.
- WARNING! Be aware that the battery charger case may become hot during charging. Avoid skin contact and do no place on surfaces that may be affected by heat.
WARNING! If your battery charger has not been tested and approved for outdoor use, then do not expose it to adverse or extreme weather conditions. If the battery charger is exposed to adverse or extreme weather conditions, then it must be allowed to adjust to the difference in environmental conditions before use indoors. Refer to the manual supplied with the battery charger for more information.
Follow the 6 easy steps in figure 11 to charge your batteries safely:

WARNING! The LED lights on the charger indicate different charger conditions at various times. If the LED does not indicate that charging is complete within 24 hours, unplug the charger from the outlet and contact your dealer. Refer to the operating instructions supplied with the charger for a complete explanation of these indicators.
NOTE: There is a charger inhibit function on your vehicle. The vehicle will not run and the battery condition meter will not operate while the batteries are charging.
FREQUENTLY ASKED QUESTIONS
How does the charger work?
When your vehicle’s battery voltage is low, the charger works harder, sending more electrical current to the batteries to bring up their charge. As the batteries approach a full charge, the charger sends less and less electrical current. When the batteries are fully charged, the current sent from the charger is at nearly zero amperage. Therefore, when the charger is plugged in, it maintains the charge on your vehicle’s batteries, but does not overcharge them. Refer to the manual supplied with the battery charger for charging instructions.
Can I use a deferent charger?
Chargers are selected precisely for particular applications and are especially matched to the type, size and chemical formulation of specifi c batteries. For the safest and most efficient charging of your vehicle’s batteries, we recommend only use of the charger supplied as original equipment with your product. Any charging method resulting in batteries being charged individually is especially prohibited.
What if my vehicle’s batteries won’t charge?
- Ensure the red (+) and black (-) battery cables are connected properly to the battery terminals.
- Ensure both battery harnesses that extend from the batteries are plugged into their mating harness leading to the charger.
- Ensure both ends of the charger power lead are inserted fully.
- Ensure the circuit breaker is not tripped.
How often must I charge the batteries?
Two major factors must be considered when deciding how often to charge your vehicle’s batteries:
- All-day vehicle use on a daily basis.
- Infrequent or sporadic vehicle use.
With these considerations in mind, you can determine how often and for how long you should charge your vehicle’s batteries. The battery charger was designed so that it will not overcharge your vehicle’s batteries. However, you may encounter some problems if you do not charge your batteries often enough and if you do not charge them on a regular basis. Following the guidelines below will provide safe and reliable battery operation and charging.
- If you use your vehicle daily, charge its batteries as soon as you finish using it for the day. Your vehicle will be ready each morning. We recommend that you charge your vehicle’s batteries for at least 8 to 14 hours after daily use. We recommend that you charge the batteries for an additional 4 hours after the battery charger indicates that charging is complete.
- If you use your vehicle once a week or less, charge its batteries at least once a week for at least 24 hours.
NOTE: Keep your batteries fully charged and avoid deeply discharging your batteries. Refer to the manual supplied with the battery charger for charging instructions. We recommend charging your batteries for at least 48 continuous hours once per month to improve battery performance and battery life.
How can I get maximum range or distance per charge?
Fully charged deep-cycle batteries provide reliable performance and extended battery life. Keep your vehicle’s batteries fully charged whenever possible. Protect your vehicle and batteries from extreme heat or cold. Batteries that are regularly and deeply discharged, infrequently charged, stored in extreme temperatures or stored without a full charge may be permanently damaged, causing unreliable performance and limited service life.
- Always fully charge your vehicle’s batteries prior to daily use.
- Maintain but do not exceed the psi/bar/kPa air pressure rating indicated on each tire.
- Plan your route ahead to avoid as many hills, cracked, broken or soft surfaces as possible.
- Limit your baggage weight to essential items.
- Try to maintain an even speed while your vehicle is in motion.
- Avoid stop-and-go driving.
- We recommend charging your batteries for at least 48 continuous hours once per month to improve battery performance and battery life.
- Make sure all harness connections are secured properly.
How can I ensure maximum battery life?
Fully charged deep-cycle batteries provide reliable performance and extended battery life. Keep your vehicle’s batteries fully charged whenever possible. Protect your vehicle and batteries from extreme heat or cold. Batteries that are regularly and deeply discharged, infrequently charged, stored in extreme temperatures or stored without a full charge may be permanently damaged, causing unreliable performance and limited service life.
NOTE: To extend battery life, always turn off vehicle and remove the key when not in use.
What type and size of battery should I use?
We recommend deep-cycle batteries that are sealed and maintenance-free. Both AGM and Gel-Cell are deep-cycle batteries that are similar in performance. Do not use wet-cell batteries, which have removable caps. Refer to the specifications table for size as batteries differ depending on manufacturer.
WARNING! Corrosive chemicals are contained in batteries. Use only AGM or Gel-Cell batteries to reduce the risk of leakage or explosive conditions.
NOTE: Sealed batteries are not serviceable. Do not remove the caps.
Why do my new batteries seem weak?
Deep-cycle batteries employ a different chemical technology than that used in car batteries, nickel-cadmium batteries (NiCad’s) and other common battery types. Deep-cycle batteries are specifically designed to provide power, drain down their charge and then accept a relatively quick recharge.
We work closely with our battery manufacturer to provide batteries that best suit your vehicle’s specific electrical demands. Fresh batteries are shipped fully charged to our customers. During shipping, the batteries may encounter temperature extremes that can influence their initial performance. Heat diminishes the charge on the battery; cold slows the available power and extends the time needed to recharge the battery.
It may take a few days for the temperature of your vehicle’s batteries to stabilize and adjust to their new room or ambient temperature. More importantly, it takes a few charging cycles (partial draining followed by full recharging) to establish the critical chemical balance that is essential to a deep-cycle battery’s peak performance and long life.
Follow these steps to properly break in your vehicle’s new batteries for maximum efficiency and service life:
- Fully recharge any new battery prior to its initial use. This charging cycle brings the battery up to about 88%of its peak performance level.
- Operate your new vehicle in familiar and safe areas. Drive slowly at first and do not travel too far from your home or familiar surroundings until you have become accustomed to your vehicle’s controls and have properly broken in your vehicle’s batteries.
- Fully recharge the batteries. They should be at over 90% of their peak performance level.
- Operate your vehicle again, and fully recharge the batteries again.
- After four or five charging cycles, the batteries are able to receive a charge of 100% of their peak performance level and are able to last for an extended period of time.
What about public transportation?
AGM and Gel-Cell batteries are designed for application in vehicles and other mobility vehicles. These batteries are Federal Aviation Administration (FAA) approved (United States only), allowing safe transportation on aircraft, buses, and trains, as there is no danger of spillage or leakage. We suggest you contact the carrier’s ticket counter in advance to determine that carrier’s specific requirements.
How do I change a battery in my vehicle?
MANDATORY! Battery posts, terminals and related accessories contain lead and lead compounds. Wear goggles and gloves when handling batteries and wash hands after handling.
PROHIBITED! Always use two batteries of the exact same type, chemistry and amp-hour (Ah) capacity. Refer to the specifi cations table with this manual and in the manual supplied with the battery charger for recommended type and capacities.- WARNING! Do not mix old and new batteries. Always replace both batteries at the same time.
- WARNING! Contact your authorized dealer if you have any questions regarding the batteries in your vehicle.
WARNING! Do not replace the batteries while the vehicle is occupied.- WARNING! The batteries on your vehicle should only be serviced or replaced by an authorized dealer or a qualified technician.
PROHIBITED! Keep tools and other metal objects away from battery terminals. Contact with tools can cause electrical shock.
You may need the following to change your batteries:
- Metric/standard socket set and ratchet
- Adjustable wrench
WARNING! Do not lift beyond your physical capability. Ask for assistance when necessary while disassembling or assembling your vehicle.
WARNING! Do not pull on electrical harness wires directly to detach them from the vehicle. Always grasp the connector itself when disconnecting the harness to prevent wire damage.
To change batteries in your vehicle:
- Remove the seat by lifting it straight up and off of the vehicle. If you encounter resistance when removing the seat, disengage the seat rotation lever and swivel the seat back and forth while lifting up on the seat.
- Remove the rear shroud by lifting it straight up and off the vehicle. The shroud is secured to the vehicle with reusable fasteners and two
(2) thumbscrews. See figure 12.
IDENTIFICATION KEY- THUMBSCREW
- REAR SHROUD
- BATTERY SHROUD

- Remove the battery shroud by removing the four (4) thumbscrews that secure it to the vehicle frame, and then lifting the shroud straight up and off of the vehicle. See figure 12.
- Disconnect the battery tie-down straps.
- Disconnect the battery cables from the battery terminals by sliding back the terminal boots and unscrewing the nut from the bolt. See figure 14.
- Remove the old batteries from the battery wells.
- Place a new battery in each battery well. Face the battery terminals of each battery away from the seat post. See figure 15.
NOTE: Use battery straps to secure batteries in the battery wells. Please refer to figures 13 and 16 for battery strap installation procedures. - Connect the red battery cable to the positive (+) battery terminal on each battery.
- Connect the black battery cable to the negative (-) battery terminal on each battery.
- Reposition the terminal boots over the battery terminals.
- Reconnect the battery tie-down straps.
- Reinstall the battery shroud, the rear shroud and the seat.
NOTE: If you encounter a damaged or cracked battery, immediately enclose it in a plastic bag.
Contact your local waste disposal agency or your authorized dealer for instructions on disposal and battery recycling, which is our recommended course of action.
IDENTIFICATION KEY
- MAIN CIRCUIT BREAKER
- BATTERY TERMINALS UNDER BOOTS
- BATTERY TIE-DOWN STRAP

Figure 13. Battery Removal/Installation Terminals and Connections

Battery Securement and Strap Routing
- Secure the batteries in the battery wells by routing the provided battery straps through the battery well slots as shown.
- Ensure the short strap runs over the top of the long strap.
NOTE: Before securing the straps, ensure the D-ring is positioned as shown here. The D-ring should be positioned within 1 inch (2.54 cm) of, but never touch, the battery well. - Any excess strapping should be placed facing the back, or next to the seat post, of the vehicle.
WARNING! The battery straps should never be positioned under the battery.
IDENTIFICATION KEY
- REUSABLE FASTENER
- BATTERY TERMINAL
- SHORT STRAP
- D-RING

OPERATION
BEFORE GETTING ONTO YOUR VEHICLE
- Have you fully charged the batteries? See III. “Batteries and Charging.”
- Is the manual freewheel lever in the drive (rearward) position? Never leave the manual freewheel lever pushed forward unless you are manually pushing your vehicle.
WARNING! We recommend that a DOT-approved safety helmet be worn at all times when operating your vehicle. As with any type of vehicle, it is the responsibility of the user to contribute to his/her own safety by adhering to applicable federal, state, and local laws, as well as laws set forth specifically for operation of vehicles. Failure to do so may result in personal injury.
WARNING! Your vehicle can be safely operated on uneven and unpacked terrain when the user follows all safety guidelines and is wearing a safety helmet approved by the DOT (US) or the governing body in other geographic areas. Be sure to familiarize yourself with and obey all safety helmet standards in your geographic area. The U.S. Department of Transportation (DOT) requires that DOT-approved helmets sold in the United States meet Federal Motor Vehicle Safety Standard (FMVSS) 218. Follow all DOT-approved helmet manufacturer’s instructions for fi t, use, and care of your helmet. Failure to wear a helmet and/or follow all safety guidelines may result in personal injury, death and/or property damage.
WARNING! Use extreme caution when riding on wet and/or oily surfaces, sand, gravel, riverbeds, mud, snow, rocks, leaves, other natural or man-made terrain, and/or sloped terrain. There is an increased risk of loss of control, which can result in injury, death, and/or property damage.
WARNING! Avoid driving into and/or through water. Failure to electrical components may occur. Improper use of your vehicle under these conditions could void your warranty. Failure to heed and/or follow all safety guidelines may result in personal injury, death and/or property damage.
WARNING! During operation of this vehicle, users should follow all safety guidelines contained or referenced in this manual and all other supplemental materials, exercise caution and comply with all applicable federal state and local laws relating to operation of a motorized vehicle. Whenever operating this vehicle at or near maximum speed or on uneven or unpacked terrain, assure that the pathway is clear of obstructions and other hazards and wear a Department of Transportation approved safety helmet complying with FMVSS 218 to diminish the risk of head injury. Failure to heed these directives may result in property damage, personal injury or death.
GETTING ONTO YOUR VEHICLE
- Make certain that the key is removed from the key switch.
WARNING! Never attempt to get onto or off of your vehicle without first removing the key from the key switch.
This will prevent the vehicle from moving if accidental throttle control lever contact is made. - Stand at the side of your vehicle.
- Disengage the seat rotation lever and rotate the seat until it is facing you.
- Make certain that the seat is secured into position.
- Position yourself comfortably and securely in the seat.
- Disengage the seat rotation lever and rotate the seat until you are facing forward.
- Make certain that the seat is fixed securely in position.
- Make certain that your feet are safely on the floorboard.
PRE-RIDE ADJUSTMENTS AND CHECKS
- Is the seat at the proper height? See V. “Comfort Adjustments.”
- Is the seat secured into place?
- Is the tiller at a comfortable setting and secured into place? See V. “Comfort Adjustments.”
- Is the key fully inserted into the key switch and turned clockwise to the “on” position?
- Does the horn work properly?
- Is your proposed path clear of people, pets, and obstacles?
- Have you planned your route to avoid adverse terrain and as many inclines as possible?
OPERATING YOUR VEHICLE
WARNING! The following can adversely affect steering and stability while operating your vehicle, resulting in loss of control, tipping, and/or personal injury:
- Holding onto or attaching a leash to walk your pet.
- Carrying passengers (including pets).
- Hanging any article from the tiller.
- Towing or being pushed by another motorized vehicle.
WARNING! Tipping Risk! Avoid abrupt maneuvers at excessive speed. It is recommended that you set the speed adjustment dial to the lowest setting until you become familiar with vehicle controls and operation.
WARNING! Vehicle braking distances are greater on an incline than on the horizontal.
WARNING! Keep both hands on the tiller and your feet on the floorboard at all times while operating your vehicle. This driving position gives you the most control over your vehicle.
- Set the speed adjustment dial to your desired speed.
- Press your thumb against the appropriate side of the throttle control lever.
- The electromechanical disc park brake automatically disengages and the vehicle accelerates smoothly to the speed you preselected with the speed adjustment dial.
- Pull on the left handgrip to steer your vehicle to the left.
- Pull on the right handgrip to steer your vehicle to the right.
- Move the tiller to the center position to drive straight ahead.
- To stop, slowly release the throttle control lever. The electronic brakes will automatically engage, bringing your vehicle to a stop.
NOTE: Your vehicle’s reverse speed is slower than that of the forward speed you preset with the speed adjustment dial.
GETTING OFF OF YOUR VEHICLE
- Bring your vehicle to a complete stop.
- Remove the key from the key switch.
WARNING! Never attempt to get onto or off of your vehicle without first removing the key from the key switch.
This will prevent the vehicle from moving if accidental throttle control lever contact is made. - Disengage the seat rotation lever and rotate the seat until you are facing toward the side of your vehicle.
- Make certain that the seat is fixed securely in position.
- Carefully and safely get out of the seat and stand to the side of your vehicle.
- You can leave the seat facing to the side to facilitate boarding your vehicle next time.
POWER DOWN TIMER FEATURE
Your vehicle is equipped with an automatic power down timer feature designed to prevent your vehicle from moving if left unattended. If you mistakenly leave the key in the “on” position but do not use your vehicle for approximately 20 minutes, the vehicle’s controller shuts down automatically. Although the controller is shut down, power will still be supplied to the vehicle’s electrical system.
If the power down timer feature takes effect, perform the following steps to resume normal operation:
- Remove the key from the key switch.
- Reinsert the key and power up your vehicle.
COMFORT ADJUSTMENTS
TILLER ANGLE ADJUSTMENT
WARNING! Remove the key from the key switch before adjusting the tiller or the seat. Never attempt to adjust the tiller or the seat while the vehicle is in motion.
WARNING! Prior to operating the vehicle, push and pull on the tiller to ensure that the angle adjustment mechanism is secure. Inspect the tiller adjustment knob and the angle adjustment mechanism to ensure that they are fully engaged. If there is movement in the tiller, check to make sure that the tiller adjustment knob is fully tightened.
Your vehicle is equipped with an adjustable pivoting tiller.
- Squeeze the tiller adjustment lever. See figure 17.
IDENTIFICATION KEY- TILLER ADJUSTMENT LEVER

- TILLER ADJUSTMENT LEVER
- Move the tiller to a comfortable position.
- Release the tiller adjustment lever.
NOTE: In order to fully lower the tiller for purposes of disassembly or transport, you must first completely remove the seat. See VI. “Disassembly and Assembly.”
NOTE: Pivot the armrests upward to aid in getting onto and off of your vehicle.
MIRROR POSITION
To install the mirror (see figure 18):
IDENTIFICATION KEY
- MIRROR HOLDER
- RUBBER PLUG
- NUT

- Determine on which side to install the mirror and remove the rubber plug from the top of the tiller handle.
- Insert the threaded end of the mirror holder into the opening and rotate it clockwise until snug.
- If necessary, rotate the nut clockwise to secure the mirror in place.
To adjust the mirror:
- Position yourself in a seated driving position facing forward.
- Adjust the mirror left, right, up or down until you have a good line of sight behind you.
SEATBACK ADJUSTMENT
WARNING! Do not operate your vehicle with the seatback in a reclined position.
WARNING! Always keep your back pressed firmly against the seatback while adjusting the angle.
If you vehicle is equipped with a reclining seatback, you can adjust the seatback angle with the seatback adjustment lever. See figure 19.
IDENTIFICATION KEY
- SEATBACK ADJUSTMENT LEVER
- SEAT ROTATION LEVER
- SEAT SLIDING LEVER
- ACCESSORY BRACKET
- DETENT PIN

- With your back pressed up against the seatback, lift up on the seatback adjustment lever and lean forward or rearward to adjust the seatback angle.
- Release the seatback adjustment lever once the seat is in a comfortable riding position.
SEAT ROTATION ADJUSTMENT
The seat rotation lever will secure the seat into several positions.
- Depending on your seat type, either pull upward or push forward on the seat rotation lever to disengage the seat. See fi gure 19.
- Rotate the seat to the desired position.
- Release the lever to secure the seat into place.
FRONT-TO-BACK SEAT ADJUSTMENT
You can reposition the seat forward or rearward to adjust the distance between the seat and the tiller.
- Move the seat sliding lever located at the lower left side of the seat outward. See figure 19.
- While holding the lever out, slide the seat forward or rearward.
- Release the seat sliding lever once the seat is in the desired position.
ARMREST ANGLE ADJUSTMENT
There is an armrest adjustment located on the underside of each armrest. See figure 19.
Turn the armrest adjustment to the left to lower the armrest angle or to the right to raise the armrest angle.
NOTE: The armrests also pivot upward to make getting on and off of your vehicle easier.
ACCESSORY BRACKET
The rear-mounted accessory bracket allows you to attach a personal accessory such as a basket, walker holder, or oxygen tank to the back of your vehicle. Use the detent pin to securely mount your item to the accessory bracket. See figure 19.
See your authorized dealer for details.
SEAT HEIGHT ADJUSTMENT
The seat can be repositioned to several different heights. See figure 20.
IDENTIFICATION KEY
- UPPER SEAT POST
- NUT
- SEAT HEIGHT ADJUSTMENT BOLT
- LOWER SEAT POST

- Remove the seat and/or shroud from your vehicle.
- Remove the seat height adjustment bolt.
- Raise or lower the upper seat post to the desired seat height.
- While holding the upper seat post at that height, match up the locating holes in the upper seat post with those of the lower seat post.
- Insert the seat height adjustment bolt through the locating holes of both the upper and lower seat posts.
- Reinstall the nut onto the seat height adjustment bolt and tighten.
- Reinstall the rear shroud and the seat.
POSITIONING BELT (OPTIONAL)
Your vehicle seat may be equipped with an auto-type positioning belt that can be adjusted for operator comfort.
The positioning belt is designed to help support the operator so that he or she does not slide down or forward in the seat.
The positioning belt is not designed for use as a restraining product.
WARNING! The positioning belt is not designed for use as a seat belt in a motor vehicle. Nor is your vehicle suitable for use as a seat in any vehicle. Anyone traveling in a vehicle should be properly belted into seats approved by the vehicle manufacturer.
WARNING! The positioning belt should be secured at all times. Never allow the positioning belt to hang or drag on the floor as it may become entangled.
To install the positioning belt (if required):
- Remove the seat from your vehicle.
- Place the seat upside down so that you can see the bottom of the seat base. See figure 21.
- Use a wrench to remove the two rear bolts that attach the seat frame to the seat base.
- Insert the bolt through the appropriate ends of the positioning belt and then reinstall the bolts and belt back into the seat bottom.
- Tighten the bolts.
Metal tab style positioning belt
To adjust the positioning belt for operator comfort:
- Insert the metal tab on the right side of the belt into the plastic housing on the opposite strap until you hear a “click.” See figure 21.

- Pull the strap on the right side of the belt until it is secure, but not so tight as to cause discomfort.
To release the positioning belt:
- Press the push button mechanism on the plastic housing.
MANDATORY! Make sure the positioning belt is properly secured to the vehicle and is adjusted for operator comfort before each use.
MANDATORY! Inspect the positioning belt for loose parts or damage, including tears, worn spots, bent hardware, or damaged latch mechanisms, dirt or debris, before each use of the vehicle. If you discover a problem, contact your authorized dealer for maintenance and repair.

DISASSEMBLY AND ASSEMBLY
DISASSEMBLY
You can disassemble the vehicle into several pieces: the seat, the vehicle base, the batteries, and the battery shroud. See figure 23. No tools are required to disassemble or assemble your vehicle, but keep in mind that the disassembled sections of the vehicle take up more floor space than the assembled unit. Always disassemble or assemble your vehicle on a level, dry surface with sufficient room for you to work and move around your vehicle—about 5 feet (1.5 meters) in all directions.
Remember that some vehicle components are heavy and you may need assistance when lifting them.
WARNING! Do not lift beyond your physical capability. Ask for assistance when necessary while disassembling or assembling your vehicle.
WARNING! Do not pick up the seat frame or vehicle by the armrests. They are free to pivot, and you may lose control of the seat if they do so.
IDENTIFICATION KEY
- SEAT
- VEHICLE BASE
- BATTERIES
- BATTERY SHROUD

Figure 23. Disassembled Vehicle
DISASSEMBLY
- Remove the seat by lifting it straight up and off of the vehicle. If you encounter resistance when removing the seat, disengage the seat rotation lever and swivel the seat back and forth while lifting up on the seat.
- Remove the battery shroud from the vehicle. See figure 12.
- Disconnect the battery tie-down straps.
- Disconnect all battery harnesses from the battery terminals by sliding back the terminal boots and unscrewing the nuts from the bolts. See figures 13 and 14.
- Remove the batteries from the battery wells.
ASSEMBLY
- Reinstall the batteries to the battery wells.
- Connect the battery harnesses. See figures 13 and 14.
- Secure the battery tie-down straps.
- Reinstall the battery shroud.
- Reinstall the seat and rotate it into place.
BASIC TROUBLESHOOTING
Any electromechanical product occasionally requires some troubleshooting.
However, most of the problems that may arise can usually be solved with a bit of thought and common sense.
Many of these problems occur because the batteries are not fully charged or because the batteries are worn down and can no longer hold a charge.
DIAGNOSTIC FAULT CODES
The diagnostic fault codes for your vehicle are designed to help you perform basic troubleshooting quickly and easily.
A diagnostic fault code will be communicated in the event one of the conditions listed below develops.
Depending on the source of the error, your vehicle will communicate by one of the coding methods as follows:
- A diagnostic fault code and error message will be displayed on your LCD screen (see figure 24), OR
- A beep code will identify the condition, pause, then repeat the beep code. The beep code will continue to alert you in this manner until the vehicle is turned off .
IDENTIFICATION KEY
- FAULT CODE
- ERROR MESSAGE

NOTE: Your vehicle will not run unless the fault code condition is resolved and the vehicle has been turned off , then turned back on.
| FAULT CODE | CONDITION | SOLUTION | ERROR MESSAGE |
| 2 | Low voltage; batteries need charge immediately | Charge batteries as soon as possible. | Lo BAT |
| 3 | Over voltage | Unplug charger and/or turn vehicle off, then back on. | HI BAT |
| 4 | Over current | Turn vehicle off for a few minutes, then turn vehicle back on. | HI CUR |
| 5 | Park brake fault | Remove the key from the key switch, then push the manual freewheel lever to the drive (rearward) position and restart your vehicle. | BRAKE |
| 6 | Throttle control lever not centered at start up | Return the throttle control lever to center position, turn vehicle off, then back on. | T POT |
| 7 | Throttle control lever broken or faulted | Contact your authorized dealer. | T POT |
| 8 | Motor fault | Contact your authorized dealer. | MOTOR |
| 9 | Other fault | Contact your authorized dealer. | OTHER |
Figure 25. Models with LCD Control Panel
What if all the systems on my vehicle seem to be dead?
- Make certain that the key is in the “on” position.
- Check that the batteries are fully charged.
- Push in the main circuit breaker reset button. See II. “Your Vehicle.”
- Make certain that the battery and front-to-rear harnesses are connected properly.
- Be sure the power down timer feature has not been activated. See IV. “Operation.”
What if my vehicle does not move when I engage the throttle control lever?
- When the manual freewheel lever is pushed forward, the brakes are disengaged and all power to the motor/transaxle assembly is cut.
- Push rearward on the manual freewheel lever, turn the vehicle off , and then turn the vehicle on to return to normal vehicle operation.
What if the main circuit breaker repeatedly trips?
- If the main circuit breaker trips repeatedly, see your authorized dealer for service.
- Charge the batteries more frequently. See III. “Batteries and Charging.”
- See III. “Batteries and Charging” or “Specifications” for information about your vehicle’s battery type.
What if the battery condition meter dips way down and the motor surges or hesitates when I engage the throttle control lever?
- Fully charge your vehicle’s batteries. See III. “Batteries and Charging.”
If you experience any problems with your vehicle that you are not able to solve, immediately contact your authorized dealer for information, maintenance and service.
CARE AND MAINTENANCE
Your vehicle requires a minimal amount of care and maintenance.
If you do not feel confident in your ability to perform the maintenance listed below, you may schedule inspection and maintenance at your authorized dealer. The following areas require periodic inspection and/or care and maintenance.
TIRE PRESSURE – PNEUMATIC TIRES
- If equipped with pneumatic tires, always maintain the psi/bar/kPa air pressure rating indicated on each tire.
WARNING! It is important that the psi/bar/kPa air pressure rating indicated on each tire be maintained in pneumatic tires at all times.
Do not underinflate or overinflate your tires. Low pressure may result in loss of control, and overinflated tires may burst.
Failure to maintain the psi/bar/kPa air pressure rating indicated on the tires at all times may result in tire and/or wheel failure.
- Regularly inspect your vehicle’s tires for signs of damage or wear.
EXTERIOR SURFACES
Bumpers, tires, and trim can benefit from an occasional application of a rubber or vinyl conditioner.
WARNING! Do not use a rubber or vinyl conditioner on the vehicle’s vinyl seat or tire tread, as this may cause them to become dangerously slippery.
CLEANING AND DISINFECTION
Precautions must be taken when cleaning equipment/products to lower the risk of spreading infection.
This is to limit the spread of illness and other potentially infection material (OPIM) (blood components).
- Use a damp cloth and mild, non-abrasive cleanser to clean the plastic and metal parts of your vehicle. Avoid using products that may scratch the surface of your vehicle.
- If necessary, clean your product with an approved disinfectant. Make sure the disinfectant is safe for use on your product before application.
HOW TO CLEAN/DISINFECT EQUIPMENT:
HARD/SOFT SURFACES (Plastic shrouds, metal framing, seat fabric, tires, armrests and footplate mats, as applicable)
- For hard/soft surfaces, remove visible contamination if present.
- For plastic and metal use Lysol®/Clorox® disinfecting spray/wipes and other qualifi ed SARS-CoV-2 disinfecting products.
- For other vinyl surfaces, clean with vinyl safe disinfecting wipes or solutions.
- Suggested Disinfectants
- Birex® SE Disinfectant, Bleach-Rite® Disinfecting Spray, Citrace® Germicide
- Dispatch® Spray Hospital Cleaner Disinfectant with Bleach
- Diluted Bleach Solution (10% dilution or less); Note: Bleach with pH factor between 7 and 9 is suitable; a product with a pH of 10.5 or higher may damage the vinyl surface integrity over an extended period of time.
- Disinfecting Wipes
- Clorox, Green Works, PDI Sani-Cloth HB Wipes Lysol, Oxivir, Virox, and CaviWipes.
- Suggested Disinfectants
- For Tire cleaning, clean with off the shelf tire/wheel cleaners

ELECTRONICS (Joystick controller, enhanced displays, touch screens, remote controls, keyboards, cell phones and tablets, as applicable)
- For electronics, remove visible contamination if present.
- Turn off product and disconnect batteries.
- Never spray any liquids directly into the product(s).
- Moisten a microfiber cloth with a mixture of 70% isopropyl alcohol/30% water solution.
The cloth should be damp, but not dripping or excessively wet.
Dry surfaces thoroughly to avoid pooling of liquids and prior to boxing.
WARNING! Follow all safety instructions for the proper use of the disinfectant and/or cleaning agent before applying it to your product.
Failure to comply may result in skin irritation or premature deterioration of upholstery and/or vehicle fi nishes.
WARNING! Never use any cleaning or disinfecting agent, solvent, lubricant, or any other product on the brake pads, brake discs, transaxle, motor/gearbox of your mobility product. Doing so may damage the components and/or cause them not to function properly. Property injury and/or personal injury may result.
WARNING! Never hose off your vehicle or place it in direct contact with water. Your vehicle has a painted, ABS plastic body shroud that allows it to be easily wiped clean with a damp cloth.
WARNING! Never use any chemicals to clean a vinyl seat, as they may cause the seat to become slippery or dry out and crack. Use soapy water and dry the seat thoroughly.
BATTERY TERMINAL CONNECTIONS
- Make certain that the terminal connections remain tight and uncorroded.
- The batteries must sit fl at in the battery wells.
- The battery terminals should face according to the battery wiring diagram. See III. “Batteries and Charging.”
WIRING HARNESSES
- Regularly check all wiring connections.
- Regularly check all wiring insulation, including the charger power cord, for wear or damage.
- Have your authorized dealer repair or replace any damaged connector, connection, or insulation that you fi nd before using your vehicle again.
PROHIBITED! Even though the vehicle has passed the necessary testing requirements for ingress of liquids, you should keep electrical connections away from sources of dampness, including direct exposure to water or bodily fluids and incontinence. Check electrical components frequently for signs of corrosion and replace as necessary.
WARNING! Do not pull on electrical harnesses directly to detach them from the vehicle. Always grasp the connector itself when disconnecting the harness to prevent wire damage.
WHEEL REPLACEMENT
If your vehicle is equipped with pneumatic tires and you have a fl at tire, you can have the tire replaced.
Contact your authorized dealer for information regarding replacement wheels for your vehicle.
- WARNING! Wheels on your vehicle should only be serviced/replaced by a qualified technician.
- WARNING! Completely defl ate pneumatic tires before dismantling the rim or attempting repair.
- WARNING! Be sure that the key is removed from the key switch and the vehicle is not in freewheel mode before performing this procedure.
- WARNING! When changing a pneumatic tire, remove only the lug nuts, then remove the wheel. If any further disassembly is required, deflate the tire COMPLETELY or it may explode.
IDENTIFICATION KEY
- LUG NUTS
- WASHERS
- WHEEL
- HUB

Follow these easy steps for a quick and safe repair for pneumatic tires:
- Remove the key from the key switch and ensure your vehicle is not in freewheel mode.
- Elevate the side of the vehicle of which you are removing the tire. Place wooden blocks under the frame to elevate the vehicle.
- Remove the lug nuts and washers from the hub. See figure 26.
- Remove the wheel from the hub.
- Reassemble the rim halves.
- Slide the wheel back onto the hub.
- Reinstall the washers and then the lug nuts and tighten.
WARNING! Ensure that the axle key is properly installed into the axle slot when mounting the wheel.
If not installed securely, the braking system is disengaged which may cause personal injury and/or product damage may result. - Inflate pneumatic tires to the psi/bar/kPa air pressure rating indicated on each tire.
- Remove the block from beneath the vehicle.
DAILY CHECKS
- With the power turned off , check the throttle. Make sure it is not bent or damaged and that it returns to the neutral position when you release it. Do not try to repair it. See your authorized dealer if there is a problem.
- Visually inspect the tiller cable. Make sure that it is not frayed, cut, or has any wires exposed. See your authorized dealer if there is a problem.
- Check for fl at spots on solid tires. Flat spots could adversely affect stability.
- Inspect the armrests for loose hardware, stress points, or damage. See your authorized dealer if there is a problem.
- Check the brakes. This test should be carried out on a level surface with at least 3 feet (1 meter) of clearance around your vehicle.
To check the brakes:
- Turn on the power and turn down the speed level of your vehicle.
- After one second, check the battery condition meter. Make sure that it remains on.
- Slowly pull the throttle forward until you hear the electric brakes click. Immediately release the throttle. You must be able to hear the electrical brake operating within a few seconds of throttle movement. Repeat this test by pulling the throttle in the opposite direction.
WEEKLY CHECKS
- Inspect the controller and charger connectors for corrosion. Contact your authorized dealer if necessary.
- Check for proper tire inflation, if equipped with pneumatic tires. If a tire does not hold air, contact your authorized dealer for replacement of the tube.
MONTHLY CHECKS
- Check that the anti-tip wheels do not rub the ground when you operate the vehicle.
- Check for extreme wear on the anti-tip wheels. Replace them as necessary.
- Check for tire wear. See your authorized dealer for repair.
- Keep you vehicle clean and free of foreign material, such as mud, dirt, hair, food, drink, etc.
YEARLY CHECKS
Take your vehicle to your authorized dealer for yearly maintenance, especially if you use your vehicle on a daily basis. This helps ensure that your vehicle is functioning properly and helps prevent future complications.
ABS PLASTIC SHROUDS
If your vehicle has a body shroud with a glossy finish, the body shroud has been sprayed with a clear sealant coating. You can apply a light coat of car wax to help it retain its high-gloss appearance. If your vehicle has a body shroud with a matte finish, use ONLY products developed for matte-finish paint. Do not use wax, detail spray, ArmorAll®, or any product made for glossy paint.
WARNING! Carefully choose the correct product to protect the finish of your vehicle’s shroud(s). ONLY products developed for matte-finish paint should be used on shrouds with a matte finish. Failure to follow this warning may result in damage to the shroud’s matte paint finish.
AXLE BEARINGS AND THE MOTOR/TRANSAXLE ASSEMBLY
These items are all prelude fricated, sealed, and require no subsequent lubrication.
MOTOR BRUSHES
The motor brushes are housed inside of the motor transaxle/assembly.
They should be inspected periodically for wear by your authorized dealer.
CONSOLE, CHARGER AND REAR ELECTRONICS
- Keep these areas free of moisture.
- Allow these areas to dry thoroughly if they have been exposed to moisture before operating your vehicle again.
FUSE REPLACEMENT
In the event a fuse should cease to work:
- Remove the fuse by pulling it out of its slot.
- Examine the fuse to be sure it is blown. See figure 27.
- Insert a new fuse of the same rating.
WARNING! The replacement fuse must exactly match the rating of the fuse being replaced.
Failure to use properly rated fuses may cause damage to the electrical system.

NYLON LOCK NUT REPLACEMENT
Any nylon insert lock nut removed during the periodic maintenance, assembly or disassembly of the vehicle must be replaced with a new nut. Nylon insert lock nuts should not be reused as it may cause damage to the nylon insert, resulting in a less secure fi t. Replacement nylon insert lock nuts are available at local hardware stores or through your authorized dealer.
STORING YOUR VEHICLE
If you plan on not using your vehicle for an extended period of time, it is best to:
- Fully charge its batteries prior to storage.
- Disconnect the batteries from the vehicle.
- Store your vehicle in a warm, dry environment.
- Avoid storing your vehicle where it will be exposed to temperature extremes.
- Although your vehicle can withstand short-term storage temperatures between -40°F (-40°C) to 149°F (65°C), it is recommended that long-term storage temperatures be between -13°F (-25°C) and 122°F (50°C). Ideal storage conditions are 68°F (20°C) to 70°F (21°C) wherever possible, but we realize that is not always feasible due to different climates and environments.
WARNING! Always protect batteries from freezing temperatures and never charge a frozen battery.
Charging a frozen battery can result in damage to the battery.
Batteries that are regularly and deeply discharged, infrequently charged, stored in extreme temperatures or stored without a full charge may be permanently damaged, causing unreliable performance and limited service life. It is recommended that you charge the vehicle batteries periodically throughout periods of prolonged storage to ensure proper performance.
You may wish to place several boards under the frame of your vehicle to raise it off of the ground during periods of prolonged storage. This takes the weight off the tires and reduces the possibility of fl at spots developing on the areas of the tires contacting the ground.
DISPOSAL OF YOUR VEHICLE
Your vehicle must be disposed of according to applicable local and national statutory regulations. Contact your local waste disposal agency or authorized dealer for information on proper disposal of packaging, metal frame components, plastic components, electronics, batteries, neoprene, silicone and polyurethane materials.
WARNING! Plastic bags are a suffocation hazard.
Dispose of plastic bags properly and do not allow children to play with them.



