Contents
PowerWalker BP A36-72RM 6x Empty Battery Pack Fits

Product Information
The product is a battery box model BP A36-72RM 6x – 12x bat. It is designed to be used with a UPS system. The battery box is equipped with important safety features and precautions to ensure proper usage and extend the life of the batteries. It comes with a warranty that will be void if certain conditions are not met, such as spilling liquid on the battery box or inserting foreign objects into the battery box enclosure.
Product Usage Instructions
Before installing the unit, please read and comply with all safety warnings and operating instructions in the manual. Failure to do so may result in voiding the warranty and potential damage to the unit.
- Unpacking & Inspection:
- Remove the battery box from the packaging, being cautious of its weight to avoid injury.
- Check the inside package for the following items: Battery box unit, Quick guide, Battery connection cable x 1, Ear x 2 & screw x 8, Extended stand.
- Selecting Installation Position:
- Choose a proper environment for installation to minimize damage to the battery box and extend battery life.
- Keep at least 20cm (8 inches) clearance from the rear panel of the unit to the wall or other obstructions.
- Ensure proper airflow to the ventilation openings of the unit.
- Verify that the installation site meets the unit’s working specifications to avoid overheating and excessive moisture.
- Avoid placing the unit in a dusty or corrosive environment, or near flammable objects.
- Note that the unit is not designed for outdoor use.
- Connecting with UPS and Other Battery Box:
- Refer to the installation chart provided to connect the battery box with the UPS and other battery boxes using the included cable.
Important Safety Warnings
Please comply with all warnings and operating instructions in this manual strictly. Save this manual properly and read carefully the following instructions before installing the unit. Do not operate this unit before reading through all safety information and operating instructions carefully.
- Do not try to repair the unit yourself, contact your local supplier or your warranty will be void.
- To eliminate any overheating of the battery box, keep all ventilation openings free from obstruction and do not place any foreign objects on top of the battery bank. Keep the battery box 20 cm away from the wall.
- Make sure the battery box is installed within the proper environment as specified. (0-40°C and 30-90% non-condensing humidity)
- Do not install the battery box under direct sunlight. Your warranty will be void if the batteries fail due to overheating.
- This battery box is not designed for use in dusty, corrosive and salty environment.
- The warranty for this battery bank will be void if water or other liquid is spilt or poured directly onto the battery box. Similarly we do not warrant any damage to the battery box if foreign objects are deliberately or accidentally inserted into the battery box enclosure.
- The battery will discharge naturally if the system is unused for a period of time.
- It should be recharged every 2-3 months if unused. If this is not done, then the warranty will be null and void. During normal operation, the batteries will be automatically remained in charged condition.
- Servicing of batteries should be performed or supervised by trained personnel with knowledge of batteries and the required precautions.
- When replacing batteries, it is necessary to replace ALL batteries with the same quantity, type & capacity.
- CAUTION – Do not dispose of battery or batteries in a fire. The battery may explode.
- CAUTION – Do not open or mutilate the batteries. The electrolyte from the batteries is toxic and harmful to the skin and eyes.
- CAUTION – Risk of Electric Shock –Hazardous voltage may exist between battery terminals and ground. Test before touching with bare hands.
- CAUTION – A battery can present a risk of electrical shock and high short circuit current. The following precaution should be observed when working on batteries:
- Remove watches, rings, or other metal objects.
- Use tools with insulated handles.
- Wear rubber gloves and boots.
- Do not lay tools or metal parts on top of batteries.
- Disconnect charging source prior to connecting or disconnecting battery terminals.
- Do not plug or unplug the battery connector if UPS works in DC (discharging) mode.
Product Overview and Setup
NOTE:
Before installation, please inspect the unit. Be sure that nothing inside the package is damaged. Please keep the original package in a safe place for future use.
Rear Panel View

- DC connector: connects to either UPS or 2nd battery box
- DC breaker: Battery over-current protection breaker
Installation and Setup with UPS
Unpacking & Inspection
- Remove the battery box from the packing.
Note: The battery box is very heavy, be cautious when unpacking and lifting the unit to avoid injury. - Check the inside package
- Battery box unit
- Quick guide
- Battery connection cable x 1
- Ear x 2 & screw x 8
- Extended stand

Selecting Installation Position
It is necessary to select a proper environment to install the unit, in order to minimize the possibility of damage to the battery box and extend the life of the batteries. Please follow the instructions below:
- Keep at least 20cm (8 inches) clearance from the rear panel of the unit from the wall or other obstructions.
- Do not block the air-flow to the ventilation openings of the unit.
- Please ensure the installation site environmental conditions are in accordance with the unit’s working specifications to avoid overheat and excessive moisture.
- Do not place the unit in a dusty or corrosive environment or near any flammable objects.
- This unit is not designed for outdoor use.
This unit can either be mounted or placed vertically on the desk.
Rack Installation

Tower Installation

Connecting with UPS and Other Battery Box
Follow below installation chart to connect with UPS and other battery box with included cable.
Type of Battery Required
This battery box has been designed to operate with the following types of batteries:
- 24V/9Ah Version: 2 pieces of 12V 9Ah batteries
- 24V/18Ah Version: 4 pieces of 12V 9Ah (2+2) batteries
- 36V/9Ah Version: 3 pieces of 12V 9Ah batteries
- 36V/18Ah Version: 6 pieces of 12V 9Ah (3+3) batteries
- 48V/9Ah Version: 4 pieces of 12V 9Ah batteries
- 48V/18Ah Version: 8 pieces of 12V 9Ah (4+4) batteries
- 72V/9Ah Version: 6 pieces of 12V 9Ah batteries
- 72V/18Ah Version: 12 pieces of 12V 9Ah (6+6) batteries
Battery Installation
If your battery box is not installed with batteries, please follow proper procedure to put batteries inside of unit.
NOTE:
MAKE SURE THAT THE BATTERY BOX IS DISCONNECTED FROM THE UPS BEFORE PERFORMING THE FOLLOWING SEQUENCE OF OPERATIONS.
Battery Box 24V
- Step 1: Open the package and place the battery box on a horizontal plane.
- Step 2: Remove the removable front panel part by pulling it from the lower extremity

- Step 3: Remove the fixed part of the front panel by removing the 2 screw present.

- Step 4: Remove the metal top cover of the battery box by unscrewing the 6 screws present on the two sides (3 on the right side + 3 on the left side) and the 3 screws on the top and the 4 screws on the back side.

- Step 5: Once the battery box is opened, remove the battery fixing plate present on the left side of the unit by unscrewing the 2 screws.

Pull up first and then push the battery fixing plate.
Note: To install the second branch of batteries, repeat the same procedures on the battery fixing plate on the right side of battery box. - Step 6: Now, it is possible to put all batteries in battery box following the picture below (in the following drawing is indicated the fasten positions for the correct batteries placing).

Note: To install the second branch of batteries, repeat the same procedures on the right side of battery box. - Step 7: Connecting the batteries following the wiring diagram shown in next chapter.
- Step 8: Put correct batteries inside with the metal plate.

Note: To install the second branch of batteries, repeat the same procedures on the right side of battery box. - Step 9: Put metal top cover back to the unit. Close the frontal fixing plate and the two parts of the front panel and secure it with screws.
- Step 10: Then, connect battery box to the UPS.
Battery Box 36V
- Step 1: Open the package and place the battery box on a horizontal plane.
- Step 2: Remove the removable front panel part by pulling it from the lower extremity.

- Step 3: Remove the fixed part of the front panel by removing the 2 screw present.

- Step 4: Remove the metal top cover of the battery box by unscrewing 6 screws present on the two sides (3 on the right side and 3 on the left side), 3 screws on the top and 4 screws on the back side.

- Step 5: Once battery box is opened, remove the battery fixing plate present on the left side by unscrewing 2 screws present.

Pull up first and then push the battery fixing plate.
Note: To install the second branch of batteries, repeat the same procedure on the battery fixing plate on the right side of battery box - Step 6: Now, it is possible to put the batteries inside following the picture below (in the following drawing is indicated the fasten positions for the correct batteries placing).

Note: To install the second branch of batteries, repeat the same procedure on the right side of battery box. - Step 7: Connecting all batteries following the wiring diagram shown in next chapter.
- Step 8: Put all batteries inside with the metal plate.

Note: To install the second branch of batteries, repeat the same procedure on the right side of battery box. - Step 9: Put metal top cover back to the unit. Close the frontal fixing plate and the two parts of the front panel and secure it with screws.
- Step 10: Then, connect the battery box to the UPS.
Battery Box 48V
- Step 1: Open the package and place the battery box on a horizontal plane.
- Step 2: Remove the removable front panel part by pulling it from the lower extremity

- Step 3: Remove the fixed part of the front panel by removing the 2 screw present.

- Step 4: Remove the metal top cover of the battery box by unscrewing 8 screws present on the two sides (4 on the right side and 4 on the left side), 3 screws on the top and 4 screws on the back side.

- Step 5: Once the battery box is opened, remove the battery fixing plate present on the left side of the battery box by unscrewing the 2 screws present.

Note: To install the second branch of batteries, repeat the same procedure on the battery fixing plate on the right side of battery box. - Step 6: Now, it is possible to put all batteries inside of unit by following below picture (in the following drawing are indicated the fasten positions for the correct batteries placing).

Note: To install the second branch of batteries, repeat the same procedure on the right side of battery box. - Step 7: Connecting all batteries following the wiring diagram shown in next chapter.
- Step 8: Put all batteries inside with the metal plate.

Note: To install the second branch of batteries, repeat the same procedure on the right side of battery box. - Step 9: Put metal top cover back to the unit. Close the frontal fixing plate and the two parts of the front panel and secure it with screws.
- Step 10: Then, connect the battery box to the UPS.
Battery Box 72V
- Step 1: Open the package and place the battery box on a horizontal plane.
- Step 2: Remove the removable front panel part by pulling it from the lower extremity

- Step 3: Remove the fixed part of the front panel by removing 2 screw present.

- Step 4: Remove the metal top cover of the battery box by unscrewing 8 screws present on the two sides (4 on the right side and 4 on the left side), 3 screws on the top and 4 screws on the back side.

- Step 5: Once battery box is opened, remove the battery fixing plate present on the left side of the battery box by unscrewing the 2 screws present.

Note: To install the second branch of batteries, repeat the same procedure on the battery fixing plate on the right side of battery box. - Step 6: Now, it is possible to put the batteries inside following below picture (in the following drawing are indicated the fasten positions for the correct batteries placing).

Note: To install the second branch of batteries, repeat the same procedure on the right side of battery box. - Step 7: Connecting all batteries following the wiring diagram shown in next chapter.
- Step 8: Put all batteries inside with the metal plate.

Note: To install the second branch of batteries, repeat the same procedure on the right side of battery box. - Step 9: Put metal top cover back to the unit. Close the frontal fixing plate and the two parts of the front panel and secure it with screws.
- Step 10: Then, connect the battery box to the UPS.
Wiring Diagram
Battery Box 24V

Picture example as below:

Note:
The cable connection from external battery connector to PCB is already present inside the battery box. All the other cable connection should be followed by wiring diagram.
Battery Box 36V

Picture example as below:

Note:
The cable connection from external battery connector to PCB is already present inside the battery box. All the other cable connection should be followed by wiring diagram.
Battery Box 48V

Picture example as below:

Note:
The cable connection from external battery connector to PCB is already present inside the battery box. All the other cable connection should be followed by wiring diagram.
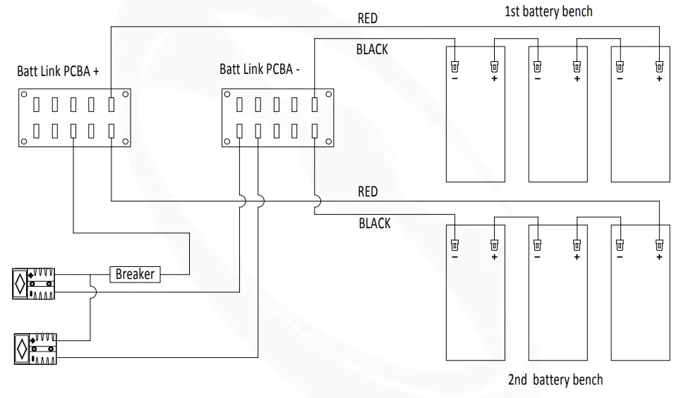
Battery Box 72V

Picture example as below:

Note:
The cable connection from external battery connector to PCB is already present inside the battery box. All the other cable connection should be followed by wiring diagram.
Storage & Maintenance
The unit contains no user-serviceable parts. If the battery service life (3~5 years at 25°C ambient temperature) has been exceeded, the batteries must be replaced. In this case, please contact your dealer.
- Be sure to deliver the spent battery to a recycling facility or ship it to your dealer in the replacement battery packing material.
Storage
Before storing, charge the unit 4 hours. Store the unit covered and upright in a cool, dry location. During storage, recharge the battery in accordance with the following table:
| Storage Temperature | Recharge Frequency | Charging Duration |
| -25°C – 40°C | Every 3 months | 1-2 hours |
| 40°C – 45°C | Every 2 months | 1-2 hours |
