Pioneer TS-WX140DA Active Subwoofer User Manual

Thank you for purchasing this Pioneer product.
Be sure to read this instruction manual before installing this speaker.
WARNING
- Before starting the installation make sure to disconnect the vehicle’s negative (-) battery power cable. This will prevent possible electrical shock.
- When wiring this unit please use the supplied connecting cords. DO NOT remove the fuses. The protection circuit will not work in case of an emergency.
- TS-WX140DA installed in the passenger compartment should be securely anchored in place
- Before drilling any mounting holes check behind where you want to drill the holes to make sure you DO NOT drill into anything such as the gas lines, brake lines or electrical wiring.
- Do not install the TS-WX140DA anywhere it can get wet.
- Install the TS-WX140DA in a location with good ventilation.
- While driving keep your listening volume at a level which does not mask important outside traffic noises, such as emergency vehicles, etc
- High sound levels may cause permanent hearing loss.
CAUTION
- This device is for 12 volt (-) negative ground. Please check your automobile to make sure it is this type.
- When routing leads and cords, secure them with cable retainers and electrician’s adhesive tape or shrink tubing wherever they may touch sharp edges. Keep all wiring away from hot surfaces or heater outlets to prevent short circuits.
- Refer to your car stereo’s operation manual as well when installing speakers in your car.
- Correctly set the input level switch to match the outputs of your car stereo. If this is not correct, you may experience distortion and sound level may not increase.
- Do not leave this remote-control in direct sunshine or at a hot place for a long time. Prolonged exposure may cause the unit to deform, change in color, or become faulty.
Note:
If low frequency noise exists in head unit, noise may be amplified by TS-WX140DA
U.S. and Canadian models only
WARNING
The Safety of Your Ears is in Your Hands Gel the most out of your equipment by playing rt at a safe level – a level that lets the sound come through clearty Without annoying blanng or d1slorlon and. most miportantly. without affecting your senslllve heanng. Sound can be deceMng. Over time, your heanng ·comfort lever adapts to higher volumes of sound, so what sounds “normal• can actually be k>ud and harmful to your hearing. Guard against this by setting your equipment at a safe level BEFORE your heanng adapts
ESTABLISH A SAFE LEVEL:
- Set your volume control at a low serung.
- Slowty increase the sound unt11 y0u can hear rt comfonably and clearty. Without dlSlortion
- Once you have established a comfortable sound level, set lhe dial and leave 1t there.
BE SURE TO OBSERVE THE FOLLOWING GUIDELINES:
- Do not tum up lhe volume so high that you can ‘ t hear what· s around you
- Use caution or temporarily discontinue use in potentially haZardous situations
- Do not use headphones while operabng a motonzed vehicle : lhe use of headphones may create a lrafflC hazard and is illegal in many areas
Register your product at
U.S.A. and CANADA
Pioneer Electronlcs (USA) Inc. CUSTOMER SUPPORT DIVISION P.O. Box 1760 Long Beach, CA 90801-1760 U.S.A. 800-421-1404
Do not ship your unit In for repair without contacting Pioneer ftrst. Units sent without a return authorization numbe will be refused.
U.S. models only
This device complies with Part 15 or the FCC Rules Operation Is subJect to the lollw1ng two condIt1ons · (1) this device may not cause harmful interference. and (2) this device must accepc any interference received. Includmg mterference that may cause undesired operat10n
Information to User
Atleratton or modificalJOfts earned out wrthoul appropnate authonzatlon may invalidate the user’s nght to operate the equIpmenl
Note
This equ1pmenl has been tested and found to comply with lhe limits for a Class B d1glal device, pursuant to
Part 15 of the FCC Rules These hm1ls are designed to provide reasonable protection against harmful interference in a residential Installation This equipment generates. uses and can radiate radio frequency energy and, If not Installed and used in accordance with the Instructions, may cause harmful interference to radio commumcatIons However. there Is no guarantee that interference will not occur
In a particular 1nstalla11on If this equipment does cause harmful interference to radio or televIsIon reception. which can be determined by lurmng the equipment off and on. the user Is encouraged to try to correct the interference by one or more of he following measures
- Reonentorrelocatetherecer,,ngantenna
- Increase lhe separatlOO between the equipment and recerver
- Connect the equIpmeriI in!o an outlet on a C.-Cu1t different from that to which the receiver ts connected
- Consult the dealer or an expenenced radio/TV technician for help.
FEDERAL COMMUNICATIONS COMMISSION SUPPLIER’S OECLARA TION OF CONFORMITY
Product Name ACTIVE SUBWOOFER
Model Numbef TS-WX1400A
Responsible Party Name PIONEER ELECTRONICS (USA) INC. SERVICE SUPPORT DIVISION Address 2050 W 190 th STREET. SUITE 100, TORRANCE, CA 90504. USA
Phone 800-421- 1404
URL https://Jtwwwp,ooeereloctronics.com
Contents
Canadian models onl
FEATURES
- New 3-mode selectable bass curve [Digital Bass Control’”] to match your listening preference
- Proprietary design CLASS-D amplifier effectively produces high power with low current consumption
- Shallow and compact design for fiexible installation options
- Includes cable to easily connect to both aftermarket and factory audio systems
CONNECYIONS

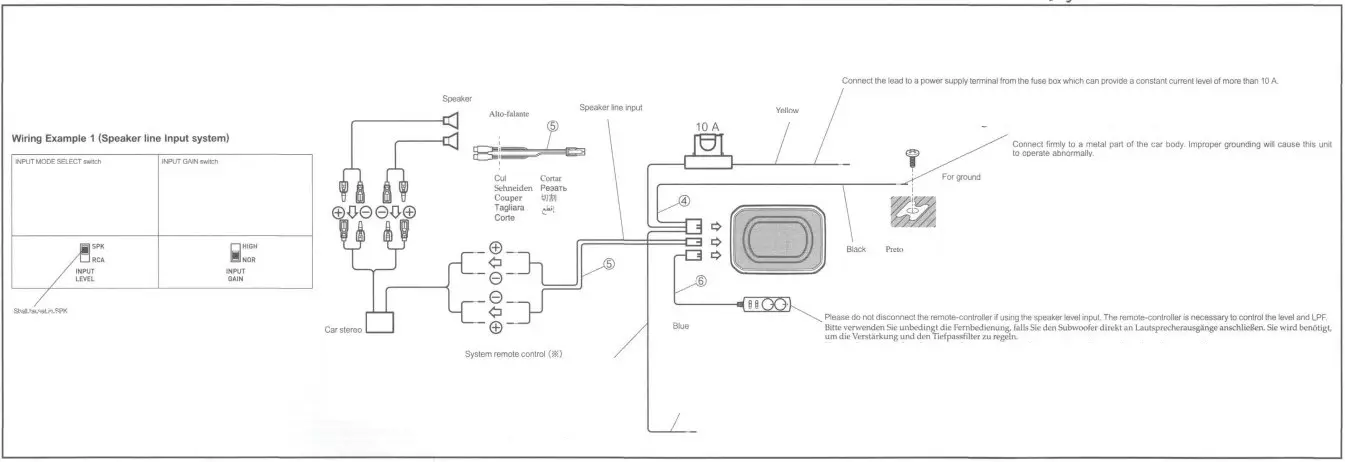
- Wiring Example 1 (Speaker line Input system)
- INPUT MODE SELECT SWllch
- INPUT GAIN switch
- Shallbeset,nSPK
- Car stereo
- System remote control (*)
- Speaker
- Cut
- Yellow
- Blue
- Connect the lead lo a power supply terminal from the fuse box which can provide a constant current level of more than 10 A
- Connect firmly to a metal part of the car body. Improper grounding will cause this unit to operate abnormally
- ~ ~ Please do not disconnect the remote-controner if using the speaker level input. The remote~controller is necessary to control the level and LPF.
- Wiring Example 2 (RCA Input system)
- car stereo Preouts
- INPUT MODE SELECT switch
- INPUT GAIN switch
- ShallbesetnRCA
- System remote control output
- Deck, etc
- Deck.etc
- Blue
- Power amplifier
- RCA cord (Not included)
- RCApreout
- Blue
- Yellow
- Connect the lead to a power supply terminal from the fuse box which can provide a constant current level of more than 10 A.
- Connect firmly to a metal part of the car body. Improper grounding will cause this unit to operate abnormally.
- System remote control input cord (blue cord included) supplies power to your unit, determining whether it is ON or OFF. Wire the cord to the system remote control output of your deck. etc
Note
If speaker line input wires from a headuml are connected to this amplifier, the amplifier will automat1cally turn on when the headunit is turned on. When the headunit is turned off. the amplifier turns off automatically This function may not work with some headunits. In such cases. please use a system remote control wire and connected to the accessory connector in the car’s fuse unit from wh1ch over 2 A can be supphed
FINAL STEP OF THE INSTALLATION
Finish the installation by reconnecting the vehicle’s negalive (-) battery lead.
HOW TO INST ALL
- Attaching cord clampers
Please ensure you leave enough cable spare at the connector side for flexible and safe installation, to avoid damage to the remote control cable.

- How to attach the remote control

PARTS INCLUDED
SPECIFICATIONS
Speaker specifications
Size· 20 cmX13 cm (8″X5-1/4″) High compliance, rolled edge Heat-resistant voice coil Strontium magnet: 510 g (1 lb 2 oz)
CONTROLS AND THEIR USE

- Power indicator lightsupwtlenpoweristumedon
- Gain control Usethiscountroltosetthedesiredgainlevel The GAIN conIrol circuit prolecls the subwooler from excessive input and mayau to mall cally adJ usttheleveltopreventdamage
- Frequency control Tumthisknobtochange thefrequency duringsoundre production Setthe knob to the bas setting of your choice(selectablefrequencyfrom 50Hzto125Hz)
- Phase switch Use switchto select the phase according to the system
- BASS MODE switch BASS MODE provides selectable bass tuning to suit vanous music Output is momentarily reduced when switching between modes
- Resetting the microprocessor
PleaseresetthemteroprocessQfunderthefollowmgcond1t1ons- Afterin stalla Uonand before first use
- lf theunlt fails to operate property.
- INPUT MOOE SELECT switch
RCA : When using the RCA input
SPK : When using the speaker level input - INPUT GAIN switch
HIGH : When using the RCA input with a hi•volt preouts car stereo(;;:; 4 V RCAPreouts)
NOR : When using the RCA input with a standard preouts car stereo or whenusingthespeakerlevelinput
| Input | Gar st8f90 Preouts | INPUT MOOE SELECT swrtch | INPUT GAIN swrtch |
| Speaker line Input system | ![]() |
||
| RCAlnputsystem | ![]() |
![]() |
|
| RCA Input system | ![]() |
![]() |
Output Sound Pressure Frequenstic (In Car)

CROSSOVER FREQUENCY

EU models only

If you want to d1sp~se ~his product._ do not mix II with general household w~ste. There is a separate collection system for used electronic products in A accordance with leg1slat1on that reqwres proper treatment. recovery and recychng.
Private households in the member states of the EU, in Switzerland and Norway may return their used electronic products free of charge to designated collection facilities or to a retailer (if you purchase a similar new one)
For countries not mentioned above, please contact your local authonties for the correct method of disposal
By doing so you will ensure that your disposed product undergoes the necessary treatment, recovery and recycling and thus prevent potential negative effects on the environment and human health
PIONEER ELECTRONICS (USA) INC.
LIMITED WARRANTY
WARRANTY VALID ONLY IN COUNTRY OF PRODUCT PURCHASE
WARRANTY
Pioneer Electronics (USA) Inc. (Pioneer) warrants that Pioneer® Car Electronics, Speaker, and Accessory Products distributed by Pioneer in the U.S.A. and Canada that fail to function properly under normal use due to a manufacturing defect when installed and operated according to the owner’s manual enclosed with the unit will be repaired or replaced with a unit of comparable value, at Pioneer’s option, without charge to you for parts or actual repair work. Replacement units and/or parts supplied under this warranty may be new or rebuilt at Pioneer’s option.
This Limited Warranty applies to the original or any subsequent owner of this Pioneer product during the warranty period provided the product was purchased from an authorized Pioneer dealer in the U.S.A. or Canada. You will be required to provide a sales receipt or other valid proof of purchase showing the date of original purchase. In the event service is required, the product must be delivered within the warranty period, transportation prepaid, only from within the country of purchase as explained in this document. You will be responsible for removal and installation of the product. Pioneer will pay to return the repaired or replacement productto you within the country of purchase.
PRODUCT WARRANTY PERIOD (Runs from the date of first retail sale)
Car Electronics, Speakers, and Accessories …………………………..
WHAT IS NOT COVERED
This Limited Warranty applies to Pioneer products that are purchased from an authorized Pioneer dealer. IF THIS PRODUCT WAS PURCHASED FROM ANY OTHER SOURCE, THERE ARE NO WARRANTIES, EXPRESS OR IMPLIED, INCLUDING THE IMPLIED WARRANTY OF MERCHANTABILITY AND THE IMPLIED WARRANTY OF FITNESS FOR A PARTICULAR PURPOSE AND THIS PRODUCT IS SOLD STRICTLY “AS IS” AND “WITH ALL FAULTS”. PIONEER SHALL NOT BE LIABLE FOR ANY CONSEQUENTIAL AND/OR INCIDENTAL DAMAGES. Some states and provinces do not allow the exclusion or limitation of incidental or consequential damages, so the above limitation or exclusion may not apply to you. Pioneer does not warrant any product listed above when it is used in a trade or business or in any industrial or commercial application. This warranty does not apply if the product has been subjected to power in excess of its published power rating. This warranty does not cover cosmetic scratches or any other appearance item; damage or defects resulting from alterations or modifications not authorized in writing by Pioneer; accident, collisions, misuse or abuse; the use of unauthorized parts or labor; improper installation or maintenance; lightning or power surges; subsequent damage from leaking; damage from inoperative batteries; or the use of batteries not conforming to those specified in the owner’s manual. This warranty does not cover the cost of parts or labor that would otherwise be provided without charge under this warranty obtained from any source other than Pioneer. Altered, defaced, or removed serial numbers void this warranty.
NO OTHER WARRANTIES
TO THE FULLEST EXTENT PERMITTED BY LAW, PIONEER MAKES NO REPRESENTATIONS OR WARRANTIES ORACCEPTSANY CONDITIONS WITH RESPECT TO THIS PRODUCT EXCEPT AS STATED IN THIS DOCUMENT. PIONEER LIMITS ITS OBLIGATIONS UNDER ANY IMPLIED WARRANTIES AND CONDITIONS INCLUDING, BUT NOT LIMITED TO, WARRANTIES AND CONDITIONS, WHETHER EXPRESS OR IMPLIED, OF MERCHANTABILITY AND FITNESS FORA PARTICULAR PURPOSE, TO A PERIOD NOT TO EXCEED THE WARRANTY PERIOD. NO WARRANTIES OR CONDITIONS SHALL APPLY AFTER THE WARRANTY PERIOD. Some states and provinces do not allow limitations on how long an implied warranty lasts, so the above limitations or exclusions may not apply to you.
This warranty gives you specific legal rights, and you may also have other rights which vary from state to state or province to province. To the extent any provision of this limited warranty is deemed invalid or unenforceable under applicable law, such determination will have no effect on the remaining provisions, which will continue in full force and effect.
TO OBTAIN SERVICE
In the U.S.A. or Canada, to receive warranty service, you need to present your sales receipt showing place and date of original owner’s transaction.
Please contact one of the following to obtain service:
Your Authorized Pioneer Dealer – Your Pioneer Dealer may repair or replace your unit or refer you to an Authorized Pioneer Service Company. Your sales receipt should list the contact information (phone number, fax, email, etc.) for your Dealer.
Pioneer Customer Support – Can advise the optimal service option for your model and geographic location. Please call us at 1-800-421-1404 or visit www.pioneerelectronics.com (for USA) or https://www.pioneerelectronics.ca (for Canada), click on “Support,” then select “Contact Us.”
Your Authorized Pioneer Service Company – Can perform repairs for most Car Electronics, Speaker and Accessory products and advise other options as applicable. Please visit Pioneer’s website, click on “Support,” and select “Find a Service Center.” Shipping Your Unit for Service – YOU MUST FIRST CONTACT PIONEER TO GET RETURN
AUTHORIZATION. PLEASE DO NOT SEND IN YOUR PRODUCT WITHOUT CONTACTING CUSTOMER SUPPORT. If you have a return authorization number, please package the product carefully and send it transportation prepaid by a traceable, insured method to an Authorized Pioneer Service Company or Pioneer. Use adequate padding material to prevent damage in transit. Include your name, address and a telephone number where you can be reached during business hours.
For questions about your product, please contact Pioneer Customer Support as described above or write to us at:
Customer Support
Pioneer Electronics (USA) Inc.
P.O. Box 1720
Long Beach, California 90801 U.S.A
DISPUTE RESOLUTION
Following our response to any initial request to Customer Support, should a dispute arise between you and Pioneer, Pioneer makes available its Complaint Resolution Program to resolve the dispute. The Complaint Resolution Program is available to you without charge. In the U.S.A., you are required to use the Complaint Resolution Program before you exercise any rights under, or seek any remedies, created by the Magnuson-Moss Warranty Act but may be entitled to file suit under state law without using the Complaint Resolution Program. To use the Complaint Resolution Program, call 1-800-421-1404 and explain to the customer service representative the problem you are experiencing, steps you have taken to have the product repaired during the warranty period, and the name of the authorized Pioneer Dealer from which the Pioneer product was purchased. After the complaint has been explained to the representative, a resolution number will be issued. Within forty (40) days of receiving your complaint, Pioneer will investigate the dispute and will either: (1) respond to your complaint in writing informing you what action Pioneer will take, and in what time period, to resolve the dispute; or (2) respond to your complaint in writing informing you why Pioneer will nottake any action.
RECORD THE PLACE AND DATE OF PURCHASE. KEEP THIS INFORMATION AND YOUR SALES RECEIPT IN A SAFE PLACE
Model No. ________________ Serial No. _________Purchase Date __________
Purchased From—————————–UCC0119





