PENTAIR Fleck 5600 Series Automatic Meter Water Softener System Owner’s Manual

Home » Pentair » PENTAIR Fleck 5600 Series Automatic Meter Water Softener System Owner’s Manual

PENTAIR-LOGO

PENTAIR Fleck 5600 Series Automatic Meter Water Softener System

PENTAIR-Fleck-5600-Series-Automatic-Meter-Water-Softener-System-PRODUCT

INTRODUCTION

IMPORTANT PLEASE READ

  • The information, specifications and illustrations in this manual are based on the latest information available at the time of release. The manufacturer reserves the right to make changes at any time without notice.
  • This manual is intended as a guide for service of the valve only. System installation requires information from a number of suppliers not known at the time of manufacture. This product should be installed by a plumbing professional.
  • This unit is designed to be installed on a potable water system only and is not intended to treat water that is microbiologically unsafe or of unknown quality without adequate disinfection before and after the system.
  • This product must be installed in compliance with all state and municipal plumbing and electrical codes. Permits may be required at the time of installation.
  • It is established that when daytime water pressure exceeds 80 psi (5.5 bar), the maximum pressure rating of 125 psi (8.6 bar) can be exceeded. A pressure regulator must be installed on this system or warranty is voided.
  • Do not install the unit where temperatures may drop below 32°F (0°C) or above 120°F (52°C).
  • Do not place the unit in direct sunlight. Black units will absorb radiant heat increasing internal temperatures.
  • Do not strike the valve or any of the components.
  • Warranty of this product extends to manufacturing defects. Misapplication of this product may result in failure to properly condition water, damage to product, or personal injury.
  • A prefilter should be used on installations in which free solids are present.
  • In some applications local municipalities treat water with Chloramines. High Chloramine levels may damage valve components.
  • Correct and constant voltage must be supplied to the controller to maintain proper function.
  • The system is intended to treat only potable quality water. It is not intended as the permanent primary treatment of water from a source that is contaminated, such as from radon, pesticides, insecticides, sewage or wastewater.
  • This system is not intended for use by persons (including children) with reduced physical, sensory, or mental capabilities, or lack of experience and knowledge, unless they have been given supervision or instruction concerning use of the appliance by a person responsible for their safety.
  • Children shall not play with the system.
  • Cleaning shall not be made by children without supervision.
  • Periodic cleaning and maintenance may be required to function properly. See disinfection instructions.

CALIFORNIA PROPOSITION 65 WARNING

WARNING: This product contains chemicals known to the State of California to cause cancer or birth defects or other reproductive harm.

JOB SPECIFICATION SHEET

  • Job Number: ______________________________________
  • Model Number: _________________________________
  • Water Hardness: _______________________________
    • ppm or gpg
  • Capacity Per Unit:___________________________
  • Mineral Tank Size:_____________
  • Diameter:_________
  • Height:_______________
  • Salt Setting per Regeneration: _____________________
  1. Type of Timer:
    1. A. Time Clock
    2. B. Meter Initiated
  2. Downflow: Upflow Upflow Variable
  3. Meter Size:
    • 3/4-inch Turbine
    • 3/4-inch Paddle Wheel
    • Electronic_____________ Pulse Count__________ Meter Size__________________
  4. System Type:
    • System #4: 1 Tank, 1 Meter, Immediate, or Delayed Regeneration
    • System #4: Time Clock
  5. Valve Operating Parameters: 5600
    • Minimum operating pressure: 20 psi / 1.4 bar / 138 kPa
    • Maximum operating pressure: 125 psi / 8.61 bar / 861 kPa
    • Minimum water temperature: 34° F / 1° C
    • Maximum water temperature: 110° F / 43° C
    • Maximum Ambient temperature: 120° F / 52° C
    • Maximum humidity: 75%
    • Input Voltage: 120 Volts AC / 60 Hz
    • Maximum Watts: 3 watts
    • Maximum altitude: 2000 meters
  6. Timer Program Settings:
    • Backwash: _________________________________________________Minutes
    • Brine and Slow Rinse:________________________________________Minutes
    • Rapid Rinse:________________________________________________Minutes
    • Brine Tank Refill:____________________________________________Minutes
    • Pause Time:________________________________________________Minutes
    • Second Backwash: _________________________________________Minutes
  7. Drain Line Flow Control: gpm
  8. Brine Line Flow Controller: gpm
  9. Injector Size#: ……………………………..

INSTALLATION

Water Pressure

  • A minimum of 25 psi (1.7 bar) of water pressure is required for regeneration valve to operate effectively.

Electrical Warnings & Caution Statement

  • An uninterrupted alternating current (A/C) supply is required.

NOTE: Other voltages are available. Please make sure your voltage supply is compatible with your unit before installation.

Grounding Instructions

This appliance must be grounded. In the event of a malfunction or breakdown, grounding will reduce the risk of electric shock by providing a path of least resistance for electric current. This appliance is equipped with a cord having an appliance-grounding conductor and a grounding plug. The plug must be plugged into an appropriate outlet that is installed and grounded in accordance with all local codes and ordinances.

Warning

  • Improper connection of the appliance-grounding conductor can result in a risk of electric shock. Check with a qualified electrician or service representative if you are in doubt whether the appliance is properly grounded. Do not modify the plug provided with the appliance; if it will not fit the outlet, have a proper outlet installed by a qualified technician.
  • Risk of electric shock. Disconnect power before servicing.

FOR DRY LOCATIONS USE ONLY.
The cover should only be removed during installation set-up and maintenance by a qualified service person.

Existing Plumbing

Condition of existing plumbing should be free from lime and iron buildup. Piping that is built up heavily with lime and/or iron should be replaced. If piping is clogged with iron, a separate iron filter unit should be installed ahead of the water softener.

Location of Softener and Drain

PENTAIR-Fleck-5600-Series-Automatic-Meter-Water-Softener-System-FIG-1

The softener should be located close to the drain to prevent air breaks and back flow. You must have an air gap on the drain line to prevent back flow of drain water into the system. The air gap should be two (2) times the diameter of the drain line pipe but must be at least 1-inch.

By-Pass Valves

  • Always provide for the installation of a by-pass valve if unit is not equipped with one.

CAUTION: Water pressure is not to exceed 125 psi (8.6 bar), water temperature is not to exceed 110°F (43°C), and the unit cannot be subjected to freezing conditions.

Installation Instructions

  1. Place the softener tank where you want to install the unit making sure the unit is level and on a firm base.
  2. During cold weather, the installer should warm the valve to room temperature before operating.
  3. All plumbing should be done in accordance with local plumbing codes. The pipe size for residential drain line should be a minimum of 1/2 inch (13 mm). Backwash flow rates in excess of 7 gpm (26.5 Lpm) or length in excess of 20 feet (6 m) require 3/4 -inch (19 mm) drain line. Commercial drain lines should be the same size as the drain line flow control.
  4. Refer to the dimensional drawing for cutting height of the distributor tube. If there is no dimensional drawing, cut the distributor tube flush with the top of the tank.
  5. Lubricate the distributor o-ring seal and tank o-ring seal. Place the main control valve on tank.
    • NOTE: Only use silicone lubricant.
  6. Solder joints near the drain must be done prior to connecting the Drain Line Flow Control fitting (DLFC). Leave at least 6 inches (15 cm) between the DLFC and solder joints when soldering pipes that are connected on the DLFC. Failure to do this could cause interior damage to the DLFC.
  7. Plumber tape is the only sealant to be used on the drain fitting. The drain from twin tank units may be run through a common line.
  8. Make sure that the floor is clean beneath the salt storage tank and that it is level.PENTAIR-Fleck-5600-Series-Automatic-Meter-Water-Softener-System-FIG-2
  9. Place approximately 1 inch (25 mm) of water above the grid plate. If a grid is not utilized, fill to the top of the air check (Figure 1) in the salt tank. Do not add salt to the brine tank at this time.
  10. On units with a by-pass, place in by-pass position. Turn on the main water supply. Open a cold soft water tap nearby and let run a few minutes or until the system is free from foreign material (usually solder) that may have resulted from the installation. Once clean, close the water tap.
  11. Slowly place the by-pass in service position and let water flow into the mineral tank. When water flow stops, slowly open a cold water tap nearby and let run until the air is purged from the unit.
  12. Plug unit into an electrical outlet.

NOTE: All electrical connections must be connected according to local codes. Be certain the outlet is uninterrupted.

START-UP INSTRUCTIONS

The water softener should be installed with the inlet, outlet, and drain connections made in accordance with the manufacturer’s recommendations, and to meet applicable plumbing codes.

  1. Turn the manual regeneration knob slowly in a clockwise direction until the program micro switch lifts on top of the first set of pins. Allow the drive motor to move the piston to the first regeneration step and stop. Each time the program switch position changes, the valve will advance to the next regeneration step. Always allow the motor to stop before moving to the next set of pins or spaces.
    • NOTE: For electronic valves, please refer to the manual regeneration part of the timer operation section. If the valve came with a separate electronic timer service manual, refer to the timer operation section of the electronic timer service manual.
  2. Position the valve to backwash. Ensure the drain line flow remains steady for 10 minutes or until the water runs clear (see above).
  3. Position the valve to the brine / slow rinse position. Ensure the unit is drawing water from the brine tank (this step may need to be repeated).
  4. Position the valve to the rapid rinse position. Check the drain line flow, and run for 5 minutes or until the water runs clear.
  5. Position the valve to the start of the brine tank fill cycle. Ensure water goes into the brine tank at the desired rate. The brine valve drive cam will hold the valve in this position to fill the brine tank for the first regeneration.
  6. Replace control box cover.
  7. Put salt in the brine tank.
    • NOTE: Do not use granulated or rock salt.

SYSTEM DISINFECTION

Disinfection of Water Softeners

The materials of construction of the modern water softener will not support bacterial growth, nor will these materials contaminate a water supply. During normal use, a softener may become fouled with organic matter, or in some cases with bacteria from the water supply. This may result in an off-taste or odor in the water.

Some softeners may need to be disinfected after installation and some softeners will require periodic disinfection during their normal life. Depending upon the conditions of use, the style of softener, the type of ion exchanger, and the disinfectant available, a choice can be made among the following methods.

Sodium or Calcium Hypochlorite

Application

  • These materials are satisfactory for use with polystyrene resins, synthetic gel zeolite, greensand and bentonites.

5.25% Sodium Hypochlorite

These solutions are available under brand names of household bleach. If stronger solutions are used, such as those sold for commercial laundries, adjust the dosage accordingly.

  1. Dosage
    • Polystyrene resin; 1.2 fluid ounce (35.5 ml) per cubic foot.
    • Non-resinous exchangers; 0.8 fluid ounce (23.7 ml) per cubic foot.
  2. Salt tank softeners
    • Backwash the softener and add the required amount of hypochlorite solution to the well of the salt tank. The salt tank should have water in it to permit the solution to be carried into the softener.
    • Proceed with the normal recharge.

Calcium Hypochlorite

Calcium hypochlorite, 70% available chlorine, is available in several forms including tablets and granules. These solid materials may be used directly without dissolving before use.

  1. Dosage
    • Two grains (approximately 0.1 ounce [3 ml]) per cubic foot.
  2. Salt tank softeners
    • Backwash the softener and add the required amount of hypochlorite to the well of the salt tank. The salt tank should have water in it to permit the chlorine solution to be carried into the softener.
    • Proceed with the normal recharge.

INSTALLATION AND START-UP PROCEDURES

MODEL 5600 WITH TIME CLOCK INSTALLATION AND START-UP PROCEDURES

NOTE: Install the water softener with the inlet, outlet, and drain connections made according to manufacturer’s recommendations and to meet applicable plumbing codes.

PENTAIR-Fleck-5600-Series-Automatic-Meter-Water-Softener-System-FIG-3

  1. Manually index the softener control into the In Service position and let water flow into the resin tank. When the water flow stops, open a softened water tap until all air is released from the lines. Then close tap.
    1. UNOTE: Manually dial the various regeneration positions by turning the knob on the front of the control until the indicator shows that the softener is in the desired position.
  2. Manually index the control to the Backwash position and allow water to flow at the drain for 3 or 4 minutes.
  3. Remove back cover plate.
  4. Make sure that the salt dosage is set as recommended by the manufacturer. If necessary, set salt according to the setting instruction sheet. Manually index the control to the Brine Fill position and allow the brine tank to fill to the topof the air check.
  5. Manually index the control to the Brine Draw position and allow the control to draw water from the brine tank until it stops.
  6. Plug in the electrical cord and look in the sight hole in the back of the motor to see that it is running. Set the days that regeneration is to occur by sliding tabs on skipper wheeloutward to expose trip fingers.
    • Each tab is one day.
    • Finger at red pointer is tonight.
    • Moving clockwise from red pointer, extend or retract fingers to obtain the desired generation schedule.
  7. Manually advance the control to the beginning of the Brine Fill position and allow the control to return to the In Service position automatically.
  8. Fill the brine tank with salt.
  9. Replace back cover on the control.
  10. Make sure that any bypass valving is left in the normal In Service position.

MODEL 5600 BACKWASH FILTER INSTALLATION AND START-UP PROCEDURES

NOTE: Install the water softener with the inlet, outlet, and drain connections made according to manufacturer’s recommendations and to meet applicable plumbing codes.

PENTAIR-Fleck-5600-Series-Automatic-Meter-Water-Softener-System-FIG-4

NOTE: Before plugging in the Unit

  1. Open a treated water tap down stream of the filter.
  2. Manually index the filter to the In Service position and allow the mineral tank to fill by slowly opening the main water supply valve. Any bypass should be in the In Service position.
    • NOTE: The water flowing from the downstream tap is cloudy and/or contains media fines as well as air. Allow the water to run until it appears clean and free of air.
  3. When a steady clean flow appears at the tap, close the tap and the main water supply valve and allow the filter media bed to settle for 15–20 minutes.
  4. Manually index the filter to the Backwash position.
  5. To prevent a sudden surge of water and air, partially open the main water supply valve so that the flow at the drain of the filter is approximately 1 gpm (3.7 Lpm). The water at the drain is cloudy again and/or contains media fines as well as air. Allow water to flow at the drain until it appears clean and free of air.
  6. Continue to open the water supply valve until it is completely open. Allow water to flow at the drain until all media fines are washed out of the filter.
  7. Manually index the filter to the In Service position, and again open the downstream tap. Check to be sure that the water flows clear. If necessary, allow water to flow until all media fines are gone. If the tap is equipped with an aerator check that is not plugged with media fines and pipe scale.
  8. Plug in the electrical cord and look in the sight hole on the back of the timer motor to ensure that it is running. Set the days backwashing is to occur by sliding tabs on the skipper wheel outward to expose trip fingers. Each tab is one day. Finger at red pointer is tonight. Moving clockwise from red pointer, extend or retract fingers to obtain the desired backwash schedule.
  9. Set time of day by pushing red button and spin the 24-hour gear until the present time of day is visible above the time of day arrow.

Cycle Times and Flow Diagrams

  1. In Service position.
  2. Preliminary Rinse position.
    • See with standard piston (white end plug) or filter piston (black end plug).
    • Eliminated with low water piston (gray end plug).
  3. Backwash position.
    • See with standard piston.
    • 15 minutes with filter piston.
    • 7 minutes with low water piston.
  4. Brine Rinse position.
    • Eliminated, resulting in a 50 minute pause, no water flows during this time.
  5. Slow Rinse position.
    • Eliminated, resulting in a 50 minute pause, no water flows during this time.
  6. Second Backwash position.
    • See with standard piston.
    • 15 minutes with filter piston.
    • 7 minutes with low water piston.
  7. Settling Rinse position.
    • See with standard or filter piston.
    • Eliminate with low water piston.
  8. Brine Tank Refill position.
    • Eliminated, filter is back in service at this time.

MODEL 5600 METERED INSTALLATION AND START-UP PROCEDURES

NOTE: Install the water softener with the inlet, outlet, and drain connections made according to manufacturer’s recommendations and to meet applicable plumbing codes.

PENTAIR-Fleck-5600-Series-Automatic-Meter-Water-Softener-System-FIG-5

Before plugging in the Unit

  1. Manually index the softener control to the In Service position and let water flow into the resin tank. When the water flow stops, open a softened water tap until all air is released from the lines. Then close tap.
  2. The various regeneration positions may be dialed manually by turning the knob on the front of the control until the indicator shows that the softener is in the desired position.
  3. Set water usage program wheel using any one of the following procedures:
    • Typical Residential Application: To program, just set the time, set the hardness and it automatically monitors system needs and regenerates only when necessary. To set time of day press red time set button and turn 24-hour gear until present time of day is at “time of day.” Set program wheel by lifting the “people” dial and rotating it so that the number of people in the household is aligned with the household grains per gallon water hardness. Release the dial and check for firm engagement at setting. This method provides reserve capacity based on 75 gallons per person. Optional Programming Procedures Calculate the gallon capacity of the system, subtract the necessary reserve requirement and set the gallons available at the small white dot on program wheel gear. Note, drawing shows 850 gallon setting. The capacity (gallons) arrow denotes remaining gallons exclusive of fixed reserve.
  4. Rotate program wheel counterclockwise until it stops at Regeneration position.
  5. Manually index the control to the Backwash position and allow water to flow at the drain for 3 or 4 minutes.
  6. Remove back cover plate.
  7. Make sure than the salt dosage is set as recommended by the manufacturer. Manually index the control to the Brine Fill position and allow the brine tank to fill to the top of the air check.
  8. Manually index the control to the Brine Rinse position and allow the control to draw water from the brine tank until it stops. Plug in the electrical cord and look in the sight hole inthe back of the monitor to see that it is running.
  9. Manually advance the control to the beginning of the Brine Fill position and allow the control to return to the In Service position automatically.
  10. Fill the brine tank with salt.
  11. Replace back cover on the control. Be sure cable is not pinched between cover and housing.
  12. Make sure that any bypass valving is left in the normal In Service position.
  13. Manually index the filter to the In Service position and allow the mineral tank to fill by slowly opening the main water supply valve. Any bypass should be in the In Service position.

WATER CONDITIONER FLOW DIAGRAMS

 

PENTAIR-Fleck-5600-Series-Automatic-Meter-Water-Softener-System-FIG-6

PENTAIR-Fleck-5600-Series-Automatic-Meter-Water-Softener-System-FIG-7

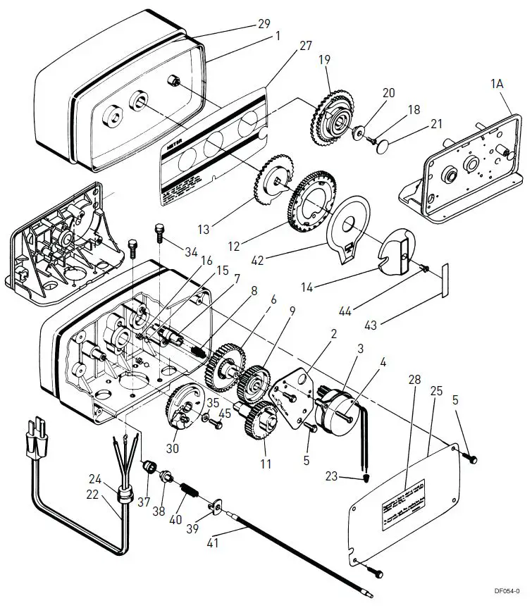
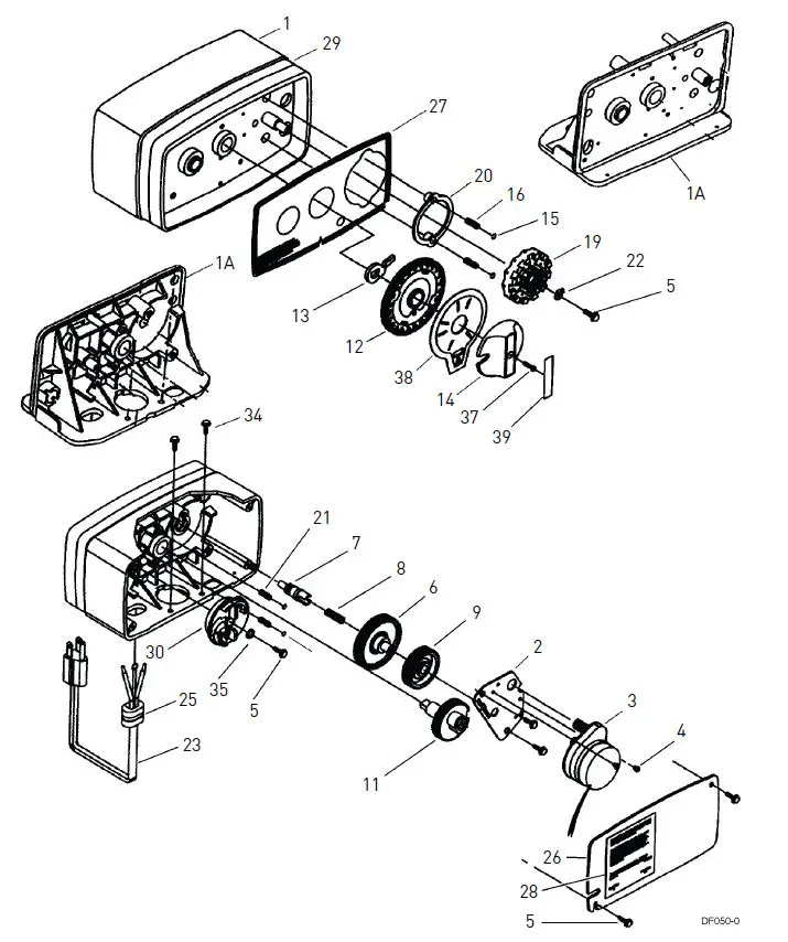
MODEL 5600 CONTROL VALVE DRIVE ASSEMBLY

PENTAIR-Fleck-5600-Series-Automatic-Meter-Water-Softener-System-FIG-8

PENTAIR-Fleck-5600-Series-Automatic-Meter-Water-Softener-System-FIG-32

PENTAIR-Fleck-5600-Series-Automatic-Meter-Water-Softener-System-FIG-16

PENTAIR-Fleck-5600-Series-Automatic-Meter-Water-Softener-System-FIG-33

  • *not used with meter controls
  • s = used in backwash filter

PENTAIR-Fleck-5600-Series-Automatic-Meter-Water-Softener-System-FIG-17

PENTAIR-Fleck-5600-Series-Automatic-Meter-Water-Softener-System-FIG-34

5600 ELECTROMECHANICAL

Softener Time Clock

Item No. /QTY /Part No. /Description

  • 1 ……………………………… 1 ……………………………… 560001-003 ……………………………… 5600, SOF, DFN, CLK, 12DA, 12060,
      • CW 1–, .50, LES, NA2, 1600, SOFT
    • ……………………………… 560001-004 ……………………………… 5600, SOF, DFN, CLK, 12DA, 24-60,
      • CW 1–, .25, LES, NA2, 1600, SOFT
    • ………………………………560001-005 ………………………………5600, SOF, DFN, CLK, 12DA, 12060,
      • CW 1–, .50, LES, NA2, 1600, SOFT
    • ………………………………560001-006 ……………………………… 5600, SOF, DFN, CLK, 12DA, 24-60,
      • CW 1–, .50, LES, NA2, 1600, SOFT
    • ………………………………560001-007 ……………………………… 5600, SOF, DFN, CLK, 12DA, 12060,
      • CW 1–, .50, LES, NA2, 1600, SOFT
    • ………………………………560001-009 ……………………………… 5600, SOF, DFN, CLK, 12DA, 12060,
      • CW 1–, .50, LES, NA2, 1600, SOFT
    • ………………………………560001-013 ………………………………5600, SOF, DFN, CLK, 12DA, 12060,
      • CW 1–, .25, LES, NA2, 1600, SOFT

Filter Time Clock

Item No. /QTY /Part No. /Description

  • 1 ……………………………… 1 ………………………………560000-001 ……………………………… 5600, FIL, DFN, CLK, 7DAY, 12060,
      • CW BWF, BWF, LES, NA2, BWF-, FILT
    • ………………………………560001-001 ……………………………… 5600, FIL, DFN, CLK, 12DA, 12060,
      • CW BWF, BWF, LES, NA2, BWF-, FILT
    • ………………………………560001-002 ……………………………… 5600, FIL, DFN, CLK, 12DA, 12060,
      • CW BWF, BWF, LES, NA2, BWF-, FILT
    • ………………………………560001-008 ……………………………… 5600, FIL, DFN, CLK, 12DA, 22050,
      • CW BWF, BWF, LES, NA2, BWF-, FILT
    • ………………………………560001-010 ……………………………… 5600, FIL, DFN, CLK, 12DA, 12060,
      • CW BWF, BWF, LES, NA2, BWF-, FILT
    • ………………………………560001-012 ……………………………… 5600, FIL, DFN, CLK, 12DA, 12060,
      • CW BWF, BWF, LES, NA2, BWF-, FILT

Softener Meter

Item No. /QTY /Part No. /Description

  • 1 ……………………………… 1 ………………………………560002-001 ………………………………5600, SOF, DFN, M34, MDEL, 12060, CW
      • 1–, .50, LES, NA2, 1600, SOFT
    • ………………………………560002-002 ……………………………… 5600, SOF, DFN, M34, MDEL, 24-60, CW
      • 1–, .50, LES, NA2, 1600, SOFT
    • ………………………………560002-003 ……………………………… 5600, SOF, DFN, M34, MDEL, 12060, CW
      • 1–, .50, LES, NA2, 1600, SOFT
    • ………………………………560002-004……………………………… 5600, SOF, DFN, M34, MDEL, 24-60, CW
      • 1–, .50, LES, NA2, 1600, SOFT
    • ………………………………560002-005 ……………………………… 5600, SOF, DFN, M34, MDEL, 12060, CW
      • 1–, .50, LES, NA2, 1600, SOFT
    • ………………………………560002-006 ……………………………… 5600, SOF, DFN, M34, MDEL, 12060, CW
      • 1–, .50, LES, NA2, 1600, LWAT
    • ………………………………560002-007 ……………………………… 5600, SOF, DFN, M34, MDEL, 12060, CW
      • 1–, .50, LES, NA2, 1600, LWAT
    • ………………………………560002-008 ……………………………… 5600, SOF, DFN, M34, MDEL, 24-60, CW
      • 1–, .50, LES, NA2, 1600, LWAT
    • ………………………………560002-009 ……………………………… 5600, SOF, DFN, M34, MDEL, 24-60, CW
      • 1–, .50, LES, NA2, 1600, LWAT
    • ………………………………560002-010 ……………………………… 5600, SOF, DFN, M34, MDEL, 12060, CW
      • 1–, .50, LES, NA2, 1600, SOFT
    • ………………………………560002-011 ……………………………… 5600, SOF, DFN, M34, MDEL, 12060, CW
      • 1–, .50, LES, NA2, 1600, SOFT

NOTE: Above part numbers DO NOT include the following parts.

  • Cover
  • Bypass Assembly
  • Yoke Assembly
  • DLFC with Retainer
  • Flow Washers
  • Transformer*

See accessory page for options.
*See ordering guide for details.

5600 VALVE ACCESSORIES

Covers

PENTAIR-Fleck-5600-Series-Automatic-Meter-Water-Softener-System-FIG-18

  • 13753-02 ………………………………Cover, 5600, Black
  • 42345-03 ………………………………Cover, 5600, Mechanical, Smoke
  • 42345-04 ………………………………Cover, 5600, Mechanical, Transparent Blue
  • 60226-11 ………………………………Cover, 5600, Designer I, Blk/Blk
  • 60226-22 ………………………………Cover, 5600, Designer I, Blue/Blue

Bypasses

PENTAIR-Fleck-5600-Series-Automatic-Meter-Water-Softener-System-FIG-19

  • 60041SS ……………………………… 1” Bypass, SS, NPT
  • 60040SS ……………………………… 3/4” Bypass, SS, NPT
  • 60049 ………………………………Bypass, Plastic

Yokes

PENTAIR-Fleck-5600-Series-Automatic-Meter-Water-Softener-System-FIG-20

  • 19620-01 ………………………………Yoke Assy, 3/4″, r/angle, 90 deg.
  • 18706 ……………………………… 1″ Yoke, Plastic NPT
  • 18706-10 ……………………………… 1″ Yoke, Plastic BSP
  • 18706-02 ………………………………3/4″ Yoke, Plastic NPT
  • 18706-12 ……………………………… 3/4″ Yoke, Plastic BSP
  • 61694 ……………………………… 1″ Yoke, QC
  • 61700 ……………………………… 3/4″ Yoke, QC
  • 13708-40 ……………………………… 1” Yoke, Sweat
  • 41026-01 ……………………………… 1” Yoke, SS, NPT
  • 42690 ……………………………… 3/4” Yoke, Sweat
  • 41027-01 ……………………………… 3/4” Yoke, SS, NPT

Washers

  • 19153 ………………………………Washer, Flow, 0.6 GPM
  • 19152 ………………………………Washer, Flow, 0.8 GPM
  • 12085 ………………………………Washer, Flow, 1.2 GPM
  • 19150 ………………………………Washer, Flow, 1.3 GPM
  • 12086 ………………………………Washer, Flow, 1.5 GPM
  • 19149 ………………………………Washer, Flow, 1.7 GPM
  • 12087 ………………………………Washer, Flow, 2.0 GPM
  • 12088 ………………………………Washer, Flow, 2.4 GPM
  • 12089 ………………………………Washer, Flow, 3.0 GPM
  • 12090 ………………………………Washer, Flow, 3.5 GPM
  • 12091 ………………………………Washer, Flow, 4.0 GPM
  • 19147 ………………………………Washer, Flow, 4.5 GPM
  • 12092 ………………………………Washer, Flow, 5.0 GPM
  • 17814 ………………………………Washer, Flow, 6.0 GPM
  • 12408 ………………………………Washer, Flow, 7.0 GPM

Retainer

PENTAIR-Fleck-5600-Series-Automatic-Meter-Water-Softener-System-FIG-21

  • 13173-01 ………………………………Retainer, DLFC Button, w/O-ring

Drain Elbows

  • 12338 ……………………………… 1/2″ Drain Elbow, 90
  • 19699……………………………… 1/2″ Drain Elbow, 45
  • 13121 ……………………………… 5/8″ Drain Elbow, 90

Hose Barbs

PENTAIR-Fleck-5600-Series-Automatic-Meter-Water-Softener-System-FIG-22

  • 13308 ……………………………… 1/2″ Straight Hose Barb
  • 13308-01 ……………………………… 5/8″ Straight Hose Barb

Collectors

  • 18280 ………………………………Top Collector, 1.050
  • 18280-02 ………………………………Top Collector, 1.050 Narrow
  • 18280-01 ………………………………Top Collector, 1.050 Wide

5600 VALVE ASSEMBLIES

BLFC

PENTAIR-Fleck-5600-Series-Automatic-Meter-Water-Softener-System-FIG-23

  • 60022-12 ………………………………BLFC, 0.125 GPM (0.375 lbs NaCl/min)
  • 60022-25 ………………………………BLFC, 0.25 GPM (0.75 lbs NaCl/min)
  • 60022-50 ………………………………BLFC, 0.50 GPM (1.5 lbs NaCl/min)
  • 60022-100 ………………………………BLFC, 1.0 GPM (3 lbs NaCl/min)

Injector Drain Assemblies

  • 60084-0001 ……………………………… Injector Drain Assy,
    • 5600, #0, Blank DLFC, .25 BLFC
  • 60084-0002 ……………………………… Injector Drain Assy,
    • 5600, #0, Blank DLFC, .50 BLFC
  • 60084-0101 ……………………………… Injector Drain Assy,
    • 5600, #1, Blank DLFC, .25 BLFC
  • 60084-0102 ……………………………… Injector Drain Assy,
    • 5600, #1, Blank DLFC, .50 BLFC

Injector Assembly

PENTAIR-Fleck-5600-Series-Automatic-Meter-Water-Softener-System-FIG-24

  • 60384-0 ……………………………… Injector Assy, Filter, 5600, Blank DLFC

Injector Nozzles

  • 10913-0 ……………………………… Nozzle, Injector, #0, Red (8” Tank)
  • 10913-00……………………………… Nozzle, Injector, #00, Violet (7” Tank)
  • 10913-000 ……………………………… Nozzle, Injector, #000, Brown (6” Tank)
  • 10913-1 ……………………………… Nozzle, Injector, #1, White (9” & 10″ Tank)
  • 10913-2 ……………………………… Nozzle, Injector, #2, Blue (12” Tank)
  • 10913-3 ……………………………… Nozzle, Injector, #3, Yellow (13” Tank)
  • 10913-4 ……………………………… Nozzle, Injector, #4, Green (14” Tank)
  • 10913BLK ……………………………… Nozzle, Injector, Black (Filter)

Injector Throats

PENTAIR-Fleck-5600-Series-Automatic-Meter-Water-Softener-System-FIG-25

  • 10914-0 ……………………………… Throat, Injector, #0, Red (8” Tank)
  • 10914-00 ……………………………… Throat, Injector, #00, Violet (7” Tank)
  • 10914-000 ……………………………… Throat, Injector, #000, Brown (6” Tank)
  • 10914-1 ……………………………… Throat, Injector, #1, White (9” & 10″ Tank)
  • 10914-2 ……………………………… Throat, Injector, #2, Blue (12” Tank)
  • 10914-3 ……………………………… Throat, Injector, #3, Yellow (13” Tank)
  • 10914-4 ……………………………… Throat, Injector, #4, Green (14” Tank)

Plugs

  • 40947-02 ……………………………… Plug, Brine Valve, w/o-ring

BLFC Module Plug Assembly

PENTAIR-Fleck-5600-Series-Automatic-Meter-Water-Softener-System-FIG-26

  • 13918-01 ………………………………BLFC Module Plug Assy, w/o-ring

Labels

PENTAIR-Fleck-5600-Series-Automatic-Meter-Water-Softener-System-FIG-27

  • 14213 ……………………………… Label, 11.5K
  • 14214 ……………………………… Label, 13K
  • 14343 ………………………………Label, 15K
  • 14076 ……………………………… Label, 16K
  • 13969 ……………………………… Label, 18K
  • 14046 ……………………………… Label, 21K
  • 13961 ……………………………… Label, 24K
  • 14237 ……………………………… Label, 24K, Black
  • 14047 ……………………………… Label, 26K
  • 14180……………………………… Label, 28K
  • 13962 ……………………………… Label, 30K
  • 14048 ……………………………… Label, 32K
  • 13971 ……………………………… Label, 36K
  • 14073 ……………………………… Label, 40K
  • 14181 ……………………………… Label, 42K
  • 13974 ……………………………… Label, 45K
  • 14239 ……………………………… Label, 48K
  • 14074 ……………………………… Label, 50K
  • 14182 ……………………………… Label, 56K
  • 14034 ……………………………… Label, 60K
  • 14183 ……………………………… Label, 70K
  • 18663 ……………………………… Label, Brine Valve Cam, 1.5-8 Lbs.
  • 41124 ……………………………… Label, Lbs. Salt, 3-16
  • 41125 ………………………………Label, Lbs. Salt, 6-32
  • 41126 ……………………………… Label, Brine Valve Cam, Minute
  • 41127 ……………………………… Label, Brine Valve Cam, 1.5-7kg
  • 41128 ……………………………… Label, Brine Valve Cam, 3-14kg

Switches

PENTAIR-Fleck-5600-Series-Automatic-Meter-Water-Softener-System-FIG-28

  • 60320-03 ……………………………… Switch Assy, 5600 Auxiliary

Brine Cam Assemblies

  • 60514-00 ……………………………… Brine Cam Assy, 5600, Less Salt Label

Meters

PENTAIR-Fleck-5600-Series-Automatic-Meter-Water-Softener-System-FIG-29

  • 60086 ………………………………Meter Assy, 3/4″ Dual Port, Slip Std,
    • Plas, Pdl, w/Clps
  • 14043 ………………………………Meter Cable , 8.25″
  • 60088-180 ………………………………Meter Assy, 3/4″ Dual Port, Slip Std,
    • Rt Ang/180, Plas, Pdl, w/clps
  • 60089-180 ………………………………Meter Assy, 3/4″ Dual Port, Slip Ext,
    • Rt Ang/180, Plas, Pdl, w/clps
  • 14910 ………………………………Meter Cable , 6.75″

Powerheads

PENTAIR-Fleck-5600-Series-Automatic-Meter-Water-Softener-System-FIG-30

  • 62089-01 ………………………………Pwrhd, 5600, Soft, Mtr, Srng, Encl,
    • Orange, 120/60, US Cord
  • 62089-02 ………………………………Pwrhd, 5600, Soft, Mtr, Srng, Encl,
    • Sil/Blu, 24/60, XFMR120/24
  • 62089-03 ………………………………Pwrhd, 5600, Soft, Mtr, Srng, Encl,
    • Sil/Blu, 120/60, US Cord
  • 62089-04 ………………………………Pwrhd, 5600, Soft, Mtr, Srng, Encl,
    • Sil/Blu, 24/60, No Cord
  • 62089-05 ………………………………Pwrhd, 5600, Soft, Mtr, Srng, “L”,
    • Orange, 120/60, US Cord
  • 62089-06 ………………………………Pwrhd, 5600, Soft, Mtr, Srng, “L”,
    • Sil/Blk, 120/60, US Cord
  • 62089-07 ………………………………Pwrhd, 5600, Soft, Mtr, Srng, “L”,
    • Sil/Blk, 24/60, No Cord
  • 62089-08………………………………Pwrhd, 5600, Soft, Mtr, Xrng, “L”,
    • Sil/Blu, 120/60, US Cord
  • 62089-09 ………………………………Pwrhd, 5600, Soft, Mtr, Srng, “L”,
    • Sil/Blu, 120/60, US Cord
  • 62089-10 ………………………………Pwrhd, 5600, Soft, Mtr, Srng, “L”,
    • Sil/Blu, 24/60, No Cord
  • 62089-11 ………………………………Pwrhd, 5600, Soft, Mtr, Srng, “L”,
    • Sil/Blu, XFMR120/24, No Cord
  • 62090-01 ………………………………Pwrhd, 5600, Soft, Clk, 12D, Encl, Sil/Blu,
    • 120/60, US Cord
  • 62090-02 ………………………………Pwrhd, 5600, Soft, Clk, 12D, Encl, Sil/Blu,
    • 24/60, No Cord
  • 62090-03 ………………………………Pwrhd, 5600, Soft, Clk, 12D, Encl, Tan,
    • 120/60, US Cord
  • 62090-04 ………………………………Pwrhd, 4650/5600, Soft, Clk, 12D, “L”,
    • Sil/Blk, 120/60, US Cord
  • 62090-05………………………………Pwrhd, 4650/5600, Soft, Clk, 12D, “L”,
    • Sil/Blk, 24/60, No Cord
  • 62091-01 ………………………………Pwrhd, 5600, Filt, Clk, 12D, Encl, Sil/Blu,
    • 120/60, US Cord
  • 62091-02 ………………………………Pwrhd, 5600, Filt, Clk, 12D, “L”, Sil/Blk,
    • 120/60, US Cord
  • 62091-03 ………………………………Pwrhd, 5600, Filt, Clk, 35D, “L”, Sil/Blk,
    • 120/60, US Cord
  • 62091-04 ………………………………Pwrhd, 5600, Filt, Clk, 35D, “L”, Sil/Blk,
    • 24/60, No Cord
  • 62091-05 ………………………………Pwrhd, 5600, Filt, Clk, 35D, “L”, Sil/Blk,
    • 24/60, XFMR120/24

Program Wheels

  • 60405-10 ……………………………… Program Wheel, w/3/4″ Standard Label
    • (0-2,100 Gallons)
  • 60405-11 ……………………………… Program Wheel, Extended Metric
    • (0 – 8 M3)
  • 60405-15 ……………………………… Program Wheel, w/3/4″ Standard Label
    • w/People Label
  • 60405-20 ……………………………… Program Wheel, w/3/4″Extended Label
    • (0-10, 500 Gallons)
  • 60405-21 ……………………………… Program Wheel, Extended Metric
    • (0 – 40 M3)

SERVICE INSTRUCTIONS

Replace Time Brine Valve, Injectors and Screen

  1. Unplug electrical cord from outlet.
  2. Turn off water supply to conditioner:
    • If the conditioner installation has a “three valve” bypass system, first open the valve in the bypass line, then close the valves at the conditioner inlet and outlet.
    • If the conditioner has an integral bypass valve, put it in the Bypass position.
    • If there is only a shut-off valve near the conditioner inlet, close it.
  3. Relieve water pressure in the conditioner by putting the control in the Backwash position momentarily. Return the control to the In Service position.
  4. Disconnect brine tube and drain line connections at the injector body.
  5. Remove the two injector body mounting screws. The injector and brine module can now be removed from the control valve. Remove and discard valve body O-rings.
  6. Replace brine valve.
    • Pull brine valve from injector body, also remove anddiscard O-ring at bottom of brine valve hole.
    • Apply silicone lubricant to new O-ring and reinstall at bottom of brine valve hole.
    • Apply silicone lubricant to O-ring on new valve assembly and press into brine valve hole, shoulder on bushing should be flush with injector body.
  7. Replace injectors and screen.
    • Remove injector cap and screen, discard O-ring. Unscrew injector nozzle and throat from injector body.
    • Screw in new injector throat and nozzle, be sure they are seated tightly. Install a new screen.
    • Apply silicone lubricant to new O-ring and install around oval extension on injector cap.
  8. Apply silicone lubricant to three new O-rings and install over three bosses on injector body.
  9. Insert screws with washers through injector cap and injector. Place this assembly through hole in timer housing and into mating holes in the valve body. Tighten screws. (Be sure to reinstall brass spacers with injector on model 4600 valve.)
  10. Reconnect brine tube and drain line.
  11. Return bypass or inlet valving to normal In Service position. Water pressure automatically builds in the conditioner.
    • NOTE: Be sure to shut off any bypass line.
  12. Check for leaks at all seal areas. Check drain seal with the control in the Backwash position.
  13. Plug electrical cord into outlet.
  14. Set time of day and cycle the control valve manually to assure proper function.
    • Make sure control valve is in the In Service position.
  15. Make sure there is enough brine in the brine tank.
  16. Rotate program wheel counterclockwise until it stops at Regeneration position.
  17. Start regeneration cycle manually if water is hard.

Replace Timer

  1. Unplug electrical cord from outlet.
  2. Turn off water supply to conditioner:
    • If the conditioner installation has a “three valve” bypass system, first open the valve in the bypass line, then close the valves at the conditioner inlet and outlet.
    • If the conditioner has an integral bypass valve, put it in the Bypass position.
    • If there is only a shut-off valve near the conditioner inlet, close it.
  3. Relieve water pressure in the conditioner by putting the control in the Backwash position momentarily. Return the control to the In Service position.
  4. Pull cable out of meter cover. Remove the control valve back cover.
  5. Remove screw and washer at drive yoke. Remove timer mounting screws. The entire timer assembly now lifts off easily.
  6. Put new timer on top of valve. Be sure drive pin on main gear engages slot in drive yoke (rotate control knob if necessary).
  7. Replace timer mounting screws. Replace screw and washer at drive yoke.
  8. Return bypass or inlet valving to normal In Service position. Water pressure automatically builds in the conditioner.
    • NOTE: Be sure to shut off any bypass line.
  9. Plug electrical cord into outlet.
  10. Set time of day, program wheel, and salt usage. Cycle the control valve manually to assure proper function. Be sure to return the control valve to the In Service position.
  11. Replace the control valve back cover. Be sure grommet at cable hole is in place.
  12. Make sure there is enough brine in the brine tank.
  13. Rotate program wheel counterclockwise until it stops at Regeneration position.
  14. Start regeneration cycle manually if water is hard.
  15. Plug cable into meter cover, rotate cable to align drive flat if necessary.

Replace Piston Assembly

  1. Unplug electrical cord from outlet.
  2. Turn off water supply to conditioner:
    • If the conditioner installation has a “three valve” bypass system, first open the valve in the bypass line, then close the valves at the conditioner inlet and outlet.
    • If the conditioner has an integral bypass valve, put it in the Bypass position.
    • If there is only a shut-off valve near the conditioner inlet, close it.
  3. Relieve water pressure in the conditioner by putting the control in the Backwash position momentarily. Return the control to the In Service position.
  4. Pull cable out of meter cover. Remove the control valve back cover.
  5. Remove screw and washer at drive yoke. Remove timer mounting screws. The entire timer assembly now lifts off easily. Remove end plug retainer plate.
  6. Pull upward on end of piston yoke until assembly is out of valve.
  7. Inspect the inside of the valve to make sure that all spacers and seals are in place, and that there is no foreign matter
    that would interfere with the valve operation. 8. Take new piston assembly as furnished and push piston into valve by means of the end plug. Twist yoke carefully in a clockwise direction to properly align it with drive gear. Replace end plug retainer plate.
  8. Place timer on top of valve. Be sure drive pin on main gear engages slot in drive yoke (rotate control knob if necessary).
  9. Replace timer mounting screws. Replace screw and washer at drive yoke.
  10. Return bypass or inlet valving to normal In Service position. Water pressure automatically builds in the conditioner.
    • NOTE: Be sure to shut off any bypass line.
  11. Plug electrical cord into outlet.
  12. Set time of day, program wheel, and salt usage. Cycle the control valve manually to assure proper function. Be sure to return the control valve to the In Service position.
  13. Replace the control valve back cover. Be sure grommet at cable hole is in place.
  14. Make sure there is enough brine in the brine tank.
  15. Rotate program wheel counterclockwise until it stops at Regeneration position.
  16. Start regeneration cycle manually if water is hard.
  17. Plug cable into meter cover. Rotate cable to align drive flat if necessary.

Replace Seals and Spacers

  1. Unplug electrical cord from outlet.
  2. Turn off water supply to conditioner.
    • If the conditioner installation has a “three valve” bypass system, first open the valve in the bypass line, then close the valves at the conditioner inlet and outlet.
    • If the conditioner has an integral bypass valve, put it in the Bypass position.
    • If there is only a shut-off valve near the conditioner inlet, close it.
  3. Relieve water pressure in the conditioner by putting the control in the Backwash position momentarily. Return the control to the In Service position.
  4. Pull cable out of meter cover. Remove the control valve back cover.
  5. Remove screw and washer at drive yoke. Remove timer mounting screws. The entire timer assembly now lifts off easily. Remove end plug retainer plate.
  6. Pull upward on end of piston rod yoke until assembly is out of valve. Remove and replace seals and spacers with fingers.

Replace Meter

  1. Unplug electrical cord from outlet.
  2. Turn off water supply to conditioner:
    • If the conditioner installation has a “three valve” bypass system, first open the valve in the bypass line, then close the valves at the conditioner inlet and outlet.
    • If the conditioner has an integral bypass valve, put it in the Bypass position.
    • If there is only a shut-off valve near the conditioner inlet, close it.
  3. Relieve water pressure in the conditioner by putting the control in the Backwash position momentarily. Return the control to the In Service position.
  4. Pull cable out of meter cover.
  5. Remove two screws and clips at bypass valve or yoke. Pull resin tank away from plumbing connections.
  6. Remove two screws and clips at control valve. Pull meter module out of control valve.
  7. Apply silicone lubricant to four new O-rings and assemble to four ports on new meter module.
  8. Assemble meter to control valve. Note, meter portion of module must be assembled at valve outlet.
  9. Attach two clips and screws at control valve. Be sure clip legs are firmly engaged with lugs.
  10. Push resin tank back to the plumbing connections and engage meter ports with bypass valve or yoke.
  11. Attach two clips and screws at bypass valve or yoke. Be sure clip legs are firmly engaged with lugs.
  12. Return bypass or inlet valving to normal In Service position. Water pressure automatically builds in the conditioner.
    • NOTE: Be sure to shut off any bypass line.
  13. Check for leaks at all seal areas.
  14. Plug electrical cord into outlet.
  15. Set time of day.
    • Make sure control valve is in the In Service position.
  16. Rotate program wheel counterclockwise until it stops at Regeneration position.
  17. Start regeneration cycle manually if water is hard.
  18. Plug cable into meter cover. Rotate cable to align drive flat if necessary.

Replace Meter Cover and/or Impeller

  1. Unplug electrical cord from outlet.
  2. Turn off water supply to conditioner:
    • If the conditioner installation has a “three valve” bypass system, first open the valve in the bypass line, thenclose the valves at the conditioner inlet and outlet.
    • If the conditioner has an integral bypass valve, put it in the Bypass position.
    • If there is only a shut-off valve near the conditioner inlet, close it.
  3. Relieve water pressure in the conditioner by putting the control in the Backwash position momentarily. Return the control to the In Service position.
  4. Pull cable out of meter cover.
  5. Remove four screws on cover.
  6. Lift cover off of meter module, discard o-ring.
  7. Remove and inspect impeller for gear or spindle damage, replace if necessary.
  8. Apply silicone lubricant to new o-ring and assemble to the smallest diameter on meter cover.
  9. Assemble cover to meter module. Be sure impeller spindle enters freely into cover. Press firmly on cover and rotate if necessary to assist in assembly.
  10. Replace four screws and tighten.
  11. Return bypass or inlet valving to normal In Service position. Water pressure automatically builds in the conditioner.
    • NOTE: Be sure to shut off any bypass line.
  12. Check for leaks at all seal areas.
  13. Plug electrical cord into outlet.
  14. Set time of day
    • Make sure valve is in the In Service position.
  15. Rotate program wheel counterclockwise until it stops at position.
  16. Start regeneration cycle manually if water is hard.
  17. Plug cable into meter cover. Rotate cable to align drive flat if necessary.

TROUBLESHOOTING

Problem Cause Correction
1. Softener fails to regenerate. A. Electrical service to unit has been interrupted. A. Assure permanent electrical service (check fuse, plug, pull chain or switch).
B. Timer is defective. B. Replace timer.
C. Power failure. C. Reset time of day.
2. Softener delivers hard water. A. Bypass valve is open. A. Close bypass valve.
B. No salt in brine tank. B. Add salt to brine tank and maintain salt level above water level.
C. Injectors or screen is plugged. C. Replace injectors and screen.
D. Insufficient water flowing into brine tank. D. Check brine tank fill time and clean brine line flow

control if plugged.

E. Hot water tank hardness. E. Repeated flushings of the hot water tank is

required.

F. Leak at distributor tube. F. Make sure distributor tube is not cracked. Check O-ring and tube pilot.
G. Internal valve leak. G. Replace seals and spacers and/or piston.
3. Unit uses too much salt. A. Improper salt setting. A. Check salt usage and salt setting.
B. Excess water in brine tank. B. See problem number 7.
4. Loss of water pressure. A. Iron build-up in line to water conditioner. A. Clean line to water conditioner.
B. Iron build-up in water conditioner. B. Clean control and add resin cleaner to resin bed. Increase frequency of regeneration.
C. Inlet of control plugged due to foreign material loose from pipes by recent work done on plumbing system. C. Remove piston and clean control.
5. Loss of resin through drain line. A. Air in water system. A. Assure that well system has proper air elimination control, Check for dry well condition.
6. Iron in conditioned water. A. Fouled resin bed. A. Check backwash, brine draw and brine tank fill, increase frequency of regeneration, increase backwash time.
7. Excessive water in brine tank. A. Plugged drain line flow control. A. Clean flow control.
8. Salt water in service line. A. Plugged injector system. A. Clean injector and replace screen.
B. Timer not cycling. B. Replace timer.
C. Foreign material in brine valve. C. Clean or replace brine valve.
D. Foreign material in brine line flow control. D. Clean brine line flow control.
9. Softener fails to draw brine. A. Draw line flow control is plugged. A. Clean drain line flow control.
B. Injector is plugged. B. Clean or replace injectors.
C. Injector screen plugged. C. Replace screen.
D. Line pressure is too low. D. Increase line pressure (minimum 20 psi (1.3 bar) at all times).
E. Internal control leak. E. Change seals, spacers and/or piston assembly.
10. Control cycles continuously. A. Faulty timer mechanism. A. Replace timer.
11. Drain flows

continuously.

A. Foreign material in control. A. Remove piston assembly and inspect bore, remove foreign material and check control in various regeneration positions.
B. Internal control leak. B. Replace seals and/or piston assembly.
C. Control valve jammed in Brine or Backwash position. C. Replace seals and/or piston assembly.
D. Timer motor stopped or jammed. D. Replace timer.

GENERAL SERVICE HINTS FOR METER CONTROL

Problem Cause Correction
1. Softener delivers hard water. A. Reserve capacity has been exceeded. A. Check salt dosage requirements and reset program wheel to provide additional reserve.
B. Program wheel is not rotating with meter output. B. Pull cable out of meter cover and rotate manually, program wheel must move without binding and clutch must give positive “clicks” when program wheel strikes regeneration stop (if not, replace timer).
C. Meter is not measuring flow. C. Check output by observing rotation of small gear on front of timer (program wheel must not be against regeneration stop for this check) each tooth to tooth is approximately 30 gallons (113.5 L) (if not, replace meter).

MODEL 5600SF TROUBLESHOOTING

Problem Cause Correction
1. Filter fails to backwash. A. Electrical service to unit has been interrupted. A. Assure permanent electrical service (check fuse, plug, pull chain or switch).
B. Timer is defective. B. Replace timer.
C. Power failure. C. Reset time of day.
2. Filter “bleeds” iron. A. Bypass valve is open. A. Close bypass valve.
B. Excessive water usage. B. Reduce days between, backwashing (see timer instructions), make sure that there is not a leaking valve in the toilet bowl or sinks.
C. Hot water tank rusty. C. Repeated flushings of the hot water tank is

required.

D. Leak at distributor tube. D. Make sure distributor tube is not cracked, check O-ring and tube pilot.
E. Defective or stripped filter medium bed. E. Replace bed.
F. Inadequate backwash flow rate. F. Make sure filter has correct drain flow control, be sure flow control is not clogged or drain line restricted, be sure water pressure has not dropped, increase backwash flow rate according to specifications for your unit, see your dealer for recommendations.
3. Loss of water pressure. A. Iron or turbidity build-up in water filter. A. Reduce days between backwashing so filter backwashes more often, make sure filter is sized large enough to handle water usage.
B. Inlet plugged due to foreign material broken loose from pipes by recent work done on plumbing system. B. Remove piston and clean control.
4. Loss of filter medium through drain line. A. Broken or missing top screen. A. Replace top screen, must have 0.020″ wide slots.
5. Drain flows

continuously.

A. Foreign material in control. A. Remove piston assembly and inspect bore, remove foreign material and check control in various cycle positions.
B. Internal control leak. B. Replace seals and/or piston assembly.
C. Control valve jammed in rinse or backwash. C. Replace piston, seals and spacers (and drive motor if necessary).

CONTACTS

For Pentair Fleck Product Warranties visit: pentair.com/assets/residential-filtration-warranty

  • 13845 Bishops Dr. | Suite 200 | Brookfield, WI 53005 | United States
  • P: 262.238.4400
  • Customer Service: 800.279.9404
  • [email protected]
  • pentair.com

All indicated Pentair trademarks and logos are property of Pentair. Third party registered and unregistered trademarks and logos are the property of their respective owners.
© 2021 Pentair. All rights reserved.

PENTAIR-Fleck-5600-Series-Automatic-Meter-Water-Softener-System-FIG-31

Leave a Comment