Panasonic NN-TKT52M Microwave Oven Instruction Manual

Home » Panasonic » Panasonic NN-TKT52M Microwave Oven Instruction Manual

Panasonic NN-TKT52M Microwave Oven

Panasonic-NN-TKT52M-Microwave-Oven-PRODUCT

Product Information

The trim kit 31 L/32 L is an accessory designed for use with microwave ovens. It allows the microwave oven to be installed into a cabinet, providing a sleek and integrated look in your kitchen.
The trim kit is compatible with the following models: NN-TKT52M, NN-TKT52W, NN-TK611SBQP, NN-TK611SWQP, NN-TK611SMHP, NN-TK612GSAP, NN-TK612GSQP, and NN-TK612GSCP.

Product Usage Instructions

  1. Installation:
    • Ensure that the microwave oven is not built into a unit directly above a top front venting conventional cooker, as this will invalidate the one-year guarantee.
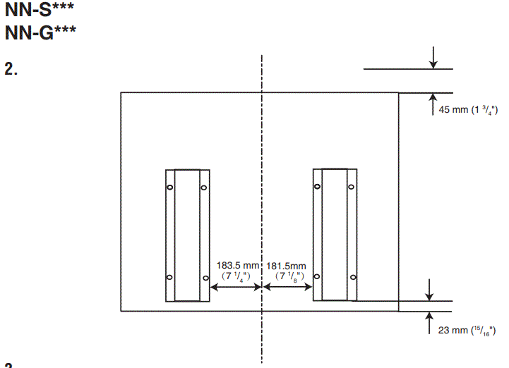
    • The trim kit can be installed into a cabinet. The cabinet opening must have the following internal dimensions as shown in fig 1, p 6-8.
    • A vent is required at the rear of the cabinet, which should travel the full height of the cabinet and must not be obstructed.
      The minimum dimension of the vent should be 45 mm x 562 mm (fig 2, p 6-8).
    • The minimum installation height for the trim kit is 850 mm (33 7/16 inches).
    • It is essential that the cabinet is fixed to the wall for stability. The shelf must be able to support a weight of 30 kg.
    • If the microwave oven is to be removed from the kitchen cabinet and used freestanding, the built-in parts must be removed, and the oven returned to its original condition. Keep these installation instructions for future reference.
    • Take care not to kink or trap the microwave electrical cable during installation. The diagram provided may vary from the actual unit and is for reference only.
  2. Electrical Connections:
    • The appliance is supplied with a mains plug attached.
    • Only connect the microwave oven into an earthed socket that has been installed according to the relevant safety regulations.
    • If the plug becomes inaccessible after the appliance has been built into the cabinet, a dual pole isolator must be installed to conform to the relevant safety standards.

Microwave ovens should not be built into a unit directly above a top front venting conventional cooker. This will invalidate your one year guarantee.

  1. This trim kit can be installed into a cabinet.The cabinet opening must have the following internal dimensions as shown in fig 1, p 6-8.
    A vent is required at the rear of the cabinet it should travel the full height of the cabinet and the cabinet should not be obstructed. Minimum dimension of vent 45 mm x 562 mm (fig 2, p 6-8).
    MINIMUM INSTALLATION HEIGHT 850 MM (33 7/16″ ).
  2. Electrical Connections The appliance is supplied with a mains plug attached and should only be connected into an earthed socket that has been installed according to the relevant safety regulations.
    If the plug is no longer accessible after the appliance has been built into the cabinet, a dual pole isolator must be installed to conform to the relevant safety standards.
  3. It is essential that the cabinet is fixed to the wall for stability. The shelf must be able to support a weight of 30 kg.
  4. If the microwave oven is to be removed from the kitchen cabinet and used free standing, the built in parts must be removed, and the oven returned to its original condition. Keep these installation instructions for future reference so the installation process can be reversed.
    TAKE CARE NOT TO KINK OR TRAP THE MICROWAVE ELECTRICAL CABLE.
    The diagram may vary from the actual unit and is only for your reference.

UNPACKING

INSTRUCTION

ASSEMBLY

Panasonic-NN-TKT52M-Microwave-Oven-13

Panasonic-NN-TKT52M-Microwave-Oven-14

Panasonic-NN-TKT52M-Microwave-Oven-15

Panasonic-NN-TKT52M-Microwave-Oven-16

Panasonic-NN-TKT52M-Microwave-Oven-17

Panasonic-NN-TKT52M-Microwave-Oven-18 Panasonic-NN-TKT52M-Microwave-Oven-19

Panasonic Corporation
Web Site: https://panasonic.net

F03139X95QP
IP0812-50323
Printed in China

Leave a Comment