100W 12V Dimmable LED
Driver Instructions
Contents
100W 12V Dimmable LED Driver

CCT-TUNABLE SERIES CSA-J 100W
CCT &Trac/0-10V/1-10V/10V PWM/Potentiometer
Product introduction
Feature
- Dim-all:CCT & Trac/0-10V/1-10V/10VPWM/Potentiometer.
- Dimming effect: PWM dim mode: 100-0.1% dim, flicker-free.
- Trac dim mode: Forward phase & reverse phase, MLV, ELV
- CCT-Tunable: switch on/off (Switching color temp)/ Linear adjustment of color temperature And 7 stops adjustable color temperature(2700K-6500K).

- With unique knob trim voltage function
- Customization: the curve which can be customize.
- 110-277Vac Universal input. •5 years warranty.
- damp, dry and wet location.
- Title 24 JA8 compliant.

- Constant voltage type. Fine tune of output voltage
- Build in active PFC, typical power factor>0.95, THD<10%@120V Max. Load.
- Super low loading request, works perfect at 10-100% load.
- Short-circuit, over-temperature, over-load protection.
Unique Selling Points
- PWM Output: 4k/HZ Constant frequency (Different frequencies can be customized:250-20000Hz)
- Fine tune of output voltage ref. to chart 2/page3
- Dimming range: 100%-0.1% Ultra Deep Amplitude
- Works with single channel LED strip/tape (2 wires) and two channel CCT warm-dim LED strip/tape (3 wires)
- Exclusive patent design of “Clamshell” junction box Fixed without screws)
Application:
- LED strip/LED tape/LED module
- Residential Lighting
- Commercial Lighting
Specification
| Model Number | CSA-12100J | CSA-24100J | CSA-48100J |
| Output Type | |||
| Rated Power | 100W | ||
| Rated Voltage | 12V | 24V | 48V |
| Rated Current | 8.33A | 4.16A | 2.08A |
| Voltage Tolerance | ±0.5V | ||
| Voltage Regulation | ±0.5% | ||
| Load Regulation | ±1% | ||
| Input Type | |||
| Voltage Range | 110-277V | ||
| Frequency Range | 47-63HZ | ||
| Efficiency(Typ.) | 90%@120VAC 91%@277VAC | ||
| Total Harmonic Distortion | THD< 15%(@100% load) | ||
| Power Factor(typ.) | 0.99@120VAC 0.98@277VAC | ||
| AC Current(Typ.) | 1.04A | ||
| Inrush Current(Typ.) | 26A | ||
| Leakage Current | <0.5mA | ||
| PROTECTION | |||
| Short Circuit | shut down o/p voltage, re-power on to recover after fault condition is removed | ||
| Over Load | Intelligently reduce the output voltage, auto-recovery or re-power on to recovery | ||
| Over Temperate | 100℃±10℃ Intelligently reduce the output voltage and current. Auto-recovery after over load is removed | ||
| ENVIRONMENT | |||
| Working Temp. | Tcase=-40 ~ +60 (Please refer to“OUTPUTLOAD vs TEMPERATURE “section) | ||
| Working humidity | 20 ~ 95% RH non-condensing | ||
| Storage temp., Humidity | -40 ~ +90, 10 ~ 95% RH | ||
| Temp .coefficient | ±0.03%/℃(0~50℃) | ||
| Vibration | 10~500Hz, 5G 10min./1 cycle, period for 60min. each along X,Y,Z axes | ||
| SAFETY & EMC | |||
| Safety standards | UL8750, CSAC22.2 No. 250.0-08 | ||
| Withstand voltage | I/P-O/P:1.88KVAC | ||
| Isolation resistance | I/P-O/P:100M Ohms / 500VDC / 25/ 70% RH | ||
| EMC Emission | Compliance to FCC part 15 Subpart B | ||
| OTHERS | |||
| Dimension | 188×120.5x42mm (L*W*H) | ||
| Net. Weight | 0.9KG | ||
| Packing | – | ||
Mechanical Diagram

Wire Specification
| CSA-J | Input | Output | 0/1-10V Dimming | ||||||
| Power | Function | Color | Spec. | Function | Color | Spec. | Function | Color | Spec. |
|
100W |
AC L | Black | 18AWG | DC+ | Red | 18AWG | Dim+ | Purple | 18AWG |
| AC N | White | 18AWG | DC- | Black | 18AWG | Dim- | Pink | 18AWG | |
| Ground | Green | 18AWG | CW- | Yellow | 18AWG | / | / | / | |
function Introduction

See below:
12V output: 9V-13V
24V output: 17V-25V
48V output: 36V-49V
See below:
0:Single dimming{single channel LED strip/tape (2 wires)}
1:Switch on/off (Switching color temp)
2:Linear adjustment of color temperature
3-9:7 stops adjustable color temp(2700K-6500K)
Notes gears 1-9 ,Works with Two channel CCT warm-dim LED strip/tape (3 wires)
Mounting
- This driver must be installed in a well-ventilated area free from explosive gases and vapors. Air circulation is essential for heat dissipation.
- Recommended spacing between LED drivers should be a minimum of 4” (10cm).
- Do not mount driver close to or above objects that can radiate. Vertical mounting is highly recommended.
- Select an appropriate location that is able to support the weight of the product.
- Use the mounting tabs on the left and right side of the driver to mount the product.

Connection Preparation

Input Connections & Grounding

Output Connections-single channel LED strip/tape (2 wires)

Output Connections-dual channel CW color temperature LED strip/tape (3wires)
Connecting Diagram
Using TRIAC/Phase cut dimming
- Through a phase-dimmer or lighting system, control the input AC phase line (L) and adjust the output PWM
- Trac dim mode: Forward phase & reverse phase, MLV, ELV dim
- Please try to use dimmers with power at least 1.5 times as the output power of the driver.
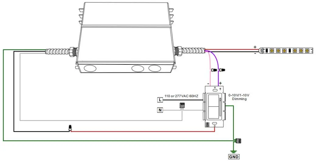
Wiring Diagram
Works with single channel LED strip/tape (2 wires)
- Using Trac/MLV wiring diagram
Using Trac/ELV wiring diagram
- Using 0-10/1-10V dimming(The driver input is connected to the dimmer)

- Using 0-10/1-10V dimming(The driver is independently connected to the input)
Works with Two channel CCT warm-dim LED strip/tape (3 wires) - Using Trac/MLV wiring diagram
- Double channel CW color temperature LED strip/tape (3wires)

- Using Trac/ELV wiring diagram
- Double channel CW color temperature LED strip/tape (3wires)

- Using 0-10/1-10V dimming
- Double channel CW color temperature LED strip/tape (3wires)(The driver input is connected to the dimmer)

- Double channel CW color temperature LED strip/tape (3wires)(The driver is independently connected to the input)

PFC load chart

4Load vs Ambient Temperature

Please feel free to contact us if you have any questions.