Nebula Electronic Technology QZBT628 PBC BLE Module Instruction Manual

Contents
1.GENERAL DESCRIPTION
QZBT628 is a BLE module operating at ISM frequency band of 2,4GHz for low-power wireless applications. which is Bluetooth 4.2 fully standard compliant to allow easy connectivity with Bluetooth Smart Ready mobile phones, tablets, laptops.
The QZBT628 integrates a power-balanced 32-bit proprietary MCU, a high performance BLE/2.4GHz Radio, 16kB SRAM, a 512kB/128kB flash, a general-purpose ADC, a quadrature decoder (QDEC), PWM, flexible I/O interfaces and other peripheral blocks required for Bluetooth Low Energy application development.
1.1 General features
- Bluetooth V4.2 standard specification
- Rf power level II, Ultra-low power consumption, uA working current
- Ultra-low voltage power supply, 3V button Cell can be used
- Multiple interfaces: PIO/UART/AIO/I²C/SPI/PWM
- RoHS lead-free production process does not require APP for transmission, and data can be directly transmitted to the mobile phone
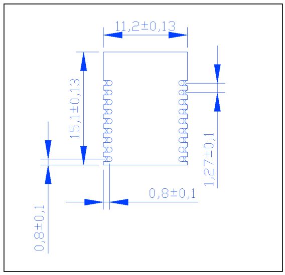
- Module Size 15.1mm(L) * 11.2mm(W)
- The QZBT628-1 module does not have a shield cover, and the QZBT628-2 module has a shield cover
1.2 Handwork Features
- 1 serial port and11 GPIO
- using hardware flow control UART interface, hong Debug debugging interface
- PWM for up to six channels
- 10 channel ADC
- TX Output power: up to +8 dBm
1.3 The connection diagram of MCU and module

Note: The function of the module pins can be to customer needs
PB3 can be set for Bluetooth external control pin (BTC) and can control the switch of other devices PA4 can be set to P_SLEEP (low power control) to wake up the Bluetooth module
2.Key Electrical Specifications
2.1 Absolute maximum ratings

2.2 Recommended operating condition

2.3 DC characteristics (VDD = 3.3 V, T= 25)

NOTE: Without 32K RC: The wakeup source is external signal from GPIO input the internal 32K RC is disabled With 32K RC: The wakeup source is 32K RC it is enabled.
3.Pins and description
 
 
4. Dimension
 
 
5. Schematic
CONFIDENTIAL
6.BOM

7. PCB Layout

FCC Statement FCC standards: FCC CFR Title 47 Part 15 Subpart C Section 15.247 Device is equipped with PCB antenna , Antenna gain -6.25dBi
This device complies with part 15 of the FCC Rules. Operation is subject to the following two conditions: (1) This device may not cause harmful interference, and (2) this device must accept any interference received, including interference that may cause undesired operation. Any Changes or modifications not expressly approved by the party responsible for compliance could void the user’s authority to operate the equipment. Note: This equipment has been tested and found to comply with the limits for a Class B digital device, pursuant to part 15 of the FCC Rules. These limits are designed to provide reasonable protection against harmful interference in a residential installation. This equipment generates, uses and can radiate radio frequency energy and, if not installed and used in accordance with the instructions, may cause harmful interference to radio communications. However, there is no guarantee that interference will not occur in a particular installation. If this equipment does cause harmful interference to radio or television reception, which can be determined by turning the equipment off and on, the user is encouraged to try to correct the interference by one or more of the following measures:
–Reorient or relocate the receiving antenna.
–Increase the separation between the equipment and receiver.
–Connect the equipment into an outlet on a circuit different from that to which the receiver is connected.
–Consult the dealer or an experienced radio/TV technician for help.
FCC Radiation Exposure Statement The modular can be installed or integrated in mobile or fix devices . This modular cannot be installed in any portable device if without further certification such as C2PC with SAR. This modular complies with FCC RF radiation exposure limits set forth for an uncontrolled environment. This transmitter must not be co-located or operating in conjunction with any other antenna or transmitter. This modular must be installed and operated with a minimum distance of 20 cm between the radiator and user body.
If the FCC identification number is not visible when the module is installed inside another device, then the outside of the device into which the module is installed must also display a label referring to the enclosed module. This exterior label can use wording such as the following: “Contains Transmitter Module FCC ID: 2BAMT-QZBT628-2 Or Contains FCC ID: 2BAMT-QZBT628-2”
When the module is installed inside another device, the user manual of the host must contain below warning statements;
- This device complies with Part 15 of the FCC Rules. Operation is subject to the following two conditions:
 (1) This device may not cause harmful interference;
 (2) This device must accept any interference received, including interference that may cause undesired operation. Note: This equipment has been tested and found to comply with the limits for a Class B digital device, pursuant to part 15 of the FCC Rules. These limits are designed to provide reasonable protection against harmful interference in a residential installation. This equipment generates, uses and can radiate radio frequency energy and, if not installed and used in accordance with the instructions, may cause harmful interference to radio communications. However, there is no guarantee that interference will not occur in a particular installation. If this equipment does cause harmful interference to radio or television reception, which can be determined by turning the equipment off and on, the user is encouraged to try to correct the interference by one or more of the following measures:
 –Reorient or relocate the receiving antenna.
 –Increase the separation between the equipment and receiver.
 –Connect the equipment into an outlet on a circuit different from that to which the receiver is connected.
 –Consult the dealer or an experienced radio/TV technician for help.
- Changes or modifications not expressly approved by the party responsible for compliance could void the user’s authority to operate the equipment. The devices must be installed and used in strict accordance with the manufacturer’s instructions as described in the user documentation that comes with the product. Any company of the host device which install the modular with modular approval should perform the test of radiated & conducted emission and spurious emission, etc. according to FCC part 15C : 15.247 and 15.209 & 15.207 ,15B Class B requirement, Only if the test result comply with FCC part 15C : 15.247 and 15.209 & 15.207 ,15B Class B requirement then the host can be sold legally.
