GETTING STARTED GUIDE
NI 9474
8 DO, 5 V to 30 V, Sourcing, 1 μs
Bridging the gap between the manufacturer and your legacy test system.
1-800-915-6216
www.apexwaves.com
[email protected]
COMPREHENSIVE SERVICES
We offer competitive repair and calibration services, as well as easily accessible documentation and free downloadable resources.
SELL YOUR SURPLUS
We buy new, used, decommissioned, and surplus parts from every NI series. We work out the best solution to suit your individual needs.
Sell For Cash
Get Credit Receive
Trade-In Deal
OBSOLETE NI HARDWARE IN STOCK & READY TO SHIP
We stock New, New Surplus, Refurbished, and Reconditioned NI Hardware.
This document explains how to connect to the NI 9474. In this document, the NI 9474 with screw terminal and the NI 9474 with spring terminal are referred to inclusively as the NI 9474.
Note Before you begin, complete the software and hardware installation procedures in your chassis documentation.
Note The guidelines in this document are specific to the NI 9421. The other components in the system might not meet the same safety ratings. Refer to the documentation for each component in the system to determine the safety and EMC ratings for the entire system.
Contents
Safety Guidelines
Operate the NI 9474 only as described in this document.
Caution Do not operate the NI 9474 in a manner not specified in this document. Product misuse can result in a hazard. You can compromise the safety protection built into the product if the product is damaged in any way. If the product is damaged, return it to NI for repair.
Hazardous Voltage This icon denotes a warning advising you to take precautions to avoid electrical shock with the NI 9474 with screw terminal and the NI 9474 with spring terminal.
Safety Voltages
Connect only voltages that are within the following limits.
| Channel-to-COM | 30 VDC maximum |
| Isolation | |
| Channel-to-channel | None |
| Channel-to-earth ground | |
| Continuous | 250 Vrms, Measurement Category II |
| Withstand | 2,300 Vrms, verified by a 5 s dielectric withstand test |
Measurement Category II is for measurements performed on circuits directly connected to the electrical distribution system.
This category refers to local-level electrical distribution, such as that provided by a standard wall outlet, for example, 115 V for U.S. or 230 V for Europe.
Caution Do not connect the NI 9474 to signals or use for measurements within Measurement Categories III or IV.
Safety Guidelines for Hazardous Voltages
If hazardous voltages are connected to the device, take the following precautions. A hazardous voltage is a voltage greater than 42.4 Vpk voltage or 60 VDC to earth ground.
Caution Ensure that hazardous voltage wiring is performed only by qualified personnel adhering to local electrical standards.
Caution Do not mix hazardous voltage circuits and human-accessible circuits on the same module.
Caution Ensure that devices and circuits connected to the module are properly insulated from human contact.
Note When module terminals are hazardous voltage LIVE (>42.4 Vpk/60 VDC), you must ensure that devices and circuits connected to the module are properly insulated from human contact. You must use the NI 9927 connector backheel kit with the NI 9474 with screw terminal and the NI 9981 connector backheel kit with the NI 9474 with spring terminal to ensure that the terminals are not accessible.
Safety Guidelines for Hazardous Locations
The NI 9474 is suitable for use in Class I, Division 2, Groups A, B, C, D, T4 hazardous locations; Class I, Zone 2, AEx nA IIC T4 and Ex nA IIC T4 hazardous locations; and nonhazardous locations only. Follow these guidelines if you are installing the NI 9474 in a potentially explosive environment. Not following these guidelines may result in serious injury or death.
Caution Do not disconnect I/O-side wires or connectors unless power has been switched off or the area is known to be nonhazardous.
Caution Do not remove modules unless power has been switched off or the area is known to be nonhazardous.
Caution Substitution of components may impair suitability for Class I, Division 2.
Caution For Division 2 and Zone 2 applications, install the system in an enclosure rated to at least IP54 as defined by IEC/EN 60079-15.
Caution For Division 2 and Zone 2 applications, install a protection device between the Vsup and COM terminals on the NI 9474. The device must prevent the input Vsup-to-COM voltage from exceeding 42 V if there is a transient overvoltage condition.
Special Conditions for Hazardous Locations Use in Europe and Internationally
The NI 9474 has been evaluated as Ex nA IIC T4 Gc equipment under DEMKO Certificate No. 03 ATEX 0324020X and is IECEx UL 14.0089X certified. Each NI 9474 is marked II 3G and is suitable for use in Zone 2 hazardous locations, in ambient temperatures of -40 °C ≤ Ta ≤ 70 °C. If you are using the NI 9474 in Gas Group IIC hazardous locations, you must use the device in an NI chassis that has been evaluated as Ex nC IIC T4, Ex IIC T4, Ex nA IIC T4, or Ex nL IIC T4 equipment.
Caution You must make sure that transient disturbances do not exceed 140% of the rated voltage.
Caution The system shall only be used in an area of not more than Pollution Degree 2, as defined in IEC 60664-1.
Caution The system shall be mounted in an ATEX/IECEx-certified enclosure with a minimum ingress protection rating of at least IP54 as defined in IEC/EN 60079-15.
Caution The enclosure must have a door or cover accessible only by the use of a tool.
Electromagnetic Compatibility Guidelines
This product was tested and complies with the regulatory requirements and limits for electromagnetic compatibility (EMC) stated in the product specifications. These requirements and limits provide reasonable protection against harmful interference when the product is operated in the intended operational electromagnetic environment.
This product is intended for use in industrial locations. However, harmful interference may occur in some installations, when the product is connected to a peripheral device or test object, or if the product is used in residential or commercial areas. To minimize interference with radio and television reception and prevent unacceptable performance degradation, install and use this product in strict accordance with the instructions in the product documentation.
Furthermore, any changes or modifications to the product not expressly approved by National Instruments could void your authority to operate it under your local regulatory rules.
Special Conditions for Marine Applications
Some products are Lloyd’s Register (LR) Type Approved for marine (shipboard) applications. To verify Lloyd’s Register certification for a product, visit ni.com/certification and search for the LR certificate, or look for the Lloyd’s Register mark on the product.
Caution In order to meet the EMC requirements for marine applications, install the product in a shielded enclosure with shielded and/or filtered power and input/output ports. In addition, take precautions when designing, selecting, and installing measurement probes and cables to ensure that the desired EMC performance is attained.
Preparing the Environment
Ensure that the environment in which you are using the NI 9474 meets the following specifications.
| Operating temperature (IEC 60068-2-1, IEC 60068-2-2) | -40 °C to 70 °C |
| Operating humidity (IEC 60068-2-78) | 10% RH to 90% RH, noncondensing |
| Pollution Degree | 2 |
| Maximum altitude | 2,000 m |
Indoor use only.
Note Refer to the device datasheet on ni.com/manuals for complete specifications.
NI 9474 Pinout

Note You must use 2-wire ferrules to create a secure connection when connecting more than one wire to a single terminal on the NI 9474 with screw terminal or NI 9474 with spring terminal.
Table 1. NI 9474 Signal Descriptions
| Signal | Description |
| COM | Common reference connection to isolated ground |
| DO | Digital output signal connection |
| Vsup | Voltage supply connection |
Table 2. LED Indicators
| LED Pattern | Indication |
| Solid | The channel has been programmed to be in the ON state. |
| Off | The channel has been programmed to be in the OFF state. |
Connecting Digital Devices
You can connect a variety of industrial devices, such as solenoids, motors, actuators, relays, and lamps to the NI 9474. You must connect an external power supply to the NI 9474. The power supply provides the current for the output channels.
Figure 1. Connecting an Industrial Device to the NI 9474

Caution Do not install or remove C Series modules from your system if the external power supply connected to the Vsup and COM pins is powered on.
Ensure that the devices you connect to the NI 9474 are compatible with the output specifications of the NI 9474. Refer to the device datasheet at ni.com/manuals for output specifications.
Note When the industrial device is off, DO is not connected to COM. For large source impedances, you must use a pull-down resistor between DO and COM.
Visit ni.com/info and enter the Info Code CSeriesDOPulseGen for more information.
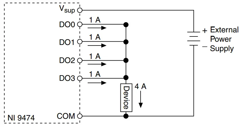
Increasing Current Drive
Each channel of the NI 9474 has a continuous output current of 1.0 A. If you want to increase the output current to a device, you can connect any number of channels together in parallel.
For example, if you want to drive 4 A of current, connect DO0 through DO3 in parallel, as shown in the following figure. You must turn all parallel channels on and off simultaneously so that the current on any single channel cannot exceed the 1.0 A rating.
Figure 2. Increasing the Current to a Device Connected to the NI 9474

High-Vibration Application Connections
If your application is subject to high vibration, NI recommends that you follow these guidelines to protect connections to the NI 9474:
- Use ferrules to terminate wires to the detachable connector.
- Use the NI 9927 backshell kit with the NI 9474 with screw terminal or the NI 9981 backshell kit with the NI 9474 with spring terminal.
I/O Protection
The NI 9474 provides short-circuit protection.
Each channel has circuitry that protects it from current surges resulting from short circuits over 14 A.
Note Refer to the device datasheet at ni.com/manuals for maximum continous output current, short-circuit behavior, and short-circuit trip time specifications and information about conditions that may damage the module.
Note Refer to the IEC 61131-2 standard for more information about short-circuit-proof devices.
Note Because the NI 9474 includes internal flyback diodes, you do not need to add external diodes when connecting to switching devices that store energy.
Power Supplies and Overcurrent Conditions
If a short circuit occurs, the current through DO can exceed the current rating for the power supply and the maximum continuous output current for the NI 9474.
If the power supply you are using with the NI 9474 cannot supply more than 14 A, the module may be damaged if a short circuit condition occurs.
Detecting an Overcurrent Condition
If a device connected to the module is not working while the channel is on, the module channel may be in an overcurrent state.
Neither the software nor the module LEDs indicate if an overcurrent condition occurs. A channel LED may be on even if the channel is off because of an overcurrent condition.
To determine if the channel is in an overcurrent state, measure the voltage between DO and Vsup. If the voltage is equal to the voltage of the external power supply connected to the module, the channel is in an overcurrent state.
Resetting Channels after an Overcurrent Condition
After you have determined and fixed the cause of an overcurrent condition, reset the channel by turning it off.
Alternatively, you can disconnect the external power supply from the chassis. However, doing so disconnects power from all the module channels.
Normal operation can resume after you correct the overcurrent condition and reset the channel.
Where to Go Next

RELATED INFORMATION
| C Series Documentation & Resources ni.com/info cseriesdoc |
|
| Services ni.com/services |
Located at ni.com/manuals
Installs with the software
Worldwide Support and Services
The National Instruments website is your complete resource for technical support. At ni.com/support, you have access to everything from troubleshooting and application development self-help resources to email and phone assistance from NI Application Engineers.
Visit ni.com/services for NI Factory Installation Services, repairs, extended warranty, and other services.
Visit ni.com/register to register your National Instruments product. Product registration facilitates technical support and ensures that you receive important information updates from NI.
A Declaration of Conformity (DoC) is our claim of compliance with the Council of the European Communities using the manufacturer’s declaration of conformity. This system affords the user protection for electromagnetic compatibility (EMC) and product safety. You can obtain the DoC for your product by visiting ni.com/certification. If your product supports calibration, you can obtain the calibration certificate for your product at ni.com/calibration.
National Instruments corporate headquarters is located at 11500 North Mopac Expressway, Austin, Texas, 78759-3504.
National Instruments also has offices located around the world.
For telephone support in the United States, create your service request at ni.com/support or dial 1 866 ASK MYNI (275 6964).
For telephone support outside the United States, visit the Worldwide Offices section of ni.com/niglobal to access the branch office websites, which provide up-to-date contact information, support phone numbers, email addresses, and current events.
Refer to the NI Trademarks and Logo Guidelines at ni.com/trademarks for information on National Instruments trademarks. Other product and company names mentioned herein are trademarks or trade names of their respective companies. For patents covering National Instruments products/technology, refer to the appropriate location: Help»Patents in your software, the patents.txt file on your media, or the National Instruments Patent Notice at
ni.com/patents. You can find information about end-user license agreements (EULAs) and third-party legal notices in the readme file for your NI product. Refer to the Export Compliance Information at ni.com/legal/export-compliance for the National Instruments global trade compliance policy and how to obtain relevant HTS codes, ECCNs, and other import/export data. NI MAKES NO EXPRESS OR IMPLIED WARRANTIES AS TO THE ACCURACY OF THE INFORMATION CONTAINED HEREIN AND SHALL NOT BE LIABLE FOR ANY ERRORS. U.S. Government Customers: The data contained in this manual was developed at private expense and is subject to the applicable limited rights and restricted data rights as set forth in FAR 52.227-14, DFAR 252.227-7014, and DFAR 252.227-7015.
© 2005—2015 National Instruments. All rights reserved.