Contents
msi Z790-S01 Motherboard

- Specifications
- CPU: Processor socket LGA1700
- Chipset: Please refer to www.msi.com. for the latest information
- Memory: 4x DDR5 memory slots, supporting up to 192GB* (Supports 1R 5600 MHz by JEDEC & POR. Max. overclocking frequency available, please refer to www.msi.com. for more information on compatible memory)
- Expansion Slots: 1x M.2 slot (M2_WIFI1) with E-key for PCIe WiFi module only
- Onboard Graphics: 1x HDMITM 1.4 port with HDR, supports a maximum resolution of 4K 30Hz*/ **, 1x DisplayPort 1.4, supports a maximum resolution of 4K 60Hz */ ** (* Available only on processors featuring integrated graphics. ** Graphics specifications may vary depending on the CPU installed)
Product Usage Instructions
- Preparing Tools and Components
- Before starting the assembly process, make sure you have the following tools and components:
- LGA1700 CPU
- Fan
- Chassis
- DDR5 Memory
- Power Supply Unit
- Graphics Card
- Thermal Paste
- SATA Hard Disk Drive
- A Package of Screws
- Phillips Screwdriver 3
- Safety Information
- Please adhere to the following instructions to ensure successful computer assembly:
- The components included in this package are prone to damage from electrostatic discharge (ESD). Take necessary precautions to prevent ESD damage.
- Ensure that all components are securely connected. Loose connections may cause the computer to not recognize a component or fail to start.
- Hold the motherboard by the edges to avoid touching sensitive components. It is recommended to wear an electrostatic discharge (ESD) wrist strap when handling the motherboard.
- Case Stand-off Notification
- To prevent damage to the motherboard, any unnecessary mounting stand-off between the motherboard circuits and the computer case is prohibited. The Case standoff keep out zone signs will be marked on the backside of the motherboard to serve as a warning to the user.
- Avoid Collision Notification
- Protective paint is printed around each screw hole to prevent parts from being scratched.
- Installing a Processor
- Follow the steps in the video tutorial https://youtu.be/KMf9oIDsGes to install a processor.
- Installing DDR5 Memory
- Follow the steps in the video tutorial https://youtu.be/XiNmkDNZcZk to install DDR5 memory.
- Connecting the Front Panel Header
- Follow the steps in the video tutorial https://youtu.be/DPELIdVNZUI to connect the front panel header.
- Installing the Motherboard
- Follow the steps in the video tutorial https://youtu.be/wWI6Qt51Wnc to install the motherboard.
- Connecting the Power Connectors
- Follow the steps in the video tutorial https://youtu.be/gkDYyR_83I4 to connect the power connectors.
- Installing SATA Drives
- Follow the steps in the video tutorial https://youtu.be/RZsMpqxythc to install SATA drives.
- Installing a Graphics Card
- Follow the steps in the video tutorial https://youtu.be/mG0GZpr9w_A to install a graphics card.
- Connecting Peripheral Devices
- Connect your peripheral devices to the appropriate ports on the motherboard.
- Power On
- Power on your computer following the provided instructions.
- FAQ
- Q: Where can I find the latest support status for processors?
- A: For the latest support status, please visit www.msi.com.
- Q: What is the maximum supported memory for DDR5 slots?
- A: The motherboard supports up to 192GB of DDR5 memory. Please refer to www.msi.com. for more information on compatible memory.
- Q: Are the graphics specifications dependent on the CPU installed?
- A: Yes, the graphics specifications may vary depending on the CPU installed. Please refer to the CPU specifications for more details.
Quick Start
- Thank you for purchasing a new motherboard from MSI®.
- This Quick Start section provides demonstration diagrams about how to install your computer.
- Some of the installations also provide video demonstrations.
- Please link to the URL to watch it with the web browser on your phone or tablet.
- You may have even link to the URL by scanning the QR code.
Preparing Tools
Preparing Tools and Components

Safety Information
- The components included in this package are prone to damage from electrostatic discharge (ESD). Please adhere to the following instructions to ensure successful computer assembly.
- Ensure that all components are securely connected. Loose connections may cause the computer to not recognize a component or fail to start.
- Hold the motherboard by the edges to avoid touching sensitive components.
- It is recommended to wear an electrostatic discharge (ESD) wrist strap when handling the motherboard to prevent electrostatic damage. If an ESD wrist strap is not available, discharge yourself of static electricity by touching another metal object before handling the motherboard.
- Store the motherboard in an electrostatic shielding container or on an anti-static pad whenever the motherboard is not installed.
- Before turning on the computer, ensure that there are no loose screws or metal components on the motherboard or anywhere within the computer case.
- Do not boot the computer before installation is completed. This could cause permanent damage to the components as well as injury to the user.
- If you need help during any installation step, please consult a certified computer technician.
- Always turn off the power supply and unplug the power cord from the power outlet before installing or removing any computer component.
- Keep this user guide for future reference.
- Keep this motherboard away from humidity.
- Make sure that your electrical outlet provides the same voltage as is indicated on the PSU, before connecting the PSU to the electrical outlet.
- Place the power cord in such a way that people can not step on it. Do not place anything over the power cord.
- All cautions and warnings on the motherboard should be noted.
- If any of the following situations arise, get the motherboard checked by service personnel:
- Liquid has penetrated the computer.
- The motherboard has been exposed to moisture.
- The motherboard does not work well or you can not get it to work according to the user guide.
- The motherboard has been dropped and damaged.
- The motherboard has obvious signs of breakage.
- Do not leave this motherboard in an environment above 60°C (140°F), it may damage the motherboard.
Case stand-off notification
- To prevent damage to the motherboard, any unnecessary mounting stand-off between the motherboard circuits and the computer case is prohibited.
- The Case standoff keep-out zone signs will be marked on the backside of the motherboard (as shown below) to serve as a warning to the user.
Avoid collision notification
- Protective paint is printed around each screw hole to prevent parts from being scratched.

Installation
Installing a Processor
Installing DDR5 memory
Connecting
Connecting the Front Panel Header
Installing the Motherboard

Connecting the Power Connectors
Installing SATA Drives
Installing a Graphics Card
Connecting Peripheral Devices

Power On

Specifications
| CPU | ∙ Supports 12th/ 13th Gen Intel® Core™ Processors, Pentium® Gold and Celeron® Processors
∙ Processor socket LGA1700 * Please go to www.msi.com to get the newest support status as new processors are released. |
| Chipset | Intel® Z790 Chipset |
| Memory | ∙ 4x DDR5 memory slots, supporting up to 192GB*
∙ Supports 1R 5600 MHz (by JEDEC & POR) ∙ Max. overclocking frequency: • 1DPC 1R Max speed up to 6600+ MHz • 1DPC 2R Max speed up to 6400+ MHz • 2DPC 1R Max speed up to 6000+ MHz • 2DPC 2R Max speed up to 5600+ MHz ∙ Supports Intel® XMP 3.0 OC ∙ Supports Dual-Controller Dual-Channel mode ∙ Supports non-ECC, un-buffered memory * Please refer to www.msi.com for more information on compatible memory. |
| Expansion Slots | ∙ 2x PCIe x16 slots
• PCI_E1 slot (From CPU) • Supports up to PCIe 5.0 x16 • PCI_E3 slot (From Z790 chipset) • Supports up to PCIe 3.0 x4 ∙ 3x PCIe x1 slots • PCI_E2 , PCI_E4 and PCI_E5 slots (From Z790 chipset) • Supports up to PCIe 3.0 x1 ∙ 1x M.2 slot (M2_WIFI1) with E-key for PCIe WiFi module only |
| Onboard Graphics | ∙ 1x HDMI™ 1.4 port with HDR, supports a maximum resolution of 4K 30Hz*/ **
∙ 1x DisplayPort 1.4, supports a maximum resolution of 4K 60Hz */ ** * Available only on processors featuring integrated graphics. ** Graphics specifications may vary depending on the CPU installed. |
| SATA Ports | ∙ 4x SATA 6Gb/s ports (From Z790 chipset) |
Continued from previous column
| M.2 SSD Slots | ∙ 2x M.2 slots (Key M)
• M2_1 slot (From CPU) • Supports up to PCIe 4.0 x4 • Supports 2242/ 2260/ 2280/ 22110 storage devices • M2_2 slot (From Z790 chipset) • Supports up to PCIe 4.0 x4 • Supports SATA 6Gb/s • Supports 2242/ 2260/ 2280 storage devices |
| RAID | ∙ Supports RAID 0, RAID 1, RAID 5 and RAID 10 for SATA storage devices |
| Audio | Realtek® ALC897 Codec
∙ 7.1-Channel High Definition Audio ∙ Supports S/PDIF output |
| LAN | ∙ 1x Realtek® RTL8125BG 2.5Gbps LAN controller |
| Power Connectors | ∙ 1x 24-pin ATX main power connector
∙ 2x 8-pin +12V power connectors |
| Internal USB Connectors | ∙ 2x USB 3.2 Gen 1 5Gbps connectors (From Z790 chipset)
• Supports additional 4 USB 3.2 Gen 1 5Gbps ports ∙ 2x USB 2.0 connectors (From Z790 chipset) • Supports additional 4 USB 2.0 ports |
| Fan Connectors | ∙ 1x 4-pin CPU fan connector
∙ 1x 4-pin water-pump fan connector ∙ 4x 4-pin system fan connectors |
| System Connectors | ∙ 1x Front panel audio connector
∙ 2x System panel connectors ∙ 1x Chassis Intrusion connector ∙ 1x TPM module connector ∙ 1x TBT connector (Supports RTD3) |
| Jumpers | ∙ 1x Clear CMOS jumper |
| LED Features | ∙ 1x 4-pin RGB LED connector |
| Back Panel Connectors | ∙ 1x DisplayPort
∙ 1x HDMI™ port ∙ 2x USB 2.0 Type-A ports (From Z790 chipset) ∙ 4x USB 3.2 Gen 1 5Gbps Type-A ports (From Z790 chipset) ∙ 1x USB 3.2 Gen 2×2 20Gbps Type-C port (From Z790 chipset) ∙ 1x 2.5Gbps LAN (RJ45) port ∙ 5x Audio jacks ∙ 1x Optical S/PDIF out connector |
| I/O Controller | NUVOTON NCT6687 Controller Chip |
| Hardware Monitor | ∙ CPU/ System/ Chipset temperature detection
∙ CPU/ System/ Pump fan speed detection ∙ CPU/ System/ Pump fan speed control |
| Form Factor | ∙ ATX Form Factor
∙ 9.6 in. x 12 in. (244 mm x 305 mm) |
| BIOS Features | ∙ 1x 256 Mb flash
∙ UEFI AMI BIOS ∙ ACPI 6.4, SMBIOS 3.5 ∙ Multi-language |
| Software | ∙ Drivers
∙ MSI Center ∙ Intel Extreme Tuning Utility ∙ CPU-Z MSI GAMING ∙ Norton 360 Deluxe ∙ AIDA64 Extreme – MSI Edition |
Special Features
- MSI Center
- Mystic Light
- Ambient Link
- Frozr AI Cooling
- User Scenario
- True Color
- Live Update
- Hardware Monitoring
- Super Charger
- Devices Speed Up
- Smart Image Finder
- MSI Companion
- System Diagnosis
- Thermal Features
- Fan headers (CPU + PUMP + SYSTEM)
- Extended Heatsink Design
- M.2 Shield Frozr
- 7W/mk MOSFET thermal pad
- Performance
- Core Boost
- VRM Power Design (VCPU / VGT / AUX)
- Dual CPU Power
- Memory Boost
- Lightning Gen 5 PCI-E Slot
- Lightning Gen 4 M.2 Slot
- Server Grade PCB
- Game Boost
- Lightning USB 20G
- USB with Type A+C
- DIY Friendly
- PCI-E Steel Armor
- Audio
- Audio Boost
- RGB Support
- Mystic Light
- Mystic Light Extension (RGB)
- Ambient Link Support
- BIOS
- Click BIOS 5
Package Contents
Please check the contents of your motherboard package. It should contain:
Board
- 1x Motherboard
Documentation
- 1x Quick installation guide
- 1x European Union regulatory notice
Cables
- 2x SATA 6Gb/s cables
Accessories
- 1x I/O shielding
- 1x HDMI dust cover
- 1x DP dust cover
⚠ Important: If any of the above items are damaged or missing, please contact your retailer.
Back Panel Connectors


LAN Port LED Status Table

Audio Jacks Connection
Audio jacks to headphone and microphone diagram

Audio jacks to stereo speakers diagram

Audio jacks to 4-channel speakers diagram

Audio jacks to 5.1-channel speakers diagram

Audio jacks to 7.1-channel speakers diagram

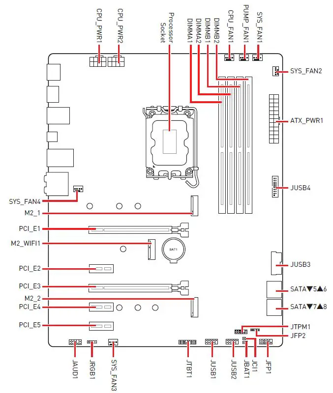
Overview of Components

CPU Socket

Introduction to the LGA1700 CPU
- The surface of the LGA1700 CPU has four notches and a golden triangle to assist in correctly lining up the CPU for motherboard placement.
- The golden triangle is the Pin 1 indicator.
Important
- Always unplug the power cord from the power outlet before installing or removing the CPU.
- Please retain the CPU protective cap after installing the processor. MSI will deal with Return Merchandise Authorization (RMA) requests if only the motherboard comes with the protective cap on the CPU socket.
- When installing a CPU, always remember to install a CPU heatsink. A CPU heatsink is necessary to prevent overheating and maintain system stability.
- Confirm that the CPU heatsink has formed a tight seal with the CPU before booting your system.
- Overheating can seriously damage the CPU and motherboard. Always make sure the cooling fans work properly to protect the CPU from overheating. Be sure to apply an even layer of thermal paste (or thermal tape) between the CPU and the heatsink to enhance heat dissipation.
- Whenever the CPU is not installed, always protect the CPU socket pins by covering the socket with the plastic cap.
- If you purchased a separate CPU and heatsink/ cooler, Please refer to the documentation in the heatsink/ cooler package for more details about installation.
- This motherboard is designed to support overclocking. Before attempting to overclock, please make sure that all other system components can tolerate overclocking.
- Any attempt to operate beyond product specifications is not recommended. MSI® does not guarantee the damages or risks caused by inadequate operation beyond product specifications.
DIMM Slots

Installation Recommendation
Memory module installation recommendation

Important
- Always insert memory modules in the DIMMA2 slot first.
- To ensure system stability for Dual channel mode, memory modules must be of the same type, number, and density.
- Some memory modules may operate at a lower frequency than the marked value when overclocking due to the memory frequency operating dependent on its Serial
- Presence Detect (SPD). Go to BIOS and find the DRAM Frequency to set the memory frequency if you want to operate the memory at the market or at a higher frequency.
- It is recommended to use a more efficient memory cooling system for full DIMM installation or overclocking.
- The stability and compatibility of the installed memory module depend on the installed CPU and devices when overclocking.
- Please refer to www.msi.com. for more information on compatible memory.
PCI_E1~5: PCIe Expansion Slots

Important
- If you install a large and heavy graphics card, you need to use a tool such as MSI Graphics Card Bolster to support its weight to prevent deformation of the slot.
- For a single PCIe x16 expansion card installation with optimum performance, using the PCI_E1 slot is recommended.
- When adding or removing expansion cards, always turn off the power supply and unplug the power supply power cable from the power outlet. Read the expansion card’s documentation to check for any necessary additional hardware or software changes.
M2_WIFI1: M.2 Slot (Key E)
- Please install the PCIe Wi-Fi module into the M2_WIFI1 slot as shown below.

M2_1~2: M.2 Slots (Key M)
Important
- Intel® RST only supports PCIe M.2 SSD with UEFI ROM.
- If your M.2 SSD equips its own heatsink, please remove the M.2 plate or rubber cube in the M.2 slot before installing M.2 SSD. Do not re-install the heatsink supplied with your motherboard.

Installing M.2 module into M2_1 slot
- Move and fasten the M.2 standoff before you install 2242/ 2260/ 22110 SSD. Skip this step if you install 2280 SSD.
- Insert your M.2 SSD into the M.2 slot at a 30-degree angle.
- Secure the M.2 SSD in place with the M.2 screw.

Installing M.2 module into M2_2 slot
- Loosen the screws of M.2 Shield Frozr heatsink.
- Lift up the M.2 Shield Frozr heatsink and remove it.

- Insert your M.2 SSD into the M.2 slot at a 30-degree angle.

- Remove the protective films from the thermal pads under the M.2 Shield Frozr heatsink.
- Put the M.2 Shield Frozr heatsink back in place and secure it.

SATA5~8: SATA 6Gb/s Connectors
These connectors are SATA 6Gb/s interface ports. Each connector can connect to one SATA device.
Important
- Please do not fold the SATA cable at a 90-degree angle. Data loss may result during transmission otherwise.
- SATA cables have identical plugs on either sides of the cable. However, it is recommended that the flat connector be connected to the motherboard for space saving purposes.
JTBT1: Thunderbolt Add-on Card Connector
This connector allows you to connect the add-on Thunderbolt I/O card.

| Pin | Signal Name | Pin | Signal Name |
| 1 | TBT_FORCE_PWR | 2 | TBT_S0IX_ENTRY_REQ |
| 3 | TBT_CIO_PLUG_ EVENT# | 4 | TBT_S0IX_ENTRY_ACK |
| 5 | SLP_S3#_TBT | 6 | TBT_PSON_ OVERRIDE_N |
| 7 | SLP_S5#_TBT | 8 | No Pin |
| 9 | Ground | 10 | SMBCLK_VSB |
| 11 | DG_PEWAKE# | 12 | SMBDATA_VSB |
| 13 | TBT_RTD3_PWR_EN | 14 | Ground |
| 15 | TBT_CARD_DET_R# | 16 | PD_IRQ# |
JAUD1: Front Audio Connector
This connector allows you to connect audio jacks on the front panel.

| Pin | Signal Name | Pin | Signal Name |
| 1 | MIC L | 2 | Ground |
| 3 | MIC R | 4 | NC |
| 5 | Head Phone R | 6 | MIC Detection |
| 7 | SENSE_SEND | 8 | No Pin |
| 9 | Head Phone L | 10 | Head Phone Detection |
JFP1, JFP2: Front Panel Connectors
- The JFP1 connector controls the power on, power reset, and the LEDs on your PC case/ chassis. Power Switch/ Reset Switch headers allow you to connect the power button/ reset button.
- The power LED header connects to the LED light on the PC case, and the HDD LED header indicates the activity of the hard disk.
- The JFP2 connector is for the Buzzer and Speaker.
- To connect the cables from the PC case to the right pins, please refer to the following images below.

Important
Please note that Power LED and HDD LED have positive and negative connection, you need to link up the cable to the corresponding positive and negative port on the motherboard. Otherwise, LEDs won’t work properly.
CPU_PWR1~2, ATX_PWR1: Power Connectors
These connectors allow you to connect an ATX power supply.

CPU_PWR1~2
| Pin | Signal Name | Pin | Signal Name |
| 1 | Ground | 2 | Ground |
| 3 | G
round |
4 | Ground |
| 5 | +12V | 6 | +12V |
| 7 | +12V | 8 | +12V |
ATX_PWR1
| Pin | Signal Name | Pin | Signal Name |
| 1 | +3.3V | 2 | +3.3V |
| 3 | Ground | 4 | +5V |
| 5 | Ground | 6 | +5V |
| 7 | Ground | 8 | PWR OK |
| 9 | 5VSB | 10 | +12V |
| 11 | +12V | 12 | +3.3V |
| 13 | +3.3V | 14 | -12V |
| 15 | Ground | 16 | PS-ON# |
| 17 | Ground | 18 | Ground |
| 19 | Ground | 20 | Res |
| 21 | +5V | 22 | +5V |
| 23 | +5V | 24 | Ground |
Important
Make sure that all the power cables are securely connected to a proper ATX power supply to ensure stable operation of the motherboard.
JCI1: Chassis Intrusion Connector
This connector allows you to connect the chassis intrusion switch cable.

Using a chassis intrusion detector
- Connect the JCI1 connector to the chassis intrusion switch/ sensor on the chassis.
- Close the chassis cover.
- Go to BIOS > SETTINGS > Security > Chassis Intrusion Configuration.
- Set Chassis Intrusion to Enabled.
- Press F10 to save and exit and then press the Enter key to select Yes.
- Once the chassis cover is opened again, a warning message will be displayed on the screen when the computer is turned on.
Resetting the chassis intrusion warning
- Go to BIOS > SETTINGS > Security > Chassis Intrusion Configuration.
- Set Chassis Intrusion to Reset.
- Press F10 to save and exit and then press the Enter key to select Yes.
JUSB3~4: USB 3.2 Gen 1 Connectors
These connectors allow you to connect USB 3.2 Gen 1 5Gbps ports on the front panel.

| Pin | Signal Name | Pin | Signal Name |
| 1 | Power | 2 | USB3_RX_DN |
| 3 | USB3_RX_DP | 4 | Ground |
| 5 | USB3_TX_C_DN | 6 | USB3_TX_C_DP |
| 7 | Ground | 8 | USB2.0- |
| 9 | USB2.0+ | 10 | Ground |
| 11 | USB2.0+ | 12 | USB2.0- |
| 13 | Ground | 14 | USB3_TX_C_DP |
| 15 | USB3_TX_C_DN | 16 | Ground |
| 17 | USB3_RX_DP | 18 | USB3_RX_DN |
| 19 | Power | 20 | No Pin |
Important
Note that the Power and Ground pins must be connected correctly to avoid possible damage.
JUSB1~2: USB 2.0 Connectors
These connectors allow you to connect USB 2.0 ports on the front panel.

| Pin | Signal Name | Pin | Signal Name |
| 1 | VCC | 2 | VCC |
| 3 | USB0- | 4 | USB1- |
| 5 | USB0+ | 6 | USB1+ |
| 7 | Ground | 8 | Ground |
| 9 | No Pin | 10 | NC |
Important
- Note that the VCC and Ground pins must be connected correctly to avoid possible damage.
- In order to recharge your iPad, iPhone and iPod through USB ports, please install MSI Center utility.
JTPM1: TPM Module Connector
- This connector is for TPM (Trusted Platform Module). Please refer to the TPM security platform manual for more details and usages.

| Pin | Signal Name | Pin | Signal Name |
| 1 | SPI Power | 2 | SPI Chip Select |
| 3 | Master In Slave Out (SPI Data) | 4 | Master Out Slave In (SPI Data) |
| 5 | Reserved | 6 | SPI Clock |
| 7 | Ground | 8 | SPI Reset |
| 9 | Reserved | 10 | No Pin |
| 11 | Reserved | 12 | Interrupt Request |
CPU_FAN1, PUMP_FAN1, SYS_FAN1~4: Fan Connectors
Fan connectors can be classified as PWM (Pulse Width Modulation) Mode. PWM Mode fan connectors provide constant 12V output and adjust fan speed with speed control signal.

| Pin | Signal Name | Pin | Signal Name |
| 1 | Ground | 2 | +12V |
| 3 | Sense | 4 | Speed Control Signal |
Fan connector specifications
| Connector | Default fan mode | Max. current | Max. power |
| CPU_FAN1 | PWM mode | 2A | 24W |
| PUMP_FAN1 | PWM mode | 3A | 36W |
| SYS_FAN1~4 | PWM mode | 1A | 12W |
JBAT1: Clear CMOS (Reset BIOS) Jumper
There is CMOS memory onboard that is external powered from a battery located on the motherboard to save system configuration data. If you want to clear the system configuration, set the jumpers to clear the CMOS memory.

Resetting BIOS to default values
- Power off the computer and unplug the power cord.
- Use a jumper cap to short JBAT1 for about 5-10 seconds.
- Remove the jumper cap from JBAT1.
- Plug the power cord and Power on the computer.
BAT1: CMOS Battery
If the CMOS battery is out of charge, the time in the BIOS will be reset and the data of system configuration will be lost. In this case, you need to replace the CMOS battery.

Replacing CMOS battery
- Push the retainer clip to free the battery.
- Remove the battery from the socket.
- Install the new CR2032 coin-cell battery with the + sign facing up. Ensure that the retainer holds the battery securely.

WARNING: KEEP OUT OF REACH OF CHILDREN
- Swallowing can lead to chemical burns, perforation of soft tissue, can death.
- Severe burns can occur within 2 hours of ingestion.
- If you think batteries might have been swallowed or placed inside any part of the body, seek immediate medical attention.
JRGB1: RGB LED connector
The JRGB connector allows you to connect the 5050 RGB LED strips 12V.

| Pin | Signal Name | Pin | Signal Name |
| 1 | +12V | 2 | G |
| 3 | R | 4 | B |
RGB LED Strip Connection

RGB LED Fan Connection

Important
- The JRGB connector supports up to 2-meter continuous 5050 RGB LED strips (12V/G/R/B) with a maximum power rating of 3A (12V).
- Always turn off the power supply and unplug the power cord from the power outlet before installing or removing the RGB LED strip.
- Please use MSI’s software to control the extended LED strip.
Installing OS, Drivers & MSI Center
Please download and update the latest utilities and drivers at www.msi.com.
Installing Windows 10/ Windows 11
- Power on the computer.
- Insert the Windows 10/ Windows 11 installation disc/USB into your computer.
- Press the Restart button on the computer case.
- Press the F11 key during the computer POST (Power-On Self Test) to get into the Boot Menu.
- Select the Windows 10/ Windows 11 installation disc/USB from the Boot Menu.
- Press any key if the screen shows Press any key to boot from CD or DVD… message. If not, please skip this step.
- Follow the instructions on the screen to install Windows 10/ Windows 11.
Installing Drivers with MSI Driver Utility Installer
Important
- Some new network chips have not been natively supported by Windows 10/ Windows 11. It is recommended that the LAN driver be installed before installing drivers with MSI Driver Utility Installer. Please refer to www.msi.com. to install the LAN driver for your motherboard.
- The MSI Driver Utility Installer will only pop up once. If you cancel or close it during the process, please refer to the Live Update chapter of the MSI Center manual to install the drivers. You can also go to www.msi.com. to search your motherboard and download the drivers.
- MSI Driver Utility Installer needs to be installed over the internet.
- Start up your computer in Windows 10/ Windows 11.
- Select Start > Settings > Windows Update, and then select Check for updates.
- MSI Driver Utility Installer will pop up automatically.

- Select the I have read and agree to the MSI Terms of Use check box, and then click Next.

- Check the Select All checkbox in the lower-left corner and click Install to install MSI Center and drivers. The installation progress will be shown at the bottom.

- Once the progress has completed, click Finish.
MSI Center
- MSI Center is an application that helps you easily optimize game settings and smoothly use content creation softwares. It also allows you to control and synchronize
- LED light effects on PCs and other MSI products. With MSI Center, you can customize ideal modes, monitor system performance, and adjust fan speed.
- MSI Center User Guide
- If you would like to know more information about MSI Center, please refer to https://download.msi.com/manual/mb/MSICENTER.pdf. or scan the QR code to access.
- ⚠ Important: Functions may vary depending on the product you have.
UEFI BIOS
- MSI UEFI BIOS is compatible with UEFI (Unified Extensible Firmware Interface)architecture.
- UEFI has many new functions and advantages that traditional BIOS cannot achieve, and it will completely replace BIOS in the future.
- The MSI UEFI BIOS uses UEFI as the default boot mode to take full advantage of the new chipset’s capabilities.
Important
The term BIOS in this user guide refers to UEFI BIOS unless otherwise noted.
UEFI advantages
- Fast booting – UEFI can directly boot the operating system and save the BIOS selftest process. And also eliminates the time to switch to CSM mode during POST.
- Supports for hard drive partitions larger than 2 TB.
- Supports more than 4 primary partitions with a GUID Partition Table (GPT).
- Supports unlimited number of partitions.
- Supports full capabilities of new devices – new devices may not provide backward compatibility.
- Supports secure startup – UEFI can check the validity of the operating system to ensure that no malware tampers with the startup process.
Incompatible UEFI cases
- 32-bit Windows operating system – this motherboard supports only Windows 10/ Windows 11 64-bit operating system.
- Older graphics card – the system will detect your graphics card. If you use older graphics cards, it may display a warning message There is no GOP (Graphics Output protocol) support detected in this graphics card.
Important
We recommend that you replace it with a graphics card supporting GOP/UEFI or use a CPU with integrated graphics to have normal function.
How to check the BIOS mode?
- Power on your computer.
- Press Delete key, when the Press DEL key to enter Setup Menu, F11 to enter the Boot Menu message appears on the screen during the boot process.
- After entering the BIOS, you can check the BIOS Mode at the top of the screen.
BIOS Setup
The default settings offer the optimal performance for system stability in normal conditions. You should always keep the default settings to avoid possible system damage or failure booting unless you are familiar with BIOS.
⚠ Important
- BIOS items are continuously updated for better system performance. Therefore, the description may be slightly different from the latest BIOS and should be for reference only. You could also refer to the HELP information panel for BIOS item description.
- The BIOS screens, options, and settings will vary depending on your system.
Entering BIOS Setup
- Press Delete key, when the Press DEL key to enter Setup Menu, F11 to enter Boot
- A menu message appears on the screen during the boot process.
Function key
- F1: General Help list
- F2: Add/ Remove a favorite item
- F3: Enter Favorites menu
- F4: Enter CPU Specifications menu
- F5: Enter Memory-Z menu
- F6: Load optimized defaults
- F7: Switch between Advanced mode and EZ mode
- F8: Load Overclocking Profile
- F9: Save Overclocking Profile
- F10: Save Change and Reset*
- F12: Take a screenshot and save it to USB flash drive (FAT/ FAT32 format only).
- Ctrl+F: Enter Search page
When you press F10, a confirmation window appears and it provides the modification information. Select between Yes or No to confirm your choice.
BIOS User Guide
If you’d like to know more instructions on setting up the BIOS, please refer to https://download.msi.com/archive/mnu_exe/mb/Intel700BIOS.pdf. or scan the QR code to access.
Important
Functions may vary depending on the product you have.
Resetting BIOS
You might need to restore the default BIOS setting to solve certain problems. There are several ways to reset BIOS:
- Go to BIOS and press F6 to load optimized defaults.
- Short the Clear CMOS jumper on the motherboard.
Important
Be sure the computer is off before clearing CMOS data. Please refer to the Clear CMOS jumper section for resetting BIOS.
Updating BIOS
Updating BIOS with M-FLASH Before updating:
Please download the latest BIOS file that matches your motherboard model from MSI website. And then save the BIOS file into the USB flash drive.
Updating BIOS:
- Switch to the target BIOS ROM by Multi-BIOS switch. Please skip this step if your motherboard doesn’t has this switch.
- Insert the USB flash drive that contains the update file into the USB port.
- Please refer the following methods to enter flash mode.
- Reboot and press Ctrl + F5 key during POST and click on Yes to reboot the system.
- Press <Ctrl+F5> to activate M-Flash for BIOS update.
- Reboot and press Del key during POST to enter BIOS. Click the M-FLASH button and click on Yes to reboot the system.

- Reboot and press Ctrl + F5 key during POST and click on Yes to reboot the system.
- Select a BIOS file to perform the BIOS update process.
- When prompted click on Yes to start recovering BIOS.
- After the flashing process is 100% completed, the system will reboot automatically.
Updating the BIOS with MSI Center
Before updating:
- Make sure the LAN driver is already installed and the internet connection is set properly.
- Please close all other application software before updating the BIOS.
To update BIOS:
- Install and launch MSI Center and go to the Support page.
- Select Live Update and click on the Advance button.
- Select the BIOS file and click on the Install button.
- The installation reminder will appear, then click the Install button on it.
- The system will automatically restart to update BIOS.
- After the flashing process is 100% completed, the system will restart automatically.
Battery Information
- European Union: Batteries, battery packs, and accumulators should not be disposed of as unsorted household waste. Please use the public collection system to return, recycle, or treat them in compliance with the local regulations.
- California, USA: The button cell battery may contain perchlorate material and requires special handling when recycled or disposed of in California.
- For further information please visit https://www.dtsc.ca.gov/hazardouswaste/perchlorate/.
- CAUTION: There is a risk of explosion if the battery is incorrectly replaced. Replace only with the same or equivalent type recommended by the manufacturer.
Chemical Substances Information
- In compliance with chemical substances regulations, such as the EU REACH Regulation (Regulation EC No. 1907/2006 of the European Parliament and the Council),
- MSI provides information on chemical substances in products at: https://csr.msi.com/global/index.
Environmental Policy
- The product has been designed to enable proper reuse of parts and recycling and should not be thrown away at its end of life.
- Users should contact the local authorized point of collection for recycling and disposing of their end-of-life products.
- Visit the MSI website and locate a nearby distributor for further recycling information.
- Users may also reach us at [email protected]. for information regarding the proper Disposal, Take-back, Recycling, and Disassembly of MSI products.
WEEE (Waste Electrical and Electronic Equipment) Statement
- To protect the global environment and as an environmentalist, MSI must remind you that Under the European Union (“EU”) Directive on Waste Electrical and Electronic Equipment, Directive 2002/96/EC, which takes effect on August 13, 2005, products of “electrical and electronic equipment” cannot be discarded as municipal wastes anymore, and manufacturers of covered electronic equipment will be obligated to take back such products at the end of their useful life.
- MSI will comply with the product take-back requirements at the end of the life of MSIbranded products that are sold in the EU. You can return these products to local collection points.
Copyright and Trademarks Notice
Copyright © Micro-Star Int’l Co., Ltd. All rights reserved. The MSI logo used is a registered trademark of Micro-Star Int’l Co., Ltd. All other marks and names mentioned may be trademarks of their respective owners. No warranty as to accuracy or completeness is expressed or implied. MSI reserves the right to make changes to this document without prior notice.
Technical Support
- If a problem arises with your system and no solution can be obtained from the user guide, please contact your place of purchase or local distributor. Alternatively, please try the following helpful resources for further guidance.
- Visit the MSI website for a technical guide, BIOS updates, driver updates, and other information: https://www.msi.com.
- Register your product at: https://register.msi.com.
Revision History
- Version 1.0, 2022/10, First release.
- Version 1.1, 2023/02, update memory info.











