
SOLAR CHARGING SYSTEM CONTROLLER
With TrakStar™ Maximum Power Point Tracking Technology
Contents
TS-MPPT-30 TriStar MPPT Solar Charging System Controller
![]() |
|
| TriStar MPPT Solar Charge Controller (TS-MPPT-30, TS-MPPT-45 & TS-MPPT-60 Models) |
TriStar MPPT Solar Charge Controller TS-MPPT-60M Model (includes onboard Meter) |
Quick Start Guide
| TriStar MPPT Models: | |||
| TS-MPPT-30 | TS-MPPT-45 | TS-MPPT-60 | TS-MPPT-60M |
For use with 12 Vdc, 24 Vdc, or 48 Vdc Systems
Scan QR Code to go directly to the TriStar MPPT Installation, Operation and Maintenance Manual, and warranty information online.
CAUTION: This guide must be used with the full product manual that includes important information.
Carefully read the TriStar-MPPT product manual for all specifications, safety, regulatory and warranty information, and for all required instructions on installation procedures, configuration, and operation.
Warranty Registration: https://www.morningstarcorp.com/product-registration/
In the Box:
![]() |
![]() |
| TriStar MPPT Solar Charge Controller | #10 Mounting Screws (x4) |
![]() |
![]() |
| Remote Temperature Sensor (RTS) | Mounting Template |
Tools Required:
— #2 Philips Screwdriver
— 3/16 (5 mm) & 1/8″ (3.8 mm) Flathead Screwdriver
— Drill with a 1/8″ (3.8 mm) bit
— Multimeter
Optional Accessories

Minimum Clearance Requirements:

WARNING: Explosion Hazard
Never install the TriStar in an enclosure with vented/flooded batteries. Battery fumes are flammable and will corrode and destroy the TriStar circuits. Ensure sufficient ventilation.
CAUTION: Equipment Damage
Do not expose the TriStar CC to weather. Locate in a dry, protected area to prevent equipment damage.
Ensure the minimum clearance requirements are followed to provide adequate ventilation and prevent the unit from overheating.
Mounting:
Step 1: Choose mounting location
A) Locate the TriStar on a vertical surface that is protected from direct sun, high temperatures, and water.
Step 2: Wiring accessibility and air flow clearance
A) Plan and confirm wire routing-access.
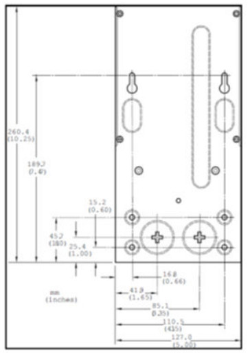
B) Verify that there is at least 6″ of space above and below the unit, and at least 1″ (25.4 mm) around the sides.
Step 3: Drill holes
A) Place the TriStar template on the wall where the unit will be mounted.
B) Mark and drill two (2) 1/8″ (3.175 mm) holes in the top end (slot) of each template keyhole.
C) Drive a #10 screw into each drill hole to 0.25″ (or 6.4 mm) from flush with the wall.
Step 4: Secure the controller
A) Place the controller circular keyhole areas over the wall screws, and pull the unit down to lock the screws into the slots.
B) Use the two remaining screws to fasten the lower part of the unit to the wall.
Screw head height for #1 & #2 : 0.25″ (6.4 mm) off wall
Do NOT exceed 0.50″ (12.8 mm)
See the Morningstar PV String Calculator at: https://www.morningstarcorp.com/support/
IMPORTANT: Array Voltage should NEVER exceed the maximum input voltage.
WARNING: Hazardous Voltage
The PV array can produce open-circuit voltages in excess of 125 Vdc when in sunlight. Verify that the solar input breaker or disconnect has been opened (disconnected) before installing the system wires.
IMPORTANT: Example only. Actual wiring may vary. READ the TriStar MPPT Installation, Operations, and Maintenance Manual for mandatory safety requirements. All configuration s must comply with local and national electric codes. Consult your local electric authority to ensure compliance
Communications Ports
For details on the communications options, see the Installation, Operation and Maintenance Manual.
WARNING: Hazardous Voltage
Fuses, circuit breakers, and disconnect switches should never open grounded system conductors. Only GFDI devices are permitted to disconnect grounded conductors.
WARNING: Hazardous Voltage
Test between all terminals and ground before touching.
Power or accessory terminals are NOT electrically isolated from DC input and may be energized with hazardous voltage.
IMPORTANT:
Ensure there is only 1 DC Negative-to-Ground Bond in the entire system.
CAUTION: Equipment Damage
The TriStar MPPT controller will not provide temperature compensation for the charging parameters without the Remote Temperature Sensor (RTS). The included RTS should always be installed to enable temperaturecompensated charging.
Power UP Sequence:
- Connect Battery/Battery Bank.
- Connect Solar.
Power DOWN Sequence:
- Disconnect Solar.
- Disconnect Battery/Battery Bank.
Specifications:
| TS-MPPT- 30 | TS-MPPT 45 | TS-MPPT- 60/60M | ||
| Battery Voltage | 12 Vdc, 24 Vdc, or 48 Vdc | |||
| Maximum PV Open Circuit Voltage | 150 Vdc | |||
| Maximum Battery Current | 30 A | 45 A | 60 A | |
| Battery Operating Voltage | 8 to 72 V | |||
| Battery Types Supported | Flooded, Sealed, AGM, Lithium | |||
| Nominal Maximum Output Power¹ | 12 Volt | 400 Watts | 600 Watts | 800 Watts |
| 24 Volt | 800 Watts | 1,200 Watts | 1,600 Watts | |
| 48 Volt | 1,600 Watts | 2,400 Watts | 3,200 Watts | |
| Recommended Maximum PV Array Input Power | 12 Volt | 550 Watts | 825 Watts | 1,100 Watts |
| 24 Volt | 825 Watts | 1,650 Watts | 2,100 Watts | |
| 48 Volt | 1,100 Watts | 2,100 Watts | 4,200 Watts | |
- Higher power arrays can be used without damaging a controller, but exceeding the Recommended Maximum PV Array Input Power may reduce the cost-benefits.
See the Morningstar PV String Calculator at: https://string-calculator.morningstarcorp.com/
IMPORTANT:
Refer to Section 3.0, Installation, in the TriStar-MPPT manual, for all details on installation requirements.
System design must comply with any applicable electrical code and regulations.
WARNING: Hazardous Voltage
The TriStar charge controller must be installed by a qualified technician in accordance with the electrical regulations of the country of installation.
WARNING: Hazardous Voltage
This unit is not provided with a GFDI device. This charge controller must be used with an external GFDI device as required by the Article 690 of the National Electrical Code for the installation location.
Accessing the wiring terminals:
To Access the Wiring Terminals:
- Remove the 4 screws and star washers from the faceplate.
- Lift the faceplate away from the base.

To Replace the Faceplate:
- Align it with the base.
- Replace the 4 screws and locking washers.
- Hand tighten, careful not to over-tighten.
Wire Sizes and Torque Requirements:
| Model | MINIMUM WIRE SIZES AND TORQUE REQUIREMENTS | |||||||
| Stranded Copper Wire Rated for 75°C or 90°C | Ground Terminal | Voltage Sense/RTS Terminals | Recommended Circuit Breaker or Fuse Size | |||||
| Wire Size in a Raceway, Cable or Earth¹ | Wire Size in Free Air² | |||||||
| Minimum | Maximum | |||||||
| @30°C | @30°C — 45°C | @30°C | @30°C — 45°C | |||||
| TriStar-MPPT- 30 | #8 AWG (8.36 mm²) | #8 AWG (8.36 mm²) | #10 AWG (5 mm²) | #10 AWG (5 mm²) |
#24 AWG (0.25 mm²) |
#16 AWG (1.0 mm²) |
40 Amps | |
| TriStar-MPPT- 45 | #6 AWG (13.3 mm²) | #4 AWG > 40°C (21.1 mm²) |
#8 AWG (8.36 mm²) | #10 AWG (5 mm²) |
#24 AWG (0.25 mm²) |
#16 AWG (1.0 mm²) |
60 Amps | |
| TriStar-MPPT- 60/M | #4 AWG (21.1 mm²) | #3 AWG > 40°C (26.7 mm²) | #6 AWG (13.3 mm²) | #8 AWG (8 mm²) |
#24 AWG (0.25 mm²) |
#16 AWG (1.0 mm²) |
75 or 80 Amps | |
| Torque | 50 in-lbs. (5.56 Nm) | 3.5 in-lbs. (0.40 Nm) | ||||||
| Maximum Distance | See Voltage Drop tables in the Appendix of the TriStar MPPT Installation Manual for maximum distance with < 2% Voltage Drop. | N/A | 100 ft (30 m) | |||||
- Per NEC 2021 [see NEC Table 310.15(b)(16)], ampacity for not more than three current-carrying conductors in a raceway, cable, or earth (buried)
- Per NEC 2021 [see NEC Table 310.15(b)(17)], ampacity for conductors in free air
Fuses and Circuit Breakers:
- Circuit Breakers or fuses are required in the positive cable for Battery and Solar connections.
- Solar connections require a PV Ground Fault Disconnect.
- A fuse is required in the positive cable for the Voltage Sense connections.
- Fuse or breaker sizing must be based on required wire ampacity.
- If using a fuse, do NOT insert the fuse in the fuse-holder until after all the other connections have been completed.
Contact Information:
Technical Support: morningstarcorp.com/support
Phone: 1-215-321-4457![]()
Operational Settings:
DIP Switch #1: Battery Charging
![]() |
![]() |
| Battery Charging | Not used at this time |
DIP Switch #2 & 3: Battery Voltage
![]() |
![]() |
| Auto Select | 12 Volts |
![]() |
![]() |
| 24 Volts | 48 Volts |
DIP Switch #4, 5, & 6: Battery Charging Settings
![]() |
![]() |
| Battery Type = Gell Absorption Stage = 14.0 V Float Stage = 13.7 V Equalize Stage = N/A Equalize Interval (Days) = 28 |
Battery Type = Flooded Absorption Stage = 14.6 V Float Stage = 13.5 V Equalize Stage = 15.3 V Equalize Interval (Days) = 28 |
![]() |
![]() |
| Battery Type = Sealed Absorption Stage = 14.15 V Float Stage = 13.7 V Equalize Stage = 14.4 V Equalize Interval (Days) = 28 |
Battery Type = Flooded Absorption Stage = 14.7 V Float Stage = 13.5 V Equalize Stage = 15.4 V Equalize Interval (Days) = 28 |
![]() |
![]() |
| Battery Type = Sealed Absorption Stage = 14.30 V Float Stage = 13.7 V Equalize Stage = 14.6 V Equalize Interval (Days) = 28 |
Battery Type = L-16 Absorption Stage = 15.47 V Float Stage = 13.4 V Equalize Stage = 16.0 V Equalize Interval (Days) = 14 |
![]() |
![]() |
| Battery Type = AGM/Flooded Absorption Stage = 14.40 V Float Stage = 13.7 V Equalize Stage = 15.1 V Equalize Interval (Days) = 28 |
Battery Type = Custom* Absorption Stage = Custom V Float Stage = Custom V Equalize Stage = Custom V Equalize Interval (Days) = Custom (*Requires Computer Connection. See TriStar MPPT Installation Manual for details.) |
Default Settings

| DIP | Function |
| (1) | Battery Charging Mode |
| (2,3) | Auto Voltage Select |
| (4, 5, 6) | Lowest Battery Charging Voltage (14.0 V) |
| (7) | Manual Equalization |
| (8) | Ethernet Security Disabled |
CAUTION: EQUIPMENT DAMAGE
The default position for the DIP switches is OFF.
Each switch position must be confirmed during installation. Incorrect settings could cause damage to the battery or other system components.
IMPORTANT:
The DIP switches should be changed only when there is no power to the controller. Turn off disconnect switches and remove all power to the controller before changing a DIP switch. A fault will be indicated if a switch is changed while the controller is powered.
DIP Switch #7: Battery Equalization
![]() |
![]() |
| Battery Equalization = Manual | Battery Equalization = Auto |
DIP Switch #8: Ethernet Security to Write Commands and Programming
![]() |
![]() |
| OFF = Disabled | ON= Enabled |
This switch enables/disables the ability to send write commands using an Ethernet connection.
- If Enabled, settings can NOT be changed and coil commands are disabled.
- If Disabled, settings can be changed and coil commands are enabled
LED DISPLAY AND PUSH-BUTTON FUNCTION:

PUSH-BUTTON FUNCTION:
- PUSH and RELEASE: Reset from an error or fault.
- PUSH and RELEASE: Reset the battery service indication if this has been activated in custom settings. A new service period will be started, and the flashing LEDs will stop blinking. If the battery service is performed before the LEDs begin blinking, the push-button must be pushed at the time when the LEDs are blinking to reset the service interval and stop the blinking.
- PUSH AND HOLD 5 SECONDS:
Requests battery equalization manually. The TriStar MPPT 150 V will begin equalization in either the manual or automatic equalization mode. Equalization will begin when there is sufficient solar power to charge the battery up to the equalization voltage. The LEDs will blink the sequence defined below to confirm that an equalize has been requested. The equalization request will automatically stop per the battery type selected. Equalization will only occur if the selected battery type has an equalization stage. - PUSH AND HOLD 5 SECONDS: Stop an equalization that is in progress. This will be effective in either the manual or automatic mode. The equalization will be terminated. The LEDs will blink to confirm the equalize has been cancelled as shown in the table below.
| Push-Button Action | SOC LED Indication* |
| Manual Equalization Started | G / Y / R – G / Y / R – G – G |
| Stop Equalization | G / Y / R – G / Y / R – R – R |
For Ethernet LED location and indication descriptions, see the TriStar MPPT Installation,Operation and Maintenance Manual.
LED Legend
- G = Green LED is illuminated
- Y-R = Yellow LED is illuminated, then Red LED is illuminated alone
- G/Y = Green and Yellow are both illuminated at the same time
- Y/R = Yellow and Red are both illuminated at the same time
- G/Y – R = Green & Yellow are both illuminated, then Red is illuminated alone
- Sequencing (faults) has the LED pattern repeating until the fault is cleared
General Transitions:
| LED Display Explanation | LED Indication |
| Controller Startup | G / Y / R (one cycle) |
| Equalize Start Request | G / Y / R – G / Y / R – G – G |
| Equalize Cancelled | G / Y / R – G / Y / R – R – R |
| Battery Service is Required | All 3 LEDs blinking until service is reset* |
*battery service notification is only enabled in custom settings, or when any custom edit is programmed
Battery Status:
| Battery Status | Indication |
| Equalize Charging Stage | G fast flash – 2.5 times per second |
| Absorption Charging Stage | G flash – ½ on, ½ second off |
| Float Charging Stage | G slow flash – 1 second on, 1 second off |
| 13.3 Volts ≤ Vbattery | G |
| 13.0 Volts ≤ Vbattery < 13.3 Volts | G/Y |
| 12.7 Volts ≤ Vbattery < 13.0 Volts | Y |
| 12.0 Volts ≤ Vbattery < 12.7 Volts | Y/R |
| Vbattery < 12.0 Volts | R |
Battery State-of-Charge (SOC):
| State-of-Charge (SOC) | Indication |
| 80% to 95% | G |
| 60% to 80% | G/Y |
| 35% to 60% | Y |
| 0% to 35% | Y/R |
| Battery is Discharging | R |
These State-of-Charge LED displays are for all battery types and system designed.
They are only approximate indications of the battery charge state during charging.
Faults & Alarms:
| Fault / Alarm | Indication |
| Over-temperature | R-Y Sequencing |
| High Voltage Disconnect | R-G Sequencing |
| DIP Switch Fault | R-Y-G Sequencing |
| Self-Test Faults | R-Y-G Sequencing |
| Temperature Probe (TRS) | G-R Sequencing, with constant Y |
| Battery Voltage Sense | G-R Sequencing, with constant Y |
| Battery Over-Current | R/Y – G Sequencing |
| Reverse Polarity – Battery | No LEDs are illuminated |
| Reverse Polarity – Solar | None |
For Fault Recovery Instructions, see the TriStar MPPT Installation, Operation and Maintenance Manual.
© 2023 Morningstar Corporation. All Rights Reserved.
MS-003852 v0























