Modern Flames LPS-4414/LPS-5614/LPS-6814/LPS-8014 Linear Landscape Pro Slim Electric Fireplace User Manual

SERIAL NUMBER:________________________________________

Read these instructions completely before beginning installation. Failure to follow them could cause a heater malfunction resulting in serious injury and/or property damage.
WARNING: All electric heaters have hot and arcing or sparking parts inside. Do not use it in areas where gasoline, paint or flammable liquids are or are stored.
This fireplace meets the construction and safety standards of H.U.D. for application in manufactured homes when installed according to these instructions.
INSTALLER: Leave this manual with the appliance.
CONSUMER: Retain this manual for future reference.
Contents
IMPORTANT INSTRUCTIONS
When using electrical heaters, basic precautions should always be followed to reduce the risk of fi re, electric shock and injury to persons, including the following:
WARNING: Improper installation, adjustment, alteration, service or maintenance can cause injury or property damage. Refer to this manual. For assistance or additional information, consult a qualified installer.
CAUTION: Do not expose the heater to the elements (such as rain, etc).
Do not place clothing or other flammable material on or near firebox. Never place any objects on the fi replace.
Carefully supervise young children when they are in the room with fi replace.
Fireplace becomes very hot when running. Keep children and adults away from hot surfaces to avoid burns or clothing ignition. Fireplace will remain hot for a time after shutdown. Allow surfaces to cool before touching.
CAUTION: In order to avoid overheating, do not cover the heater.
- Read all instructions before installing or using this heater.
- This heater is hot when in use. To avoid burns, do not let bare skin touch hot surfaces. Keep combustible materials, such as furniture, pillows, bedding, papers, clothes, and curtains at least 3 feet (0.9m) from the front of the heater and keep them away from the sides and rear.
- Extreme caution is necessary when any heater is used by or near children or disabled people and whenever the heater is left operating and unattended.
- Do not operate any heater after it malfunctions, has been dropped, or damaged in any manner. Disconnect power at service panel and have heater inspected by an authorized technician or a reputable electrician before using.
- Do not use outdoors.
- To disconnect heater, turn controls to off and turn off power to heater circuit at main disconnect panel.
- Do not insert or allow foreign objects to enter any ventilation or exhaust opening as this may cause an electric shock or fire, or damage the heater.
- To prevent a possible fi re, do not block air intakes or exhaust in any manner.
- A heater has hot and arcing or sparking parts inside. Do not use it in areas where gasoline, paint or flammable vapors or liquids are used or stored.
- Use this heater only as described in this manual. Any other use not recommended by the manufacturer may cause fi re, electric shock or injury to persons.
- SAVE THESE INSTRUCTIONS
POWER DATA

PRODUCT GUIDE

BOX CONTENTS

INSTALLATION
WARNING: If the information in these instructions is not followed exactly, a fi re or explosion may result causing property damage, personal injury or death.
WARNING – RISK OF FIRE!
To prevent a possible fi re, do not block air intake or exhaust in any manner. Do not use on soft surfaces where openings may become blocked.
WARNING – RISK OF FIRE!
Do not blow or place insulation against the firebox.
To reduce the risk of fi re do not store or use gasoline or other flammable vapors in the vicinity of this or any other heater.
CAUTION: Keep combustible materials, such as furniture, pillows, bedding, papers, clothes and curtains at least 3 feet (0.9m) from the front of the heater and keep them away from the sides and rear.
CAUTION: Wear gloves and safety glasses for protection during installation and maintenance.
Installing fireplace
Select a suitable location that is not susceptible to moisture and is a safe distance from drapes, furniture and high traffic areas. A qualified electrician should add a dedicated flexible 15 amp 120 volt circuit per local building codes.
Note: Follow all national and local electrical codes.
This fi replace can be installed fully recessed or half recessed.
To prepare for installation, connect the hard wire to the terminal block according to the diagram below.
Choose any connector type according to local building code.

Fully recessed installation

- This installation is optimized for a 2×6 framed wall. Prepare the framed opening according to the chart above. Provide a dedicated flexible 15 amp 120 volt circuit for hard wire installation.

- Install L Metal Nailing Flanges to the fireplace.

- Install the fire unit in the framed opening with a minimum 1 ¼ drywall screws to secure the unit.
- Mask the exposed fi re unit during the drywall process. Install drywall to the drywall stops on the perimeter of the fire box. For more information on the drywall stops see the Product Guide on page 4. Decorate as desired.

Half recessed installation
- This installation is optimized for a 2×4 framed wall. Prepare the framed opening according to the chart on page 7. Provide a dedicated flexible 15 amp 120 volt circuit for hard wire installation.


- Install L Metal Nailing Flanges to the fireplace.
- Install the fi re unit in the framed opening with a minimum 1 ¼ drywall screws to secure the unit.
- Mask the exposed fi re unit during the drywall process. Install drywall to the perimeter of the fi re box. The unit can be covered with a custom facade or optional Slim Cabinet (shown in diagram). Decorate as desired.

Installing Optional Wall Mounted Touch Control
- Locate 2-gang low voltage bracket within 20 feet of fi replace. Install according to manufacturer’s instructions.
- Remove glass face (attached with magnets) from metal bracket.
- Attach the metal bracket to the low voltage bracket with the included screws.
- Insert batteries (2 AAA) and replace the glass face.

OPERATION
The unit has a main power switch just in front of the glass on the right hand side. A hand-held remote is included.

Pairing remote:
To pair remote, turn off the fi re unit at the main power switch for 30 seconds. Hold the On/Off button on the remote while flipping the main power switch back to on. When the fi re unit powers up, the remote will be paired.
Power indicator lights for wall switch as well as upper right corner of the main unit

Manual Controls
The unit has manual controls located next to the power switch, just in front of the glass on the top right side.

SERVICE PARTS

TROUBLESHOOTING

FREQUENTLY ASKED QUESTIONS
Q. How do you change the optional Wall Touch Control to Fahrenheit/Celsius?
A. Long press on the up and down arrows on the fi re unit to toggle between Fahrenheit and Celsius.
Q. What distance can the remote be used from the fi replace?
A. Optimal distance for the remote control is within 20 feet.
Q. Can you turn on the fi replace via the manual control and off via the remote (or vise versa)?
A. Yes.
Q. Can the fi replace be installed outside?
A. No. Please review the entire safety chapter before installing this fi replace.
Q. Does the fi replace need to be on a dedicated 15 amp circuit?
A. Yes.
Q. What thickness of sheetrock should be used for the recessed installation?
A. 1/2” or 5/8”, thinner is recommended for tile façade.
Q. How often do the batteries in the remote need to be replaced?
A. Annually, possibly more with heavy use.
Q. Is there a remote receiver in the fi replace that requires batteries?
A. No, only the actual remote requires batteries. The rest of the fi replace runs entirely off of the main power supply.
CLEANING AND MAINTENANCE INSTRUCTIONS
There is very little maintenance involved with your electric fi replace. Please follow the few points below:
- On a semi-annual basis unplug the machine from it’s power source, wait for the heating element to cool and dust the fi re unit with a dry cloth. Be careful not to brush any wires that may be exposed as you do this.
- To clean the glass face of the fi replace simply use your desired glass cleaner with paper towels.
- To clean the air inlets/outlets, wipe with a soft cloth or the nozzle of a vacuum cleaner
- Dust can easily build up around the heater area inside the fi re unit, on the left and right sides. Take particular care to clean this area on a regular basis to prevent buildup.
- For long periods of inactivity, please unplug the fi replace and ensure the surrounding area remains dry.
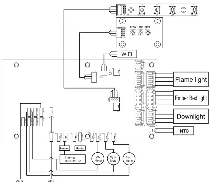
WIRING DIAGRAM

NOTES
_______________________________________
_______________________________________
_______________________________________
©2019
www.modernflames.com
Please dispose of properly.

Modern Flames LPS-4414/LPS-5614/LPS-6814/LPS-8014 Linear Landscape Pro Slim Electric Fireplace User Manual – Optimized PDF
Modern Flames LPS-4414/LPS-5614/LPS-6814/LPS-8014 Linear Landscape Pro Slim Electric Fireplace User Manual – Original PDF