Item#2793-695/66A
Auresa 25.625 Inch 3 Light Coal Globe Vanity Light
INSTALLATION INSTRUCTIONS
2793-695 Auresa 25.625 Inch 3 Light Coal Globe Vanity Light
WARNING! SHUT POWER OFF AT FUSE OR CIRCUIT BREAKER. 
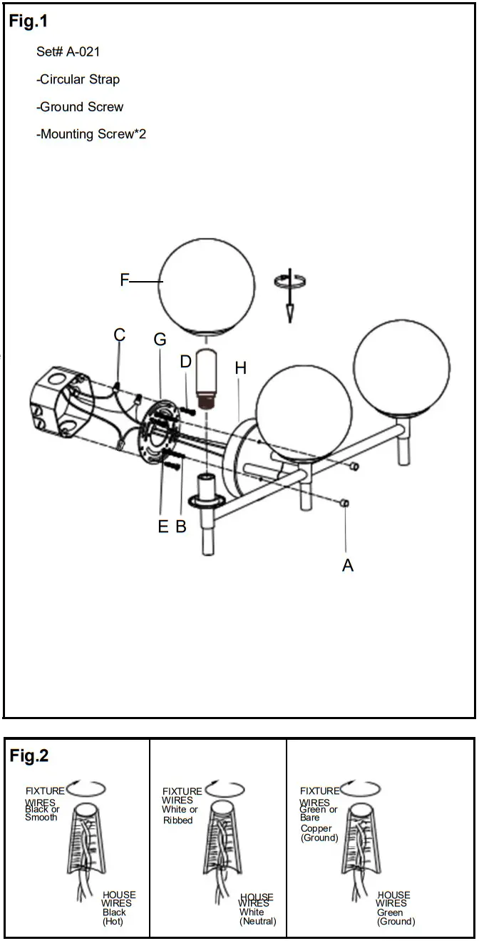
MOUNTING THE FIXTURE (Fig.1)
- Shut off power at the fuse box or circuit breaker and remove the old fixture including the mounting hardware.
- Carefully unpack your new fixture and lay out all the parts on a clean area. Take care not to lose any small parts necessary for installation.
- Thread mounting screws (B) into pre-drilled holes on circular strap (G) spaced same distance apart as holes in back plate and tighten with nuts (E). The length of mounting screws (B) may be adjusted if necessary.
- Attach circular strap (G) to junction box (not included) using junction box screws (D). The side of circular strap marked “GND” must face out.
CONNECTING THE WIRES (Fig.2) - Connect the electrical wires as shown in Fig.2, making sure that all wire connectors (C) are secured. If your junction box has a ground wire (green or bare copper), connect the fixture’s ground wire to it. Otherwise, connect the fixture’s ground wire directly to the circular strap (G) using the green screw provided.
- Tuck wire connectors neatly into the junction box
FINISHING THE INSTALLATION (Fig.1) - Place back plate (H) over mounting screws (B) and secure with finials (A).
- Install (3) three candelabra (T8) bulbs (not included) up to 40 watts each (not included) in accordance with the fixture specification —DO NOT EXCEED THE MAXIMUM WATTAGE RATING!
- Screw glass (F) onto the socket. Don’t over tighten.
Your installation is now complete. Return power to the junction box and test the fixture.
Note: Illustration (Fig.1) on this manual is for installation purposes only. It may or may not be identical to the fixture purchased.
2793-695