micwil RWHD Series No-Drill Mount Instruction Manual

Contents
INSTALLATION INSTRUCTIONS
lnteractive Products Corporation manufactures the most versatile, ergonomic and rugged mobile computing and communication mounting systems available. We strive to meet and exceed our customer’s expectations. We will manufacture specialized units to meet your mobile mounting needs.
WARRANTIES AND GUARANTEES
All products are guaranteed to be free of manufacturers defects for a period of one year from the date of purchase. All Laptop Docking Stations are guaranteed not to crack or break for a period of one year from the date of purchase.
lnteractive Products Corporation will repair or replace, at our discretion, without charge, any of our products which fail to perform due to defects in material or workmanship. Defects which result from damage or misuse, such as excessive force or improper installation, are not covered by this warranty
lnteractive Products will not be responsible for any incidental and/or consequential damage due to failure of any lnteractive Products Corporation product.
lmportant: This Warranty gives you specific legal rights. You may have other rights which vary form state to state.
RETURN POLICY
To return a product under warranty, contact lnteractive Products toll free at 1-BBB-552-7867. lnteractive Products will issue an RMA (Return Materials Authorization) number. No product will be accepted without an RMA number. The customer is responsible fqr return shipping. Package the merchandise in the original shipping container, if possible, and include a note detailing the reason for return along with a copy of your receipt. Please include your name, address and phone number.
lnterbctive Products will evaluate the defect and, at our discretion, either replace or repair the item and return it to the customer at no charge.
Products returned due to customer error must be returned within 30 days, in resalable condition, in the original container. A restocking charge of 20% of the purchase price will be assessed.
UPGRADES
Should the customer decide to upgrade to a heavy-duty model, lnteractive Products will swap the product and apply the purchase price (excluding freight and taxes) to the purchase of an upgraded unit. Product must be returned in resalable condition. Should any portion of the returned product be damaged, lnteractive Products will contact the customer to determine the reduction to their credit.
“AIRBAG FRIENDLY ” and “AIRBAG COMPATIBLE”
Much has been discussed, advertised and promoted regarding the compatibility between installation systems (mounting hardware) for mobile communications equipment and the “airbag deployment zones” in automobiles. Although many hardware manufacturers promote their products as being “airbag friendly” or “airbag compatible” the ultimate responsibility lies with the installer and/or end-user.
Any combination of installation hardware and mobile communication equipment that is not installed and positioned properly within the suggested dimensional parameters as defined by the vehicle manufacturer could potentially interfere with the deployment of the airbag(s). As a hardware manufacturer, lnteractive Products Corporation can make suggestions and recommendations for the correct positioning and installation of our mounting systems. However, lnteractive Products Corporation cannot control the ultimate placement and/or quality of the installation; nor can we control the type, size, style or placement of mobile communication equipment which the end-user chooses to mount onto, or with our products.
Manufacturers of public safety and law enforcement automobiles have provided, over the past few years, detailed information regarding the “airbag deployment zone(s)” in their specific vehicles. ln printed material and via videotapes, car manufacturers have outlined and illustrated the area within each vehicle that is considered a safezone for installing mobile communications equ ipment.
Note: Although airbag templates are available to assist in positioning equipment, they may not give you an exact image of the actual “deployment zone” of a rapidly inflating airbag. We strongly suggest you supplement the use of templates with the informatioh provided by the vehicle manufacturer for a more accurate representation of available installation space.
WARNING
Do not install the mount system or position the equipment in the deployment path of an airbag. ln the event of airbag deployment, mounting systems and/or equipment located within the airbag deployment zones can damage the airbag, prevent proper airbag inflation and/or become projectiles which could potentially cause personal injury or death. To determine airbag deployment zones and the area recommended for equipment installation, refer to vehicle manufacturer’s manual. lnteractive Products Corporation makes no warranties except for intended use and will not be held liable or responsible for any loss or damage, whether direct, indirect, incidental, special or consequential arising from the sale, use or misuse of lnteractive Products Corporation products or the user’s inability to use such products.
SUGGESTED LAPTOP POSITIONS

Option A: Center / Low No encroachment into airbag zone; least amount of room for other equipment
Option B: Offset / High May encroach airbag zone zone when screen is upright; most amount of room for other equipment.
NOTE: Assembly order:
- No-Drill
- Pedestal
- Laptop Docking Station
NOTE: MAKE SURE ALL PARTS ARE PRESENT AND READ ALL INSTRUCTIONS PRIOR TO ASSEMBLY (SEE NO-DRILL DETAIL, PAGE 5).
First determine the best configuration to suit your vehicle seat bolt. The most common seat bolt configurations are as follows:
- Configuration 1:
Seat bolt straight down in floor

- Configuration 2:
Seat bolt straight box, toward seat.

- Configuration 3:
45″ angle from glove box to seat.

NO.DRILL DETAIL

NO.DRILL HARDWARE PACKET INCLUDES:
| PART #: | DESCRIPTION: | Qty: |
| 4 | Shock control pad | 1 |
| 8 | Neoprene washer | 4 |
| 13 | Flat head allen bolt | 4 |
| 15-1 | 1 4-20 kep nuts | 6 |
| 15-2 | 3/8-16 kep nuts | 4 |
| 18-1 | 4-20 Button head bolt | 2 |
| 19-1 | Fork bracket | 1 |
| 19-2 | Hex stock | 1 |
| 19-3 | Flat plate | 1 |
| 20 | Glider | 2 |
| 21 | 3-prong knob | 1 |
| 22-1 | Hex key for 1/-20 bolts | 1 |
| 26 | 5/16-18 Set screw | 1 |
NO-DRILL INSTALLATION INSTRUCTIONS
ASSEMBLE NO-DRILL BASE MOUNT:
- Loosen seat bolt and insert fork bracket (19-1) under seat tragk or seat bolt (Under seat track is most desirable, but if this is not possible, under seat bolt is sufficient). Retighten seat bolt.
- Attach hex stock (19-21 to fork bracket using three-prong knob (211 or 5116-18 set screw (26). Choose the hole on the fork bracket that prevents three-prong knob from interfering with vehicle seat. lf knob causes a conflict with the seat position, use the 5116-18 set screw in place of the three-prong knob.
NOTE: Make sure grooved portion of hex stock is lined up perfectly with the hole in the fork bracket so that the knob seats completely. lf this is not done correctly, the hex stock may become deformed, which will cause it to get stuck in the fork bracket. - Attach flat plate (19-3) underneath hex stock using 114-20 button head bolts (18-1) and 114-20 kep nuts (15-1). Use hex key (22-1) to tighten. Make sure button head bolts are tightened completely.
- Make sure flat plate is as close to the vehicle floor as possible. This allows you to screw swivel gliders (20) toward floor, and receive back pressure against seat track or seat bolt. This will substantially stabilize your laptop stand, Flat plate can have a downward slope toward vehicle floor. This will also help you receive more back pressure with the swivel gliders for added stability.
- Screw two of the 3/8-16 kep nuts (15-2) onto swivel gliders with washer facing up. lnsert swivel gliders into flat plate from the bottom. Screw the last two 3/B-16 kep nuts onto swivel gliders with washer facing down toward flat plate. Use wrench to hold bottom kep nut in place while using a flat-head screwdriver to screw swivel gliders toward vehicle floor. Once flat plate is rigid, tighten the top and bottom kep nuts so swivel gliders are locked in place.
- You are now ready to install your pedestal to the No-Drill base.
NOTE: MAKE SURE ALL PARTS ARE PRESENT AND READ ALL INSTRUCTIONS PRIOR TO ASSEMBLY.
ATTACH PEDESTAL TO NO.DRILL BASE (SEE PEDESTAL DETAIL, PAGE 9):
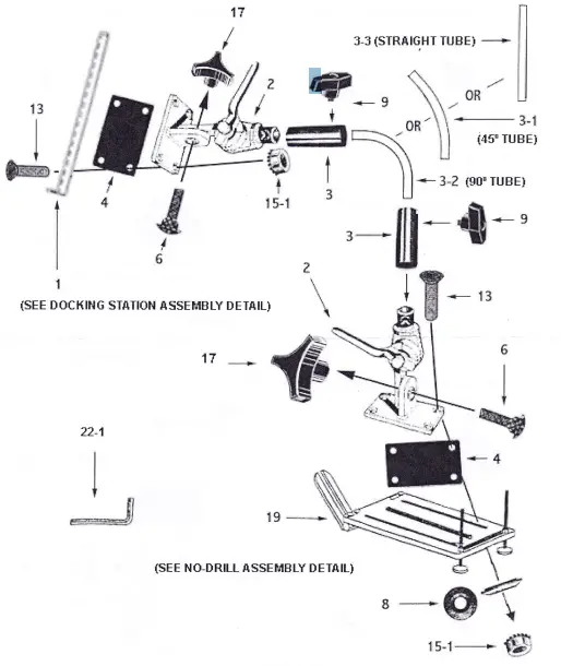
- Set tilt & rotate mechanism (2) on top of Absorb-lt shock control pad (a). Attach to No-Drill (19) using flat head allen bolts (13), galvanized neoprene washers (8) and 114-20 kep nuts (15-1). Tighten allen bolts with hex key (22-11.
- Slide telescoping tube portion of pedestal (3-1 , 3-2 or 3-3) into straight tube (3) portion of pedestal. (Pedestal height can be adjusted by loosening two-prong knob (9), raising or lowering telescoping tube, and retightening two-prong knob.)
NOTE: TELESCOPING TUBE lS COMPLETELY REMOVABLE – USE CAUTION WHEN ADJUSTING HEIGHT – TUBE MAY COME OUT AND LAPTOP MAY BE DAMAGED IF YOU DROP IT! - lnsert second tilt & rotate mechanism onto telescoping tube portion of pedestal, and tighten with two-prong knob.
ASSEMBLE DOCKTNG STATTON (SEE DOCKING STATION DETAIL, PAGE 10):
DOCKING STATION HARDWARE PACKET INCLUDES:
PART #: DESCRIPTION: QTY: 4 Shock control pad 1 10 L-bracket 2 11 Quick release strap 1 13 Flat head allen bolt 4 15-1 1 4-20 kep nut 4 15-3 6/32 kep nut 2 16 knob 2 18-3 6/32 Button head bolt 2 22-3 Hex key for 6/32 bolt 1 23 Note pad clip 1 Position laptop docking station (1) face up with the lip at the bottom.
- Line up holes in the notepad clip (23) (clipping mechanism toward the lip) with the top two holes in the docking station (SEE CLIP DETAIL, PAGE 10).
- Attach notepad clip by inserting two button head bolts (18-3) through the notepad clip and docking station from the top, and securing with two kep nuts (15-3) screwed on from underneath. Make sure the teeth on the kep nut are touching the back of the docking station. Tighten with hex key (22-31.
lnstall Compu-Loc computer fastening system to docking statioh as follows (SEE
DOCKING STATION DETAIL, PAGE 10): Attach plastisol coated L-brackets (10) to top of the docking station using knobs (16) inserted from underneath. lnsert the quick release strap (11) through the slots in the docking station. Feed from underneath into the right slot, across top of docking station, and then down through the left slot.
ATTACH DOCKING STATION TO PEDESTAL: - Set Absorb-lt shock control pad on top of tilt & rotate mechanism. Set docking station on top of shock control pad and attach using flat head allen bolts and 114-20 kep nuts as in step 1. Tighten allen bolts with hex key. SIZE COMPU.LOC COMPUTER SECURING SYSTEM:
- Place laptop onto docking station and adjust L-brackets so they rest against the back of the laptop when laptop is resting on the front lip of the docking station.
- emove laptop and move L-brackets 1/8″ to 1/4″ closer to the front lip and tighten L-brackets with knobs.
*Your Compu-Loc Computer Fastening System is now set up so that the laptop will snap onand off of the docking station. - Re-attach laptop to docking station. Open clamshell. Lay quick release strap across the keyboard, above the function keys so as not to impede any keys. Thread strap through buckle and synch laptop to docking station. Laptop can now be used without releasing the buckle.
RWHD SERIES PEDESTAL ASSEMBLY DETAIL

RWHD SERIES DOCKING STATION ASSEMBLY DETAIL
