Mean Well RSP-500 Series 500W Single Output with PFC Function Owner’s Manual

Home » MEAN WELL » Mean Well RSP-500 Series 500W Single Output with PFC Function Owner’s Manual

Mean Well RSP-500 Series 500W Single Output with PFC Function

Mean Well-RSP-500-Series-500W-Single-Output-with-PFC-Function-PRODUCT

Product Information

The RSP-500 series is a 500W single output power supply with PFC (Power Factor Correction) function. It is compliant with various safety standards such as AS/NZS62368-1, UL62368-1, CNS14336-1, BS EN/EN62368-1, and IEC62368-1. The product is also certified by TUV.

The RSP-500 series is available in different models with varying DC voltages and power ratings:

  • RSP-500-3.3: 3.3V, 297W
  • RSP-500-4: 4V, 360W
  • RSP-500-5: 5V, 450W
  • RSP-500-12: 12V, 500.4W
  • RSP-500-15: 15V, 501W
  • RSP-500-24: 24V, 504W
  • RSP-500-27: 27V, 502.2W

The power supply has a wide input voltage range of 85 ~ 264VAC and 120 ~ 370VDC. It operates at a frequency range of 47 ~ 63Hz and has a power factor of over 0.95/230VAC or 0.98/115VAC at full load.
The typical input efficiency ranges from 81% to 89.5% depending on the model.

The RSP-500 series features adjustable output voltage ranges, line regulation, load regulation, setup time, rise time, and hold-up time. It also has low ripple and noise levels.

Product Usage Instructions

To use the RSP-500 series power supply, follow these instructions:

  1. Ensure that the input voltage is within the specified range of 85 ~ 264VAC or 120 ~ 370VDC.
  2. Connect the power supply to the appropriate electrical outlet or power source.
  3. Adjust the output voltage according to your requirements using the provided adjustment range for each model.
  4. Connect the load to the output terminals of the power supply.
  5. Ensure that the load does not exceed the rated current and power for the selected model.
  6. Check the line and load regulation values to ensure stable and accurate output voltage.
  7. Allow sufficient setup time for the power supply to stabilize after turning it on.
  8. In case of power interruption, the hold-up time specifies how long the power supply can maintain its output voltage without input power. Take this into consideration for your application’s requirements.

Refer to the user’s manual for more detailed instructions and safety precautions.

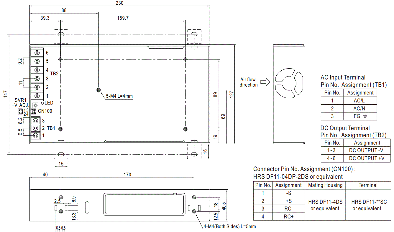
Dimension

 

Features

  • Universal AC input / Full range
  • Built-in active PFC function
  • High efficiency up to 90.5%
  • Forced air cooling by built-in DC fan (Note.5)
  • Built-in remote ON-OFF control / remote sense / DC OK signal
  • Protections: Short circuit / Overload / Over voltage/ Over temperature
  • 3 years warranty

Applications

  • Factory control or automation apparatus
  • Test and measurement instrument
  • Laser related machine
  • Burn-in facility
  • RF application

GTIN CODE
MW Search: https://www.meanwell.com/serviceGTIN.aspx

Description

RSP-500 is a 500W single output enclosed type AC/DC power supply. This series operates for 85~264VAC input voltage and offers the models with the DC output mostly demanded from the industry. Each model is cooled by the built-in fan with fan speed control, working for the temperature up to 70°C. Moreover, RSP-500 provides vast design flexibility by equipping various built-in functions such as remote ON-OFF control, remote sense, DC OK signal, etc.

Model Encoding / Order Information

Mean Well-RSP-500-Series-500W-Single-Output-with-PFC-Function-2

SPECIFICATION

MODEL RSP-500-3.3 RSP-500-4 RSP-500-5 RSP-500-12 RSP-500-15 RSP-500-24 RSP-500-27 RSP-500-48
 

 

 

 

OUTPUT

DC VOLTAGE 3.3V 4V 5V 12V 15V 24V 27V 48V
RATED CURRENT 90A 90A 90A 41.7A 33.4A 21A 18.6A 10.5A
CURRENT RANGE 0 ~ 90A 0 ~ 90A 0 ~ 90A 0 ~ 41.7A 0 ~ 33.4A 0 ~ 21A 0 ~ 18.6A 0 ~ 10.5A
RATED POWER 297W 360W 450W 500.4W 501W 504W 502.2W 504W
RIPPLE & NOISE (max.) Note.2 120mVp-p 120mVp-p 150mVp-p 150mVp-p 150mVp-p 150mVp-p 150mVp-p 150mVp-p
VOLTAGE ADJ. RANGE 2.8 ~ 3.6V 3.6 ~ 4.3V 4.5 ~ 5.5V 10 ~ 13.2V 13.5 ~ 18V 20 ~ 26.4V 26 ~ 30V 41 ~ 56V
VOLTAGE TOLERANCE Note.3 ±2.0% ±2.0% ±2.0% ±1.0% ±1.0% ±1.0% ±1.0% ±1.0%
LINE REGULATION ±0.5% ±0.5% ±0.5% ±0.3% ±0.3% ±0.2% ±0.2% ±0.2%
LOAD REGULATION ±1.0% ±1.0% ±1.0% ±0.5% ±0.5% ±0.5% ±0.5% ±0.5%
SETUP, RISE TIME 1500ms, 80ms/230VAC            3000ms, 80ms/115VAC at full load
HOLD UP TIME (Typ.) 18ms/230VAC           14ms/115VAC at full load
 

 

 

INPUT

VOLTAGE RANGE                                                Note.4 85 ~ 264VAC           120 ~ 370VDC
FREQUENCY RANGE 47 ~ 63Hz
POWER FACTOR (Typ.) PF>0.95/230VAC            PF>0.98/115VAC at full load
EFFICIENCY (Typ.) 81% 83% 84% 88% 88% 89% 89.5% 90.5%
AC CURRENT (Typ.) 4.2A/115VAC         2.1 A/230VAC 5.3A/115VAC            2.65 A/230VAC
INRUSH CURRENT (Typ.) 20A/115VAC           40A/230VAC
LEAKAGE CURRENT <2mA / 240VAC
 

 

 

PROTECTION

OVERLOAD 105 ~ 130% rated output power
Protection type : Constant current limiting, recovers automatically after fault condition is removed
OVER VOLTAGE 3.8 ~ 4.5V 4.5 ~ 5.3V 5.75 ~ 6.75V 13.8 ~ 16.2V 18.8 ~ 21.8V 27.6 ~ 32.4V 32.9 ~ 38.3V 58.4 ~ 68V
Protection type : Shut down o/p voltage, re-power on to recover
OVER TEMPERATURE Shut down o/p voltage, recovers automatically after temperature goes down
 

 

FUNCTION

 

REMOTE CONTROL

POWER ON:open or 0~0.8VDC between RC+(Pin 4)&RC-(Pin3) on CN100 POWER OFF: 4~10VDC between RC+(Pin 4)&RC-(Pin3) on CN100
REMOTE SENSE Compensate voltage drop on the load wiring up to 0.3V
FAN CONTROL (Typ.) RTH2≧50℃±10℃ Fan on ; RTH2≦40℃±10℃ Fan off (Fan always on for 3.3~5V,Fan ON/OFF control for 12~48V)
 

 

ENVIRONMENT

WORKING TEMP. -30 ~ +70℃ (Refer to “Derating Curve”)
WORKING HUMIDITY 20 ~ 90% RH non-condensing
STORAGE TEMP., HUMIDITY -40 ~ +85℃, 10 ~ 95% RH
TEMP. COEFFICIENT ±0.03%/℃ (0 ~ 50℃)
VIBRATION 10 ~ 500Hz, 2G 10min./1cycle, 60min. each along X, Y, Z axes
 

SAFETY & EMC

(Note.4)

SAFETY STANDARDS UL62368-1, TUV BS EN/EN62368-1, AS/NZS 62368.1, EAC TP TC 004 , CCC GB4943.1 , BSMI CNS14336-1approved
WITHSTAND VOLTAGE I/P-O/P:3KVAC I/P-FG:2KVAC O/P-FG:0.5KVAC
ISOLATION RESISTANCE I/P-O/P, I/P-FG, O/P-FG:100M Ohms / 500VDC / 25℃ / 70% RH
EMC EMISSION Compliance to BS EN/EN55032 (CISPR32) Class B, BS EN/EN61000-3-2,-3, EAC TP TC 020,GB/T 9254, CNS13438 Class B
EMC IMMUNITY Compliance to BS EN/EN61000-4-2,3,4,5,6,8,11, BS EN/EN55035, BS EN/EN61000-6-2, EAC TP TC 020
 

OTHERS

MTBF 1372.4K hrs min.       Telcordia SR-332 (Bellcore) ; 187.9K hrs min.       MIL-HDBK-217F (25℃)
DIMENSION 230*127*40.5mm (L*W*H)
PACKING 1.3Kg; 9pcs/12.7Kg/0.7CUFT
NOTE 1. All parameters NOT specially mentioned are measured at 230VAC input, rated load and 25°C of ambient temperature.
2. Ripple & noise are measured at 20MHz of bandwidth by using a 12″ twisted pair-wire terminated with a 0.1uf & 47uf parallel capacitor.
3. Tolerance: includes set up tolerance, line regulation and load regulation.
4. Derating may be needed under low input voltages. Please check the derating curve for more details.
5. Fan always on for 3.3~5V,Fan ON/OFF control for 12~48V.
6. The power supply is considered a component which will be installed into a final equipment. The final equipment must be re-confirmed that it
still meets EMC directives. For guidance on how to perform these MC tests, please refer to “EMI testing of component power supplies.”
(as available on https://www.meanwell.com)
7. The ambient temperature derating of 3.5°C/1000m with fanless models and of 5°C/1000m with fan models for operating altitude higher than
2000m(6500ft).
⅚ Product Liability Disclaimer : For detailed information, please refer to https://www.meanwell.com/serviceDisclaimer.aspx
Mechanical Specification

Mean Well-RSP-500-Series-500W-Single-Output-with-PFC-Function-3

Block Diagram

Mean Well-RSP-500-Series-500W-Single-Output-with-PFC-Function-4

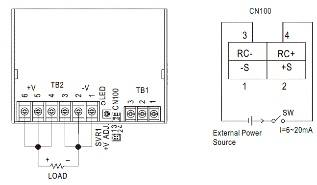
Function Description of CN100

Pin No. Function Description
1 -S Negative sensing. The -S signal should be connected to the negative terminal of the load. The -S and +S leads should be twisted in pair to minimize noise pick-up effect. The maximum line drop compensation is 0.3V.
2 +S Positive sensing. The +S signal should be connected to the positive terminal of the load. The +S and -S leads should be twisted in pair to minimize noise pick-up effect. The maximum line drop compensation is 0.3V.
3 RC- Return for RC+ signal input.
4 RC+ Turns the output on and off by electrical or dry contact between pin 4 ( RC+) and pin 3 (RC-). 0~0.8VDC or open: Power ON, 4~10VDC: Power OFF.

Function Manual

  1. Remote Control
    The PSU can be turned ON/OFF by using the “Remote Control” function.

    Between RC-(pin3) and RC+(pin4) on CN100 PSU Status
    SW OFF (0 ~ 0.8VDC) or open ON
    SW ON (4 ~ 10V) OFF

    Mean Well-RSP-500-Series-500W-Single-Output-with-PFC-Function-5

  2. Remote Sense
    The remote sensing compensates voltage drop on the load wiring up to 0.3VMean Well-RSP-500-Series-500W-Single-Output-with-PFC-Function-6

 

File Name:RSP-500-SPEC 2022-09-20

Leave a Comment