Maytag P6SD-XSeries Air Conditioner Packaged Owner’s Manual

Home » Maytag » Maytag P6SD-XSeries Air Conditioner Packaged Owner’s Manual

Maytag-LOGO

Maytag P6SD-XSeries Air Conditioner Packaged

Maytag P6SDXSeries-Air-Conditioner-Packaged-PRODUCT

Technical Specifications

P6SD Series
Single Packaged Air Conditioning,
13 SEER – R-410A
3, 4, 5 Ton Units

  • The P6 Series single packaged air conditioners are high efficiency self contained cooling units that can be installed on a roof or on a slab. The convertible unit design makes installations simple in all applications. Units are ETL and ETLc listed.

Maytag P6SDXSeries-Air-Conditioner-Packaged-PRODUCT

WARRANTY

  • 1 Year Limited Parts Warranty
  • 1 Year Limited Labor Warranty
  • 5 Year Limited Compressor Warranty

FEATURES and BENEFITS

  • State-of-the-art Copeland Scroll compressor is standard equipment.
  • R-410A Refrigerant Environmentally friendly.
  • Proven, Industry Standard Components Easier service and availability.
  • TXV Externally equalized. Provides precise refrigerant control under varying load conditions. High and Low Pressure Switches Added compressor protection.
  • Liquid Line Filter/Drier Insures clean and dry refrigeration system.
  • Externally Accessible Service Ports Quick access to refrigerant system without disrupting operation.
  • Compact Footprint/Low Profile Easy to handle and transport.
  • Convertible Air Delivery Horizontal or downflow to accommodate rooftop or horizontal application.
  •  Heavy-Gauge, Full Perimeter Base Rails Facilitates forklift handling and curb mounting.
  • Galvanized Steel Cabinet Polyurethane finish provides 950 hours salt spray protection.
  • Wire Guard Coated with Earth Friendly Epoxy and Mesh Hail Guard Will never rust and protects the coil from being damaged by balls, lawnmowers, hail etc.
  • Corrosion-Resistant Drain Pan Quickly drains away evaporator condensate.
  • Quiet Operation and Low Vibration 20″ fan blade combined with custom venturi condenser fan.
  • Access to Controls and Major Components Easy in and out service.
  • Service Access Panels Allows easy access to all major components and the compressor. Designed to make servicing easier for the Contractor.
  • Easy to Install Electric heat strip provides up to 20 KW of heat output.
  •  Accessories Roof curbs, economizers, fresh air dampers and more.

MODEL IDENTIFICATION CODE

Maytag P6SDXSeries-Air-Conditioner-Packaged-01

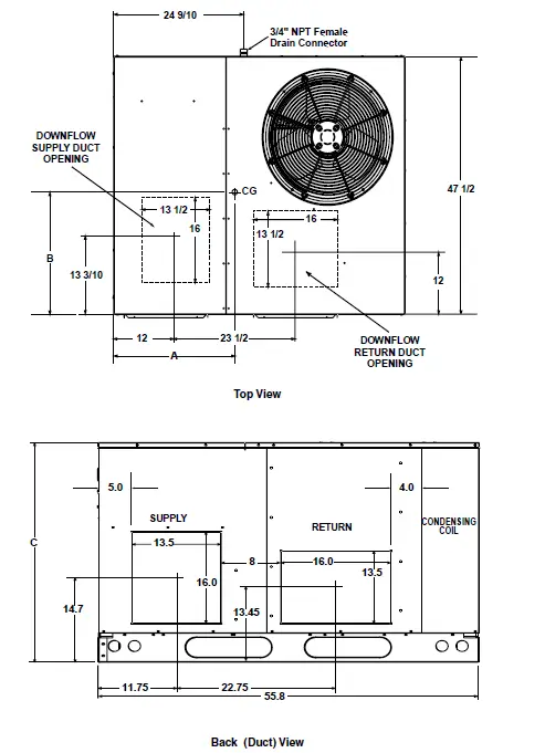
DIMENSIONS Maytag P6SDXSeries-Air-Conditioner-Packaged-02

Model Number P6SD Unit Weight Center of Gravity Height (in inches)

C

A B
with base rails
X36 405 29.5 26.0 37.7
X48 415 29.5 26.5 37.7
X60 480 30.0 27.5 41.7

DIMENSIONS (Continued)

Maytag P6SDXSeries-Air-Conditioner-Packaged-03

SPECIFICATIONS

Model Number P6SD
X36K X48K X60K
Performance
Capacity -Cooling BTUH 34,200 46,000 58,000
Efficiency – SEER 13.3 13.0 13.3
EER (Btuh/watt) 11.2 11.5 11.0
Electrical Rating – 60 Hz
Phase 1 1 1
Operating Voltage Range 187 – 253 187 – 253 187 – 253
Compressor Data
Volts 208 / 230 208 / 230 208 / 230
Rated Load Amps 18.6 24.3 29.3
Lock Rotor Amps 79 117 134
Indoor Blower
Type / No. of Speeds DD / 3 DD / 3 Fixed Torque
Motor – HP / RPM 1/4 – 1075 1/2 – 1080 3/4
Motor – Amps 1.3 3.1 6.0
Outdoor Fan
Motor – HP / RPM 1/4 – 1100 1/4 – 1100 1/4 – 1100
Motor – Amps 1.2 1.2 1.2
Fan Diameter / CFM 20/3600 20/3800 20/3800
Refrigerant Charge – Oz. 110 168 192
Shipping Weight 415 425 490

BLOWER PERFORMANCE

Model Number External Static Pressure Drop – inches water column
P6SD- 0.1 0.2 0.3 0.4 0.5 0.6 0.7 0.8
X36

*

High 1610 1562 1504 1442 1365 1295 1214 1109
Medium 1367 1320 1271 1205 1138 1065 968 845
Low 1153 1102 1043 990 912 831 731 618
X48

*

High 2361 2278 2218 2141 2066 1976 1870 1758
Medium 2026 1982 1935 1889 1822 1744 1660 1554
Low 1584 1568 1532 1489 1445 1387 1322 1236
X60       * Tap T1 1515 1450 1380 1350 1280 1250 1200 1160
Tap T2 1580 1520 1460 1400 1300 1280 1260 1230
Tap T3 1740 1690 1650 1600 1360 1500 1460 1390
Tap T4 1960 1910 1840 1820 1540 1740 1700 1600
Tap T5 2090 2050 2010 1975 1780 1900 1850 1790
  • * Denotes factory set cooling speed
  • ** Denotes factory set electric heating speed
  • NOTE: Airflow performance is with a dry coil

MODEL IDENTIFICATION CODE

Maytag P6SDXSeries-Air-Conditioner-Packaged-04

HEATER APPLICATION MATRIX

TONNAGE & PHASE UNIT NOMINAL

KW

HEATER KIT MODEL HEATER KIT PART NUMBER BREAKERS REQUIRED
3 Ton, Single Phase P6SD 5 H3HK005H-01B 917166B None
8 H3HK008H-01B 917167B None
10 H3HK010H-01B 917168B None
15 H3HK015H-01B 917169B 2
15 H3HK015H-21B 917172B None
 

 

 

4 Ton, Single Phase

P6SD 5 H3HK005H-01B 917166B None
8 H3HK008H-01B 917167B None
10 H3HK010H-01B 917168B None
15 H3HK015H-01B 917169B 2
15 H3HK015H-21B 917172B None
20 H3HK020H-01B 917170B 2
20 H3HK020H-21B 917173B None
5 Ton, Single Phase P6SD 5 H3HK005H-01B 917166B None
8 H3HK008H-01B 917167B None
10 H3HK010H-01B 917168B 2
15 H3HK015H-01B 917169B 2
15 H3HK015H-21B 917172B None
20 H3HK020H-01B 917170B 3
20 H3HK020H-21B 917173B 1

ELECTRICAL DATA

P6SD SERIES – 208/230V – SINGLE PHASE MODELS
MODEL NUMBER P6SD- HEATER INSTALLED NOMINAL KW SINGLE CIRCUIT MULTIPLE SUPPLY CIRCUIT OPTION
MCA REC, WIRE GAGE (90° C CU) MOP CIRCUIT A (Compressor & Fan) CIRCUIT B

(Blower & Heater)

MCA REC, WIRE GAGE (90° C CU)  

MOP

 

MCA

REC, WIRE GAGE (90° C CU)  

MOP

X36K 0 25.8 10 40
5 26.5 10 40
8 41.2 8 45
10 51.6 8 60
15 76.6 4 80 50.0 8 60 26.6 10 30
 X48K 0 32.9 8 50
5 32.9 8 50
8 41.2 8 50
10 51.6 8 60
15 76.6 4 80 51.6 8 50 26.6 10 30
20 101.6 3 110 50 8 50 51.6 8 60
MODEL NUMBER P6SD- HEATER INSTALLED NOMINAL K SINGLE CIRCUIT MULTIPLE SUPPLY CIRCUIT OPTION
MCA REC, WIRE GAGE  (90° C CU)  

MOP

CIRCUIT A

(Compressor, Blower, & Fan)

CIRCUIT B

(Heater only)

CIRCUIT C

(Heater only)

 

MCA

REC, WIRE GAGE  (90° C CU) MOP MCA REC, WIRE GAGE  (90° C CU)  

MOP

 

MCA

REC, WIRE GAGE  (90° C CU)  

MOP

X60K 0 43.8 8 70
5 43.8 8 70
8 43.8 8 70
10 51.5 8 70 43.8 8 70 50 8 60
15 76.5 4 80 51.5 8 70 25 10 30
20 101.5 3 110 43.8 8 70 50 8 60 50 8 60

NOTE: P6SD 3 & 4 ton models have PSC motors. Since the power wires run through the heater plug, keep the blower and heater on different circuits when adding a heater kit.

ACCESSORIES

Description Part Number
Roof Curb (8”) 547830
Roof Curb (14”) 547831
Roof Curb (18”) 547850
Roof Curb (24”) 547851
Supply/return transition, 16” 547834
Supply/return transition, 18” 547835
Concentric diffuser, flush, 16” 547836
Concentric diffuser, flush, 18” 547837
Concentric diffuser, step down 16” 547838
Concentric diffuser, step down 18” 547839
Manual Fresh Air Damper 547832
Motorized Fresh Air Damper 547840
Economizer, downflow w/filter (does not require filter kit) modulating 558870
Economizer, horizontal modulating 547841
Power Exhaust, downflow economizer (special order) 547842
Power Exhaust horizontal economizer (special order) 547843
HOOD TYPE HAIL GUARD 34” X 76” P6SD-X36, P6SD-X48 547846
HOOD TYPE HAIL GUARD 38” X 76” P6SD -X60 547847
DUCT SMOKE DETECTOR PHOTO ELEC 558863
MULTI SIGNAL CONTROL 547893
SAMPLING TUBE DST5, 2-4′ 558864
SAMPLING TUBE DST5, 4-8′ 558865
Filter Rack, All Downflow Applications (not required with economizer) 547885
Filter Kit (not required with economizer) P6SD-X36, P6SD-X48 547888
Filter Kit (not required with economizer ) P6SD-X60 547889
Universal Hard Start Kit 912933
Low Ambient Kit 918837
Skirt Trim Kit 919729
Extreme High Wind Kit – Roof Curb Mount 903696
Extreme High Wind Kit – Ground Mount 903695
Heater Kit – 4-Pole single circuit adaptor 913350
Heater Kit – 6-Pole single circuit adaptor 913556
Heater Kit – Circuit breaker single phase (2-pole) 913554
Freezestat Kit 917108
Duct Adopter, 14″ Round (2 each) 913812A
Control, CO2 sensor, wall mount 547848

COOLING EXPANDED RATINGS
P6SD-X36

O.D.T 85°F 95°F 105°F 115°F
CFM E.D.B. E.W.B. T.C. S.C. K.W. T.C. S.C. K.W. T.C. S.C. K.W. T.C. S.C. K.W.
900 80 62 32.7 26.3 2.67 31.2 26.4 2.95 29.6 27.2 3.27 27.9 26.8 3.64
80 67 35.6 21.3 2.70 33.9 20.7 2.98 32.1 20.2 3.30 30.1 19.5 3.67
80 72 38.9 16.3 2.75 37.1 15.8 3.03 35.2 15.2 3.34 33.1 14.7 3.71
75 63 33.1 21.0 2.68 31.5 21.1 2.95 29.8 21.0 3.28 28.0 20.6 3.64
1000 80 62 33.5 28.0 2.68 31.9 29.0 2.96 30.3 29.0 3.28 28.7 28.7 3.65
80 67 36.2 22.5 2.71 34.4 22.0 2.99 32.6 21.4 3.31 30.7 20.9 3.67
80 72 39.6 17.1 2.76 37.8 16.6 3.04 35.8 16.0 3.35 33.7 15.5 3.72
75 63 33.7 23.1 2.68 32.0 22.9 2.96 30.4 22.8 3.28 28.6 22.2 3.65
1100 80 62 34.7 31.2 2.69 33.1 31.3 2.97 31.6 31.6 3.30 29.9 29.9 3.66
80 67 37.3 24.5 2.73 35.5 23.9 3.00 33.6 23.2 3.32 31.6 22.6 3.69
80 72 40.7 18.2 2.77 38.8 17.7 3.05 36.7 17.2 3.37 34.5 16.6 3.73
75 63 34.8 26.0 2.70 33.1 25.6 2.97 31.3 24.9 3.29 29.4 24.2 3.66

P6SD-X48

O.D.T 85°F 95°F 105°F 115°F
CFM E.D.B. E.W.B. T.C. S.C. K.W. T.C. S.C. K.W. T.C. S.C. K.W. T.C. S.C. K.W.
1250 80 62 44.1 35.7 3.45 42.2 36.0 3.84 40.0 37.1 4.27 37.8 36.6 4.77
80 67 47.9 28.8 3.50 45.5 28.0 3.87 43.1 27.2 4.31 40.6 26.7 4.80
80 72 52.1 21.9 3.54 49.5 21.2 3.92 46.9 20.5 4.35 44.2 19.8 4.85
75 63 52.1 16.3 3.54 49.5 16.7 3.92 47.0 16.7 4.35 44.2 16.4 4.85
1400 80 62 45.2 38.2 3.46 43.1 39.5 3.85 41.0 39.5 4.29 39.0 39.0 4.78
80 67 48.7 30.6 3.51 46.3 29.8 3.88 43.9 29.4 4.32 41.4 28.6 4.81
80 72 52.9 23.1 3.54 50.4 22.4 3.93 47.7 21.6 4.36 44.9 20.9 4.86
75 63 53.1 18.2 3.55 50.5 18.2 3.93 47.7 17.9 4.36 45.0 17.4 4.86
1550 80 62 46.2 41.8 3.47 44.2 41.9 3.86 42.2 42.2 4.30 40.1 40.1 4.80
80 67 49.6 32.7 3.51 47.1 32.0 3.89 44.6 31.2 4.33 42.0 30.4 4.82
80 72 53.8 24.2 3.55 51.1 23.5 3.95 48.4 22.8 4.37 45.5 22.0 4.86
75 63 53.8 20.3 3.55 51.1 19.8 3.95 48.4 19.2 4.37 45.5 18.4 4.87
O.D.T 85°F 95°F 105°F 115°F
CFM E.D.B. E.W.B. T.C. S.C. K.W. T.C. S.C. K.W. T.C. S.C. K.W. T.C. S.C. K.W.
1600 80 62 56.7 45.9 4.53 54.1 46.1 5.02 51.3 47.5 5.57 48.4 46.7 6.19
80 67 61.2 37.4 4.62 58.1 36.4 5.09 55.0 35.3 5.65 51.7 34.2 6.26
80 72 66.6 28.6 4.72 63.1 27.7 5.20 59.5 26.8 5.75 55.7 25.7 6.36
75 63 57.0 36.9 4.54 54.2 37.0 5.02 51.2 36.7 5.57 48.2 36.0 6.18
1750 80 62 57.8 48.3 4.59 55.1 49.9 5.07 52.2 49.9 5.62 49.3 49.2 6.24
80 67 62.0 39.2 4.67 58.9 38.1 5.14 55.7 37.0 5.70 52.3 35.8 6.31
80 72 67.1 29.8 4.77 63.5 28.8 5.24 59.9 27.8 5.79 56.2 26.8 6.41
75 63 57.8 40.1 4.59 54.9 39.8 5.07 51.9 39.1 5.62 48.8 38.1 6.23
1900 80 62 58.7 52.1 4.64 56.0 52.2 5.13 53.1 53.0 5.68 50.4 50.4 6.30
80 67 62.7 40.9 4.72 59.6 39.8 5.20 56.3 38.7 5.75 52.8 37.5 6.36
80 72 67.5 30.9 4.81 64.0 29.9 5.29 60.5 28.8 5.84 56.7 27.7 6.46
75 63 58.5 43.5 4.64 55.6 42.7 5.12 52.5 41.6 5.66 49.3 40.3 6.28

Maytag P6SDXSeries-Air-Conditioner-Packaged-05

GENERAL TERMS OF LIMITED WARRANTY

  • NORDYNE will furnish a replacement for any part of this product in accordance with the terms of the warranty.
  • For complete details of the Limited Warranty, including applicable terms and conditions, see your local installer or contact the NORDYNE warranty department for a copy.www.maytaghvac.com
  • ®/TM/© Maytag. All rights reserved. Manufactured under license by Nortek Global HVAC, LLC, Missouri,
  • USA. Limited warranty provided by the manufacturer. © Nortek Global HVAC, LLC. All rights reserved.

Leave a Comment