MAYTAG 563209 Air Conditioner Packaged Instruction Manual

Home » Maytag » MAYTAG 563209 Air Conditioner Packaged Instruction Manual

MAYTAG 563209 Air Conditioner Packaged

MAYTAG 563209 Air Conditioner Packaged

Safety Precautions

Symbol Warning:

Symbol Recognize this symbol as an indication of Important Safety Information!

  • Read all instructions prior to installation.
  • Disconnect electrical power to the unit before servicing.
  • Failure to do so can cause electrical shock resulting in personal injury or death.
  • Improper installation, adjustment, alteration, service or maintenance can cause injury or property damage. Refer to this manual. For assistance or additional information consult a qualified installer or service agency.

DO NOT DESTROY. PLEASE READ CAREFULLY AND KEEP IN A SAFE PLACE FOR FUTURE REFERENCE

INSTALLATION INSTRUCTION

Note: Reference Unit Technical Service Literature for application requirements

Before You Begin:
Inspect economizer for shipping damage and correct parts with list below.

1 – Economizer Assembly w/ Filter installed Upper Adaptor Panels (See Table 1 on Page 2)

Installation Instruction
Installation Instruction
1 – Side Adaptor Panel
1 – Outdoor Air Hood (Attached to Economizer)
1 – Hardware Package
1 – Mixed Air Sensor (MAS)
1 – Mixed Air Sensor Wiring Harness
2 – 8″ Wire Tie
3 – #10 x 16 x ½” Self-Tapping Screws
13 – #10 x 16 x ½” Type A Screws

Unit# Unit Dimensions Shipping Information
A B C D E F G H I J K Height Length Width Weight
562533 47.59 37.56 18.73 28.86 10.79 12.54 8.18 18.90 18.00 27.50 28.25 35 57 ½ 20 ½ 109
563209 51.03 41.06 18.75 32.29 14.29 17.34 31.08 31.83 112
UNIT HEIGHT

(WITH BASE RAILS)*

UPPER PANEL CLOSE-OFF USED w/ UNIT#
35″ PANEL 1 – 22″ x 3″ 562533
39″ PANEL 1 – 22″ x 3″ 563209
43″ PANEL 2 – 22″ x 7″
47″ PANEL 3 – 22″ x 11″

Installation Instruction

Step 1:
Shutdown unit and disconnect from electrical power.
Step 2:
Remove the return access panel. (Save screws.)
Step 3:
Using CAUTION not to puncture coil tubing, align holes and place the tab on the side panel on the return side of divider wall and secure with self-tapping screw provided.
Step 3a: (Optional)
Install differential enthalpy control and DCV (CO2) sensor according to that kit’s instructions. (See products technical service literature.)
Step 4:
Install economizer in unit, attaching only left and right side mounting screws. Ensure economizer rails sit flush on return air opening lip. Use CAUTION not to tear insulation on unit side wall or floor. (Use screws that were removed in Step 2.) (See wiring diagram attached.)
Step 5:
Screw side panel in place.
Step 6:
Remove economizer top pan and face panels. Locate unit economizer plug (S1) in return air compartment (top right corner). Remove jumper wire and zip tie it to economizer wiring harness. Connect economizer plug (P1) to unit plug (S1). Inspect all wiring and linkage connections for security and proper operation. Secure all loose wires with a 6” wire tie.
Ensure that wires are protected from all sharp edges, inadvertent grounding, and will not become entangled with filter or moveable vanes.
Step 6a (Optional)
If installed, make sure differential enthalpy control and DCV (CO2) sensor wiring connections are made in accordance with that kit’s instructions.

Step 7:
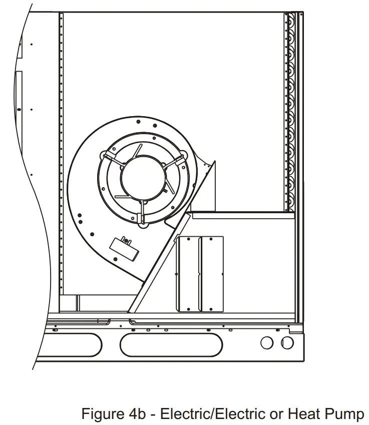
Remove unit blower access panel and install mixed air sensor in appropriate location (as shown in Figure 4) with two #10 Type A screws provided and then make electrical connection. Replace blower access panel.

Installation Instruction
Installation Instruction
Step 8:
Return power to unit, Setup and configure economizer. (See Appendix A on page 5)
Step 9:
Install appropriate upper close-off panel and replace face panel and top panel and secure with screws (See Table 1).
Ensure all mounting screws, panels, and doors are installed.

Note to Installer
  • When this economizer is used in conjunction with heat pumps, unit WHITE wire from economizer plug  pin #7 MUST be relocated from defrost control board “T1” to low voltage terminal board “A1”.
  • When this economizer is used with any 2-5 ton package unit (Gas/Electric, A/C, or Heat Pump) WITHOUT A COMMERCIAL THERMOSTAT, the GREEN wire from economizer plug pin #1 MUST be relocated from low voltage terminal board “G” to low voltage terminal board “R” to force dampers to remain in minimum position 100 percent of the time, while in heating mode, to meet the minimum fresh air requirements. When used in conjunction with a commercial thermostat, see Note 2 on wiring diagram.
  • Some older 2-5T package heat pumps may not be equipped with a reversing valve isolation relay,
    required for use with economizers that have a Jade control system. Nordyne kit #922598 is required for these applications.
MAIN TE NANCE

Return Air Filter Replacement is recommended every 30 days. (16 x 16 x 1)

Step 1:
Remove economizer face panel and side screws of top pan.
Step 2:
Slide filters out (2) and replace with new filters.
Step 3:
Replace face panel and secure all screws.

Installation Instruction

Fresh air filter cleaning is recommended every 3 months. 

Step 1:
Remove lower section of fresh air hood to access washable filters. (4 screws)
Step 2:
Remove filters (2) and clean with water and a mild detergent.
Step 3:
Taking note of “Air Flow Direction” marking on filter frame, re install the filters and fresh air filter access cover, securing all screws.

Installation Instruction

User Interface
The user interface consists of an LCD display and a 4-button keypad on the front of the Economizer module.
The LCD is a 16 character by 2 line dot matrix display.
Power Up Cycle
All setpoints and advanced settings are restored after any power loss (a power loss is assumed if voltage falls below 18 Vac). Normal operation is restored when power returns above 18 Vac.
Initial Menu Dis play
On initial startup, Honeywell displays on the first line and Economizer W7220 on the second line. After a brief pause, the revision of the software appears on the first line (second line is blank). It then displays W7220 on the first line and STATUS on the second line.

Keypad

The four navigation buttons illustrated in Figure 7 are used to scroll through the menus and menu items, select menu items, and to change parameter and configuration settings.

Installation Instruction

Using the Keypad with Menus 

To use the keypad when working with menus:

  • Press the Icon  button to move to the previous menu.
  • Press the Icon button to move to the next menu.
  • Press the 8 button (Enter) to display the first item in the currently displayed menu.
  • Press the Ó button (Menu up) to exit a menu’s item and return to the list of menus.

Using the Keypad with Settings and Parameters 

To use the keypad when working with Setpoints, System and Advanced Settings, Checkout tests, and Alarms:

  • Navigate to the desired menu.
  • Press the Iconand Icon button (Enter) to display the first item in the currently displayed menu.
  • Use the p and q buttons to scroll to the desired parameter.
  • Press the 8 button (Enter) to display the value of the currently displayed item.
  • Press the p button to increase (change) the displayed parameter value.a
  • Press the q button to decrease (change) the displayed parameter value.a
  • Press the 8 button to accept the displayed value and store it in non-volatile RAM.
  • When the value is accepted, CHANGE STORED is displayed on the LCD
  • Press the 8 button (Enter) to return to the current menu parameter.
  • Press the Ó button (Menu Up/Exit) to return to the previous menu.

When values are displayed, pressing and holding the Icon or Icon button causes the display to automatically increment.

Menu Structure

The following tables illustrate the complete hierarchy of menus and parameters for the JADE™ Economizer system .

The Menus in display order are:

  • STATUS
  • SETPOINTS
  • SYSTEM SETUP
  • ADVANCED SETUP
  • CHECKOUT
  • ALARMS
IMPORTANT

Your menu parameters may be different depending on your configuration.

For example if you do not have a DCV (CO2) sensor, then none of the DCV parameters appear and only MIN POS will display. If you have a CO2 sensor, the DCV MIN and DCV MAX will appear AND if you have 2 speed fan DCV MIN (high and low speed) and DCV MAX (high and low speed will appear).

SETUP AND CONFIGURATION 

Before being placed into service, the JADE™ Economizer module must be setup and configured for the installed system. Use the System Setup menu, the Advanced Setup menu (if necessary), and the Setpoints menu to accomplish this.

Time-out and Screen saver 

When no buttons have been pressed for 10 minutes, the LCD displays a screen saver, which cycles through the Status items. Each Status items displays in turn and cycles to the next item after 5 seconds.

STATUS MENU

Parameter Parameter Default Value Parameter Range and Increment Notes
ECON AVAIL NO YES/NO YES = economizing available; the system can use Outdoor Air for free cooling when required.
ECONOMIZING NO YES/NO YES = Outdoor Air being used for 1st stage cooling.
OCCUPIED NO YES/NO YES = OCC signal received from space thermostat or unitary controller. YES = 24 Vac on terminal OCC

No = 0 Vac on terminal OCC.

HEAT PUMP COOL COOL/HEAT Displays COOL or HEAT when SYSTEM is set to heat pump (non-conventional)
COOL Y1-IN OFF ON/OFF Y1-I signal from space thermostat input for cooling stage 1 or heat pump heating stage 1. ON = 24 Vac on terminal Y1-I

OFF = 0 Vac on terminal Y1-I

COOL Y1-OUT OFF ON/OFF Cool Stage 1 Relay Output to stage 1 mechanical cooling (Y1-OUT terminal).
COOL Y2-IN OFF ON/OFF Y2-I signal from space thermostat input for second stage cooling or heat pump heating stage 2.

ON = 24 Vac on terminal Y2-I OFF = 0 Vac on terminal Y2-I

COOL Y2-OUT OFF ON/OFF Cool Stage 2 Relay Output to mechanical cooling (Y2-OUT terminal).
MA TEMP _ _._ºF -40 to 150ºF Displays value of measured mixed air from MAT sensor. Displays -.- if not connected, short, or out-of-range.
DA TEMP _ _._ºF -40 to 150ºF Displays when Discharge Air Sylk Bus sensor is connected and displays measured discharge air temperature. Displays -.-°F if sensor sends invalid value, if not connected, short or

out-of-range.

OA TEMP _ _._ ºF -40 to 140ºF Displays measured value of outdoor air temperature. Displays -°F if sensor sends invalid value, if not connected, short or out-of-range.
OA HUM _ _% 0 to 100% Displays measured value of outdoor humidity from OA Sylkbus sensor. Displays -% if not connected, short, or out-of-range.
RA TEMP _ _._ºF 0 to 140ºF If field installed Dual Enthalpy sensor is connected, displays measured value of return air temperature. Displays -°F if sensor sends invalid value, if not connected, short or out-of-range.
RA HUM _ _% 0 to 100% If field installed Dual Enthalpy sensor is connected, displays measured value of return air humidity. Displays -% if sensor sends invalid value, if not connected, short or out-of-range.
IN CO2 _ _ _ ppm “0 to 2000

(3500) ppm”

If field installed CO2 sensor is connected, displays value of measured CO2. Invalid if not connected, short or out-of-range. May be adjusted in Advanced menu by Zero offset and Span.
DCV STATUS n/a n/a If field installed CO2 sensor is connected, displays ON if above setpoint and OFF if below setpoint.
DAMPER OUT _ _% 0 to 100% Displays output position to the damper actuator. When used with Honeywell communicating actuator the damper out is in XX.X%
ACT POS. n/a 0 to 100% Displays actual position of actuator.
ACT COUNT n/a 1 to 65,535 Displays number of times actuator has cycled. 1 Cycle equals 180° of movement in any direction.
ACTUATOR n/a OK/Alarm Displays Error on ALARM MENU if voltage or torque is below actuator range.
EXH1 OUT OFF ON/OFF Output of EXH1 terminal. Displays ON when damper position reaches programmed percentage setpoint.

ON = 24 Vac Output; OFF = No Output.

EXH2 OUT OFF ON/OFF Output of AUX1 O terminal Displays ON when damper position reaches programmed percentage setpoint

ON = 24 Vac Output, OFF = No Output; displays only if AUX1 O = EXH2

ERV OFF ON/OFF Output of AUX1 O terminal, ON = 24 Vac Output, OFF = No Output; displays only if AUX1 O = ERV
MECH COOL ON 0 0, 1, or 2 Displays number of mechanical cooling stages that are active.
FAN SPEED n/a LOW/HIGH Displays speed of fan on a 2-speed fan unit
W (HEAT IN) n/a ON/OFF Displays status of heat on a 2-speed fan unit.

SETPOINTS MENU

Parameter Parameter Default Value Parameter Range and a Increment Notes
MAT SET 53ºF 38 to 70ºF;

increment by 1

The economizer will modulate the OA damper to maintain the mixed air temperature at the setpoint.
LOW T LOCK 32ºF -45 to 80ºF;

increment by 1

Setpoint determines outdoor temperature when the mechanical cooling cannot be turned on. Commonly referred to as the Compressor lockout. At or below the setpoint the Y1-O and Y2-O will not be energized on the controller.
DRYBLB SET 63ºF 48 to 80ºF;

increment by 1

Setpoint determines where the economizer will assume outdoor air temperature is good for free cooling; e.g.; at 63 ºF setpoint unit will economizer at 62 ºF and below and not economize at 64 ºF and above. There is a a 2 ºF deadband.
ENTH CURVE ES3 ES1, ES2, ES3, ES4, or ES5 Does not display if a field installed Dual Enthalpy kit is connected. Enthalpy boundary “curves” for economizing using single enthalpy comparison between outdoor air enthalpy and setpoint.
DCV SET 1100 ppm 500 to 2000 ppm

increment by 100

Displays ONLY if field installed CO2 sensor is connected. Setpoint for Demand Control Ventilation of space. Above the setpoint, the OA dampers will modulate open to bring in additional OA to maintain a space ppm level below the setpoint.
MIN POS 2.8 V 2 to 10 Vdc Displays ONLY if a CO2 sensor is NOT connected.
With 2-speed fan units MIN POS L (low speed fan) and MIN POS H (high speed fan) settings are required. Default for MIN POS L is 3.2V and MIN POS H is 2.8V
VENTMAX 2.8 V 2 to 10 Vdc Displays only if a field installed CO2 sensor is connected. Used for Vbz (ventilation max cfm) setpoint. VENTMAX is the same setting as MIN POS would be if you did not have the CO2 sensor.
100 to 9990 cfm

increment by 10

If OA, MA, RA and CO2 sensors are connected and DCV CAL ENABLE is set to AUTO mode, the OA dampers are controlled by CFM and displays from 100 to 9990 cfm.
2 to 10 Vdc With 2-speed fan units VENTMAX L (low speed fan) and VENTMAX H (high speed fan) settings are required. Default for VENTMAX L is 3.2V and VENTMAX H is 2.8V.
VENTMIN 2.25 V 2 to 10 Vdc Displays only if field installed CO2 sensor is connected. Used for Va (ventilation min cfm) setpoint. This is the ventilation requirement for less than maximum occupancy of the space.
100 to 9990 cfm

increment by 10

If OA, MA, RA and CO2 sensors are connected and DCV CAL ENABLE is set to AUTO mode, the OA dampers are controlled by CFM and displays from 100 to 9990 cfm.
2 to 10 Vdc With 2-speed fan units VENTMIN L (low speed fan) and VENTMIN H (high speed fan) settings are required. Default for VENTMIN L is 2.5V and VENTMIN H is 2.25V.
b ERV OAT SP 32ºF 0 to 50ºF; increment by 1 Only when AUX1 O = ERV
EXH1 SET 50% 0 to 100%; increment by 1 Setpoint for OA damper position when exhaust fan 1 is powered by the economizer. With

2-speed fan units Exh1 L (low speed fan) and Exh1 H (high speed fan) settings are required. Default for Exh1 L is 65% and Exh1 H is 50%.

EXH2 SET 75% 0 to 100%; increment by 1 Setpoint for OA damper position when exhaust fan 2 is powered by the economizer. Only used when AUX1 O is set to EHX2.

With 2-speed fan units Exh2 L (low speed fan) and Exh2 H (high speed fan) settings are required. Default for Exh2 L is 80% and Exh2 H is 75%.

a
When values are displayed, pressing and holding the p or q button causes the display to automatically increment.

b ERV Operation: When in Cooling mode AND the conditions are NOT OK for economizing – the ERV terminal will be energized. In the Heating mode the ERV terminal will be energized when the OA is below the ERV OAT setpoint in the setpoint menu.

SYSTEM SETUP MENU 

Parameter Parameter Default Value Parameter Range and a Increment Notes
INSTALL 01/01/2011 Display order = MM/DD/YY. Setting order = DD, MM, then YY.
UNITS DEG ºF ºF or ºC Sets economizer controller in degrees Fahrenheit or Celsius.
EQUIPMENT CONV CONV HP CONV = conventional.

HP O/B = Enables Heat Pump mode. Use AUX2 I for Heat Pump input from thermostat or controller.

AUX2 I N/A Shutdown (SD) Heat (W1) HP(O) HP(B) In CONV mode:

SD = Enables configuration of shutdown (default);

WA controller that system is in heating mode.

 NOTE: If using 2-speed fan mode, you must pro-gram CONV mode for W. Shutdown is not available in the two-speed fan mode.

In HP O/B mode:

HP(O) = energize heat pump on Cool (default); HP(B) = energize heat pump on Heat.

FAN TYPE 1 speed 1  speed/

2   speed

Sets economizer controller for operation of 1 speed or 2 speed supply fan. The controller does not control the fan but positions the OA and RA dampers to the heating or cooling mode. NOTE: 2-speed fan option also needs Heat (W1) grammid in AUX 2 In.
 FAN CFM 5000cfm 100 to 15000

cfm; increment by 100

This is the capacity of the RTU. The value is found on the label from the RTU manufacturer. The cfm of the fan is only used with DCV CAL ENABLE AUO
 AUX1 OUT  NONE NONE ERV EXH2 SYS
  • NONE = not configured (output is not used)
  • ERV= Energy Recovery Ventilator
  • EXH2 = second damper position relay closure for second exhaust fan.
  • SYS = use output as an alarm signal
OCC INPUT INPUT or ALWAYS When using a setback thermostat with occupancy out (24 Vac), the 24 Vac is input “INPUT” to the OCC terminal. If no occupancy output from the thermostat then change program to “ALWAYS” OR add a jumper from terminal R to OCC terminal.
FACTORY DEFAULT NO NO or YES Resets all set points to factory defaults when set to YES. LCD will briefly flash YES and change to NO but all parameters will change to factory default values.

a
When values are displayed, pressing and holding the Icon or Icon button causes the display to automatically increment.

ADVANCE SETUP MENU 

Parameter Parameter Default Value Parameter Range and a Increment Notes
MA LO SET 45ºF 35 to 55ºF increment by 1º Temp to activate Freeze Protection (close damper or modulate to MIN POS if temp falls below set value)
FREEZE POS CLO CLO MIN Damper position when freeze protection is active (closed or MIN POS).
CO2 ZERO 0 ppm 0 to 500 ppm

increment by 10

Displays only if field installed CO2 sensor is connected. CO2 ppm level to match CO2 sensor start level.
CO2 SPAN 2000 ppm 1000 to 3000

ppm; increment by 50

Displays only if field installed CO2 sensor is connected. CO2 ppm span to match CO2 sensor; e.g.; 500-1500 sensor output would be 500 CO2 zero and 1000 CO2 span. See note on page 6 for C7632 CO2 sensor.
STG3 DLY 2.0h 0 min, 5 min, 15

min, then 15 min intervals. Up to 4h or OFF

Delay after stage 2 for cool has been active. Turns on 2nd stage of mechanical cooling when economizer is 1st stage call and mechanical cooling is 2nd stage call. Allows three stages of cooling, 1 economizer and 2 mechanical.

OFF = no Stage 3 cooling.

SD DMPR POS CLO CLO OPN Indicates shutdown signal from space thermostat. When controller receives 24 Vac input on the SD terminal in conventional mode, the OA damper will open if programmed for OPN and OA damper will close if programmed for CLO. All other controls, e.g., Y1-O, Y2-O, EXH1, etc. will shut off.
DCVCAL ENA MAN MAN (manual) AUTO Turns on the DCV automatic control of the dampers. Resets ventilation based on the RA, OA and MA sensor conditions. Requires all sensors (RA, OA, MA and CO2).

This operation is not operable with a 2-speed fan unit.

MAT T CAL 0.0 F° +/-2.5F° Allows for the operator to adjust for an out of calibration mixed air temperature sensor.
OAS T CAL 0.0F° +/-2.5F° Allows for the operator to adjust for an out of calibration outdoor air temperature sensor.
OAS H CAL 0% RH +/-10% RH Allows for the operator to adjust for an out of calibration outdoor air humidity sensor.
RA T CAL 0.0F° +/-2.5F° If field installed Dual Enthalpy sensor is connected, allows for the operator to adjust for an out of calibration temperature sensor.
RA H CAL 0% RH +/-10% RH If field installed Dual Enthalpy sensor is connected, allows for the operator to adjust for an out of calibration humidity sensor.
DA T CAL 0.0 F° +/-2.5F° Allows for the operator to adjust for an out of calibration Discharge Air Sylk Bus temperature sensor.
2SP FAN DELAY 5 Minutes 0 to 20 minutes

in 1 minute increments.

When in economizing mode this is the delay for the high speed fan to try to satisfy the call for second stage cooling before the first stage mechanical cooling is enabled.

a
When values are displayed, pressing and holding the Icon or Icon button causes the display to automatically increment.

CHECKOUT MENU c

Parameter Parameter Default Value Parameter Range and a Increment Notes
DAMPER VMIN-HS n/a n/a Positions damper to VMIN position
DAMPER VMAX-HS n/a n/a Positions damper to VMAX position.
DAMPER VMAX-LS With 2-speed fan units the damper will position to VMAX low speed fan.
DAMPER OPEN n/a n/a Positions damper to the full open position. Exhaust fan contacts enable during the DAMPER OPEN test. Make sure you pause in this mode to allow for exhaust contacts to energize due to the delay in the system.
DAMPER CLOSE n/a n/a Positions outside air damper to the fully closed position.
CONNECT Y1-O n/a n/a Closes the Y1-O relay (Y1-O). See CAUTION on below
CONNECT Y2-O n/a n/a Closes the Y2-O relay (Y2-O). See CAUTION on below
CONNECT AUX1-O n/a n/a Energizes the AUX1-O output. If AUX1-O setting is:

  • NONE – no action taken
  • ERV – 24 Vac out. Turns on or signals an ERV that the conditions are not good for economizing but are good for ERV operation. b
  • SYS – 24 Vac out. Issues a system alarm.
CONNECT EXH1 n/a n/a Closes the power exhaust fan 1 relay (EXH1)

a
When values are displayed, pressing and holding the p or q button causes the display to automatically increment.
b
ERV Operation: When in Cooling mode AND the conditions are NOT OK for economizing – the ERV terminal will be energized. In the Heating mode the ERV terminal will be energized when the OA is below the ERV OAT setpoint in the setpoint menu.
c
After 10 minutes without a command or mode change, the controller will change to normal operation.

CHECK OUT

Inspect all wiring connections at the Economizer module’s terminals, and verify compliance with the installation wiring diagrams.
For checkout, review the Status of each configured parameter and perform the Checkout tests.

Note: See “Interface Overview” on page 5. for information about menu navigation and use of the keypad.

Symbol WARNING:
Electrical Shock Hazard.
Can cause severe injury, death or property damage.
Disconnect power supply before beginning wiring or making wiring connections, to prevent electrical shock or equipment damage.

If any wiring changes are required, first be sure to remove power from the Economizer module before starting work.
Pay particular attention to verifying the power connection
(24 Vac).

Power Up 

After the module is mounted and wired, apply power.

Power Up Delay
Upon power up (or after a power outage or brownout), the W7220 controller module begins a 5 minute power up delay before enabling mechanical cooling.

Power Loss (Out age or Brown out)
All setpoints and advanced settings are restored a after any power loss or interruption.

Note: If power goes below 18 Vac, the W7220 controller module assumes a power loss and the 5 minute power up delay will become functional when power returns above 18 Vac.

a All settings are stored in non-volatile flash memory.

Status

Use the Status Menu to check the parameter values for the various devices and sensors configured.

Check out Tests

Use the Checkout Menu to test the damper operation and any configured outputs. Only items that are configured are shown in the Checkout menu.

To perform a Checkout test:

  1. Scroll to the desired test in the Checkout menu using the Icon and Icon buttons.
  2. Press the 8 button to select the item.
  3. RUN? appears on the display.
  4. Press the 8 button to start the test.
  5. The unit pauses and then displays TEST RUNNING.
  6. Press the button Ó (Menu up) to end the test (e.g. turn off the relay). Test stops automatically after 10 minutes without a command or mode change, and will resume normal operation.

The checkout tests can all be performed at the time of installation or any time during the operation of the system as a test that the system is operable.

Symbol CAUTION
Equipment damage may result.
Be sure to allow enough time for compressor startup and shutdown between checkout tests so that you do not short-cycle the compressors.

ALARM MENU 

Parameter Parameter Default Value Parameter Range and a Increment Notes
MA T SENS ERR n/a n/a Alarms display only when they are active. The menu title “ALARMS (_)”includes the number of active alarms in parenthesis ().
CO2 SENS ERR n/a n/a
OA T SENS ERR n/a n/a
DA ENTHL ERR n/a n/a
SYS ALARM n/a n/a When AUX1 O is set to SYS and there is any alarm (e.g., failed sensors, etc.), the AUX1 O terminal has 24 Vac out.
ACT UNDER V n/a n/a Voltage received by Actuator is above expected range
ACT OVER V n/a n/a Voltage received by Actuator is below expected range
ACT STALLED n/a n/a Actuator stopped before achieving commanded position

a
When values are displayed, pressing and holding the p or q button causes the display to automatically increment.

Alarms

The Economizer module provides alarm messages that display on the 2-line LCD.

NOTE: Upon power up, the module waits 60 minutes before checking for alarms. This allows time for all the configured devices (e.g. sensors, actuator) to become operational. The exception is the MA sensor which will alarm immediately.

If one or more alarms are present and there has been no keypad activity for at least 5 minutes, the Alarms menu displays and cycles through the active alarms. You can also navigate to the Alarms menu at any time.

Clearing Alarms

Once the alarm has been identified and the cause has been removed (e.g. replaced faulty sensor), the alarm can be cleared from the display. To clear an alarm, perform the following:

  1. Navigate to the desired alarm.
  2. Press the 8 button.
  3. ERASE? displays.
  4. Press the 8 button.
  5. ALARM ERASED displays.
  6. Press the button Ó (Menu Up/Exit) to complete the action and return to the previous menu.

NOTE: If an alarm still exists after you clear it, it redisplays within 5 seconds.

SEQUENCE OF OPERATION

Dry Bulb Operation No DCV (CO2 sensor) – 1 Speed Fan.

DCV OA Good to economize? Y1-I Y2-I FAN SPD Y1-O Y2-O Occupied Unoccupied
None No Off Off High 0-v/Off 0-v/Off MIN POS Closed
On Off High 24-v/On 0-v/Off MIN POS Closed
On On High 24-v/On 24-v/On MIN POS Closed
None Yes Off Off High 0-v/Off 0-v/Off MIN POS Closed
On Off High 0-v/Off 0-v/Off MIN POS to Full-Open Closed to Full-Open
On On High 24-v/On 0-v/Offa MIN POS to Full-Open Closed to Full-Open

a With stage 3 delay (STG3 DLY) in Advanced setup menu can turn on 2nd stage of mechanical cooling Y2 –O after the delay if the call for Y1-I and Y2-I have not been satisfied.

Dry Bulb Operation With DCV (CO2 sensor) – 1 Speed Fan.

DCV OA Good to economize? Y1-I Y2-I FAN SPD Y1-O Y2-O Occupied Unoccupied
Below CO2 set No Off Off High 0-v/Off 0-v/Off VENTMIN Closed
On Off High 24-v/On 0-v/Off VENTMIN Closed
On On High 24-v/On 24-v/On VENTMIN Closed
Yes Off Off High 0-v/Off 0-v/Off VENTMIN Closed
On Off High 0-v/Off 0-v/Off VENTMIN to Full-Open Closed to Full-Open
On On High 24-v/On 0-v/Offa VENTMIN to Full-Open Closed to Full-Open
Above CO2 set No Off Off High 0-v/Off 0-v/Off VENTMIN to VENTMAX Closed
On Off High 24-v/On 0-v/Off VENTMIN to VENTMAX Closed
On On High 24-v/On 24-v/On VENTMIN to VENTMAX Closed
Yes Off Off High 0-v/Off 0-v/Off VENTMIN to VENTMAX Closed
On Off High 0-v/Off 0-v/Off VENTMIN to Full-Open Closed to Full-Open
On On High 24-v/On 0 v/Offa VENTMIN to Full-Open Closed to Full-Open

a
With stage 3 delay (STG3 DLY) in Advanced setup menu can turn on 2nd stage of mechanical cooling Y2 –O after the delay if the call for Y1-I and Y2-I have not been satisfied.

Enthalpy Operation No DCV (CO2 sensor) – 1 Speed Fan.

DCV OA Good to economize? Y1-I Y2-I FAN SPD Y1-O Y2-O Occupied Unoccupied
None No Off Off High 0-v/Off 0-v/Off MIN POS Closed
On Off High 24-v/On 0-v/Off MIN POS Closed
On On High 24-v/On 24-v/On MIN POS Closed
None Yes Off Off High 0-v/Off 0-v/Off MIN POS Closed
On Off High 0-v/Off 0-v/Off MIN POS to Full-Open Closed to Full-Open
On On High 24-v/On a 0 v/Off MIN POS to Full-Open Closed to Full-Open

a With stage 3 delay (STG3 DLY) in Advanced setup menu can turn on 2nd stage of mechanical cooling Y2 –O after the delay if the call for Y1-I and Y2-I have not been satisfied.

Enthalpy Operation With DCV (CO2 sensor) – 1 Speed Fan.

DCV OA Good to economize? Y1-I Y2-I FAN SPD Y1-O Y2-O Occupied Unoccupied
Below set No Off Off High 0-v/Off 0-v/Off VENTMIN Closed
On Off High 24-v/On 0-v/Off VENTMIN Closed
On On High 24-v/On 24-v/On VENTMIN Closed
Yes Off Off High 0-v/Off 0-v/Off VENTMIN Closed
On Off High 0-v/Off 0-v/Off VENTMIN to Full-Open Closed to Full-Open
On On High 24-v/On 0-v/Offa VENTMIN to Full-Open Closed to Full-Open
Above set No Off Off High 0-v/Off 0-v/Off VENTMIN to VENTMAX Closed
On Off High 24-v/On 0-v/Off VENTMIN L to VENTMAX Closed
On On High 24-v/On 24-v/On VENTMIN H to VENTMAX Closed
Yes Off Off High 0-v/Off 0-v/Off VENTMIN L to VENTMAX Closed
On Off High 0-v/Off 0-v/Off VENTMIN to Full-Open Closed to Full-Open
On On High DELAY (b) 24-v/On a 0 v/Off VENTMIN to Full-Open Closed to Full-Open

a
With stage 3 delay (STG3 DLY) in Advanced setup menu can turn on 2nd stage of mechanical cooling Y2 –O after the delay if the call for Y1-I and Y2-I have not been satisfied.

Dry Bulb Operation No DCV (CO2 sensor) – 2 Speed Fan.

DCV OA Good to economize? Y1-I Y2-I FAN SPD Y1-O Y2-O Occupied Unoccupied
None No Off Off Low 0-v/Off 0-v/Off MIN POS L Closed
On Off Low 24-v/On 0-v/Off MIN POS L Closed
On On High 24-v/On 24-v/On MIN POS H Closed
None Yes Off Off Low 0-v/Off 0-v/Off MIN POS L Closed
On Off Low 0-v/Off 0-v/Off MIN POS L to Full-Open Closed to Full-Open
On On High b DELAY 24-v/On a 0 v/Off MIN POS H to Full-Open Closed to Full-Open

a
With stage 3 delay (STG3 DLY) in Advanced setup menu can turn on 2nd stage of mechanical cooling Y2 –O after the delay if the call for Y1-I and Y2-I have not been satisfied.

b
With 2SP FAN DELAY (Advanced Setup Menu) when in the economizing mode there is a delay for the high speed fan to try to satisfy the call for second stage cooling by turning on the fan to high and opening the OA damper 100% before the first stage mechanical cooling is enabled.

Dry Bulb Operation With DCV (CO2 sensor) – 2 Speed Fan.

DCV OA Good to economize? Y1-I Y2-I FAN SPD Y1-O Y2-O Occupied Unoccupied
Below set No Off Off Low 0-v/Off 0-v/Off VENTMIN L Closed
On Off Low 24-v/On 0-v/Off VENTMIN L Closed
On On High 24-v/On 24-v/On VENTMIN H Closed
Yes Off Off Low 0-v/Off 0-v/Off VENTMIN L Closed
On Off Low 0-v/Off 0-v/Off VENTMIN L to Full-Open Closed to Full-Open
On On High 24-v/On 0-v/Offa VENTMIN H to Full-Open Closed to Full-Open
Above set No Off Off Low 0-v/Off 0-v/Off VENTMIN L to VENTMAX Closed
On Off Low 24-v/On 0-v/Off VENTMIN L to VENTMAX Closed
On On High 24-v/On 24-v/On VENTMIN H to VENTMAX Closed
Yes Off Off Low 0-v/Off 0-v/Off VENTMIN L to VENTMAX Closed
On Off Low 0-v/Off 0-v/Off VENTMIN L to Full-Open Closed to Full-Open
On On High b DELAY 24-v/On a 0 v/Off VENTMIN H to Full-Open Closed to Full-Open

a
With stage 3 delay (STG3 DLY) in Advanced setup menu can turn on 2nd stage of mechanical cooling Y2 –O after the delay if the call for Y1-I and Y2-I have not been satisfied.

b With 2SP FAN DELAY (Advanced Setup Menu) when in the economizing mode there is a delay for the high speed fan to try to satisfy the call for second stage cooling by turning on the fan to high and opening the OA damper 100% before the first stage mechanical cooling is enabled.

Enthalpy Operation No DCV (CO2 sensor) – 2 Speed Fan.

DCV OA Good to economize? Y1-I Y2-I FAN SPD Y1-O Y2-O Occupied Unoccupied
NO CO2 SENSOR No Off Off Low 0-v/Off 0-v/Off MIN POS L Closed
On Off Low 24-v/On 0-v/Off MIN POS L Closed
On On High 24-v/On 24-v/On MIN POS H Closed
Yes Off Off Low 0-v/Off 0-v/Off MIN POS L Closed
On Off Low 0-v/Off 0-v/Off MIN POS L to Full-Open Closed to Full-Open
On On High b DELAY 24-v/On a 0 v/Off MIN POS H to Full-Open Closed to Full-Open

a
With stage 3 delay (STG3 DLY) in Advanced setup menu can turn on 2nd stage of mechanical cooling Y2 –O after the delay if the call for Y1-I and Y2-I have not been satisfied.

b
With 2SP FAN DELAY (Advanced Setup Menu) when in the economizing mode there is a delay for the high speed fan to try to satisfy the call for second stage cooling by turning on the fan to high and opening the OA damper 100% before the first stage mechanical cooling is enabled.

Dry Bulb Operation With DCV (CO2 sensor) – 2 Speed Fan.

DCV OA Good to economize? Y1-I Y2-I FAN SPD Y1-O Y2-O Occupied Unoccupied
Below set No Off Off Low 0-v/Off 0-v/Off VENTMIN L Closed
On Off Low 24-v/On 0-v/Off VENTMIN L Closed
On On High 24-v/On 24-v/On VENTMIN H Closed
Yes Off Off Low 0-v/Off 0-v/Off VENTMIN L Closed
On Off Low 0-v/Off 0-v/Off VENTMIN L to Full-Open Closed to Full-Open
On On High 24-v/On 0-v/Offa VENTMIN H to Full-Open Closed to Full-Open
Above set No Off Off Low 0-v/Off 0-v/Off VENTMIN L to VENTMAX Closed
On Off Low 24-v/On 0-v/Off VENTMIN L to VENTMAX Closed
On On High 24-v/On 24-v/On VENTMIN H to VENTMAX Closed
Yes Off Off Low 0-v/Off 0-v/Off VENTMIN L to VENTMAX Closed
On Off Low 0-v/Off 0-v/Off VENTMIN L to Full-Open Closed to Full-Open
On On High b DELAY 24-v/On a 0 v/Off VENTMIN H to Full-Open Closed to Full-Open

a
With stage 3 delay (STG3 DLY) in Advanced setup menu can turn on 2nd stage of mechanical cooling Y2 –O after the delay if the call for Y1-I and Y2-I have not been satisfied.

b With 2SP FAN DELAY (Advanced Setup Menu) when in the economizing mode there is a delay for the high speed fan to try to satisfy the call for second stage cooling by turning on the fan to high and opening the OA damper 100% before the first stage mechanical cooling is enabled.

Installation Instruction

Single Enthalpy and Dual Enthalpy High Limit Curves

Enthalpy Curve Temp.

Dry-Bulb (°F)

Temp.

Dewpoint (°F)

Enthalpy (btu/lb/da) Point P1 Point P2
Temp. °F Humidity %RH Temp. °F Humidity %RH
ES1 80.0 60.0 28.0 80.0 36.8 66.3 80.1
ES2 75.0 57.0 26.0 75.0 39.6 63.3 80.0
ES3 70.0 54.0 24.0 70.0 42.3 59.7 81.4
ES4 65.0 51.0 22.0 65.0 44.8 55.7 84.2
ES5 60.0 48.0 20.0 60.0 46.9 51.3 88.5
HL 86.0 66.0 32.4 86.0 38.9 72.4 80.3
Enthalpy Set tings

When the OA temperature, enthalpy and dew point are below the respective setpoints, the Outdoor Air can be used for economizing. Fig. 18 shows the new single enthalpy boundaries in the W7220. There are 5 boundaries (setpoints ES1 through ES5), which are defined by dry bulb temperature, enthalpy and dew point.
Refer to Table above for the ENTH CURVE setpoint values.
To use enthalpy the W7220 must have a C7400S Silk bus sensor for OA. The W7220 calculates the enthalpy and dew point using the OA temperature and humidity input from the OA sensor. When the OA temperature, OA humidity and OA dew point are all below the selected boundary, the economizer sets the economizing mode to YES, economizing is available.
When conditions are above the selected boundary, the conditions are not good to economize and the mode is set to NO.
Figure ## shows the 5 current boundaries. There is also a high limit boundary for differential enthalpy. The high limit boundary is ES1 when there are no stages of mechanical cooling energized and HL when a compressor stage is energized.
The table above provides the values for each boundary limit.

Two-Speed Fan Operation

The later versions of the W7220 Jade controller have the capability to work with a system using a 2-speed supply fan The W7220 does not control the supply directly but uses the following input status to determine the speed of the supply fan and controls the OA damper to the required position.

State Fan Speed
OCC Low
Y1 Low
Y2 High
W High

The W (heating mode) is not controlled by the W7220 but it requires the status to know where to position the OA damper for minimum position for the fan speed.

The 2 speed fan delay is available when the system is programmed for 2 speed fan (in the System Setup menu item). The 2 speed fan delay is defaulted to 5 minutes and can be changed in the Advanced Setup menu item. When the unit has a call for Y1 In and in the free cooling mode and there is a call for Y2 In, the 2-speed fan delay starts and the OA damper will modulate 100% open, the supply fan should be set to high speed by the unit controller. After the delay one of two actions will happen:

  • The Y2 In call will be sat is field with the damper 100% open and fan on high speed and the call will turn off
    OR
  • f the call for ad di tional cool ingang the space has not  been sat is field then the first stage of me chancel cool ink will be en abled through Y1 Out or Y2 Out.

Installation Instruction

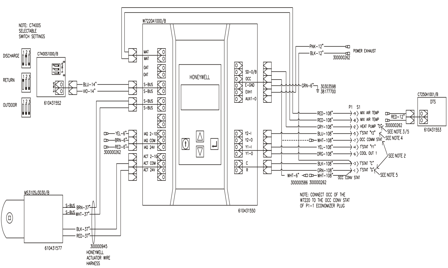
Symbol IN THIS CONFIGURATION, AN OPTIONAL DISCHARGE AIR TEM/HUMIDITY (ENTHALPY) SYLKBUS SENSOR CAN BE ADDED FOR ADVANCED CONTROL AS SHOWN IN THE LOWER LEFT OF THIS FIGURE.

Symbol THE S-BUS COMPONENTS MAY BE DAISY CHAINED TO ANOTHER S-BUS COMPONENT.

Symbol WHEN USING A HEAT PUMP THERMOSTAT, THERMOSTAT TERMINALS MAY DIFFER: W1 MAY BE LABELED O OR BAND W2 MAY BE LABELED W.

Symbol WHEN USING A HEAT PUMP WITH DEFROST FEEDBACK, ADD AN ISOLATION RELAY BETWEEN O AND C.

Economizer with Silk Bus sensors for enthalpy configuration with a Honeywell MS3103J or MS3105J communicating actuators. 

Symbol NOTE: ON/OFF ACTUATORS CAN BE USED ON THE EXH1 OR AUX1 0 TERMINAL WITH GROUND TO THE C TERMINAL. WHEN PROGRAMMING THE EXH1 OR AUX1 0 , THE % IS THE PERCENT OPEN POSITION OF THE OUTDOOR AIR DAMPER WHEN THE EXH1 OR AUX1 0 TERMINAL IS ENERGIZED AND THE 2-POS DAMPER GOES OPEN. IF USING THE AUX1 0 TERMINAL PROGRAM AUX1 0 FOR EXH2.

COMPONENT CODE Revision Change Date
HARNESS ENDS AT P1 Nordyne# Honeywell#      Description

622754    MS3105J3030    Damper Actuator 24v 626621    W7220A1000     Logic Module

626622    C7400S1000      Fresh Air Enthalpy Sensor 626623    C7250A1001      Mixed Air Temperature Sensor

———-    P1              Male Interface Unit Plug

———-    S1              Male Interface Unit Plug

WIRE COLOR CODE BLK Black     BLU Blue BRN Brown     GRN Green GRY Gray     ORG Orange

PNK Pink       RED Red

TAN Tan       VIO Violet

WHT White     YEL Yellow

Installation Instruction
Notes:

  1. Unit wiring shown as reference only. Check unit wiring for actual unit wiring.
  2. Standard connection shown. When this economizer is used in conjunction with a commercial thermostat that has an OCC connection, unplug white wire with insulated terminal from pin # 1 and plug into white wire from pin # 7. Connect the thermostat OCC output to A1 terminal on the unit low voltage terminal board. (On older models without A1 terminal connection a field supplied wire can be routed and connected to the unplugged white wire from Pin # 1 to JADE OCC)
  3. Economizer pin location S1-2 connected to the following: Package Gas/Electrics      – “W1” or Gas valve
    Package Air Conditioners           – “W1”
    Package Heat Pumps       – “O” for Cooling mode of operation
  4. For mechanical cooling (compressor) to energize during economizer cooling mode of operation, a thermostat “Y2” call must be present. A 2 stage cooling thermostat is required for this operation.
  5. See unit low voltage wiring instruction changes required for economizers equipped with the Honeywell W220 JADE control module and Page 3 of these instructions.               www.maytaghvac.com ®/TM/©  Maytag. All  rights reserved.
  6. USA. Limited warranty provided by

®/TM/© Maytag. All rights reserved. Manufactured under license by Nortek Global HVAC, LLC, Missouri, USA. Limited warranty provided by the manufacturer. © Nortek Global HVAC, LLC. All rights reserved.

DOWNFLOW ECONOMIZER # 562533 / 563209 PACKAGE EQUIPMENT MODELS

2-5T CONVERTIBLE PACKAGE UNITS AC, HP OR GAS ELECTRIC

Symbol

1625 Diplomat Drive
Carrolton, Texas 75006
Phone: (972) 247: 7447
Fax: (972) 243-09490

Date: February 18, 2015
Supersedes:
Drawn by: MGL
Unit #: 47-366-06
Diagram#: 4736606W
Approved by

Customer Support

This product is certified to meet California Title 24, Part 6 Low Leak and FDD requirements

Logo

Leave a Comment