Model Number
Mac Allister MHTP710 
710W Corded Hedge Trimmer Parts Manual
MHTP710 710W Corded Hedge Trimmer
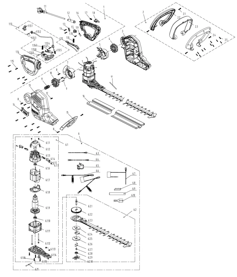
Exploded Diagram

| Part ID | Apelson PN | MPN | Part Description | Qty |
| 1 | G PO000003424 | 8440-531402-0001220 | THE HANDLE ASSEMBLY | 1 |
| 1. | GP0000003336 | 8422-533501-0000122 | POWER LINE | 1 |
| 1. | GP0000003337 | 8332-532101-0100020 | CABLE SLEEVE | 1 |
| 1. | G PO000002684 | 8184-282101-0001720 | CABLE CLAMP | 1 |
| 1. | GP0000002582 | 8SJAB40-14D | SELF TAPPING SCREW | 2 |
| 2. | GP0000001983 | 8411-522201-0000010 | CONNECTOR | 1 |
| 2. | GP0000003425 | 8001-531401-0001220 | LEFT THE HANDLE | 1 |
| 2. | GP0000003426 | 8342-691302-0000000 | PRESSURE SPRING | 1 |
| 2. | GP0000003427 | 8312-531401-0060620 | PUSH BUTTON | 1 |
| 2. | GP0000002244 | 8186-752801-0000010 | CLAMP | 1 |
| 1. | GP0000002045 | 8SJAB40-12D | SELF TAPPING SCREW | 1 |
| 1. | GP0000003428 | 8342-481001-0000000 | BUTTON SPRING | 1 |
| 1. | GP0000003429 | 8044-531401-0060620 | BACK TRIGGER | 1 |
| 1. | GP0000003430 | 8440-531403-0000010 | CABLE DRIVE ASSEMBLY | 1 |
| 1.13.1 | GP0000003431 | 8087-531401-0001720 | THE ROTATING ROD | 1 |
| 1.13.2 | GP0000003432 | 8440-531407-0000020 | WIRE CABLE ASSEMBLY | 1 |
| 1.13.3 | GP0000003433 | 85JAB29-16D | SELF TAPPING SCREWS | 1 |
| 1.13.4 | GP0000003334 | 8SJAB40-16B | SELF TAPPING SCREW | 1 |
| 1.13.5 | GP0000003434 | 8342-530502-0000000 | CONICAL SPRING | 1 |
| 1.13.6 | GP0000003435 | 8044-531402-0000000 | IN THE TRIGGER | 1 |
| 1.13.7 | GP0000003428 | 8342-481001-0000000 | BUTTON SPRING | 1 |
| 1.13.8 | GP0000003437 | 8292-531401-0001720 | THE ROTATING BRACKET | 1 |
| 1.13.9 | GP0000003438 | 8PB30-24B | THE ELASTIC CYLINDRICAL PIN | 1 |
| 1. | GP0000003439 | 8001-531402-0001220 | RIGHT THE HANDLE | 1 |
| 1. | GP0000003334 | 8SJAB40-16B | SELF TAPPING SCREW | 7 |
| 2 | G PO000003440 | 8440-530820-0060620 | THE HANDLE ASSEMBLY | 1 |
| 2. | GP0000003334 | 8SJAB40-16B | SELF TAPPING SCREW | 4 |
| 2. | GP0000003441 | 8292-530802-0068820 | ON THE HANDLE FRAME | 1 |
| 2. | GP0000003442 | 8003-530801-0060620 | THE FRONT HANDLE | 1 |
| 2. | G PO000003443 | 8292-530803-0068820 | UNDER THE HANDLE FRAME | 1 |
| 3. | GP0000002045 | 8SJAB40-12D | SELF TAPPING SCREW | 12 |
| 3 | GP0000003444 | 8006-531401-0001220 | LEFT HOUSING | 1 |
| 4 | GP0000003445 | 8312-531402-0060620 | TURN BUTTON | 1 |
| 5 | G PO000003446 | 8188-531401-0001220 | LEFT TURN | 1 |
| 6 | GP0000003447 | 8440-531404-0000010 | THE POWER OUTPUT MODULE | 1 |
| 6. | GP0000003448 | 8440-531405-0000010 | MOTOR ASSY’ | 1 |
| 6.1.1 | GP0000002314 | 8SNAB30-10D | FLANGE TAPPING SCREW | 4 |
| 6.1.2 | GP0000003449 | 8024-530706-0000120 | MOTOR COVER | 1 |
| 6.1.3 | GP0000003450 | 8292-530804-0001720 | BRUSH END BRACKET | 1 |
| 6.1.4 | GP0000003451 | 8406-620103-0000010 | CARBON BRUSH | 2 |
| 6.1.5 | GP0000003452 | 8409-623302-0000000 | BRUSH HOLDER | 2 |
| 6.1.6 | GP0000003453 | 8BC-190706-ST | 607 BEARING | 1 |
| 6.1.7 | GP0000003454 | 8405-530504-0000010 | STATOR | 1 |
| 6.1.8 | GP0000003455 | 8182-530501-0001720 | WIND SCREEN | 1 |
| 6.1.9 | GP0000003456 | 8402-530504-0100010 | THE ROTOR ASSEMBLY | 1 |
| 6/1/10 | GP0000002325 | 8BC-220807-STO3 | 6082 BEARING | 1 |
| 6/1/11 | GP0000003457 | 8292-530502-0101720 | THE MOTOR BRACKET | 1 |
| 6/1/12 | GP0000003458 | 8SJAN40-65D | THREE COMBINATION SCREW | 2 |
| 6/1/13 | GP0000002623 | 8NH-05D | SIX ANGLE LOCK NUT | 2 |
| 6/1/14 | GP0000003459 | 8292-530701-0000000 | HOLDER | 1 |
| 6/1/15 | GP0000003460 | 8211-535101-0000000 | OIL BEARING | 1 |
| 6/1/16 | GP0000002602 | 8SJAB40-18D | SELF TAPPING SCREW | 4 |
| 6. | GP0000003461 | 8440-531406-0000010 | THE POWER OUTPUT MODULE | 1 |
| 6.2.1 | GP0000003353 | 8085-532401-0000000 | OUTPUT SHAFT | 1 |
| 6.2.2 | GP0000003462 | 8123-535102-0100000 | BIG GEAR | |
| 6.2.3 | GP0000003463 | 8440-531401-0100010 | BLADE ASSY’ | |
| 6.2.4 | GP0000003464 | 8325-535101-0100000 | BASE PLATE | 1 |
| 6.2.5 | GP0000003465 | 8124-535102-0100000 | WOBBLER | 1 |
| 6.2.6 | GP0000003466 | 8325-535102-0100000 | BASE PLATE | 1 |
| 6.2.7 | GP0000003467 | 8086-535102-0100000 | PIN | 2 |
| 6.2.8 | GP0000003360 | 8CC-08B | AXIS WITH CIRCLIPS | 1 |
| 6.2.9 | GP0000003361 | 8BC-190806-STO3 | 6982 BEARING | 1 |
| 6/2/10 | GP0000003362 | 8301-534101-0001720 | BEARINGS FIXED BLOCK | 1 |
| 6. | GP0000003468 | 8413-531404-0000010 | CONNECTING WIRE | 1 |
| 6. | GP0000003469 | 8413-531405-0000020 | CONNECTING WIRE | 1 |
| 7. | GP0000003470 | 8042-531401-0000010 | MICROSWITCH | |
| 7. | GP0000003471 | 8413-531401-0000010 | CONNECTING LINE 1 | 1 |
| 7. | GP0000003472 | 8413-531402-0000010 | CONNECTING LINE 2 | 1 |
| 7. | GP0000002054 | 239-0044 | COPPER STRIP | 1 |
| 7. | GP0000003473 | 233-1005 | HEAT SHRINKABLE TUBE | 2 |
| 6. | GP0000003423 | 239-0008 | FEMALE TERMINAL | 1 |
| 6. | GP0000003467 | 8086-535102-0100000 | PIN | 1 |
| 7 | GP0000003475 | 8188-531402-0001220 | RIGHT TURN | 1 |
| 8 | GP0000003334 | 8SJAB40-16B | SELF TAPPING SCREW | 15 |
| 9 | GP0000003334 | 8SJAB40-16B | SELF TAPPING SCREW | 2 |
| 10 | GP0000003476 | 8136-531401-0060620 | PASSIVE CHUCK | 1 |
| 11 | GP0000003477 | 8342-521702-0100000 | TURN BUTTON SPRING | 1 |
| 12 | GP0000002045 | 8SJAB40-12D | SELF TAPPING SCREW | |
| 13 | GP0000003478 | 8006-531402-0001220 | RIGHT HOUSING | 1 |
| 14 | GP0000003479 | 8181-531491-0068820 | LABEL | 1 |
| 15 | GP0000003480 | 8185-531401-0068820 | SHIELD | 1 |
| 16 | GP0000003481 | 8331-534801-0000020 | GUIDE BAR SLEEVE | 1 |