
369835i 1 02.28.22
Phase-Adaptive Power Module
Power Interfaces
Contents
LUTRON PHPM-PA-120-WH Phase Adaptive Power Module

Phase-Adaptive Power Module
- Provides dimming control for 1 zone of a full 16 A lighting load.
- May be used to dim incandescent, halogen, electronic low-voltage, magnetic low-voltage, neon / cold cathode.
- Phase-adaptive technology automatically selects leadingedge or trailing-edge dimming for low-voltage transformers.
- Up to 3 power modules may be controlled by a single dimmer (C5-BMJ- will control only 1 module).
- Use PHPM-WBX- models for 3-wire fluorescent dimmer input and PHPM-PA- models for 2-wire input.
- PHPM-WBX- models can be used in conjunction with BCI-0-10 for 0 – 10 V dimming applications. For more information, see Application Note #516 (Lutron P/N 048516) at www.lutron.com
- Models available for control voltage of 120 V~ only or 220 – 277 V~.
- Models available for load voltage of 120 V~ only or 120 – 277 V~.
- Compatible with 220 / 240 V~, non-CE systems. Contact Lutron for specific system applications.
- Not for use with non-dim loads.
Works with 120 V~ or 220 – 277 V~ versions of: - Lutron in-wall neutral wire dimmers; see approved list in the Dimmers and Switches Specification Guide (Lutron P/N 3671746) at www.lutron.com (see Lighting Load Interfaces section)
- GRAFIK Eye QS control units *
- LP, LCP, and GP dimming panels **
- HomeWorks QS remote power panels **
- HomeWorks QS in-line dimmer
- HomeWorks QS DIN-rail power modules
- EcoSystem interface C5-BMJ-XXX †
- Energi Savr Node PRO LED+ phase-adaptive fixture controller
- RadioRA 2 neutral wire dimmers; see approved list in the specification submittal (Lutron P/N 369225) at www.lutron.com
- HomeWorks QS neutral wire dimmers; see approved list in the specification submittal (Lutron P/N 369305) at www.lutron.com
- Caséta Wireless neutral wire dimmers; see approved list in the specification submittal (Lutron P/N 369987) at www.lutron.com
- Vive PowPak phase select dimming modules; see specification submittal (Lutron P/N 3691150) at www.lutron.com
* For PHPM-PA- models, set load type to “power module”.
** For PHPM-PA- models, set load type to “incandescent”. †
Use only PHPM-WBX models with this product; using PHPM-PA- models is not recommended
Models and Capacities
| Control Voltage 1, 2 | Load Voltage 1, 2 | Load Capacity | Model Number 3, 4 |
| 120 V~ | 120 V~ | 16 A | PHPM-PA-120-WH |
| 120 V~ | 120 – 277 V~ | 16 A | PHPM-PA-DV-WH |
| 220 – 277 V~ | 120 – 277 V~ | 16 A | PHPM-PA-277 / DV |
| 120 V~ | 120 V~ | 16 A | PHPM-WBX-120-WH |
| 120 V~ | 120 – 277 V~ | 16 A | PHPM-WBX-DV-WH |
| 220 – 277 V~ | 120 – 277 V~ | 16 A | PHPM-WBX-277 / DV |
- All voltages are phase-to-neutral.
- For explanation of “control voltage” and “load voltage”, see page 5.
- Use PHPM-PA- models for incandescent/halogen dimmers and set the controller load type to “power module” or “incandescent”.
- Use PHPM-WBX- models for 3-wire fluorescent dimmers and set the controller load type to “fluorescent”.
Specifications
Power
| Control voltage | 120 V~ only | PHPM-PA-120-WH |
| PHPM-PA-DV-WH | ||
| PHPM-WBX-120-WH | ||
| 220 – 277 V~ | PHPM-WBX-DV-WH | |
| PHPM-PA-277 / DV | ||
| Load voltage | 120 V~ only | PHPM-WBX-277 / DV |
| PHPM-PA-120-WH | ||
| 120 – 277 V~ | PHPM-WBX-120-WH | |
| PHPM-PA-DV-WH | ||
| PHPM-PA-277 / DV | ||
| PHPM-WBX-DV-WH | ||
| PHPM-WBX-277 / DV |
- Capacity: Full 16 A
120 V~: 1920 W
120 – 277 V~: 1920 – 4432 W
220 – 240 V~: 3520 – 3840 W - Frequency: 50 / 60 Hz
- Load (output) power: Phase independent of control device / control voltage
Sources / Load Types
- Operates these sources with a smooth, continuous, Square Law dimming curve:
– Incandescent (tungsten)
– Halogen
– Magnetic low-voltage transformer (iron core)
– Electronic (solid-state) low-voltage transformer (must be manufacturer-approved for reverse-phase control dimming)
– Neon / Cold cathode - Incandescent and electronic low-voltage sources may be controlled on the same circuit / control zone. Up to 30% of the capacity of the unit can be used for incandescent lighting.
- Incandescent and magnetic low-voltage sources may be controlled on the same circuit / control zone. Up to 30% of the capacity of the unit can be used for incandescent lighting.
- Electronic low-voltage and magnetic low-voltage sources may NOT be controlled on the same circuit / control zone.
- PHPM-PA- and PHPM-WBX- models are not for use with non-dim loads. Use switching power module (PHPM-SW-DV-WH) for non-dim loads.
- Minimum load on power module is 10 W.
- Output must be directly connected to the load. Load side switching is not recommended.
Key Design Features
- Automatically selects between forward-phase / leading edge (e.g., magnetic low-voltage) and reversephase / trailing edge (e.g., electronic low-voltage) dimming / output based on connected load.
- Patented RTISS Equipped circuitry compensates in real time for incoming line voltage variations: Compensates for + / –2% change in RMS voltage/cycle and + / –2% Hz change in frequency/second.
- Provides air-gap off.
- Module protects itself during most temporary over-current and over-voltage conditions.
- Two LEDs on front of unit provide diagnostic information (visible when faceplate is removed).
Terminals
• Each terminal accepts up to two 12 AWG (2.5 mm 2 ) wires.
Environment
- 32 to 104 °F (0 to 40 °C). Relative humidity less than 90% non-condensing.
- Indoor use only.
- Maximum heat output of module: 135 BTU / hour. Mounting
- Surface or recess mount.
- Power module is UL tested and approved for use in spaces designed for environmental air handling.
Regulatory Approvals
- Models: PHPM-PA-120-WH, PHPM-PA-DV-WH, PHPM-WBX-120-WH, PHPM-WBX-DV-WH
– cULusR listed
– NOM certified
– RoHS compliant
– Complies with requirements for use in other spaces used for environmental air (plenums) per NECR 2014 300.22(C)(3). - Models: PHPM-PA-120-WH, PHPM-WBX-120-WH
– CSA certified - Models: PHPM-PA-277 / DV, PHPM-WBX-277 / DV
– UL
– RoHS compliant
– Complies with requirements for use in other spaces used for environmental air (plenums) per NECR 2014 300.22(C)(3).
Dimensions and Mounting
- Mount in 2-gang U.S. wallbox, 3.5 in (89 mm) deep or 4 × 4 in (102 × 102 mm) junction box, 2.1 in (53 mm) deep.
- For indoor use only.
- This device generates heat; mount only where ambient temperature is 32 to 104 °F (0 to 40 °C).
- Mount with arrows facing up to ensure adequate cooling.
- Allow 4.5 in (114 mm) above and below faceplates when mounting several modules in a vertical layout.
- Units may butt together when mounted in a horizontal layout.
- Mount so line (mains) voltage wiring is at least 6 ft (1.8 m) from sound or electronic equipment and wiring.
- Mount within 7° of true vertical.

Mounting Methods
Mount to 2-gang U.S. wallbox
Mount to 4 × 4 in (102 × 102 mm), 2.1 in (53 mm) deep U.S. junction box
Mount to 4 × 4 in (102 × 102 mm), 2.1 in (53 mm) deep U.S. junction box with barrier
(for 277 V~ loads if required by local electrical code)
Wiring
- 12 AWG (2.5 mm ) copper (Cu) wires (75 °C / 167 °F minimum) for input power and load circuit. 2
- Strip 1/2 in (12 mm) insulation from wires before connecting.
- Run separate neutral for load circuit; no common neutrals.
- May be used with GFI breaker protected loads. Load circuit wiring (from GFI breaker to power module to load) must be run in its own non-metallic conduit, or nuisance tripping may occur. Maximum 100 ft (30.5 m) between power module and load.
- May be used with AFI breaker protected loads. Maximum load on AFI circuit is 1000 W. Exceeding 1000 W may cause nuisance tripping of AFI breaker.
Wiring to a Dimmer
Single Power Module to Single Control Device: Combined Power Feed for Control and Load Sides
- The power module may be on the same circuit / control zone as the control unit only if the total load does not exceed the rating of the breaker.
- Use PHPM-WBX- models for 3-wire fluorescent dimmers and PHPM-PA- models for other dimmer types.
- PHPM-PA-DV-WH and PHPM-WBX-DV-WH are included as 120 V~ only because of limits on zone-in voltages.
- For specific wire colors, see the wallbox lighting controls catalog (Lutron P/N 3691746) at www.lutron.com/wallbox

Wiring to a Dimmer (continued)
Single Power Module to Single Control Device: Separate Power Feeds for Control and Load Sides
- The load breaker may be on a different phase from the control breaker.
- Use PHPM-WBX- models for 3-wire fluorescent dimmers and PHPM-PA- models for other dimmer types.
- Load feed must not exceed voltage rating of the load .
- For specific wire colors, see the wallbox lighting controls catalog (Lutron P/N 3691746) at www.lutron.com/wallbox
1 ; control feed must not exceed voltage rating of the dimmer 2 1
“Load feed” and “load voltage” refer to the circuit powering the load dimmed by the power module.
2 “Control feed” and “control voltage” refer to the circuit powering the dimmer that controls the power module.

Multiple Power Modules to Single Control Device
- Shown with separate feeds for control and loads. All breakers must be turned off prior to installing or servicing the modules.
Up to 3 power modules may be wired to a single dimmer. - Use PHPM-WBX- models for 3-wire fluorescent dimmers and PHPM-PA- models for other dimmer types.
- Load feed must not exceed voltage rating of the load; control feed must not exceed voltage rating of the dimmer.
- For specific wire colors, see the wallbox lighting controls catalog (Lutron P/N 3691746) at www.lutron.com/wallbox

Single Power Module to Multiple Control Devices
- The power module may be on the same circuit / control zone as the control unit only if the total load does not exceed the rating of the breaker.
- Use PHPM-WBX- models for 3-wire fluorescent dimmers and PHPM-PA- models for other dimmer types.
- Load feed must not exceed voltage rating of the load; control feed must not exceed voltage rating of the dimmer.
- For specific wire colors, see the wallbox lighting controls catalog (Lutron P/N 3691746) at www.lutron.com/wallbox

Wiring to a GRAFIK Eye QS
Single Power Module to Single Control Device: Separate Power Feeds for Control and Load Sides
- The load type for the output must be set appropriately on the panel’s circuit selector (for an LP or GP panel), on the controller (for an LCP panel), or in the HomeWorks software (for a HomeWorks panel).
– For PHPM-PA- models, set load type to “incandescent”.
– For PHPM-WBX- models, set load type to “fluorescent”. - Load feed must not exceed voltage rating of the load; control feed must not exceed voltage rating of the dimmer.
- For specific wire colors, see the wallbox lighting controls catalog (Lutron P/N 3691746) at www.lutron.com/wallbox

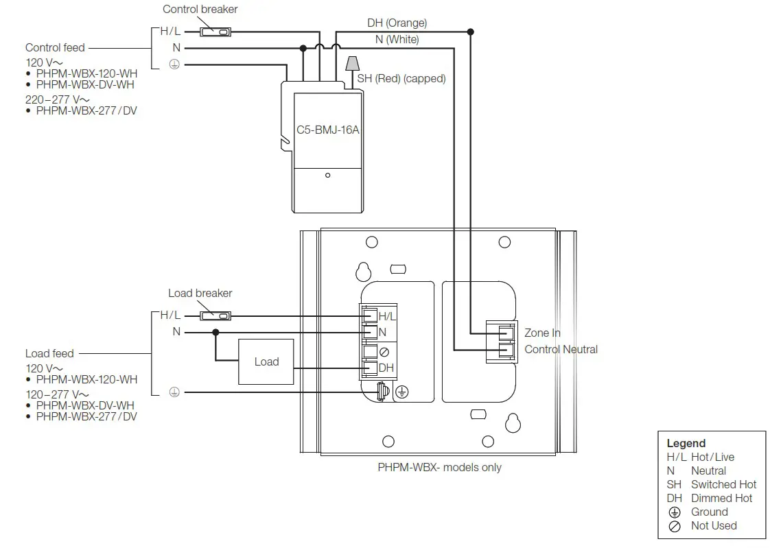
Wiring to an EcoSystem C5-BMJ Interface (for PHPM-WBX- models only)
Single Power Module to Single Dimming Module: Separate Power Feeds for Control and Load Sides
- The load breaker may be on a different phase from the control breaker.
- Use PHPM-WBX- models only.
- Load feed must not exceed voltage rating of the load.
- For specific wire colors, see the wallbox lighting controls catalog (Lutron P/N 3691746) at www.lutron.com/wallbox

Wiring to an LP, GP, LCP, or HomeWorks Panel
Single or Multiple Power Modules to Single Power Panel
- The load type for the output must be set appropriately on the panel’s circuit selector (for an LP or GP panel), on the controller (for an LCP panel), or in the HomeWorks software (for a HomeWorks panel).
– For PHPM-PA- models, set load type to “incandescent”.
– For PHPM-WBX- models, set load type to “fluorescent”. - Load feed must not exceed voltage rating of the load.
- For specific wire colors, see the wallbox lighting controls catalog (Lutron P/N 3691746) at www.lutron.com/wallbox

Wiring to an Energi Savr Node PRO LED+ Phase Adaptive Fixture Controller
Single or Multiple Power Modules to Single Power Panel
- The load type for the output must be set appropriately.
– For PHPM-PA- models, set load type to “forward-phase”. - Load feed must not exceed voltage rating of the load.
- Not Compatible with PHPM-WBX- models.
- Up to three power modules may be wired to an output.
SPECIFICATION SUBMITTAL
| Job Name: | Model Numbers: |
| Job Number: | |
Documents / Resources
| LUTRON PHPM-PA-120-WH Phase Adaptive Power Module [pdf] Instruction Manual PHPM-PA-120-WH, PHPM-PA-120-WH Phase Adaptive Power Module, Phase Adaptive Power Module, Adaptive Power Module, Power Module, PHPM-PA-DV-WH, PHPM-PA-277-DV, PHPM-WBX-120-WH, PHPM-WBX-DV-WH, PHPM-WBX-277-DV |