Contents
LEVITON DOS05-1LZ Motion Sensor Light Switch

Product Information
Specifications:
- Ratings: 120VAC, 60Hz, 600 W Incandescent/Halogen, 5 Resistive, 300 W LED and CFL, 400 VA ELV/MLV, 1/4 HP Motor
- Model Numbers: DOS05, DVS05
- Application: Single-Pole and 3-Way with 3-Way Switch
- Usage: Indoor use only
Features:
- Wide-View Motion Activated Light Control
- Also available for single-pole only (cat. nos. DOS02/DVS02) and multi-way or multi-sensor (cat. nos. DOS15/DVS15)
Mounting Location:
The product can be installed in any indoor location.
Installation Instructions:
- Step 1: Preparation
WARNING: TO AVOID FIRE, SHOCK OR DEATH, turn OFF power at circuit breaker or fuse and test that the power is OFF before wiring.
Gather the following materials:- Wire cutters/strippers
- Screwdriver
- Electrical tape
- Step 2: Identify Your Wires
The most common wiring configurations are:- Single-Pole No Neutral Wire: Connect the wires as shown in the diagram.
- With Neutral Wire: Connect the wires as shown in the diagram.
If the wiring in the wallbox does not resemble these configurations, consult an electrician. - Step 3: Wiring (Neutral NOT Present)
Single-Pole: For single-pole applications, DO NOT remove the insulating label. Working on one connection at a time, connect the wires as shown in the diagram - Step 4: Wiring (Neutral Present)
Single-Pole: For single-pole applications, DO NOT remove the insulating label.
Remove the GREEN sleeve from the white wire. Working on one connection at a time, connect the wires as shown in the diagram. - Step 5: 3-Way Switch
To control the load from the 3-way switch, toggle once to turn the load ON and twice to turn the load OFF. Connect the wires as shown in the diagram. - Step 6: Sensor Installation
The sensor must be installed in the location where the load wire is. Connect the wires as shown in the diagram.
FAQ:
- Can this product be used outdoors?
No, this product is designed for indoor use only. - What are the maximum ratings for this product?
The maximum ratings are 120VAC, 60Hz, 600 W Incandescent/Halogen, 5 A Resistive, 300 W LED and CFL, 400 VA ELV/MLV, and 1/4 HP Motor. - Can this product be used for single-pole applications?
Yes, this product can be used for single-pole applications. Please refer to the installation instructions for wiring details. - Is a neutral wire required for operation?
Yes, a neutral wire (if present) or a ground wire is required for operation. Please refer to the installation instructions for wiring details.
WARNINGS
- TO AVOID FIRE, SHOCK OR DEATH: TURN OFF POWER AT CIRCUIT BREAKER OR FUSE AND TEST THAT THE POWER IS OFF BEFORE WIRING!
- TO AVOID PERSONAL INJURY OR PROPERTY DAMAGE, DO NOT install to control a receptacle, or a load in excess of the specified rating.
- To be installed and/or used in accordance with electrical codes and regulations.
- If you are not sure about any part of these instructions, consult an electrician.
INSTALLATION INSTRUCTIONS
Features
- Cat. Nos. DOS05 and DVS05 have a sensing angle of 180° and a sensing area of coverage of 30 ft. x 30 ft. See coverage diagram for details.
- Adjustable ambient light (DOS05 only), time delay, and area of coverage controls. See adjustment setting section for details.
- Indicator lights alert the user to the device’s status.
- Adjustable time delay setting for 1, 5, 10 and 20 minutes plus a test mode with 5 seconds on. A Temporary Bypass mode that disables the Auto-on feature is available only for DOS05.
- Color change kits are available in white, light almond, ivory, black, brown, and gray.
NOTE: Also available for single-pole only (cat. nos. DOS02/DVS02) and multi-way or multi-sensor (cat. nos. DOS15/DVS15)
Mounting Location
- The device responds to temperature changes and care should be taken when mounting the device.
- DO NOT mount directly above a heat source, in a location where hot or cold drafts will blow directly on the sensor, or where unintended motion (e.g., hallway traffic) will be within sensor’s field-of-view.
You Will Need:
- Slotted/Phillips screwdriver
- Cutters
- Electrical tape
- Pliers
Installation
WARNING: TO AVOID FIRE, SHOCK OR DEATH, turn OFF power at circuit breaker or fuse and test that the power is OFF before wiring.
- Identify your wires (most common):
NOTE: Neutral wire (if present), or a Ground wire is required for operation. If the wiring in the wallbox does not resemble this configuration, consult an electrician.
Single-Pole

3-Way (Neutral NOT Present)

OR
3-Way (Neutral Present)

NOTE: Sensor must be installed in the location where the load wire is.
2a. Wire (when Neutral is NOT present).
Working on one connection at a time, connect wires as shown.
NOTE: This device is designed so the line and load wires can be wired interchangeably.
3-Way
NOTE: To control the load from the 3-way switch, toggle once to turn the load ON and twice to turn the load OFF.
2b. Wire (when Neutral is present).
Remove the GREEN sleeve from the white wire. Working on one connection at a time, connect wires as shown.
NOTE: This device is designed so the line and load wires can be wired interchangeably.
Single-Pole

3-Way
NOTE: To control the load from the 3-way switch, toggle once to turn the load ON and twice to turn the load OFF.

Test and mount.
- Restore power. Wait 10-20 seconds for sensor to power up.
- DOS05: lights automatically turn ON with first motion seen after warm up period, or when the button is pushed.
- DVS05: Lights will turn ON when button is pressed.
NOTE: If lights do not turn ON, refer to the “What to do if…” section. - Turn OFF power at circuit breaker before completing the installation.
- Gently push wires into wallbox. Screw light control to box.
- Install wallplate.
- Restore power.
Operation

Programming
The table below describes each setting and each option within that setting. When in the Program mode, the sensor’s LEDs blink a red or green light sequence to verify the settings you selected. For example, if you select the Light Timer setting, the Red LED blinks two times. If you want to set the light timer to 5 minutes, the Green LED blinks two times.
| Setting Types and Options (defaults are in bold) | |||
| Setting 1 | Setting 2 | Setting 3 | |
| Option Number |
TIMER |
SENSITIVITY (Sensitivity to motion adjusting the major and minordetection range.) |
DOS05 only – AMBIENT LIGHT (If the room is brighter than the setting selected, the load will not turn ON.) |
| Option 1 (1 blink) |
1 minute | Low (50% Range) | Low Light level |
| Option 2 (2 blinks) |
5 minutes | Medium | Medium Light level |
| Option 3 (3 blinks) |
10 minutes | High | High/Brightest light level |
| Option 4 (4 blinks) |
20 minutes | All settings to default | Disabled – Turns ON for all light levels |
NOTE: Temporary Disable (DOS05 Occupancy Sensor only).
- Enter Programming Mode. Make sure the load is ON.

- Select each setting you want to change, one at a time, to program the option desired (see table above).

- Change the option within each setting (see the table above for the options).
NOTE: The default option for each setting is listed in the table in bold.4. Save your settings and exit the Programming Mode.
NOTES:
- After 30 seconds of inactivity, the device will automatically exit Programming Mode and setting changes will not be saved.
- When you enter Programming Mode again, you will start at the Timer setting, in the last saved option row (default is Option 3: 10 minutes)
Test Mode
- To test that your device is working properly, hold the TOP of the button down for 5 seconds. A RED light will blink once every 2 seconds.
- Walk around in any area to be tested. During Test Mode, every motion detected will trigger the load for 5 seconds.
- Exit Test Mode by pressing either the TOP or BOTTOM of the button. The Test Mode will also time-out after 2 minutes. The locator LED function is disabled while in Test Mode.
Temporary Disable
- To temporarily disable the light or load from turning on, press and hold the bottom of the button for 5 seconds.
- The sensor will Ignore motion keeping the light/load off. GREEN light will double flash every 2 seconds during this mode.
- Exit by pressing either the top or bottom of the button.
FCC STATEMENT
This device complies with Part 15 of the FCC Rules. Operation is subject to following two conditions:
- This device may not cause harmful interference, and
- This device must accept any interference received, including interference that may cause undesired operation of the device.
Note
- This equipment has been tested and found to comply with the limits for a Class B Digital Device, pursuant to Part 15 of the FCC Rules. These limits are designed to provide reasonable protection against harmful interference in a residential installation. This equipment generates, uses, and can radiate radio frequency energy and, if not installed and used in accordance with the instructions, may cause harmful interference to radio communications. However, there is no guarantee that interference will not occur in a particular installation. If this equipment does cause harmful interference to radio or television reception, which can be determined by turning the equipment OFF and ON, the user is encouraged to try to correct the interference by one or more of the following measures:
- Reorient or relocate the receiving Antenna.
- Connect the equipment into an outlet on a circuit different from that to
- Consult the dealer or an experienced radio/tv technician for help. which the receiver is connected.
FCC CAUTION
Any changes or modifications not expressly approved by Leviton Manufacturing Co., Inc., could void the user’s authority to operate the equipment.
| When to use Occupancy or Vacancy | ||||
| Programing Mode | When to use this setting | Amount of Ambient Light Present | Turns light ON when… | Light turns OFF when… |
| Occupancy (DOS05 only) | When automatic ON/ OFF lighting control is desired. |
|
|
|
| Vacancy | When Manual ON, Automatic OFF lighting control is desired. | N/A | TOP or BOTTOM of button is pushed. OR User moves around within 30 secs of the light turning OFF. | TOP or BOTTOM of button is pushed. OR No motion is detected for the duration of the programmed time period. |
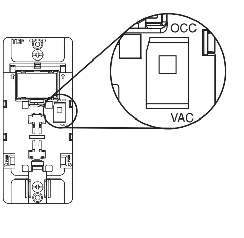
Occupancy/Vacancy Switch (DOS05 only)
Remove color kit and wallplate to access.
Changing your device color

Available in White (W), Light Almond (T), Ivory (I), Brown (B), Black (E), Gray (G), (DOSKT-00x).
Sensing Area Coverage
- Horizontal field of view



- Scan this code with your cell phone camera to watch a video on how to program the settings on the Leviton Decora Motion Sensor light switch.
IC STATEMENT
This device complies with Industry Canada licence-exempt RSS standard(s). Operation is subject to the following two conditions:
- This device may not cause interference, and
- This device must accept any interference, including interference that may cause undesired operation of the device.
Patents covering this product, if any, can be found on www.leviton.com/patents
Leviton, the Leviton logo and Decora are the registered trademarks of Leviton Mfg. Co., Inc. FOR CANADA ONLY
- For warranty information and/or product returns, residents of Canada should contact Leviton in writing at Leviton Manufacturing of Canada ULC the attention of the Quality Assurance Department, 165 Hymus Blvd, Pointe-Claire (Quebec), Canada H9R 1E9 or by telephone at 1 800 405-5320.
LIMITED 5 YEAR WARRANTY
- For Leviton’s limited product warranty, go to www.leviton.com .
- For a printed copy of the warranty, call 1-800-824-3005.
For Technical Assistance Call: 1-800-824-3005 (USA Only) or 1-800-405-5320 (Canada Only) www.leviton.com
