Contents
dln MOTUS SHULAB Pendant Lamp

Product Information
- Product Name: MOTUS SHULAB
- Revision: Rev.00 – June 2023
- Manufacturer: Kdln Srl
- Address: Viale L. da Vinci, 277, 20090 Trezzano sul Naviglio, Milano
- Contact: T. +39 0236538950, Email: [email protected]
- Website: kdln.it
Product Usage Instructions
Please follow the assembly instructions below to set up the
MOTUS SHULAB:
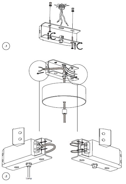
- Open BOX N.1 and BOX N.2.
- Take out Lamp N.2.
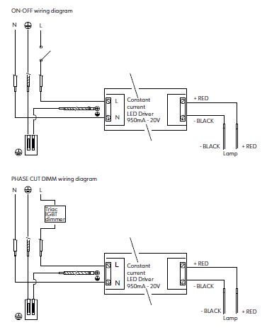
- Refer to the ON-OFF wiring diagram for connecting the L (Line) and N (Neutral) wires to the LED Driver with 950mA – 20V constant current.
- Refer to the PHASE CUT DIMM wiring diagram if you want to use a Triac IGBT dimmer for dimming functionality. Connect the L and N wires accordingly.
- Connect the + RED and – BLACK wires to the Lamp.
- If using a BULBS, connect the Board LED with the provided power supply. The power supply should be rated at 220-240V and operate at 50/60Hz.
- Ensure all connections are secure and properly insulated.
If you have any further questions or need assistance, please refer to the user manual or contact Kdln Srl using the provided contact information.
WARNING
The safety is guaranteed by the appropriate use of the following instructions, so you must keep them.Always disconnect the main voltage before working on the appliance. Never use abrasive products or aggressive detergents for cleaning the lamp. If the external cable of this appliance is damaged, it must be replaced by the manufacturer, its after sales service or other equivalent qualified person only in order to avoid any danger. Kdln will not provide a replacement until the nature of defect has been determined. The symbol indicates that the product must be thrown out in a different manner than with the urban trashes.
What in the box
BOX N.1

BOX N.2

INSTALLATION




Kdln Srl Viale L. da Vinci, 277 20090 Trezzano sul Naviglio, Milano T. +39 0236538950 [email protected]