Contents
Intellihot iN401 Commercial Tankless Water Heater

Specifications
- Model: iN401 / iN501
- Maintenance: Maintenance-Free Circulation Pump
- Heat Engine Locations: Refer to diagrams
Venting for multiple units
When venting for multiple units the following screens will appear
Maintenance
Maintenance-Free Circulation Pump
The circulation pump is maintenance-free and therefore does not require any servicing. The only adjustment is the speed setting, which must be set to Speed 3 (III).
Heat Engine Locations
Use the following diagrams to identify the location of the heat engines.

Condensate Sediment Cup Cleaning
- One sediment cup is located inside the water heater cabinet.
- This cup should be removed and cleaned every 3 months.

- Twist the bottom of the sediment cup to release the locking clips

- Pull down on the sediment cup and pull it away from the upper portion of the unit. The sediment cup will normally be full of condensate. Carefully, pour the condensate into a container and properly dispose of it.

- Remove the inner sediment cup from inside the lower portion of the unit.

- Remove any dirt and debris build-up using soap and warm water.
- Replace the inner sediment cup and reattach the entire unit.
Wye Strainer
NOTICE
This heater includes an external Wyne strainer. The Wyne strainer must be installed to qualify for a unit warranty.
- Please clean the Wye strainer every 3 months.
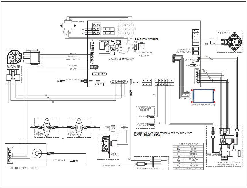
Wiring Diagrams and Troubleshooting
Operational Flow Chart

Complete Wiring Diagram (all models)

Troubleshooting

Serviceable Parts
Blower & HEX Parts

| Item | Part Number | Description |
| 1 | IGT-SPR0011 | Gas Valve Kit |
| 2 | IGT-ELC0147 | Gray Swirl Plate |
| 3 | IGT-ELC0012 | Fan Adapter Plate |
| 4 | IGT-SPR0008 | Blower Kit |
| 5 | IGT-CST0011 | Outlet Casting Adapter |
| 6 | IGT-CST0010 | Inlet Casting Adapter |
Burner, Electrode & Gas Valve

| Item | Part Number | Description |
| 1 | IGT-SPR0111 | Gen II V02 Burner Kit |
| 2 | IGT-ELC0020 | Gas Valve Harness |
| 3 | IGT-SPR0011 | Gas Valve Kit |
| 4 | IGT-SPR0106 | Gen II V02 Electrode Kit |
HEX & Sidecast

| Item | Part Number | Description |
| 1 | IGT-SA0511 | Top Heat Exchanger |
| 2 | IGT-SA0512 | Bottom Heat Exchanger |
| 3 | IGT-CST0029 | Side Cast – Exhaust, 3” |
| 4 | IGT-CST0035 | Side Cast – Exhaust, 4” to 3” |
| 5 | IGT-SLS0083 | Side Cast Seal |
Water (hot water side)

| Item | Part Number | Description |
| 1 | IGT-PLG0018 | Water Hammer Arrestor |
| 2 | IGT-FTT0235-3 | Water out fitting, hot side |
| 3 | IGT-SLS0041 | Flange Seal |
| 4 | IGT-SM0558 | Close-off Plate |
| 5 | IGT-FTT0235-4 | Water out fitting, T&P side |
| 6 | IGT-LNE0063 | Corrugated Water line assembly |
| 7 | IGT-FTT0243-1 | Flange Adapter fitting |
| 8 | IGT-LNE0064 | Corrugated Water line assembly |
Water (cold water side)

| Item | Part Number | Description |
| 1 | IGT-LNE0059 | Corrugated line assembly |
| 2 | IGT-LNE0053 | Corrugated line assembly |
| 3 | IGT-LNE0061 | Corrugated line assembly |
| 4 | IGT-FTT0235-1 | Water In Fitting, Cold Side |
| 5 | IGT-SLS0041 | Flange Seal |
| 6 | IGT-FTT0244 | Flange Adapter Fitting |
| 7 | IGT-VL0019 | Bypass Valve |
| 8 | IGT-LNE0064 | Corrugated line assembly |
| 9 | IGT-FTT0235-2 | Water in Fitting, Strainer |
| 10 | IGT-SPR0003 | Water Valve kit |
| 11 | IGT-SM0558 | Close off Plate fitting |
| 12 | IGT-SPR0075 | Recirculation pump |
Gas Connections

| Item | Part Number | Description |
| 1 | IGT-FTT0235-5 | Gas-in Casting |
| 2 | IGT-PLG0014 | Gas Corrugated tube |
| 3 | IGT-PLG0015 | Gas Corrugated tube |
| 4 | IGT-SLS0041 | Flange Seal |
| 5 | IGT-SM0560 | Close Off Plate |
Electronics

| Item | Part Number | Description |
| 1 | IGT-SPR0002 | Control Board |
| 2 | IGT-SPR0005 | Igniter Module (DSI) Kit |
| 3 | IGT-ELC0007 | Air Switch |
| 4 | IGT-SPR0065 | Transformer Kit |
| 5 | IGT-ELC0138 | Rocker Switch |
| 6 | IGT-SPR0088 | Large Screen Display Kit |
Miscellaneous
| Part Number | Description |
| IGT-ELC0092 | 25 ft cascading cable |
| IGT-ELC0232 | 50 ft cascading cable |
| IGT-SPR0110 | Gen II V 2 Sensors Kit (includes Manifold inlet, Manifold outlet, Flue, and hot water outlet sensors) |
| IGT-SPR0109 | Gen II V 2 O-Ring kit |
| IGT-ELC0181 | DSI to Electrode HV Cable |
| IGT-ELC0278 | Heat Exchanger to Control Board Complete Harness |
| IGT-ELC0279 | Heat Exchanger to Water Valve Wiring Harness Set (top & bottom) |
| IGT-ELC0280 | Manifold Inlet Sensor Wiring Harness |
| IGT-ELC0281 | Manifold Outlet Sensor Wiring Harness |
| IGT-ELC0284 | Bypass Valve Wiring Harness |
| IGT-ELC0288 | Display Wiring Harness |
| IGT-SPR0119 | Neuron Wye Strainer Kit |
| IGT-SPR0118 | BMS Kit (Factory Installed Option only) |
