IDEC HS6B Series Safety Switch

Contents
SAFETY PRECAUTIONS
In this operating instruction sheet, safety precautions are categorized to Warning and Caution:
WARNING Warning notices are used to emphasize that improper operation may cause severe personal injury or death.
CAUTION Caution notices are used where inattention might cause personal injury or damage to equipment.
Type
Safety switch Actuator
Specifications and Ratings
| Applicable Standards | EN ISO / ISO14119, IEC60947-5-1, EN60947-5-1
GS-ET-15, UL508, CSA C22.2 No.14 GB14046 5 |
|||||
| Standards for Use | IEC60204-1/ EN60204-1 | |||||
| Interlocking device Type
/ the level of coded |
Type 2 Interlocking device
/ low level coded actuator (EN ISO / ISO14119) |
|||||
| Applicable Directives | Low Voltage Directive, Machinery Direc ive | |||||
| Operating
Condition |
Operating Temperature | -25 to +70°C (no freezing) | ||||
| Operating Humidity | 45 to 85%RH (no condensation) | |||||
| Storage Temperature | -40 to +80°C (no freezing) | |||||
| Pollution Degree | 3 (Inside2) | |||||
| Altitude | 2000m maximum | |||||
| Impulse wi hstand voltage ‹Uimp› | 4kV | |||||
| Rated Insulation voltage ‹Ui› | 300V | |||||
| Thermal Current ‹Ith› | 2.5A | |||||
| Contact Ratings
( Reference Values ) ‹Ue, Ie› |
30V | 125V | 250V | |||
| AC | Resistive load(AC-12) | - | 2.5A | 1.5A | ||
| Inductive load(AC-15) | - | 1.5A | 0.75A | |||
| DC | Resistive load(DC-12) | 2.5A | 1.1A | 0 55A | ||
| Inductive load(DC-13) | 2.3A | 0.55A | 0 27A | |||
| Electric Shock Protec ion Class | Class II (IEC61140) | |||||
| Operating Frequency | 1200 opera ions/hour | |||||
| Operating Speed | 0 05 to 1.0 m/s | |||||
| B10d | 2,000,000 (EN ISO 13849-1 Annex C Table C.1) | |||||
| Mechanical Durability | 1,000,000 operations minimum (GS-ET-15) | |||||
| Electrical Durability | 100,000 operations min. (AC-12 250V•1.5A)
1,000,000 operations min. (AC/DC 24 100mA) (1,200 operations / hour) |
|||||
| Shock Resistance | Operating Extremes: 300m/s2, Damage Limits: 1,000m/s2 | |||||
| Vibration Resistance | Operating Extremes: 5 to 55 Hz, half amplitude 0.5mm Damage Limits: 30 Hz, half amplitude 1 5 mm | |||||
| Direct Opening Travel | 8 mm minimum | |||||
| Direct Opening Force | 60 N minimum | |||||
| Contact Resistance | 300 mΩ maximum (Initial value, at cable length 1m) | |||||
| Degree of Protection | IP67 (IEC60529) | |||||
| Conditional short circuit current | 50A (250V) | |||||
| Short-Circuit Protec ive Device | 250V AC,10A fast acting type fuse * | |||||
| Weight | Approx. 120g (at HS6B-03B01) | |||||
* Make sure that a fast acting fuse for short-circuit protection trips before overheating of the wires.
Ratings approved by safety agencies
- TÜV rating
AC-15 240V/0.75A
DC-13 250V/0.27A
DC-13 30V/2.3A - UL,c-UL rating
C300 0.75A, 240V ac, Pilot Duty
Q300 0.27A, 250V dc, Pilot Duty - CCC rating
AC-15 240V/0.75A
DC-13 30V/2.3A - KOSHA rating
AC-15 240V/0.75A
DC-13 250V/0.27A
Mounting Examples
Install the safety switch on the immovable machine or guard, and install the actuator on the movable door. Do not install both safety switch and actuator on the movable door, otherwise failure will occur.
Note : When inserting an actuator into the slot, make sure to arrange the
shapes in the same direction, as shown on the right.
Minimum Radius of Hinged Door
When using the safety switch for a hinged door, the minimum radius of the applicable door is shown in the following figures.
When the center of the hinged door is on the extension line of the actuator mounting surface.
When using L-shaped actuator (HS9Z-A62)
When using angle adjustable actuator (HS9Z-A65/HS9Z-A66)
Note: The figures shown above are based on the condition that the actuator enters and exits the actuator entry slot smoothry when the door is closed or opened.
Since there may be deviation or dislocation of the hinged door, make sure of correct operation in the actual application before installation.
Actuator Mounting Reference Position
As shown below, the mounting reference position of the actuator inserted into the safety switch is: The actuator stop touches the safety switch lightly.
Note: After mounting the actuator, remove the actuator stop from the safety switch.
Actuator Mounting Tolerance
- Mounting tolerance of the actuator is 1.0mm from the center of the actuator to up, down, right, and, left.
- Make sure the actuator can be inserted into the entry slot without any issue.
- Actuator can move 2.1mm from the mounting position without affecting the contact operation.
Adjusting the Angle Adjustable (vertical/horizontal) Actuator
- Using the angle adjustment screw (M3 hexagon socket set screw), the actuator angle can be adjusted up to 20°(refer to dimensions).
- The larger the actuator angle, the smaller the applicable radius of the door swing.
After installing the actuator, open the door. Then adjust the actuator angle so that the actuator enters the entry slot of he safety switch properly. - After adjusting the actuator angle, apply loctite or the like on the adjustment screw to prevent loosening. Use screw locking agent that is compatible with the base material.
Base: PA66 (66 nylon) of glass reinforced grade
Angle adjustment screws: stainless steel
HS9Z-A61, HS9Z-A62 ACTUATOR
- When there is a displacement of safety switch and actuator, the actuator may hit the entry lot of safety switch hardly, thus damaging the entry slot and actuator. The rubber cushions on the HS9Z actuator prevent the actuator from damaging the entry slit by absorbing the shock with movement flexibility. Do not, however, exert excessive shocks, otherwise the failure of safety switch may be caused.
- The rubber cushions may deteriorate depending on the operatiing environment and conditions. Immediately replace the deformed or crasked rubber cushions with new ones.
Recommended Screw Tightening Torque
| Name or Use | Screw Tightening Torque |
| For mounting the safety switch (M4 screw) *1 | 1.0 to 1.5N•m |
| For mounting the actuator (M4 screw) *1 | 1.0 to 1.5N•m |
CAUTION
When the torque is not enough to recommended screw tightening torque, make sure that the screw do not become loose by using adhesive sealants etc. to keep right operation and mounting positioning.
Precautions for Operation
Installation
- Do not apply an excessive shock to the safety switch when opening or closing the door. A shock to the safety switch exceeding 1,000 m/s2 may cause failure.
- Provide a door guide, and ensure that force is applied on the safety switch only in the actuator insertion direction.
- Entry of foreign objects in the actuator entry slot may affect the mechanism of the switch and cause a breakdown. If the operating atmosphere is contaminated, use a protective cover to prevent the entry of foreign objects into the switch through the actuator entry slots.
- Make sure to install the product in a place where it cannot be damaged. Make sure to conduct a proper risk assessment evaluation before using the product, and use a shield or a cover to protect the product if need be.
- Do not fasten and loosen the conduit at the bottom of the safety switch.
- When wiring, make sure that liquid such as water and oil dose not intrude from the tip of cable.
- When bending cable at wiring, secure the cable radius of 40mm at the minimum.
- Be sure to use the dedicated actuator only, and do not operate the HS6B safety switch with anything other than the dedicated actuator. Otherwise, the safety of the system may not be maintained.
WARNING
- Turn off the power to the safety switch before starting installation, removal, wiring, maintenance, and inspection on the safety switch. Failure to turn power off may cause electrical shocks or fire hazard.
- Do not disassemble or modify the switch. Also do not attempt to disable the safety switch function, otherwise a breakdown or an accident will result.
CAUTION
- HS6B Series Safety Switches are Type 2 low-level coded interlocking devices (EN ISO / ISO14119). The following system installation & mounting instructions are EN ISO / ISO14119 requirements to prevent function failure from the interlock switch.
- Using permanent fixing methods (e.g. welding, rivets, special screws…etc) to prevent dismantling or de-positioning of the interlock device. However, permanent fixing methods are not an adequate solution if you expect the interlock device to fail during the machinery lifetime, or if you need to replace the product in quick manner. In these situations, o her measures (see 2.) should be put in place to reduce the risks of function failure.
- At least one of the following measures should be applied to prevent function failure.
- Mounting the interlock device in a place out of reach from workers
- Using shielding protection to prevent physical obstruction of the device
- Mounting the interlock device in a hidden position
- Integrate status monitoring & cycling testing of the device to the control system to prevent product failure.
- Regardress of door types, do not use the safety switch as a door stop. Install a mechanical door stop at the end of the door to protect the safety switch against an excessive force.
- Mount the actuator so that it will not hit the operator when the door is open, otherwise injury may be caused.
- Pay attention to the management of spare actuator. Safety function of door safety switch will be lost in case the spare actuator is inserted into the safety switch.
Ensure that the actuator is firmly fastened to the door (welding, rivet, special screw) in the appropriate location, so that the actuator cannot be removed easily. - Do not cut or remodel the actuator, otherwise failure will occur.
- If multiple safety components are wired in series, the Performance Level to EN ISO 13849-1 will be reduced due to the restricted error detection under certain circumstance.
- The entire concept of the control system, in which the safety component is integrated, must be validated to EN ISO 13849-2.
Contact Operation
Contact Configuration and Operation
Wiring
Identification of terminal numbers
- When wiring, the identification of terminal number on each contact is made by colored wire.
- The following shows a safety (main) contact and an auxiliary contact for three contacts and two contacts types.
- When wiring, cut unnecessary wires such as dummy insulator (black) and / or unused wire to avoid incorrect wiring.
Specifications of cable
- UL style 2464, 6c×No.20AWG, ( 80°C 300V )
Identification of wire
- The identification of wire is made by the color and white line printed on the wire
No. Color of Insulator 1 Orange / White 2 Blue / White 3 Brown / White 4 Brown 5 Blue 6 Orange
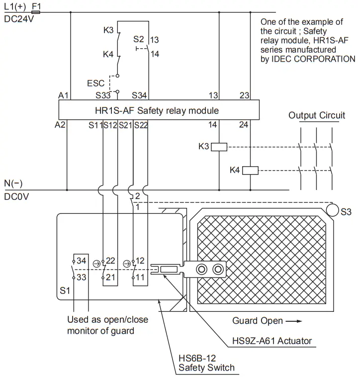
Example of wiring Diagram realizing Safety Category
Example of a circuit diagram for Safety Category 3 (attainable PL = d) (Condition 1: To apply he fault exclusion of mechanical structural parts including he actuator
→ Make sure to use the product within the product specification range described in this manual and the version of the manual provided with the product.)
(Condition 2: Documentation of he reason for the machine/equipment manufacturer to have applied the fault exclusion based on ISO13849-1, ISO13849-2 or IEC62061.)

- S1: HS6B-12 Safety Switch
- S2: Starting Switch (HW Series Momentary)
- S3: Safety limit Switch
- ESC: Outside start condi ion
- K3, 4: Safety Contactor
- F1: Outside fuse of safety relay module at power supply line
Example of a circuit diagram for Safety Category 4 (attainable PL = e)

Note: Use the monitoring device(Safety relay module) provided the capability to detect a cross short circuit. The insulation of the cable has to withstand environmental influences. If a control device other than the one shown in the draft is used, the used control device has to be equipped with a cross short circuit monitor.
Dimensions
Dimensions
Type:HS6B-□

Accessories dimensions
Type:HS9Z-A61




Type:HS9Z-A66
Note: HS9Z-A65 and HS9Z-A66 are different in he insertion direction of the metal key(180°).

- The actuator stop is used when adjusting the actuator position. Remove after the actuator position is determined.
- The direction of adjustable angle can be changed (vertical or horizontal) by changing the insertion direction of the joint (white plastic part). See the figures below. Do not lose the joints. Actuators do not operate normally without a joint.

Precaution for Disposal
Dispose of HS6B Safety Switch as an industrial waste.
Manufacturer: IDEC CORP.
2-6-64 Nishimiyahara Yodogawa-ku, Osaka 532-0004, Japan
EU Authorized Representative: IDEC Elektrotechnik GmbH
Heselstuecken 8, D-22453 Hamburg, Germany
DECLARATION OF CONFORMITY
We, IDEC CORPORATION 2-6-64, Nishimiyahara Yodogawa-ku,Osaka 532-0004, Japan declare under our sole responsibility that the product:
Description: Safety Switch
Model No: HS6B
to which this declaration relates is in conformity with the EC Directive on the following standard(s) or other normative document(s). In case of alteration of the product, not agreed upon by us, this declaration will lose its validity.
Applicable EC Directive : Low Voltage Directive (2014/35/EU)
Machinery Directive (2006/42/EC)
Applicable Standard(s) : EN 60947-5-1,GS-ET-19