Contents
ICE COBOTICS iW90 Wet-Dry Vacuum Cleaner

Product Information
The iW90 is a Wet/Dry Vacuum Cleaner manufactured by ICE Cobotics. It is designed for commercial use in indoor environments. The vacuum cleaner is equipped with a handle assembly and is capable of both wet and dry operations. The machine features a float shut-off system to prevent overflow during wet vacuuming. It is important to read the operator manual thoroughly before operating or servicing the machine.
Specifications
- Model: iW90
- Manufacturer: ICE Cobotics (GuangDong) Company Limited
- Website: www.icecobotics.com
- Contact Information:
- Phone: 0769-8186 9000
- Fax: 0769-8186 3000
- Address: XiangShi Road LiaoBu DongGuan GuangDong China
Parts Ordering
To order parts for the iW90 vacuum cleaner, follow these steps:
- Identify the machine model.
- Locate the machine serial number from the data label.
- Ensure the proper serial number is used for the parts list.
- Identify the part number and quantity.
- Provide your name, company name, customer ID number, billing and shipping address, phone number, and purchase order number.
- Order the parts online, by phone, by fax, or by mail.
Environmental Protection
ICE Cobotics encourages responsible disposal of packaging materials, old machine components, and hazardous fluids. Please dispose of these items in an environmentally safe way according to local waste disposal regulations. Remember to recycle whenever possible.
Safety Precautions
The iW90 vacuum cleaner is designed for use on a nominal 120-volt circuit. It should be connected to an outlet with the same configuration as the grounding plug on the machine. Do not use any adapters with this machine. The vacuum cleaner is intended for commercial use in indoor environments only. Use only recommended accessories. To avoid electrical shock, replace the power cord immediately if any damage is detected. The replacement should be performed by an authorized person or the customer service center.
Product Usage Instructions
Handle Assembly
Prior to operating the iW90 vacuum cleaner, ensure that the handle is properly assembled on the machine body using the following instructions:
- Refer to the handle assembly instructions provided in the user manual.
- Follow the steps outlined in the manual to correctly assemble the handle on the machine body.
Operation of Wet & Dry Vacuum
Before operating or servicing the iW90 vacuum cleaner, thoroughly read the operator manual. Follow the below steps to perform wet vacuuming:
- Remove the clear window and take out the cloth or paper filter from the vacuum.
- While the clear window is removed, check that the float shut-off is unobstructed and fully functional.
- Place the clear window back on top of the recovery tank.
- Connect the vacuum hose to the inlet on the machine body.
- Attach the appropriate accessory tool for the job.
- Ensure that the Main Power Switch is in the OFF position, then plug the power cord into a grounded outlet.
- If foam develops in the recovery tank during wet vacuuming, use a defoamer chemical to help eliminate the foam. Foam can cause vacuum motor damage and will not activate the float shut-off.
- To raise the squeegee assembly back to the transport position, depress the right half of the pedal (rear of the machine) downward with your foot.
OPERATOR
READ OPERATOR MANUAL MANUAL CAREFULLY
- IMPORTANT: To ensure full warranty protection,Please fill out & return your warranty card.
- Please fill out at the time of installation for future reference.
- Model No.——————————————
- Serial No.——————————————————
- Machine Options————————————————-
- Sales Rep.————————————————–
- Sales Rep. phone no.————————————
- Customer ID Number———————————————–
- Installation Date————————————
- HOW TO ORDER PARTS——————————-
- Only use ICE Cobotics Company supplied or equivalent parts. Parts and supplies may be ordered online,by phone, by fax or by mail.
- Identify the machine model.
- Identify the machine serial number from the data label.
- Ensure the proper serial number is used from the parts list.
- Identify the part number and quantity.
- Do not order by page or reference numbers.
- Provide your name, company name, customer ID number,billing and shipping address, phone number and purchase order number.
PROTECT THE ENVIRONMENT
- Please dispose of packaging materials,old machine components such as batteries, hazardous fluids, including antifreeze and oil, in an environmentally safe way according to local waste disposal regulations.
Always remember to recycle.
SAFETY PRECAUTION
Carefully read and understand this manual before operating this machine. This machine must be grounded!
- This machine shall be grounded while in use to protect theoperator from electric shock. Grounding provides a path of least resistance for electric current. This machine is equipped with a cord having an equipment-grounding conductor and grounding plug.
- The plug must be plugged into an appropriate outlet that is properly installed and grounded in accordance with all local codes and ordinances. Do not remove the ground pin under any circumstances.
- This machine is for use on a nominal 120-volt circuit and has a grounding plug that resembles the plug illustrated in Figure. Make sure that the machine is connected to an outlet having the same configuration as the plug. No adapter should be used with this machine.

- This machine is intended for commercial use. It is constructed for use in an indoor environment and is not intended for any other use. Use only recommended accessories.
- Do not operate the machine:
- Unless trained and authorized.
- Inflammable or explosive areas.
- With a damaged cord or plug
- If not in proper operating condition.
- Unless you have read and understand the operator’s manual.
- With the use of extension cords.
- In outdoor areas and standing water.
- Before operating the machine:
- Make sure all safety devices are in place and operating properly.
- When using a machine:
- Do not run the machine over the cord.
- Do not pull the cord around sharp edges or corners.
- Do not handle the plug with wet hands.
- Report machine damage or faulty operation immediately.
- Before leaving or servicing the machine:
- Turn off the machine.
- When servicing the machine:
- Unplug the cord from the outlet.
- Do not pull machine by cord or plug
- Do not unplug by pulling on the cord.
- Do not stretch cord.
- Keep cord away from heated surfaces.
- Unplug cord from outlet.
- Use manufacturer supplied or approved replacement parts.
To avoid electrical shock,please replace the power cord immediately if any damage is being detected. The replacement must be performed only by an authorized person or by our customer service center.
Handle Assembly Instructions
Attaching Handle
- Remove handle from ship position (Figure 1).
- Realign handle as shown and screw knobs (Adjustable handle has three height (Figure 2).
- Attach Drain hose (Figure 3).
- Attach front mount squeegee (Figure 4).
Operation of Wet & Dry Vacuum
- Read operators manual thoroughly prior to operating or servicing this machine.
- Be sure that the handle is properly assembled on machine body prior to operating.
Wet Operation
- Remove clear window and remove the cloth or paper filter form vacuum.
- While clear window is removed, check to make sure that the float shut-off is unobstructed and fully functional.
- Replace clear window on the top of the recovery tank.
- Connect vacuum hose to inlet on the machine body.
- Attach appropriate accessory tool for the job to be completed.
- Make sure the Main Power Switch is in the OFF position, then plug power cord into a grounded outlet.
- Do not use an extension cord in conjunction with the standard power cord.
- If using the front-mounted squeegee assembly, be sure that squeegee is attached to front of machine.
- If using the front-mounted squeegee assembly, lower squeegee to the floor by depressing the left half of the pedal [rear of the machine] forward with your foot.
- Turn power switch to “on” position.
- During wet pickup, the float shut-off will automatically prevent water from entering the recovery tank once the recovery tank is full.
- If foam develops in the recovery tank during wet vacuuming, use defoamer chemical to help eliminate the foam. Foam will not activate the float shut-off, and therefore, may cause vacuum motor damage.
- To raise the squeegee assembly back to transport position, depress the right half of the pedal (rear of the machine) downward with your foot.
Dry Operation
- If the machine has been used for wet pick-up, empty the Recovery Tank, rinse it out and dry it completely and install the Dry Container System. DO NOT use the machine for dry pick-up without the Dry Container System in place.
- Remove clear window, and be sure the cloth or paper filter is properly installed.
- Do not operate machine without bag or filter properly installed.
- Replace clear window on the top of the recovery tank.
- Connect vacuum hose to inlet on the machine body.
- Attach appropriate accessory tool for the job to be completed.
- Make sure the Main Power Switch is in the OFF position, then plug power cord into a grounded outlet.
- Do not use an extension cord in conjunction with the standard power cord.
- Turn power switch to “on” position.
- Check the filter bag periodically to see if it is full. For optimal performance, replace bag when it is 3/4 full.
DRAINING THE RECOVERY TANK
- Unplug machine from power outlet.
- Transport machine to nearest floor drain of bucket.
- Remove drain hose form rear of machine. Remove ball plug from drain hose, and drain the contents of the tank.
- After the contents have drained, remove the clear window and rinse recovery tank with clean water.
- Replace the ball plug on the drain hose and hang hose back on the rear of the machine.
To prevent odors in the recovery tank, remover the vacuum head when machine is not in operation to allow air to circulate.
MAINTENANCE
- To keep the machine performing well for many years, please follow the following maintenance procedures.
- Always confirm that the machine is unplugged prior to performing any maintenance or repairs.
- Unplug machine as soon as you are done using it.
- Check power cord for any damage. If any damage is detected, replace the cord immediately.
- Lubricate casters with a water resistant lubricant every month
- Check machine for loose or missing nuts and bolts, and replace as necessary.
- Check the filter, and clean it after each use
- Remove the vacuum hose and check it for any holes and clogs
- Clean the outside of the machine with a mild cleaner.
STORAGE
- Unplug machine from power source and wrap cord on handle.
- Store in upright position in a dry area.
- Store with squeegee assembly off the ground.
- Store with clear window off unit so that tank may breathe.
MACHINE COMPONENTS
- Handle
- Crevice Tool
- Knob
- 10″ Wheel
- 3.5″ Caster
- Front mount squeegee
- Hose Assy
- Tank
- Clear Window
- On/off switch
- Drain Hose
- Pedal
- Wire Hook


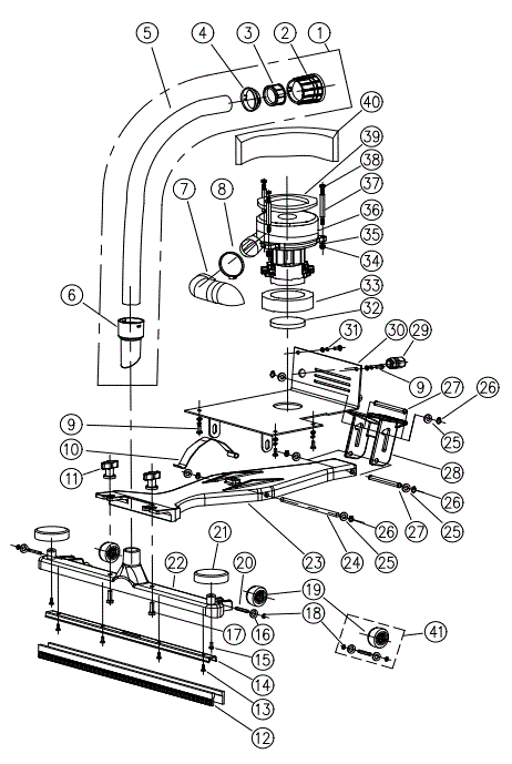
PARTS LIST
| DIA NO | PART NUMBER | DESCRIPTION | SERIAL NUMBER | NO REQ’D |
| 1 | 2320202 | Handle | 1 | |
| 2 | 2310126 | Clamp, Crevice | 1 | |
| 3 | 2320405U | Cord | 1 | |
| 4 | 6210519U | Power Cord | 1 | |
| 5 | 2110108 | Switch | 1 | |
| 6 | 1313325 | Screw, ST4.8 X 25 | 2 | |
| 7 | 2320409 | Power Cord | 1 | |
| 8 | 2320411 | Cable Fixing Head | 1 | |
| 9 | 4020310 | Strain Relief | 1 | |
| 10 | 1221510 | Screw,Ph, M5 X 10 | 4 | |
| 11 | 2320401 | Panel, Switch | 1 | |
| 12 | 2320220 | Bend | 1 | |
| 13 | 2320229 | Float,Shut off | 1 | |
| 14 | 2320216 | Clear Window | 1 | |
| 15 | 2320218 | Gasket, Clear Window | 1 | |
| 16 | 1321225 | Screw,Ph,ST4.2 X 25 | 4 | |
| 17 | 2320217 | Rubber Hinge | 1 | |
| 18 | 1421409 | Washer,Plain,Φ4.3XΦ9X0.8 | 11 | |
| 19 | 1321210 | Screw, Ph, St4 X10 | 5 | |
| 20 | 1221410 | Screw, Ph, M4 X10 | 2 | |
| 21 | 2320241 | Bracket,Right,Handle | 1 | |
| 22 | 4010316 | Logo | 2 | |
| 23 | 1222510 | Screw,Fh, M5 X10 | 8 | |
| 24 | 2420006 | Hose Housing | 1 | |
| 25 | 2020202 | Gasket,Intake | 1 | |
| 26 | 2320201 | Tank | 1 | |
| 27 | 2320210 | 3.5″ Caster | 2 | |
| 28 | 1421618 | Washer,Plain,Φ6.4XΦ18X1.6 | 4 | |
| 29 | 1021616 | Screw, Hex, M6 X16 | 6 | |
| 30 | 2320211 | Axle | 1 | |
| 31 | 2320223 | Wheel,10″ | 000000-105359 | 2 |
| 2320228 | Wheel,10″ | 105360- | 2 | |
| 32 | 2320312 | Washer, Wheel,Al | 000000-105359 | 2 |
| 1421132 | FLAT WASHER Φ13×Φ32×1.5 | 105360- | 2 | |
| 33 | 1421622 | Washer,Plain,Φ6.6XΦ22X2 | 2 | |
| 34 | 1962050 | Clamp, Φ27~Φ51 | 1 |
| DIA NO | PART NUMBER | DESCRIPTION | SERIAL NUMBER | NO REQ’D |
| 35 | 2230130 | Drain Hose | 000000-000534 | 1 |
| 2320248 | Drain Hose | 000534- | 1 | |
| 36 | 1221514 | Screw, Ph, M5 X14 | 16 | |
| 37 | 2310128 | Clamp, Straight Tube | 2 | |
| 38 | 2320603U | Serial Decal | 1 | |
| 39 | 2310131 | Supportor,Pick-up Tool | 1 | |
| 40 | 2030414 | Warning Decal | 1 | |
| 41 | 2310130 | Clamp, Pick-up Tool | 2 | |
| 42 | 2320240 | Bracket,Left, Handle | 1 | |
| 43 | 2310127 | Clamp, Bend Tube | 2 | |
| 44 | 1221520 | Screw, Ph, M5 X20 | 8 | |
| 45 | 2310125 | Clamp, Hose | 4 | |
| 46 | 2310129 | Clamp, Dusting Tool | 1 | |
| 47 | 6150711 | Stainless Steel Clip | 2 | |
| 48 | 2230131 | Plug | 000000-000534 | 1 |
| 49 | 2320219 | Knob | 2 | |
| 50 | 1422026 | Washer, Lock, Φ10 | 4 | |
| 51 | 1421020 | Washer,Plain,Φ10.5XΦ20X2 | 4 | |
| 52 | 1436010 | Retaining Ring, Φ10 | 4 | |
| 53 | 2320207 | Plate | 1 | |
| 54 | 2320419 | Decal,Panel | 1 | |
| 55 | 6210123 | Connector | 1 | |
| 56 | 7000283 | Cap | 2 | |
| 57 | 2320415 | Warning Decal | 1 | |
| 58 | 1422411 | Lock Washer M4 | 2 | |
| 59 | 1221412 | Screw M4X12 | 2 | |
| 60 | 1436013 | Retaining Ring, Φ13 | 000000-105359 | 2 |
| 61 | 1422616 | Lock Washer M6 | 2 |

| DIA NO | PART NUMBER | DESCRIPTION | SERIAL NUMBER | NO REQ’D |
| 1 | 2320500 | Hose Assy | 1 | |
| 2 | 2230121 | Machine End | 1 | |
| 3 | 2320501 | Threaded Insert | 1 | |
| 4 | 2230123 | Clip Ring | 1 | |
| 5 | 2320502 | Hose | 1 | |
| 6 | 6210114 | Coupler, 38mm | 1 | |
| 7 | 2320208 | Acoustic Insulstion Pipe | 1 | |
| 8 | 1914300 | Tie, Cable | 1 | |
| 9 | 1221616 | Screw, Ph, M6 X16 | 5 | |
| 10 | 2320214 | Leaf Spring | 1 | |
| 11 | 2320304 | Knob, Floor Tool | 2 | |
| 12 | 2320311 | 26″ Blade(PU) | 2 | |
| 2320309 | 26″ Blade(Optional) | 2 | ||
| 13 | 1221514 | Screw, Ph, M5 X14 | 4 | |
| 14 | 2320303 | Clamp, Blade | 1 | |
| 15 | 1321310 | Screw, Ph, St4.8 X10 | 2 | |
| 16 | 1421618 | Washer,Plain,Φ6.4XΦ18X1.6 | 4 | |
| 17 | 1021825 | Screw,Hex, M8 X25 | 2 | |
| 18 | 1439005 | Retaining Ring, Φ5 | 4 | |
| 19 | 2320308 | 2″ Wheel | 2 | |
| 20 | 2320306 | Axle, 2″ Wheel | 2 | |
| 21 | 2320302 | Bumper | 2 | |
| 22 | 2320301 | 26″ Body, Pick-Up Tool | 1 | |
| 23 | 2320215 | Mounting Plate, Floor Tool | 1 | |
| 24 | 2320212 | Axle, Mounting Plate | 1 | |
| 25 | 1421020 | Washer,Plain,Φ10.5XΦ20X2 | 6 | |
| 26 | 1436010 | Retaining Ring, Φ10 | 6 | |
| 27 | 2320213 | Axle, Pedal | 2 | |
| 28 | 2320209 | Pedal | 1 | |
| 29 | 2320411 | Strain Relief | 1 | |
| 30 | 2320203 | Bottom Plate, Assy | 1 | |
| 31 | 1422616 | Washer, Lock, Φ6 | 5 | |
| 32 | 2310123 | Filter | 1 | |
| 33 | 2310118 | Gasket | 2 | |
| 34 | 1123608 | Nut, Lock, M6 | 3 | |
| 35 | 1421617 | Washer,Plain,Φ6.2XΦ16X2 | 8 |
| DIA NO | PART NUMBER | DESCRIPTION | SERIAL NUMBER | NO REQ’D |
|
36 |
2310121A | Vac Motor,3-Stg,120V,With Terminal | 000101-000150;000153-000592;105360- | 1 |
| 8011025A | Vac Motor,2-Stg,120V,With Terminal | 000593-003583;103584-105359 | 1 | |
| 37 | 2310122 | Stud,Vac Motor 3-Stg | Match the serial number of Vac Motor 3-Stg | 3 |
| 8112006 | Stud,Vac Motor 2-Stg | Match the serial number of Vac Motor 2-Stg | 3 | |
| 38 | 1121605 | Nut, M6 | 3 | |
| 39 | 2310116 | Gasket,Vac Motor | 1 | |
| 40 | 2310120 | Screen | 1 | |
| 41 | 2320308A | 2″ Wheel Assy | 2 |
NOTES:
- DIA NO 36,2310121A and 6210163A belong to the same specifications,the same electrical parameters and installation structure,can be used instead.
- After-sales spare parts, our delivery part number should be subject to the actual inventory at that time.
- Use part number 8011025A for all the 2-stage serial numbers and part number 2310121A for all the 3-stage serial numbers.
ACCESSORIES
| DIA NO | PART NUMBER | DESCRIPTION | SERIAL NUMBER | NO REQ’D |
| 1 | 2320300 | 26″ Front Mount Squeegee Assy | 1 | |
| 2 | 2330120 | Hose, Vacuum Assy | 1 | |
| 3 | 2230124 | Angeled Hose End, 38mm | 1 | |
| 4 | 2230122 | Threaded Insert | 1 | |
| 5 | 2230123 | Clip Ring | 1 | |
| 6 | 2330122 | Hose | 1 | |
| 7 | 2330121 | Hose End | 1 | |
| 8 | 2230115 | Wand | 1 | |
| 9 | 2230116 | Tube, SST | 2 | |
| 10 | 2230126 | Dusting Tool | 1 | |
| 11 | 2230127 | Crevice Tool | 1 | |
| 12 | 2230106 | Dry Pick-Up Tool, 360mm | 1 | |
| 13 | 2230107 | Wet Pick-Up Tool, 360mm | 1 | |
| 14 | 2230117 | Body,Pick-Up Tool 360mm | 1 | |
| 15 | 2130101 | Wheel, Assy | 2 | |
| 16 | 2130102 | Axle, Wheel | 2 | |
| 17 | 2230109 | Seat, Rubber Blades,Back | 1 | |
| 18 | 2230110 | Seat, Rubber Blades,Back | 1 | |
| 19 | 2230111 | Brush Strip, Back | 1 | |
| 20 | 2230112 | Brush Strip, Front | 1 | |
| 21 | 2230113 | Rubber Blade, Back | 1 | |
| 22 | 2230114 | Rubber Blade, Front | 1 | |
|
23 |
2330130 | Cloth Bag | 1 | |
| 2330132 | Paper Bag(optional) | 1 | ||
| 24 | 2330131 | Clip, Cloth Bag(optional) | 1 | |
| 25 | 2330134 | Catridge Filter | 1 | |
| 26 | 1962052 | Clamp | 1 |
| TECHNICAL DATA | |
| Model | iW90 |
| Voltage | 120V |
| Power | 1000W |
| Current | 9A |
| Frequency | 50-60Hz |
| Capacitor | 90L |
| Vacuum | 2319mmH2O(91″) |
| Flow rate | 2910L/Min(104CFM) |
| Sound pressure level
at workstation |
70 dB(A) |
| Weight | 40kg |
| Length of Power cord | 15m |
| Dimensions | 117.6cm(L)X45.3cm(W)X110cm(H) |
Wiring Diagram iW90
WEAR &TEAR PARTS
| DIA NO | PART NUMBER | DESCRIPTION | NO REQ’D |
| 1 | 2320210 | 3.5″ Caster | 2 |
| 2 | 2320228 | Wheel,10″ | 2 |
| 3 | 2320309 | 26″ Blade | 2 |
| 4 | 2320308 | 2″ Wheel | 2 |
| 5 | 2230126 | Dusting Tool | 1 |
| 6 | 2230113 | Rubber Blade, Back | 1 |
| 7 | 2230114 | Rubber Blade, Front | 1 |
| 8 | 2230127 | Crevice Tool | 1 |
- CERTIFICATE OF QUALIFIED
- MODEL: INSPECTOR :
- SERIAL NO.: DATE :
- ICE Cobotics(GuangDong)Company Limited
- (TEL): (769) 8186 9000
- (FAX) : (769) 8186 3000
- ICE Cobotics (GuangDong) Company Limited