Contents
Hukseflux SBG01 Water Cooled Heat Flux Sensors

Product Information
Specifications
- Product Name: SBG Series Thermal Sensors
- Type: Water-cooled heat flux sensors
- Manufacturer: Hukseflux
- Model: SBG Series
Introduction
The SBG Series by Hukseflux are water-cooled sensors designed to measure heat flux. They are primarily used for testing reactions to fire and fire resistance, serving as calibration reference standards in equipment like cone calorimeters and flammability tests. The sensors comply with ASTM and ISO standard test methods.
Instrument Principle and Theory
- The heat flux, represented by , in W/m2, is calculated by dividing the SBG output voltage U by the sensitivity S, using the formula:
- = U/S (Formula 0.1)
- The sensitivity value is provided with the product certificate.
Sensor Design
The SBG Series features a novel sensor design that combines the benefits of foil technology from traditional Gardon gauges with the thermopile technology of traditional Schmidt-Boelter gauges.
Specifications of SBG Series
For detailed specifications, dimensions, and standards, refer to the user manual.
Installation and Usage Instructions
Installation
- For fire testing, follow the installation guidelines provided in section 5.1 of the manual.
- For cone calorimeter testing, refer to section 5.2 for installation instructions.
- Ensure proper electrical connection as outlined in section 5.3.
- Follow cooling requirements specified in section 5.5 for optimal performance.
Making a Dependable Measurement
Evaluate uncertainty as described in section 6.1 and consider contributions to the uncertainty budget outlined in section 6.2 for accurate measurements.
Maintenance and Troubleshooting
- Regular maintenance and quality assurance procedures are recommended (section 7.1).
- Refer to section 7.2 for troubleshooting tips in case of issues.
- If needed, follow the instructions in section 7.3 for recoating or repainting sensor surfaces.
FAQ
Q: What happens if I do not comply with a caution statement?
A: Failure to comply with a caution statement may lead to a risk of minor or moderate physical injuries.
USER MANUAL
SBG SERIES
Water-cooled heat flux sensors
Cautionary statements
Cautionary statements are subdivided into four categories: danger, warning, caution and notice according to the severity of the risk.

| List of symbols | ||
| Quantities | Symbol | Unit |
| Heat flux | Φ | W/m² |
| Voltage output | U | V |
| Sensitivity | S | V/(W/m2) |
| Subscripts | ||
| N/A | ||
Introduction
- SBG series are water-cooled sensors that measure heat flux. It is mainly used to test reaction to fire and fire resistance. It is also used as a calibration reference standard for test equipment for example in cone calorimeters, flammability and smoke chamber tests. SBG series complies with the requirements of the most common ASTM and ISO standard test methods.
- SBG series measures heat flux in the range of (5 to 200) x 103 W/m2. Equipped with a black absorber, heat flux sensors of this type are designed for measurement in an environment in which heat flux is dominated by radiation. Using an open detector, SBG series are also sensitive to convective heat flux. This contribution is usually ignored.
- Application in environments with lower than 50 x 103 W/m2 irradiance levels or environments with significant heat transport to the sensor by convection is possible but requires a careful evaluation of the measurement uncertainty. SBG series thermopile sensor generates an output voltage proportional to the incoming irradiance.
- Using SBG series is easy. It can be connected directly to commonly used data logging systems. The heat flux, Φ, in W/m2, is calculated by dividing the SBG output, a small voltage U, by the sensitivity S.
- The measurement function of SBG’s is: Φ = U/S (Formula 0.1)
- The sensitivity is provided with SBG on its product certificate.
- The sensor is water-cooled. There are 3 models within the SBG series: each with a different rated measurement range, calibration reference irradiance level, sensitivity and response time. Water-cooling is usually provided by tap water.
- SBG01 with a standard body is equipped with a flange. SBG03 has a smooth cylinder body without a flange. SBG04 is mainly used as calibration reference standard for testing with cone calorimeters. All specifications and dimensions are standardised for use in cone calorimeters according to ISO 5660 and ASTM E1354 reaction-to-fire tests. The design includes two water cooling tubes fixed at a 90° angle to the sensor body, with a sensor body of a 0.5 inch diameter.
- SBG series has a novel sensor design, which combines the benefits of foil technology of the traditional Gardon gauges with those of the thermopile technology of the traditional Schmidt-Boelter gauges.
- SBG series has several advantages:
- Robust and serviceable water tubes
- scratch resistant absorber coating (reduced absorber height).
- safe storage with a practical protection cap.
- Hukseflux provides a traceable calibration. The reference standard at Hukseflux is of secondary standard level. It has been calibrated by comparison to the primary standard of the RISE Research Institutes of Sweden AB (formerly known as Statens Provningsanstalt (SP)).
- SBG series sensors as supplied by Hukseflux are calibrated according to ISO 14934-3. Hukseflux is ISO 9001 certified, but not an accredited measurement laboratory according to ISO 17025.
NOTICE
Hukseflux performs traceable calibrations and is certified according to ISO 9001, but is not an ISO 17025 accredited calibration laboratory.

- When the manual addresses the SBG series this generally applies to all SBG sensor models, in the case that individual models deviate this is indicated. It is the user’s own responsibility to assess whether the information is applicable to their specific model. The recommended calibration interval of heat flux sensors is before and after use.
- The uncertainty of the measurement with SBG sensors should be determined case by case. It is a function of:
- heat flux sensor properties
- uncertainty of calibration and quality assurance of the local calibration reference standard
- verification of the stability of SBG sensors in day-to-day measurements, before and after use
- application-related uncertainties, for example caused by the unknown contribution of convection and the representativeness of the measurement location
- The user should make his own uncertainty evaluation, see the appendix on this subject.


See also:
- SBG01 water-cooled heat flux sensor with a 1 inch body for measurements < 200 x 103 W/m2.
- GG01 Gardon gauge water-cooled high heat flux sensor for high heat flux measurements of 250 to 1000 x 103 W/m2
- HFS01 is a high intensity heat flux sensor intended for concentrated solar and flammability testing.
Ordering SBG series
The standard configuration of SBG series is with 2 metres cable.
Common options are:
- • SBG01 standard body with flange
- rated measurement range (5, 10, 20, 50, 100, 200) x 103 W/m2
- longer cable (specify total cable length in m)
- SBG03 smooth cylindrical body without flange
- rated measurement range (5, 10, 20, 50, 100, 200) x 103 W/m2
- longer cable (specify total cable length in m)
- longer cooling tubes 150 x 10-3 m (specify -P150)
- SBG04 Ø12.7 mm (0.5 inch) diameter body with water cooling tubes at 90° angle
- rated measurement range 100 x 103 W/m2
- cable length 2 m
Included items
Arriving at the customer, the delivery should include:
- heat flux sensor SBG version as ordered
- cable of the length as ordered
- product certificate matching the instrument serial number
- options as ordered
Quick instrument check
A quick test of the instrument can be done by connecting it to a multimeter.
- Check the electrical resistance of the sensor between the black [-] and white [+] wires. Use a multimeter at the 100 Ω range. Measure the sensor resistance first with one polarity, then reverse the polarity. Take the average value. The typical resistance of the wiring is 0.1 Ω/m. Typical resistance should be the nominal sensor resistance of 25 Ω for plus 1.5 Ω for the total resistance of two wires (back and forth) of each 2 m. Infinite resistance indicates a broken circuit; zero or a lower than 1 Ω resistance indicates a short circuit.
- Remove the white removable protection cap from the sensor. Check if the sensor reacts to heat: put the multimeter at its most sensitive range of DC voltage measurement, typically the 100 x 10-3 VDC range or lower. Expose the sensor to heat, for instance by putting a flame from a consumer type gas lighter at a distance of around 0.01 m. The signal should read > 2 x 10-3 V now. Do not expose for more than 10 s.
- Inspect the sensor surface for any damage.
- Check the sensor serial number against the certificate provided with the sensor.
Instrument principle and theory
- The SBG heat flux sensor measures radiation received by a plane surface from a 180° field of view angle. This quantity, expressed in W/m2, is called irradiance, and informally also heat flux. SBG’s are designed to measure high heat fluxes, in the order of 5 x 103 W/m2 and higher. The radiation spectrum of such sources typically extends from 300 to 3000 x 10-9 m. By definition a heat flux sensor should cover that spectral range with a spectral selectivity that is as “flat” as possible.
- Using an open detector, SBG’s also sensitive to convective heat flux. This contribution is usually ignored.
- In an irradiance measurement by definition the response to “beam” radiation varies with the cosine of the angle of incidence; i.e. it should have full response when the radiation hits the sensor perpendicularly (normal to the surface, 0° angle of incidence), zero response when the radiation has 90° angle of incidence, and 50 % of full response at 60° angle of incidence.
- A heat flux sensor should have a so-called “directional response” (older documents mention “cosine response”) that is as close as possible to the ideal cosine characteristic.
- In order to attain the proper directional and spectral characteristics, a heat flux sensor’s main components are:
- a thermal sensor with black coating. It has a flat spectrum covering the 200 to 50000 x 10-9 m range, and has a near-perfect directional response. The coating absorbs all radiation and, at the moment of absorption, converts it to heat. The heat flows through the internal thermopile sensor to the metal body. The thermopile sensor generates a voltage output signal that is proportional to the irradiance.
- A water-cooled metal body. This body acts as a heat sink.

SBG series users typically assume that the measured heat flux is representative of the undisturbed irradiance at the location of the sensor. Users may also apply corrections based on scientific judgement.
Using SBG series is easy. For readout the user only needs an accurate voltmeter that works in the millivolt range. To convert the measured voltage, U, to a heat flux Φ, the voltage must be divided by the sensitivity S, a constant that is supplied with each individual sensor.
Detailed measurement equation
- In more detail, the measurement equation of SBG series is Φ = U/S + σ·(T + 273.15)4 (Formula 2.1.1)
- In which the first term represents the incoming irradiance, and the second term represents the irradiance emitted by the sensor. The constant σ is the Stefan-Boltzmann constant 5.67 x 10-8 W/(m2·K4).
- In case the sensor temperature is of the order of 10 °C, the second term is of the order of 0.45 x 103 W/m2, which is usually considered negligible, so that the measurement equation 2.1.1 is abbreviated to: Φ = U/S (Formula 0.1)
- Measuring with heat flux sensors, errors may be caused by differences between calibration reference conditions and the conditions during use. The user should analyse his own experiment and make his own uncertainty evaluation. Comments on the most common error sources can be found in the chapter about uncertainty evaluation.
Specifications of SBG series
- SBG series measures the heat flux density through the surface of the sensor. This quantity, expressed in W/m2, is called heat flux. SBG series are rated for use in environments in which the heat flux is dominated by radiation at heat flux levels > 5 x 103 W/m2. Working completely passive, using a thermopile sensor, SBG series thermopile generates a small output voltage proportional to this flux. Using an open detector, SBG series are also sensitive to convective heat flux. This contribution is usually ignored. The sensor must be used at a heat flux level as close as possible to its rated measurement range which is equal to its calibration reference condition. It must be water-cooled or exposed only for a limited time interval. SBG series can only be used in combination with a suitable measurement system. In testing, the sensor must be calibrated and used in accordance with the recommended practices of ISO and ASTM.
- Model SBG04 is a model specifically intended for use in cone calorimeters. Its specifications, when different, are listed in a separate table.
Table 3.1 Specifications of SBG series (continued on next pages).
| SBG SPECIFICATIONS | |
| Sensor type | water-cooled heat flux sensor |
| Sensor type according to ISO 14934 | total heat flux sensor |
| Measurand | heat flux |
| Measurand in SI units | irradiance in W/m2 |
| Heat flux sensor | thermopile |
| Sensor technology | both Gardon and Schmidt-Boelter |
| Sensing area diameter | 10 x 10-3 m |
| Rated measurement ranges SBG01, SBG03 | (5, 10, 20, 50, 100 and 200) x 103 W/m2 |
| Limiting measurement range | 150 % of rated measurement range |
| Output signal | DC voltage |
| Sensitivity range | depending on rated measurement range: 0.1 to 0.7 x 10-6 V/(W/m2) |
| Output voltage signal range | > 5 x 10-3 V at rated measurement range |
| Measurement function / required programming | Φ = U/S |
| Optional measurement function / required programming for correction of sensitivity as a function of instrument body temperature | Φ = U/S + σ·(T + 273.15)4 |
| Required readout | 1 x differential voltage channel or 1 single ended voltage channel, input resistance > 106 Ω |
| Rated operating temperature range SBG01, SBG03 | -30 to +80 °C (sensor body and cable gland temperature) -60 to +200 °C (cable temperature) |
| Rated operating pressure range | Sea level ambient air pressure, not suitable for use in vacuum |
| Temperature dependence | < 0.1 %/°C |
| Non-linearity SBG01, SBG03 | < 2 % of rated measurement range |
| Black coating emissivity | > 0.90 |
| Spectral range | 0 to 50 x 10-6 m |
| Full field of view angle | 180° |
Table 3.1 Specifications of SBG series (started on previous page, continued on the next page).
| Response times SBG01, SBG03 (63 %) at different rated measurement ranges 5, 10 x 103 W/m2 20, 50 x 103 W/m2 100, 200 x 103 W/m2 |
|
| Sensor resistance | 25 Ω (nominal) |
| Required sensor power | zero (passive sensor) |
| Rated operating relative humidity range | 0 to 100 % (non-condensing) |
| Standard cable length SBG01, SBG03 | 2 m (see options) |
| Cable material type SBG01, SBG03 | PTFE |
| Cable diameter type SBG01, SBG03 | 3 x 10-3 m |
| IP protection class | IP10 |
| Sensor marking | serial number engraved on sensor body |
| Gross weight including 2 m cable and protection cap | approx. 0.3 kg |
| Net weight including 2 m cable and protection cap | approx. 0.2 kg |
| WATER COOLING | |
| Typical cooling method | tap water at 3 bar supplied through and drained through a silicone hose |
| Alternative cooling method | actively cooling water circulator with water pump instead of tap water |
| Rated exposure time interval | indefinite when water cooled |
| Rated cooling water operating pressure range | 0 to 3 bar |
| Rated cooling water flow | > 10 l/hr (0.003 l/s), preferably 30 l/h (0.01 l/s) |
| Rated cooling water temperature range | 10 to 30 °C |
| Use without water cooling SBG01, SBG03 | SBG01 and SBG03 may be used uncooled at low heat flux levels or for short time intervals. See the chapter on uncooled sensors in this manual for directions |
| Weight of metal sensor body SBG01, SBG03 | 0.11 kg |
| Metal heat capacity | 400 J/(kg·K) |
| Heat capacity of sensor body SBG01, SBG03 | 44 J/K |
| Outer diameter of metal cooling tubes SBG01, SBG03 | 4.2 x 10-3 m (3.2 x 10-3 m for SBG03 option -P150) |
| Recommended hose for cooling water supply | 6 x 10-3 m outer diameter / 3 x 10-3 m inner diameter silicone hose. |
| Recommended coupling for hose | type MCD1702 BODY 1/8 inch NPT + MCD4202 INSERT, see the catalogue via www.cpcworldwide.com |
| Bending of metal cooling water tubes SGB03 | cooling water supply tubes are suitable for careful one-time bending at radius of > 25 x 10-3 m |
Table 3.2 Use of SBG series according to test standards.
USE IN TESTING
| Standards governing use of the instrument | ISO 14934-1: Reaction-to-Fire Tests – use of heat flux meters general principles ISO 14934-4: Reaction-to-Fire Tests – guidance on use of heat flux meters |
| Suitable for use in test |
|
| Not suitable for use in test | ASTM E 285: oxyacetylene ablation testing (heat flux is in the order of 800 x 103 W/m2 which is beyond the rated measurement range) |
Table 3.3 Installation and use of SBG series.
| INSTALLATION AND USE | |
| Installation | see recommendations in this manual |
| Cable extension | see chapter on cable extension or order sensors with longer cable |
| Recoating | ISO 14934-4 paragraph 9.1 allows repainting of sensors, according to manufacturer recommendations. After repainting, the sensors must be re-calibrated. |
| CALIBRATION | |
| Calibration traceability | to ITS-90 |
| Standard governing calibration | ISO 14934-3: Reaction-to-Fire Tests – calibration of heat flux meters secondary calibration |
| Product certificate | included (showing calibration result and traceability) |
| Calibration method | SBGC secondary calibration method according to ISO 14934-3. The Hukseflux SBGC method follows the recommended practice of ISO 14934-3, however we calibrate at one heat flux level only. Calibration relies on a comparison to a secondary standard heat flux sensor under a radiant heat source as described in chapter 4. The calibration reference has been characterised in the range of 0 to 75 x 103 W/m2. Calibration at higher heat flux levels is done at 100 x 103 W/m2, using linear extrapolation of the sensitivity of the calibration reference. |
| Calibration laboratory accreditation | not accredited |
| Calibration laboratory management system certification | ISO 9001 |
| Calibration hierarchy | From SI through international standards and through an internal mathematical procedure |
| Calibration uncertainty | ± 6.5 % (k = 2) |
| Recommended recalibration interval of working standards | fire tests may specify the interval of calibration of the working standard heat flux sensor. We recommend to calibrate before and after every test. |
| Recommended maintenance of calibration reference standards | we recommend that accredited test laboratories follow the procedures described in ISO 14934-3 Annex D. They must have 3 calibration reference sensors (secondary standards, calibrated externally against a primary standard according to ISO 14934-2), used to calibrate the working standards. One of these should be designated as “principal”. Clause D.14 recommends that every year one of the 3 instruments is recalibrated against the (external) primary standard. Calibration against a primary standard may be done at RISE (Sweden), NIST (USA) or LNE (France) |
| Calibration reference conditions | cooling water temperature < 25 °C |
| Calibration reference conditions SBG01, SBG03 5 10 20 50 100 200 |
Heat flux level
5 x 10³ W/m² ± 5 % |
| Validity of calibration | based on experience the instrument sensitivity will not change during storage |
Table 3.3 Installation and use of SBG series (started on previous 4 pages).
| MEASUREMENT ACCURACY | |
| Uncertainty of the measurement | statements about the overall measurement uncertainty can only be made on an individual basis. see the chapter on uncertainty evaluation. |
| standard governing uncertainty evaluation in tests | ISO 29473 Fire test – Uncertainty of measurements in fire tests |
| VERSIONS / OPTIONS | |
| Version SBG01, SBG03 rated measurement range | 5, 10, 20, 50, 100, 200 x 103 W/m2 |
| Version SBG01, SBG03 longer cable | 02, 05, 10, 20, or specify length in m |
| Version SBG03 longer water cooling tubes | -P150 |
| Order code SBG01, SBG03 version | SBG0X-rated measurement range-cable length |
| ACCESSORIES | |
| Spare part | removable protection cap SBG01 |
| Accessory | handheld read-out unit LI19 programmed LI19 handheld read-out unit / datalogger, two spare batteries, one USB cable, software and a transport case |
Model SBG04 is a model specifically intended for use in cone calorimeters. Its specifications, when different, are listed in this table.
Table 3.4 Specifications specifically of model SBG04
| SBG04 SPECIFICATIONS | |
| Standardisation | all specifications and dimensions standardised for use in cone calorimeters according to ISO 5660 and ASTM E1354 |
| Operational measurement range | (10 to 70) x 103 W/m2 (covering use in cone calorimeters) |
| Rated measurement range | 100 x 103 W/m2 |
| Limiting measurement range | 150 x 103 W/m2 |
| Rated operating temperature range |
|
| Non-linearity | < 2 % within operational measurement range |
| Response time (63 %) | < 250 x 10-3 s |
| Output signal | > 12 x 10-3 V at rated measurement range |
| Cable material | Glass fibre with silicone resin |
| Cable diameter | 2.9 x 10-3 m |
| Gross weight including 2 m cable and protection cap | approx. 0.2 kg |
| Net weight including 2 m cable and protection cap | approx. 0.1 kg |
| WATER COOLING | |
| Use without water cooling | SBG04 may not be used uncooled |
| Weight of metal sensor body SBG04 | 0.023 kg |
| Heat capacity of sensor body | 8.6 J/K |
| Outer diameter of metal cooling tubes | 3.2 x 10-3 m (1/8 inch) |
| Recommended fittings for metal cooling tubes | type B-200-9 tube fitting 1/8 inch outer diameter, see the catalogue via www.swagelok.com |
| Bending of metal cooling water tubes SBG04 | cooling water supply tubes are suitable for careful one-time bending after “tube support ring” at radius of > 25 x 10-3 m |
| USE IN TESTING | |
| Suitable for use in test | ISO 5660: Reaction to fire tests – Heat release, smoke production and mass loss rate |
| INSTALLATION AND USE | |
| Installation | see recommendations in this manual and the ISO 5660 or ASTM E1354 norms |
| CALIBRATION | |
| Calibration reference conditions SBG04 100 | Heat flux level 50 x 10³ W/m² ± 5 % |
| VERSIONS / OPTIONS | |
| Version SBG04 rated measurement range | 100 x 103 W/m2 |
| Version SBG04 standard cable length | 2 m |
| Order code SBG04 version | SBG04-100-02 |
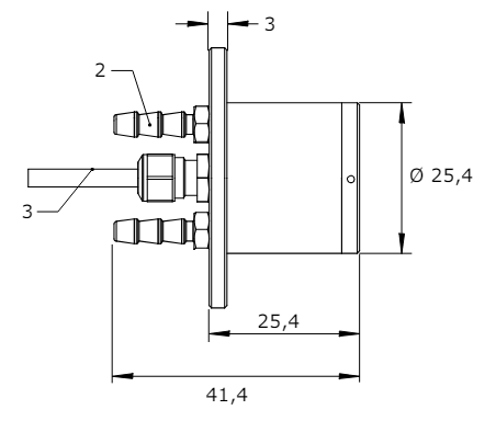
Dimensions of SBG01


- Figure 3.2.1 SGB01 heat flux sensor with a smooth body and flange, dimensions in x 10-3 m. From top to bottom: 3D view, side view, front view
- thermopile sensor with black coating. diameter sensing area: 10 x 10-3 m
- water cooling tube. outer diameter tubes: 4.2 x 10-3 m
- PTFE cable. standard cable length is 2 m.
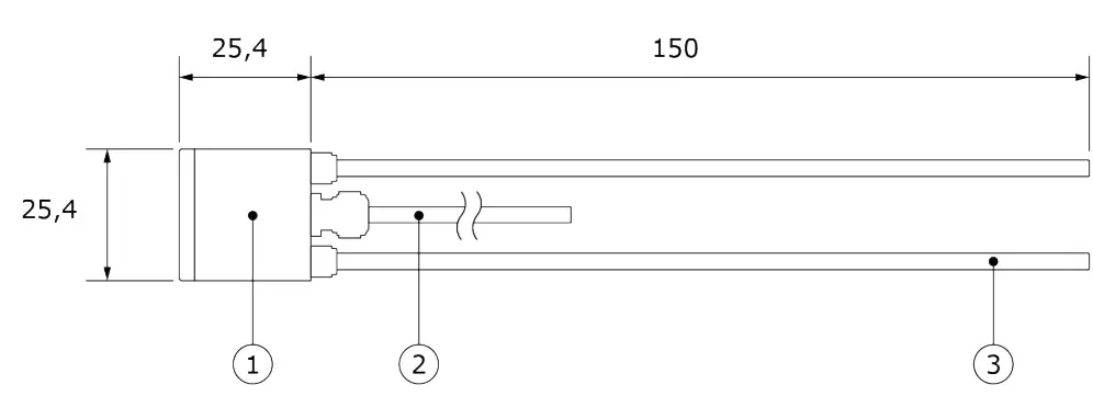
Dimensions of SBG03

Figure 3.3.1 SGB03-010-02-P150 heat flux sensor with a smooth body, side view dimensions in x 10-3 m.
- thermopile sensor with black coating. diameter sensing area: 10 x 10-3 m
- PTFE cable. standard cable length is 2 m
- Option -P150 water cooling tube. outer diameter tubes: 3.2 x 10-3 m (1/8”)
Dimensions of SBG04

Figure 3.4.1 SGB04 heat flux sensor, dimensions in x 10-3 m. From top to bottom: front view, top view, side view
- thermopile sensor with black coating. diameter sensing area: 10 x 10-3 m
- water cooling tube. outer diameter tubes: 3.2 x 10-3 m (1/8”)
- sensor wire tube.
- Tube support ring. positioning stop for cone calorimeter.
- Cable. standard cable length is 2 m.
Standards and recommended practices for use
Calibration and use of heat flux sensors (officially “heat flux meters”) such as SBG series is subject to standardised practices according to ISO 14934 “Reaction-to-Fire tests – calibration of heat flux meters”. The same procedures will be adopted by ASTM. As cone calorimeter reference sensor, SBG04 is also subject to ISO 5660 “Reaction-to-fire tests — Heat release, smoke production and mass loss rate”. In case the user performs accredited testing or works in an accredited organisation, the user must comply with these standards.
NOTICE
When following standard operating practices, users should purchase their own copies of the standard. This manual offers general guidelines for use only.
Heat flux measurement in fire testing: ISO 14934
The ISO 14934 standard has 4 parts. We recommend users to purchase the latest version of the standard.
Table 4.1.1 Standards with recommendations for instrument use in fire testing.
| STANDARDS FOR HEAT FLUX SENSOR USE IN FIRE TESTING | |
| ISO STANDARD | EQUIVALENT ASTM STANDARD |
| ISO 14934 “Reaction-to-Fire tests – calibration of heat flux meters” Part 1: general principle Part 2: primary calibration methods Part 3: secondary calibration methods Part 4: guidance on use of heat flux meters |
No equivalent ASTM standard |
The most important requirements of the standard are:
- to have 3 local “secondary standard” calibration reference standards (i.e. sensors calibrated against a primary standard according to ISO14934-2) for calibration of the “working standards” (i.e. the instruments used for day to day work for calibration of test equipment). Calibration according to ISO 14934-2 may be done at NIST (USA), RISE (Sweden) or LNE (France). Of the 3 calibration reference instruments, 2 instruments must be kept unused until unexpected results appear or until the first calibration reference standard is sent away for recalibration. A typical expanded uncertainty of the sensitivity at SP is in the order of 2 to 3 % (k = 2) in a range from 5 to 75 x 103 W/m2.
- to calibrate every 2 years one of the reference standards against a primary standard. After calibration this instrument is used to verify the uncertainty of the other 2 calibration reference standards. A single reference standard is usually calibrated at multiple heat flux levels. It can be used as a reference in the same heat flux range, and by extrapolation also at higher levels.
- to use working standards only at an irradiance level close to its calibration reference condition.
- to compare working standards to a local reference standard before every test and preferably after every test, following the method specified in ISO 14934-3. The comparison requires a local irradiance source, for example a cone calorimeter.
SBG04 in cone calorimeter testing: ISO 5660 and ASTM E1354
The ISO 5660 standard has 4 parts. We recommend users to purchase the latest version of the standard.
Table 4.1.1 Standards with recommendations for instrument use in cone calorimeter.
| STANDARDS FOR HEAT FLUX SENSOR USE IN CONE CALORIMETER | |
| ISO STANDARD | EQUIVALENT ASTM STANDARD |
| ISO 5660 “Reaction-to-fire tests — Heat release, smoke production and mass loss rate” Part 1: Heat release rate (cone calorimeter method) Part 3: Guidance on measurement Part 4: Measurement of heat release for determination of low levels of combustibility Part 5: Heat release rate (cone calorimeter method) and smoke production rate (dynamic measurement) under reduced oxygen atmospheres |
ASTM E1354 |
The most important requirements of the standard are:
- The flux meter shall be positioned at a location equivalent to the centre of the specimen face during calibration.
- The receiving target shall be flat, circular, of approximately 12.5 mm (half inch) in diameter with a durable matt black finish.
- At maximum intervals of 100 working hours, check the operating heat flux meter against the reference heat flux meter.
- The calibration of the working heat flux meter shall be checked by comparison with two instruments of the same type and of similar range held as reference standards and not used for any other purpose. One of the reference standards shall be fully calibrated at a standardizing laboratory at yearly intervals.
- The flux meter shall always be used with water-cooling.
Installation of SBG series
Installation in fire testing
Table 5.1.1 Recommendations for installation of heat flux sensors in fire testing.
| Standard operating practices | If the test is carried out in accordance with a standard: look for recommendations in the standard. |
| Orientation | The sensor will work in any orientation. |
| Protection cap | Use the cap during transport and storage. Remove the cap when installing and during measurements. |
| Water cooling | Usually tap water is used, supplied and led out through silicone hoses. See the chapter on cooling. |
| Electrical connection | The sensor generates a small voltage output signal. No power supply is required. Connect the 2 conductors to a data acquisition system. See the chapter on electrical connection. |
| Signal amplification | See the paragraph on electrical connection. |
| Mechanical mounting SBG01 | Use the 3 holes in the flange for sensor mounting. Make sure that the object that is used for mounting the flange remains relatively cool. Heat should not conduct easily through the flange to the sensor body. |
| Mechanical mounting SBG03, SBG04 | Use a circular clamp or equivalent to mount the sensor. Make sure that the object that is used for mounting remains relatively cool. Heat should not conduct easily to the sensor body. |
| Cable mounting | Provide the cable with an additional strain relief. |
| Added temperature sensors | To verify the functionality of the water-cooling, you may connect a temperature sensor to the heat flux sensor body. |
| Heat shielding | Shield the body sensor and cable as much as possible from radiated and convective heat. |
Installation in cone calorimeter
Table 5.2.1 Recommendations for installation of SBG04 in cone calorimeter.
| Standard operating practices | If the test is carried out in accordance with the ISO 5660 or ASTM E1354 standard: look for recommendations in the standard. |
| Orientation | The sensor will work in any orientation. Face the sensitive area towards the cone heater, positioned at a location equivalent to the centre of the specimen face during calibration. |
| Protection cap | Use the cap during transport and storage. Remove the cap when installing and during measurements. |
| Water cooling | Water-cooling should always be applied. Usually tap water is used, supplied and led out through 1/8” tube fittings with silicone hoses. See the chapter on cooling. |
| Electrical connection | The sensor generates a small voltage output signal. No power supply is required. Connect the 2 conductors to the cone calorimeter data acquisition system. See the chapter on electrical connection. |
| Signal amplification | See the paragraph on electrical connection. |
| Mechanical mounting SBG04 | A “Flux meter mount” is usually supplied with the cone calorimeter equipment and clamped onto the water cooling tubes. For recommended dimensions of the slot in the “Flux meter mount” see figure 5.5.3 |
| Cable mounting | Provide the cable with an additional strain relief. |
| Heat shielding | Keep the cable away from direct exposure of the cone heater. |

Figure 5.2.2 Dimensions for cone calorimeter mounting, sensitive area to cooling tubes centre 16 mm.

Figure 5.2.3 Suggested slot dimensions for SBG04 cone calorimeter “Flux meter mount”.
Electrical connection
A heat flux sensor should be connected to a measurement system, typically a so-called datalogger. SBG series are passive sensors that do not need any power.
Cables may act as a source of distortion, by picking up capacitive noise. We recommend keeping the distance between a datalogger or amplifier and the sensor as short as possible. For cable extension, see the appendix on this subject.
Table 5.3.1 The electrical connection of SBG series.

NOTICE
Putting more than 12 Volt across the sensor wiring can lead to permanent damage to the sensor.
Requirements for data acquisition / amplification
The selection and programming of dataloggers is the responsibility of the user. Please contact the supplier of the data acquisition and amplification equipment to see if directions for use with SBG are available. In case a program for similar instruments is available, this can be used. All SBG’s can be treated in the same way as other heat flux sensors and (analogue) thermopile pyranometers.
NOTICE
Do not use “open circuit detection” when measuring the sensor output.
Table 5.4.1 Requirements for data acquisition and amplification equipment for SBG series in the standard configuration.
| Capability to measure small voltage signals | preferably: < 5 x 10-6 V uncertainty minimum requirement: 20 x 10-6 V uncertainty (valid for the entire expected temperature range of the acquisition / amplification equipment) |
| Capability for the data logger or the software | to store data, and to perform division by the sensitivity to calculate the heat flux. Φ = U/S (Formula 0.1) |
| Data acquisition input resistance | > 1 x 106 Ω |
| Open circuit detection (NOTICE) | open-circuit detection should not be used, unless this is done separately from the normal measurement by more than 5 times the sensor response time and with a small current only. Thermopile sensors are sensitive to the current that is used during open circuit detection. The current will generate heat, which is measured and will appear as a temporary offset. |
Cooling
For normal applications in fire research, the standard 3 bar pressure of tap water supply are sufficient for operating heat flux meters. In case of extremely high fluxes, which are not relevant to SBG series (above 2500 x 103 W/m2), additional pressure may be necessary. As water has a very high heat capacity, for 1 inch (25.4 x 10-3 m) diameter sensors a water supply of 30 l/hr or 0.01 l/s is sufficient to carry away all the generated heat with a temperature rise of less than 10 °C, taking a safety factor of 4. An alternative possibility is to use a large vessel filled with water or coolers such as supplied by the Julabo company, such as model F250 recirculating cooler. The Julabo equipment is a closed-circuit water cooler with a convective heat exchanger.
Figure 5.5.1 Example of an active water cooler with a pump: Julabo F250.
Non-cooled sensors
SBG01 and SBG03 may be used non-cooled (so not connected to the water supply). SBG04 may not be used non-cooled. This can be considered if:
- the exposure is so short that SBG does not significantly heat-up; typically this requirement is fulfilled in case the time is less than 1 second
- the flux is so low that SBG cannot significantly heat-up; typically this requirement is fulfilled in case fluxes are < 1 x 103 W/m2. In this case it is relevant to consider that the measurement will be inaccurate because of the non-linearity and emission of radiation by the sensor itself
- there is a large additional heat sink (for instance a block of metal or melting stearin) attached to SBG
In all cases we recommend: - to verify that temperature of the sensor body remains below 80 °C. The limit of materials is 150 °C, but the centre of the sensor gets hotter than the body.
- to minimize the exposed surface area by adding heat shields and insulation
- to calculate temperature rise before experimenting; the SBG01 weight is around 0.11 kg, so it has a heat capacity of 44 J/K (heat capacity of metal is around 400 J/(kg·K)).
- add as much thermal mass as possible
Example calculation: at a heat flux of 100 x 103 W/m2 and having an exposed surface area of 0.0005 m2, the incoming energy is 50 W, which results in 1.2 K/s temperature rise. Starting at 20 °C sensor body temperature, without cooling a measurement time interval of 50 s is feasible. The sensor body will then reach 80 °C.
NOTICE
Using SBG04 without water cooling may lead to permanent damage to the sensor. Using SBG01 and SBG03 without water cooling may lead to permanent damage to the sensor when the sensor body temperature exceeds 80 °C.
Making a dependable measurement
Uncertainty evaluation
- The measurement uncertainty is a function of:
- calibration uncertainty
- differences between reference conditions during calibration and measurement conditions, for example uncertainty caused by non-linearity
- damage during sensor employment
- application errors: the measurement conditions and environment in relation to the sensor properties, the influence of the sensor on the measurand, the representativeness of the measurement location
- convective heat transport
- It is not possible to give one figure for heat flux sensor measurement uncertainty. Statements about the overall measurement uncertainty can only be made on an individual basis, taking all these factors into account.
Guidelines for uncertainty evaluation:
- The formal evaluation of uncertainty should be performed in accordance with ISO 98-3 Guide to the Expression of Uncertainty in Measurement, GUM.
- Uncertainties are entered in measurement equation (equation is usually Formula 0.1: Φ = U/S), either as an uncertainty in E (non-representativeness, resistance error and deflection error) in U (voltage readout errors) or in S (non-stability, temperature dependence, calibration uncertainty).
- In case of special measurement conditions, typical specification values are chosen. These should for instance account for environmental conditions (working temperature range).
- Among the various sources of uncertainty, some are “correlated”; i.e. present during the entire measurement process, and not cancelling or converging to zero when averaged over time; the off-diagonal elements of the covariance matrix are not zero. Paragraph 5.2 of GUM.
- Among the various sources of uncertainty, some are “uncorrelated”; cancelling or converging to zero when averaged over time; the off-diagonal elements of the covariance matrix are zero. Paragraph 5.1 of GUM.
Contributions to the uncertainty budget
- Calibration uncertainty at Hukseflux
- SBG series factory calibration uncertainty under reference conditions is ± 6.5 % with a coverage factor k = 2.
- As a user of SBG series, you may attain a similar uncertainty when calibrating against your local calibration reference standard.
- Uncertainty caused by non-linearity
- The SBG01 and SBG03 are calibrated at its rated measurement range, however with a minimum of 5 x 103 W/m2 and a maximum at 100 x 103 W/m2, the SBG04 is calibrated at 50 x 103 W/m2. When measuring at a fraction of the rated measurement range, the sensor output ideally varies linearly with the heat flux. The deviation from this ideal behaviour is captured in the so-called non-linearity. The non-linearity is expressed as a percentage of the rated measurement range. Non-linearity related uncertainty can be quite large, which is why we recommend to employ sensors measuring close to their rated measurement range.
- The non-linearity specification is ± 2 % of the rated measurement range.
- For the model SBG01-200 with a rated measurement range of 200 x 103 W/m2, the ± 2 % contributes 4 x 103 W/m2 to the uncertainty budget. When measuring with the same sensor at 20 x 103 W/m2, this is an uncertainty contribution of ± 20 %, which is quite large compared to the calibration uncertainty of 6.5 %.
- A model SBG01-20 has an uncertainty contribution of only 0.4 x 103 W/m2 or ± 2 % due to non-linearity at the same heat flux level of 20 x 103 W/m2.
- For the SBG04-100 the non-linearity specification is valid over the operational measurement range of (10 – 70) x 103 W/m2, covering use in cone calorimeters.
- Uncertainty caused by convection
The SBG series are not shielded. Convective heat transport, typically by hot gasses, may act as a source of measurement error. To estimate the associated uncertainty, the user may design experiments to vary local heat transfer.
Maintenance and trouble shooting
Recommended maintenance and quality assurance
SBG series are typically located in hostile environments in which the sensor is under constant threat of being damaged. Unreliable measurement results are detected by very frequent recalibration, by visual inspection of the sensor and by scientific judgement, for example by looking for unreasonably large or small measured values. Preferably the measurement is done by multiple sensors, which makes it possible to check against other measurements.
Table 7.1.1 Recommended maintenance of SBG series.
| MINIMUM RECOMMENDED HEAT FLUX SENSOR MAINTENANCE | |||
| INTERVAL | SUBJECT | ACTION | |
| 1 | before and after every test | recalibration | recalibrate against a local calibration reference |
| 2 | before and after every test | inspection | inspect sensor coating, cable quality, inspect mounting, inspect the water supply tubing |
| 3 | after every test | data review | judge the feasibility of the measurement data compare to measurements with other sensors, typically heat flux and temperature measurements |
| 4 | after every test | lifetime assessment | judge if the instrument will be reliable for another test |
Trouble shooting
Table 7.2.1 Trouble shooting for SBG series.
| General |
|
| The sensor does not give any signal | Remove the white cap from the sensor. Check if the sensor reacts to heat: put the multimeter at its most sensitive range of DC voltage measurement, typically the 100 x 10-3 VDC range or lower. Expose the sensor heat, for instance by putting a flame from a consumer type gas lighter at a distance of around 0.01 m. The signal should read > 2 x 10-3 V now. Do not expose for more than 10 s. Check the data acquisition by replacing the sensor with a spare unit. |
| The sensor signal is unrealistically high or low |
|
| The sensor signal shows unexpected variations |
|
Recoating / repainting of sensor surfaces
- ISO 14934-4 paragraph 9.1 allows repainting of sensors, according to manufacturer recommendations.
- Hukseflux recommendations are:
- Repainting is preferably done by the manufacturer. Do-it-yourself repainting is possible but if that is done all product warranties are cancelled.
- Judge by visual inspection if the thermopile sensor is still well attached to the metal sensor body. If not, the sensor is beyond repair. Verify sensor functionality. This can also be done with a non-coated sensor (see the chapter of the quick sensor test). The thermopile is then visible through its orange-coloured plastic cover.
- Purchase a matt (not glossy) black paint which is temperature resistant up to 600 °C. Silicone-based black paints are a good choice. Typically, aerosol spray cans are most easy to use, but such paints can also be used purchased in cans. In case a solvent is needed: typically, acetone is a good solvent for these paints.
- Surface preparation: In case the existing sensor surface coating has small scratches, but is otherwise in good condition, do not clean, but apply new paint directly to the existing paint. In case of heavy damage to sensor surface coatings: remove the existing coating, clean with acetone or ethanol. Lightly sand the orange plastic surface. Take care to leave the thermopile plastic cover intact.
- Paint application: the sensor surface is located in a 0.1 x 10-3 m deep locally lower surface in the SBG series body. Spray some paint in a small cup, use a pipette to apply the paint. In case a pipette is not available, use a small paint brush.
- Curing: most coatings require curing to reach the required temperature specification. Cure the coating according to the manufacturer recommendation. Be careful not to expose the sensor to temperatures above 150 °C.
- Recalibration: newly coated sensors should be recalibrated. We do not expect significant (> 5 %) changes relative to the original sensitivity.
Hukseflux factory coating process
Hukseflux uses RUST-OLEUM® Hard Hat 7778 Bar-B-Q-Black.
After application the coating is allowed to dry for at least 3 hours at room temperature and then heated to 150 °C in stages of max. 50 °C/hour. Ideally an oven with a ramp function is used. Allow to cool for 24 hrs, the coating is now fully cured.
Appendices
Appendix on cable extension / replacement
SBG series are equipped with one cable. Keep the distance between data logger or amplifier and sensor as short as possible. Cables may act as a source of distortion by picking up capacitive noise. In an electrically “quiet” environment the SBG series cable may be extended without problem to 100 meters. If done properly, the sensor signal, although small, will not significantly degrade because the sensor resistance is very low (which results in good immunity to external sources) and because there is no current flowing (so no resistive losses). Cable and connection specifications are summarised below.
Table 8.1.1 Preferred specifications for cable extension of SBG01.
| Cable | 2-wire, shielded, with copper conductor |
| Extension sealing | make sure any connections are sealed against humidity ingress |
| Conductor resistance | < 0.1 W/m |
| Outer diameter | Typically 4 x 10-3 m |
| Length | cables should be kept as short as possible, in any case the total cable length should be less than 100 m |
| Outer mantle | with the proper temperature specifications. Typically the mantle and cladding are made of PTFE |
| Connection | either solder the new cable conductors and shield to those of the original sensor cable, and make a waterproof connection using heat-shrink tubing with hot-melt adhesive, or use gold plated waterproof connectors. Always connect the shield |
Appendix on calibration hierarchy
- SBG series factory calibration is traceable from SI through international standards and through an internal mathematical procedure. The formal traceability of the generated heat flux is through a secondary standard calibration reference to the international temperature standard ITS90.
- “The Hukseflux SBGC method follows the recommended practice of ISO 14934-3, however we calibrate at one heat flux level only. Calibration relies on a comparison to a secondary standard heat flux sensor under a radiant heat source as described in chapter 4. The calibration reference has been characterised in the range of 0 to 75 x 103 W/m2. Calibration at higher heat flux levels is done at 100 x 103 W/m2, using extrapolation of the sensitivity of the calibration reference.
Appendix on typical heat flux ranges
Irradiance from blackbody covering 180° full field of view angle.
Table 8.3.1 Irradiated heat flux versus equivalent blackbody source temperature calculated using Stefan Boltzmann’s law.
| x 103 W/m2 | equivalent blackbody temperature °C | |
| 1 | 0.4 | 10 |
| 2 | 20 | 500 |
| 3 | 60 | 750 |
| 4 | 150 | 1000 |
| 5 | 200 | 1100 |
| 6 | 266 | 1200 |
An indication of allowable heat flux levels for personnel and equipment can be found below.
Table 8.3.2 Allowable heat flux levels in industrial environments.
| x 103 W/m2 | Btu/Hr Ft2 | ||
| 1 | Equipment | 9.5 | 3000 |
| 2 | Human: Run | 6.3 | 2000 |
| 3 | Human: Walk | 4.7 | 1500 |
| 4 | Human: Work (static) | 1.6 | 500 |
Table 8.3.3 Typical ranges of heat flux levels, from ISO 14934-4.
| x 103 W/m2 | Comment | |
| 1 | 300 | maximum level in a fully developed fire |
| 2 | 200 to 100 | incident heat flux on the wall in a developed fire enclosure |
| 3 | about 100 | radiation from burning house |
| 4 | about 30 | causing ignition of tree |
| 5 | 20 to 10 | causing ignition of timber |
| 6 | about 7 or 8 | lowest level for causing ignition of a timber wall under a pilot flame |
| 7 | about 4 | lowest level for causing a burn |
| 8 | about 2.5 | highest level for people to endure |
| 9 | 1.5 | solar constant, maximum level of solar irradiance |
Table 8.3.4 Typical ranges of heat flux levels, from ISO 5569.
| x 103 W/m2 | Comment | |
| 1 | 300 | jet fire peak |
| 2 | 200 | jet fire average and fully developed fire > 10 x 106 W |
| 3 | 140 | premixed blow torches oxyacetylene |
| 4 | 120 to 145 | peak floor values in post flashover room fires |
| 5 | 115 to 230 | peak wall values in post flashover room fires |
| 6 | 105 to 175 | peak ceiling values for post flashover room fires |
| 7 | 90 to 200 | average wall values for post flashover room fire |
| 8 | 70 to 150 | average ceiling values for post flashover room fire |
| 9 | 50 to 150 | high ventilation fully developed room fire 5 % to 10 % O2 by volume |
| 10 | 60 to 120 | premixed gas burner |
| 11 | 40 to 115 | on facade 0.8 m to 3.3 m above window at lintel |
| 12 | 40 to 70 | low ventilation fully developed fire 1 % to 5 % O2 by volume |
| 13 | 30 to 40 | small (up to 250 mm high) gas diffusion flames |
| 14 | 25 to 45 | flux on wall from vertical wall burning |
| 15 | 25 | flux below vertical spreading wall flame |
| 16 | < 25 | oxidative pyrolysis fire 5 % to 21 % O2 by volume |
| 17 | 20 to 40 | developing fire with 10 % to 15 % O2 by volume |
| 18 | 20 to 25 | heat flux at floor level in flashover fire with ceiling temperature > 600 °C |
| 19 | 18 to 20 | match flames |
| 20 | 10 to 40 | output from waste paper basket fires |
| 21 | 12 to 22 | critical ignition flux of many materials, e.g. polyethylene, polyacetal, PMMA, wood, hardboard |
Appendix on typical SBG series sensitivities
Table 8.4.1 Typical sensitivities per model, 2015 production figures, not to be used as reference.
| MODEL SBG – [measurement range] | SENSITIVITY x 10-6 V/(W/m2) | |
| 1 | SBG01-05 & 10 | 0.25 to 0.65 |
| 2 | SBG01-20 & 50 | 0.28 to 0.42 |
| 3 | SBG01-100 & 200 | 0.10 to 0.20 |
| 4 | SBG04-100 | 0.12 to 0.23 |
Appendix on sensor design: Gardon versus Schmidt-Boelter
The general name for the SBG series type sensor is nowadays “total heat flux meter”: according to ISO 14934-1 paragraph 3 definition 3.17, and Annex A.2. The so-called Gardon and Schmidt-Boelter designs (named after their inventors) are also “total heat flux meters”. From a metrology point of view there is no difference. They all measure heat flux and are traceable to the same reference. The discussion what design to use is not relevant. New standards in fire testing will probably avoid using the Gardon or Schmidt-Boelter names.
SBG series actually uses the multiple thermocouple thermopile of the Schmidt-Boelter model, and the foil technology of the Gardon model. The SBG series combines the best of both technologies and is manufactured according to both designs.
EU declaration of conformity
- We,
Hukseflux Thermal Sensors B.V., Delftechpark 31, Delft, The Netherlands - hereby declare under our sole responsibility that:
- Product model Product type SBG series, all models heat flux sensor
- is in conformity with the following directives:
- 2011/65/EU, EU 2015/863
The Restriction of Hazardous Substances Directive
- 2011/65/EU, EU 2015/863
- This conformity is declared using the relevant sections and requirements of the following standards:
- Hazardous substances RoHS 2 and 215/863 amendment known as RoHS 3
Eric HOEKSEMA Director
Delft, 15 November 2022
© 2024, Hukseflux Thermal Sensors B.V.
www.hukseflux.com
Hukseflux Thermal Sensors B.V. reserves the right to change specifications without notice.
