Contents
HORIZON FITNESS Paros 3 Upright Bike
Specifications:
- Model: Upright Bike
- Tools Included: F 5mm L Wrench, F 6 mm L Wrench, F 13/15 mm
 Flat Wrench, F Screwdriver
- Parts Included: Main Frame, Front Stabilizer Tube, Rear
 Stabilizer Tube, Console, Console Mast, Console Mast Grommet,
 Handlebar, Covers, Seat, Seat Post, Pedals with Straps, T Knob,
 Reading Rack, Water Bottle Holder, Power Cord, Hardware Kit
Pre-Assembly
Unpack the product on a flat surface. Use a protective covering on the floor. Do not open the box when it is on its side.
Assembly Step 1
- Open hardware package.
- Attach the Front Stabilizer Tube to the Main Frame using bolts and washers.
- Attach the Rear Stabilizer Tube to the Main Frame using bolts and washers.
Assembly Step 2
- Slide Console Mast Grommet up the Console Mast.
- Attach Lead Wire to the bottom end of Console Cable.
- Slide Console Mast into Main Frame using bolts and] washers.
- Slide Console Mast Grommet down over Main Frame.
Assembly Step 3
- Slide O-Ring to secure Console Mast Grommet.
- Feed the Handlebar Wires through the Console Mast.
- Attach the Handlebar to the Console Mast using T Knob.
ASSEMBLY
WARNING
There are several areas during the assembly process that special attention must be paid. It is very important to follow the assembly instructions correctly and to make sure all parts are firmly tightened. If the assembly instructions are not followed correctly, the exercise bike could have frame parts that are not tightened and will seem loose and may cause irritating noises.
Before proceeding, find your exercise bike’s serial number located on the front stabilizer tube and enter it in the space provided below. Also locate the model name which is next to the serial number.

Refer to the SERIAL NUMBER and MODEL NAME when calling for service.
SERIAL NUMBER LOCATION 

TOOLS INCLUDED:
- 5mm L Wrench
- 6 mm L Wrench
- 13/15 mm Flat Wrench
- Screwdriver
PARTS INCLUDED:
- 1 Main Frame
- 1 Front Stabilizer Tube
- 1 Rear Stabilizer Tube
- 1 Console
- 1 Console Mast
- 1 Console Mast Grommet
- 1 Handlebar
- 1 Left & Right & Front Handlebar
Covers
- 1 Seat
- 1 Seat Post
- 2 Pedals with Straps
- 1 T Knob
- 1 Reading Rack
- 1 Water Bottle Holder
- 1 Power Cord
- 1 Hardware Kit
PRE ASSEMBLY
UNPACKING
Unpack the product where you will be using it. Place the exercise bike carton on a level flat surface. It is recommended that you place a protective covering on your floor. Never open box when it is on its side.
WARNING
- It is recommended that two people work together for ease and efficiency while assembling an exercise bike.
- During each assembly step, ensure that ALL nuts and bolts are in place and partially threaded. It is recommended you complete the full assembly of your unit before completely tightening any ONE bolt.
- Several parts have been pre-lubricated to aid in assembly and usage. Please do not wipe this off. If you have difficulty, a light application of lithium exercise bike grease is recommended.
NEED HELP?
If you have questions or if there are any missing parts, please refer to safety sticker on product to contact Customer Tech Support.
ASSEMBLY STEP 1

| HARDWARE FOR STEP 1 | |||
| PART | TYPE | DESCRIPTION | QTY | 
| A | BOLT | M8 | 4 | 
| B | SPRING WASHER | Ø8.0 | 4 | 
| C | FLAT WASHER | Ø8.0 | 4 | 
- A Open HARDWARE.
- B Attach the FRONT STABILIZER TUBE (1) to MAIN FRAME (2) using 2 BOLTS (A) & 4 WASHERS (B&C).
- C Attach the REAR STABILIZER TUBE (3) to MAIN FRAME (2) using 2 BOLTS (A) & 4 WASHERS (B&C). 
ASSEMBLY STEP 2 
| HARDWARE FOR STEP 2 | |||
| PART | TYPE | DESCRIPTION | QTY | 
| A | BOLT | M8 | 2 | 
| B | SPRING WASHER | Ø8.0 | 4 | 
| C | FLAT WASHER | Ø8.0 | 2 | 
| D | ARC WASHER | Ø8.0 | 2 | 
| E | BOLT | M8 | 2 | 
- A Slide CONSOLE MAST GROMMET (5) from bottom up the CONSOLE MAST (4).
- B Attach LEAD WIRE to bottom end of CONSOLE CABLE. Pull LEAD WIRE through CONSOLE MAST (4). After pulling the lead wire through the mast, the top of the CONSOLE CABLE should be located at the top of the mast.
- C Slide CONSOLE MAST (4) into MAIN FRAME (2) using 2 BOLTS (A), 4 WASHERS (B&D) from side and 2 BOLTS (E), 4 WASHERS (B&C), from front side.
- D Slide CONSOLE MAST GROMMET (5) down over MAIN FRAME (2).

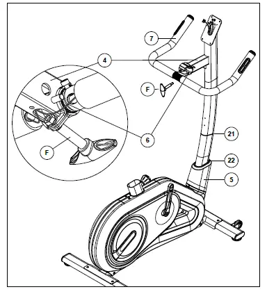
ASSEMBLY STEP 3

- A Slide O-RING (21) down to position (22) to secure CONSOLE MAST GROMMET (5).
- B Attach LEAD WIRE and feed the HANDLBAR WIRES (6) through the hole in the CONSOLE MAST (4) and out the top of the CONSOLE MAST (4).
- C Attach the HANDLEBAR (7) to CONSOLE MAST (4) using 1 T KNOB (F).
ASSEMBLY STEP 4
| HARDWARE FOR STEP 4 | |||
| PART | TYPE | DESCRIPTION | QTY | 
| G | SCREW | M6 | 3 | 
| H | SCREW | M5 | 4 | 
- A Attach the CONSOLE (8) to the READING RACK (9) using 3 SCREW (G).
- B Connect the CONSOLE CABLES (10) and HANDLEBAR WIRES (6). Carefully tuck the CONSOLE CABLES (10) and HANDLEBAR WIRES (6) into the CONSOLE MAST (4).
- C Attach the CONSOLE (8) to the CONSOLE MAST (4) using 4 SCREW (H)

ASSEMBLY STEP 5

| HARDWARE FOR STEP 5 | |||
| PART | TYPE | DESCRIPTION | QTY | 
| I | SCREW | M5 | 2 | 
| J | SCREW | Ø4 | 2 | 
- A Attach the WATTER BOTTLE HOLDER (11) to the CONSOLE MAST (4) using 2 SCREWS (I).
- B Attach the LEFT HANDLEBAR COVER (12) to the HANDLEBAR (7) using 2 SCREWS (J).
- C Snap in the RIGHT HANDLEBAR COVER (13) to the HANDLEBAR (7), attach the bottom first and then press the top to secure.
- D Snap in the FRONT HANDLEBAR COVER (14) to the HANDLEBAR (7) using same method.

ASSEMBLY STEP 6 
- A Pull the SEAT HEIGHT ADJUSTMENT KNOB (15) outward while sliding the SEAT POST (16) into MAIN FRAME (2). Press (17-1) down to insert the PLASTIC BUSHING (17).
- B Attach SEAT (18) to SEAT POST (16) using 3 PRE-INSTALLED BOLTS.
- C Attach the RIGHT PEDAL (19R) to the RIGHT CRANK ARM (20R), tightening it CLOCKWISE using the flat wrench.
- D Attach the LEFT PEDAL (19L) to the LEFT CRANK ARM (20L), tightening it COUNTER-CLOCKWISEusing the flat wrench.
ASSEMBLY STEP 7

ASSEMBLY COMPLETE!
Max. User Weight: 130 kg / 286 lbs.
Overall Dimensions: 107 x 53 x 144 cm / 42″ x 21″ x 57″
EXERCISE BIKE OPERATION
Note: There is a thin protective sheet of clear plastic on the overlay of the console that should be removed before use.
- A) LCD DISPLAY WINDOW: time, RPM, distance, calories, heart rate, speed, resistance level.
- B) QUICK KEYS: used to reach desired resistance quickly.
- C) RETURN: return to the last step.
- D) ENTER: used to confirm selection.
- E) START / PAUSE HOLD TO RESET : used to start workout, pause workout, and restart after pause.
- F) KEYS: used to adjust resistance level and to cycle through selections during program set up.
- G) BLUETOOTH HEART RATE OR TABLET: bluetooth default to connect to tablet, press and hold 5 sec to connect to the Bluetooth heart rate strap. When paired with the chest strap the console will not pair with a tablet; to enable tablet communication press and hold the Bluetooth button for 5 seconds or reset power. The led will be lit when the console is paired with BT device.
 *If using a 3rd party App, please turn on your device’s Bluetooth (BT) and follow the App pairing instructions. Ensure the console is not connected to any other BT devices by checking that the BT symbol is not lit on the console.
- H) TABLET/READING RACK: holds reading material.
- I) ENERGY SAVER MODE: indicates if the machine is in energy saver mode.
DISPLAY WINDOW
GETTING STARTED
- Check to make sure no objects are nearby that will hinder the movement of the exercise bike.
- Plug in the power cord to power the exercise bike ON. (Switch islocated at the bottom-front of the exercise bike.)
- Set User Weight using and press ENTER.
- You have the following options to start your workout:
- QUICK START UP
 Simply press to begin working out.
 Time, distance and calories will all count up from zero.
 The resistance level will default to level 1.
- SELECT A PROGRAM
- Use to scroll through programs
- Press to select your desired program.
- Set workout level usingand press.
- Press to begin workout.
 NOTE: You can adjust the resistance level during your workout.
 
FINISHING YOUR WORKOUT
When your workout is complete, the console will display “workout complete” and beep. Your workout information will stay displayed on the console for 60 seconds and then reset.
TO RESET THE CONSOLE
Holdkey for 3 seconds.
TO CLEAR CURRENT SELECTION
Toclear the current program selection or screen, hold the button for 3 seconds.
PROGRAM INFORMATION
- MANUAL: Allows you to adjust the resistance level to your preference, without a preset program. Adjust your resistance manually during your workout. User sets time and resistacne using (up/down arrow) and ENTER.
- INTERVALS: Improves your strength, speed and endurance by raising and lowering the resistance levels through-out your workout to involve both your heart and muscles. Time based program with 12 levels to choose from.
| INTERVALS | ||||||||||||||||||||
| Warm Up | Program Segments-Repeat | Cool Down | ||||||||||||||||||
| Seconds | 60 | 60 | 60 | 60 | 30 | 60 | 60 | 30 | 30 | 60 | 30 | 60 | 60 | 30 | 30 | 60 | 60 | 60 | 60 | 60 | 
| Sement | 1 | 2 | 3 | 4 | 5 | 6 | 7 | 8 | 9 | 10 | 11 | 12 | 13 | 14 | 15 | 16 | 17 | 18 | 19 | 20 | 
| Level 1 | 1 | 2 | 2 | 3 | 5 | 1 | 1 | 5 | 5 | 1 | 5 | 1 | 1 | 5 | 5 | 1 | 3 | 2 | 2 | 1 | 
| Level 2 | 1 | 2 | 2 | 3 | 6 | 2 | 2 | 6 | 6 | 2 | 6 | 2 | 2 | 6 | 6 | 2 | 3 | 2 | 2 | 1 | 
| Level 3 | 1 | 2 | 2 | 4 | 7 | 3 | 3 | 7 | 7 | 3 | 7 | 3 | 3 | 7 | 7 | 3 | 4 | 2 | 2 | 1 | 
| Level 4 | 1 | 2 | 2 | 5 | 8 | 4 | 4 | 8 | 8 | 4 | 8 | 4 | 4 | 8 | 8 | 4 | 5 | 2 | 2 | 1 | 
| Level 5 | 2 | 3 | 5 | 6 | 9 | 5 | 5 | 9 | 9 | 5 | 9 | 5 | 5 | 9 | 9 | 5 | 6 | 5 | 3 | 2 | 
| Level 6 | 2 | 3 | 5 | 7 | 10 | 6 | 6 | 10 | 10 | 6 | 10 | 6 | 6 | 10 | 10 | 6 | 7 | 5 | 3 | 2 | 
| Level 7 | 2 | 3 | 5 | 8 | 11 | 7 | 7 | 11 | 11 | 7 | 11 | 7 | 7 | 11 | 11 | 7 | 8 | 5 | 3 | 2 | 
| Level 8 | 2 | 3 | 5 | 9 | 12 | 8 | 8 | 12 | 12 | 8 | 12 | 8 | 8 | 12 | 12 | 8 | 9 | 5 | 3 | 2 | 
| Level 9 | 3 | 4 | 5 | 10 | 13 | 9 | 9 | 13 | 13 | 9 | 13 | 9 | 9 | 13 | 13 | 9 | 10 | 5 | 4 | 3 | 
| Level 10 | 3 | 4 | 8 | 11 | 14 | 10 | 10 | 14 | 14 | 10 | 14 | 10 | 10 | 14 | 14 | 10 | 11 | 8 | 4 | 3 | 
| Level 11 | 3 | 6 | 10 | 12 | 15 | 11 | 11 | 15 | 15 | 11 | 15 | 11 | 11 | 15 | 15 | 11 | 12 | 10 | 6 | 3 | 
| Level 12 | 3 | 6 | 10 | 13 | 16 | 12 | 12 | 16 | 16 | 12 | 16 | 12 | 12 | 16 | 16 | 12 | 13 | 10 | 6 | 3 | 
- WEIGHT LOSS: Promote weight loss by rasing and lowering the resistance level, while keeping you in your fat burning zone. Time based program with 12 levels to choose from. User sets time and level using (up/down arrows) and ENTER. Please drink enough water while and after doing exercise to enhance the weight loss results.
| WEIGHT LOSS | ||||||||||||||||||||
| Warm Up | Program Segments-Repeat | Cool Down | ||||||||||||||||||
| Seconds | 60 | 60 | 60 | 60 | 60 | 60 | 60 | 60 | 60 | 60 | 60 | 60 | 60 | 60 | 60 | 60 | 60 | 60 | 60 | 60 | 
| Sement | 1 | 2 | 3 | 4 | 5 | 6 | 7 | 8 | 9 | 10 | 11 | 12 | 13 | 14 | 15 | 16 | 17 | 18 | 19 | 20 | 
| Level 1 | 1 | 2 | 2 | 3 | 3 | 3 | 4 | 4 | 5 | 5 | 5 | 5 | 4 | 4 | 3 | 3 | 3 | 2 | 2 | 1 | 
| Level 2 | 1 | 2 | 2 | 3 | 4 | 4 | 5 | 5 | 6 | 6 | 6 | 6 | 5 | 5 | 4 | 4 | 3 | 2 | 2 | 1 | 
| Level 3 | 1 | 2 | 2 | 4 | 5 | 5 | 6 | 6 | 7 | 7 | 7 | 7 | 6 | 6 | 5 | 5 | 4 | 2 | 2 | 1 | 
| Level 4 | 1 | 2 | 2 | 5 | 6 | 6 | 7 | 7 | 8 | 8 | 8 | 8 | 7 | 7 | 6 | 6 | 5 | 2 | 2 | 1 | 
| Level 5 | 2 | 3 | 5 | 6 | 7 | 7 | 8 | 8 | 9 | 9 | 9 | 9 | 8 | 8 | 7 | 7 | 6 | 5 | 3 | 2 | 
| Level 6 | 2 | 3 | 5 | 7 | 8 | 8 | 9 | 9 | 10 | 10 | 10 | 10 | 9 | 9 | 8 | 8 | 7 | 5 | 3 | 2 | 
| Level 7 | 2 | 3 | 5 | 8 | 9 | 9 | 10 | 10 | 11 | 11 | 11 | 11 | 10 | 10 | 9 | 9 | 8 | 5 | 3 | 2 | 
| Level 8 | 2 | 3 | 5 | 9 | 10 | 10 | 11 | 11 | 12 | 12 | 12 | 12 | 11 | 11 | 10 | 10 | 9 | 5 | 3 | 2 | 
| Level 9 | 3 | 4 | 5 | 10 | 11 | 11 | 12 | 12 | 13 | 13 | 13 | 13 | 12 | 12 | 11 | 11 | 10 | 5 | 4 | 3 | 
| Level 10 | 3 | 4 | 8 | 11 | 12 | 12 | 13 | 13 | 14 | 14 | 14 | 14 | 13 | 13 | 12 | 12 | 11 | 8 | 4 | 3 | 
| Level 11 | 3 | 6 | 10 | 12 | 13 | 13 | 14 | 14 | 15 | 15 | 15 | 15 | 14 | 14 | 13 | 13 | 12 | 10 | 6 | 3 | 
| Level 12 | 3 | 6 | 10 | 13 | 14 | 14 | 15 | 15 | 16 | 16 | 16 | 16 | 15 | 15 | 14 | 14 | 13 | 10 | 6 | 3 | 
ROLLING: Maintains weight by gradually raising and lowering the resistance level to gradually raise and lower your heart rate.
| WEIGHT LOSS | ||||||||||||||||||||
| Warm Up | Program Segments-Repeat | Cool Down | ||||||||||||||||||
| Seconds | 60 | 60 | 60 | 60 | 60 | 60 | 60 | 60 | 60 | 60 | 60 | 60 | 60 | 60 | 60 | 60 | 60 | 60 | 60 | 60 | 
| Sement | 1 | 2 | 3 | 4 | 5 | 6 | 7 | 8 | 9 | 10 | 11 | 12 | 13 | 14 | 15 | 16 | 17 | 18 | 19 | 20 | 
| Level 1 | 1 | 2 | 2 | 3 | 3 | 3 | 4 | 4 | 5 | 5 | 5 | 5 | 4 | 4 | 3 | 3 | 3 | 2 | 2 | 1 | 
| Level 2 | 1 | 2 | 2 | 3 | 4 | 4 | 5 | 5 | 6 | 6 | 6 | 6 | 5 | 5 | 4 | 4 | 3 | 2 | 2 | 1 | 
| Level 3 | 1 | 2 | 2 | 4 | 5 | 5 | 6 | 6 | 7 | 7 | 7 | 7 | 6 | 6 | 5 | 5 | 4 | 2 | 2 | 1 | 
| Level 4 | 1 | 2 | 2 | 5 | 6 | 6 | 7 | 7 | 8 | 8 | 8 | 8 | 7 | 7 | 6 | 6 | 5 | 2 | 2 | 1 | 
| Level 5 | 2 | 3 | 5 | 6 | 7 | 7 | 8 | 8 | 9 | 9 | 9 | 9 | 8 | 8 | 7 | 7 | 6 | 5 | 3 | 2 | 
| Level 6 | 2 | 3 | 5 | 7 | 8 | 8 | 9 | 9 | 10 | 10 | 10 | 10 | 9 | 9 | 8 | 8 | 7 | 5 | 3 | 2 | 
| Level 7 | 2 | 3 | 5 | 8 | 9 | 9 | 10 | 10 | 11 | 11 | 11 | 11 | 10 | 10 | 9 | 9 | 8 | 5 | 3 | 2 | 
| Level 8 | 2 | 3 | 5 | 9 | 10 | 10 | 11 | 11 | 12 | 12 | 12 | 12 | 11 | 11 | 10 | 10 | 9 | 5 | 3 | 2 | 
| Level 9 | 3 | 4 | 5 | 10 | 11 | 11 | 12 | 12 | 13 | 13 | 13 | 13 | 12 | 12 | 11 | 11 | 10 | 5 | 4 | 3 | 
| Level 10 | 3 | 4 | 8 | 11 | 12 | 12 | 13 | 13 | 14 | 14 | 14 | 14 | 13 | 13 | 12 | 12 | 11 | 8 | 4 | 3 | 
| Level 11 | 3 | 6 | 10 | 12 | 13 | 13 | 14 | 14 | 15 | 15 | 15 | 15 | 14 | 14 | 13 | 13 | 12 | 10 | 6 | 3 | 
| Level 12 | 3 | 6 | 10 | 13 | 14 | 14 | 15 | 15 | 16 | 16 | 16 | 16 | 15 | 15 | 14 | 14 | 13 | 10 | 6 | 3 | 
- CADENCE: Special designed chart based program that will simulate resistance being changed randomly.
| ROLLING | ||||||||||||||||||
| Warm Up | Program Segments-Repeat | Cool Down | ||||||||||||||||
| Seconds | 60 | 60 | 60 | 60 | 30 | 30 | 30 | 30 | 30 | 30 | 30 | 30 | 30 | 30 | 60 | 60 | 60 | 60 | 
| Sement | 1 | 2 | 3 | 4 | 5 | 6 | 7 | 8 | 9 | 10 | 11 | 12 | 13 | 14 | 15 | 16 | 17 | 18 | 
| Level 1 | 1 | 1 | 2 | 2 | 1 | 2 | 3 | 4 | 3 | 2 | 1 | 2 | 3 | 2 | 1 | 1 | 1 | 1 | 
| Level 2 | 1 | 2 | 2 | 3 | 2 | 3 | 4 | 5 | 4 | 3 | 2 | 1 | 2 | 3 | 2 | 1 | 1 | 1 | 
| Level 3 | 2 | 2 | 3 | 3 | 3 | 4 | 5 | 6 | 7 | 8 | 7 | 6 | 5 | 4 | 2 | 1 | 1 | 1 | 
| Level 4 | 2 | 3 | 3 | 4 | 4 | 5 | 6 | 7 | 8 | 9 | 8 | 7 | 6 | 5 | 3 | 1 | 1 | 1 | 
| Level 5 | 3 | 4 | 4 | 4 | 5 | 6 | 7 | 8 | 9 | 10 | 9 | 8 | 7 | 6 | 3 | 3 | 2 | 1 | 
| Level 6 | 3 | 5 | 4 | 5 | 6 | 7 | 8 | 9 | 10 | 10 | 10 | 9 | 8 | 7 | 4 | 3 | 2 | 1 | 
| Level 7 | 4 | 5 | 5 | 5 | 7 | 7 | 8 | 8 | 9 | 9 | 10 | 10 | 9 | 8 | 4 | 3 | 2 | 1 | 
| Level 8 | 4 | 5 | 5 | 5 | 8 | 8 | 9 | 9 | 10 | 10 | 11 | 11 | 10 | 9 | 4 | 3 | 2 | 1 | 
| Level 9 | 4 | 5 | 5 | 5 | 9 | 9 | 10 | 10 | 11 | 11 | 12 | 12 | 11 | 10 | 5 | 4 | 3 | 1 | 
| Level 10 | 4 | 5 | 6 | 6 | 10 | 10 | 11 | 11 | 12 | 12 | 13 | 13 | 12 | 11 | 6 | 5 | 4 | 1 | 
| Level 11 | 4 | 5 | 7 | 7 | 11 | 11 | 12 | 12 | 13 | 13 | 14 | 14 | 13 | 12 | 6 | 5 | 4 | 1 | 
| Level 12 | 4 | 5 | 8 | 8 | 12 | 12 | 13 | 13 | 14 | 14 | 15 | 15 | 14 | 13 | 7 | 6 | 5 | 1 | 
| Level 13 | 4 | 5 | 9 | 9 | 13 | 13 | 14 | 14 | 15 | 15 | 16 | 16 | 15 | 14 | 7 | 6 | 5 | 1 | 
| Level 14 | 4 | 5 | 9 | 9 | 14 | 14 | 15 | 15 | 16 | 16 | 17 | 17 | 16 | 15 | 8 | 7 | 6 | 1 | 
- DISTANCE GOAL: Resistance changes and all segments every 0.16 km and repeat (warm up does not repeat).
| DISTANCE GOAL | ||||||||||||||
| Warm Up | Program Segments-Repeat | |||||||||||||
| DISTANCE | 0.16 km | 0.16 km | 0.16 km | 0.16 km | 0.16 km | 0.16 km | 0.16 km | 0.16 km | 0.16 km | 0.16 km | 0.16 km | 0.16 km | 0.16 km | 0.16 km | 
| Sement | 1 | 2 | 3 | 4 | 5 | 6 | 7 | 8 | 9 | 10 | 11 | 12 | 13 | 14 | 
| Level 1 | 1 | 1 | 1 | 1 | 1 | 1 | 1 | 1 | 1 | 1 | 1 | 1 | 1 | 1 | 
| Level 2 | 1 | 2 | 2 | 3 | 3 | 5 | 7 | 4 | 6 | 7 | 4 | 5 | 6 | 3 | 
| Level 3 | 2 | 2 | 3 | 3 | 4 | 6 | 8 | 5 | 7 | 8 | 5 | 6 | 7 | 4 | 
| Level 4 | 2 | 3 | 3 | 4 | 6 | 8 | 10 | 7 | 9 | 10 | 7 | 8 | 9 | 6 | 
| Level 5 | 3 | 4 | 4 | 4 | 8 | 10 | 12 | 9 | 11 | 12 | 9 | 10 | 11 | 8 | 
| Level 6 | 3 | 5 | 4 | 5 | 10 | 12 | 14 | 11 | 13 | 14 | 11 | 12 | 13 | 10 | 
| Level 7 | 4 | 5 | 5 | 5 | 11 | 13 | 15 | 12 | 14 | 15 | 12 | 13 | 14 | 11 | 
| Level 8 | 4 | 5 | 5 | 5 | 13 | 15 | 17 | 14 | 16 | 17 | 14 | 15 | 16 | 13 | 
| Level 9 | 4 | 5 | 5 | 5 | 15 | 17 | 19 | 16 | 18 | 19 | 16 | 17 | 18 | 15 | 
| Level 10 | 4 | 5 | 6 | 6 | 16 | 18 | 20 | 17 | 19 | 20 | 17 | 18 | 19 | 16 | 
- CALORIES GOAL: Resistance changes and all segments every 20 calories and repeat (warm up does not repeat).
| CALORIES GOAL | ||||||||||||||
| Warm Up | Program Segments-Repeat | |||||||||||||
| CALORIES | 20 cal | 20 cal | 20 cal | 20 cal | 20 cal | 20 cal | 20 cal | 20 cal | 20 cal | 20 cal | 20 cal | 20 cal | 20 cal | 20 cal | 
| Sement | 1 | 2 | 3 | 4 | 5 | 6 | 7 | 8 | 9 | 10 | 11 | 12 | 13 | 14 | 
| Level 1 | 1 | 1 | 1 | 1 | 1 | 1 | 1 | 1 | 1 | 1 | 1 | 1 | 1 | 1 | 
| Level 2 | 1 | 2 | 2 | 3 | 3 | 5 | 7 | 4 | 6 | 7 | 4 | 5 | 6 | 3 | 
| Level 3 | 2 | 2 | 3 | 3 | 4 | 6 | 8 | 5 | 7 | 8 | 5 | 6 | 7 | 4 | 
| Level 4 | 2 | 3 | 3 | 4 | 6 | 8 | 10 | 7 | 9 | 10 | 7 | 8 | 9 | 6 | 
| Level 5 | 3 | 4 | 4 | 4 | 8 | 10 | 12 | 9 | 11 | 12 | 9 | 10 | 11 | 8 | 
| Level 6 | 3 | 5 | 4 | 5 | 10 | 12 | 14 | 11 | 13 | 14 | 11 | 12 | 13 | 10 | 
| Level 7 | 4 | 5 | 5 | 5 | 11 | 13 | 15 | 12 | 14 | 15 | 12 | 13 | 14 | 11 | 
| Level 8 | 4 | 5 | 5 | 5 | 13 | 15 | 17 | 14 | 16 | 17 | 14 | 15 | 16 | 13 | 
| Level 9 | 4 | 5 | 5 | 5 | 15 | 17 | 19 | 16 | 18 | 19 | 16 | 17 | 18 | 15 | 
| Level 10 | 4 | 5 | 6 | 6 | 16 | 18 | 20 | 17 | 19 | 20 | 17 | 18 | 19 | 16 | 
- CHALLENGE: During this work out, record as a record based on the value of the distance goal program. Compare the speed between the
 sport and record per 0.16 km. For example, the speed of the first 0.16 km of the record is 10, when the distance of the first 0.16 km of this sport is 11. In the second 0.16 km, the motion icon of sport will advance two grids, the record will only advance one, simply put, faster, two= grids forward, slower, only one grid forward.
 THR ZONE: Simulate the intensity of your sport as the program resistance automatically adjust to maintain a set Target Heart Rate range. (Suggest to use bluetooteh chest belt with this program. You may purchase chest belt separately from your dealer).
| RESISTANCE ADJUST | ||
| Heart Rate | Resistance Function | Resistance Adjust | 
| 20+ under target | Increase every 10 seconds | 1 | 
| 6-19 under target | Increase every 35 seconds | 1 | 
| +/- 5 of target | No Change | 0 | 
| 6-10 over target | Decrease every 35 seconds | 1 | 
| 11-19 over target | Decrease every 10 seconds | 1 | 
| 20-24 over target | Decrease every 10 seconds | Half of current | 
| 25+ over target | Console reset | N/A reset | 
- CUSTOM1: Customized workout, time defaults to 15 minutes.
- First enter the program setting and profile display will guide you through all the work out column.
- Use upper and lower arrow to change the resistance and press enter to confirm. Console will display your current segment number and
guide you through segment 1 to segment 15. 3) After finish all setting press START to begin.
ENERGY SAVER (STANDBY MODE)
This machine has a special feature called Energy Saver mode. This mode is NOT automatically activated. When Energy Saver mode is activated, the display will automatically enter standby mode (Energy Saver mode) after 15 minutes of inactivity. This feature saves energy by disabling most power to the machine until a key is pressed on the console.
Waste Disposal
HORIZON Fitness products are recyclable.
At the end if its useful life please dispose of this article correctly and safely (local refuse sites).
