HONDA Axle Shaft for 2004 Accord V6-3.0L Installation Guide
Axle Shaft Assembly: Service and Repair
Driveshaft Installation
- Install a new set ring in the set ring groove of the driveshaft (left driveshaft)

- Apply 0.5 – 1.0 g (0.02 – 0.04 oz) of specified grease to the whole splined surface (A) of the right driveshaft. After applying grease, remove the grease from the splined grooves at intervals of 2 – 3 splines and from the set ring groove (B) so that air can bleed from the intermediate shaft.

- Clean the areas where the driveshaft contacts the differential thoroughly with solvent or brake cleaner, and dry with compressed air. Insert the inboard end (A) of the driveshaft into the differential (B) or intermediate shaft (C) until the new set ring (D) locks in the groove (E).

- Install the outboard joint (A) into the front hub (B).

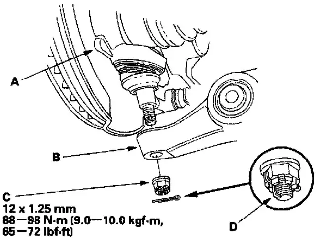
- Install the knuckle (A) onto the lower arm (B). Wipe off the grease before tightening the nut at the ball joint. Torque the new castle nut (C) to the lower torque specification, then tighten it only far enough to align the slot with the pin hole. Do not align the nut by loosening it.

NOTE: Make sure the ball joint boot is not damaged or cracked. - Install the new cotter pin (D) into the pin hole, and bend the cotter pin as shown.

- Install the damper fork (A) over the driveshaft and onto the lower arm. Install the damper in the damper fork so the aligning tab (B) is aligned with the slot in the damper fork. Loosely install the flange bolt (C).
- Loosely install the flange bolt (D) and a new self-locking nut (E).

- . Install a new spindle nut (A), then tighten the nut. After tightening, use a drift to stake the spindle nut shoulder (B) against the driveshaft.
- Clean the mating surfaces of the brake disc and the front wheel, then install the front wheel with the wheel nuts.
- Turn the front wheel by hand, and make sure there is no interference between the driveshaft and surrounding parts.
- Tighten the flange bolts and the self-locking nut with the vehicle’s weight on the damper.
- Refill the transmission with recommended transmission fluid:
^ Manual transmission
^ Automatic transmission - Check the front wheel alignment, and adjust it if necessary