Contents
HOME DEPOT GO-L-W00021 Jushua Outdoor Hardwired Wall Lantern Sconce

Product Information
The MODEL: W00021 is a lighting fixture that comes with a universal mounting bracket, a junction box, and other hardware required for installation. The fixture is compatible with bulbs that have a maximum wattage of 60W and require a supply circuit of 120V and 60Hz. The package does not include the bulb, but it is recommended to use an 11W LED ST58 or A19 bulb. Please note that the finish, number of heads/arms, and style of fixture/glass/shade/diffuser may vary.
Product Usage Instructions
- Open the box from the top and carefully take out all the components, the parts bag, and the manual from the box.
- Check all the components against the parts list to ensure that you have received all the parts. If any parts are missing or if the glass is damaged, please contact the manufacturer at [email protected] to get a replacement. Parts that are shown as 0 under QTY are not included.
- Refer to the illustration provided in the manual while doing assembly and follow the steps below:
- Screw the bulb (M) onto socket (K) before installation.
- Thread two studs (E) onto the mounting bracket (C) at the proper position.
- Attach the mounting bracket (C) to the junction box (A) by two mounting screws (D). Adjust the mounting bracket to a horizontal level.
- Connect wires according to the wiring diagram provided in the manual.
- Attach the back plate (F) to two studs (E) and fix with two washers (G) and cap nuts (H). In the case of glass damage, unlock 4 screws (P) on the bottom cover (O) and pillars (N) to release the damaged glass, then carefully replace it with a new glass and lock the bottom cover (O) with the screws (P).
 
IMPORTANT SAFETY INSTRUCTIONS
- Warning: If any special control devices are used with this fixture, follow the instructions carefully to assure full compliance with N.E.C. requirements. If there are any questions, contact a qualified electrical contractor.
- Warning: This product can expose you to chemicals including lead, which is known to the State of California, to cause cancer or birth defects, or other reproductive harm. For more information, please go to www.P65Warnings.ca.gov
- Caution: Electrician installation is highly recommended. All glass is fragile, use care when handling glass component(s) and or lamp(s). Read the instructions carefully and turn the electricity off at the main circuit breaker panel before beginning installation.
Important Notice:
- This is a generic instruction sheet used for various fixtures.
- The finish, number of heads/arms, and style of fixture/glass/shade/diffuser may vary.
- (Required Supply Circuit: 120V, 60Hz. Bulb Type: 1*E26*60W Max)
- Compatible Bulb Type
- (NOT Included) 
 
- (NOT Included)
- The mostly suggested bulb type is an 11W LED ST58 or A19 bulb
COMPONENTS INCLUDED IN THE PACKAGE
ASSEMBLY & INSTALLATION STEPS
- Open the box from the top, and take out all the components, parts bag, and manual from the box carefully.
- Check all the components against the parts list. Make sure to get each part on the list. If any parts missing or the glass is damaged, please contact the manufacturer at [email protected] to get a replacement. Parts are NOT included for which is shown as 0 under QTY.
| PARTS LIST (Parts QTY X 2 for 2 pack item) | ||||||
| Part Name | QTY | Code | Part Name | QTY | Code | |
| Junction Box | 0 | A | Wire Nut | 3 | I | |
| Leading Wire | 2 | B | Wire | 2 | J | |
| Universal Mounting Bracket | 1 | C | Socket | 1 | K | |
| (1.5″) Mounting Screw | 2 | D | Glass | 1 | L | |
| Stud | 2 | E | Bulb | 0 | M | |
| Back Plate | 1 | F | Pillars | 4 | N | |
| Washer | 2 | G | Bottom cover | 1 | O | |
| Cap Nut | 2 | H | Screws | 4 | P | |
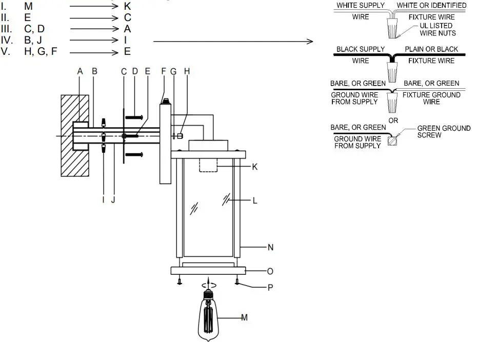
Refer to the illustration while doing assembly and follow the steps below:
- Screw the bulb (M) onto socket (K) before installation.
- Thread two studs (E) onto the mounting bracket (C) at the proper position.
- Attach the mounting bracket (C) to the junction box (A) by two mounting screws (D). Adjust the mounting bracket to a horizontal level.
- Connect wires according to the wiring diagram below.
- attach the back plate (F) to two studs (E) and fix with two washers (G) and cap nuts (H).
In case of glass damage, unlock 4 screws (P) on the bottom cover (O) and pillars (N) to release the damaged glass, then carefully replace it with a new glass and lock the bottom cover (O) with the screws (P)
 
					