Contents
Hansgrohe 15763003 Shower Select Thermostat

Product Information
The ShowerSelect Thermostat is a concealed installation for 2 functions with a chrome finish. The article number for this product is 15763003.
Product Usage Instructions
- Make sure you have all the necessary tools and materials before starting the installation process.
- Locate a suitable spot for concealed installation in your shower area.
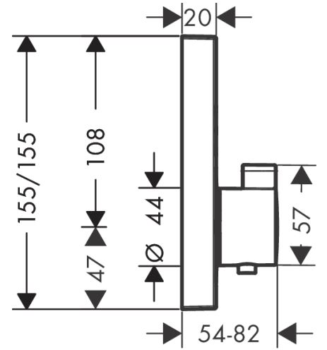
- Follow the provided scale drawing to mark the exact position for installation.
- Prepare the surface by cleaning it and ensuring it is dry.
- Carefully mount the ShowerSelect Thermostat in the designated spot, following the instructions provided in the user manual.
- Connect the necessary plumbing fixtures to the thermostat, ensuring proper sealing and tight connections.
- Once the thermostat is securely installed, test the water flow and temperature by turning on the shower.
- Adjust the desired water flow and temperature using the controls on the thermostat.
- Enjoy your shower experience with the ShowerSelect Thermostat!
For more detailed information and technical specifications, please refer to the product image, flowchart, and visit our website at www.hansgrohe.com.
If you have any further questions or need assistance, feel free to contact our customer support. We are here to help!
ShowerSelect
- Thermostat for concealed installation for 2 functions
- Finish: Chrome___Article Number: 15763003
Description
product features
- 2 functions
- thermostat cartridge, Start/stop valve to operate the functions
- Select push-button on/off control for 2 outlets
- simultaneous use of several outlets
- maximum flow rate at 3 bar: 29,7 l/min
- flow rate upper outlet: 25 l/min
- flow rate lower outlet: 23 l/min
- flow rate by simultaneous use of all outlets: 29,7 l/ min
- min. operating pressure: 1 bar
- max. operating pressure: 10 bar
- safety stop at 40 °C
- temperature limitation adjustable
- thermostat is delivered with buttons hand shower and Rain large
- connection type: basic set

Scale drawing
Flowchart
More details online on the website_www.hansgrohe.com_We look forward for your visit 19/06/23