Contents
GREE GWH09AAC-K6DNA1A-I Bora Wall Split Air Conditioner User Manual

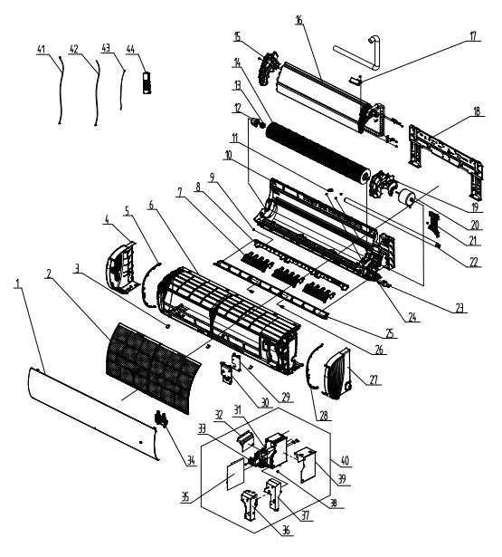
GWH09AAC-K6DNA1A/I
Exploded View

| No. | Part Description | Part Code |
| 1 | Front Panel | 20000300003801T |
| 2 | Display Board | 300001000037 |
| 3 | Front Case | 20000200000901 |
| 4 | Helicoid Tongue | 26112436 |
| 5 | Left Axile Bush | 10512037 |
| 6 | Rear Case assy | 000001000010 |
| 7 | Drainage Hose | 05230014 |
| 8 | Ring of Bearing | 26152022 |
| 9 | O-Gasket sub-assy of Bearing | 76512051 |
| 10 | Evaporator support | 24212179 |
| 11 | Cold Plasma Generator | N/A |
| 12 | Evaporator Assy | 0100297608 |
| 13 | Wall Mounting Frame | 01204300000401 |
| 14 | Cross Flow Fan | 10352056 |
| 15 | Motor | 1501214606 |
| 16 | Connecting pipe clamp | 2611216401 |
| 17 | Rubber Plug (Water Tray) | 76712012 |
| 18 | Stepping Motor | 1521210712 |
| 19 | Crank | 73012005 |
| 20 | Electric Box Assy | 100002067404 |
| 21 | Axile Bush | 10542036 |
| 22 | Terminal Board | 42011233 |
| 23 | Jumper | 4202021907 |
| 24 | Main Board | 300002061108 |
| 25 | Electric Box Cover Sub-Assy | 017053060075 |
| 26 | Shield Cover of Electric Box Cover | 01592150 |
| 27 | Electric Box Cover | 20112207 |
| 28 | Power Cord | N/A |
| 29 | Connecting Cable | 4002052318 |
| 30 | Connecting Cable | N/A |
| 31 | Remote Controller | 305001000009_X57326 |
| 32 | Board Assy | 000409000001 |
| 33 | Guide Louver | 20000400000501 |
| 34 | Air Louver 1 | 10512723 |
| 35 | Temperature Sensor | 3900031302 |
| 36 | Air Louver 2 | 10512724 |
| Note of extra parts | Temperature Sensor | 3900031302 |
GWH09AAC-K6DNA1A/O
Exploded View

GWH09AAC-K6DNA1A/O
Spare Parts List
| NO. | Part Description | Part Code |
| 1 | Electric Box Assy | 100002067395 |
| 2 | Electric Box Sub-Assy | 017007061528 |
| 3 | Main Board | 300027060946 |
| 4 | Reactor | 43130184 |
| 5 | Terminal Board | 422000060016 |
| 6 | Wire Clamp | 71010103 |
| 7 | Front Grill | 22413043 |
| 8 | Front Panel | 01533034P |
| 9 | Axial Flow Fan | 10333004 |
| 10 | Chassis Sub-assy | 017000060378P |
| 11 | Brushless DC Motor | 1501308511 |
| 12 | Small Handle | 26233100 |
| 13 | Top Cover Sub-Assy | 000051060095 |
| 14 | Motor Support | 0170310401 |
| 15 | Condenser Assy | 011002060908 |
| 16 | Rear Grill | 01473009 |
| 17 | Electronic Expansion Valve | N/A |
| 18 | Valve | 07100003 |
| 19 | Big Handle | 262334332 |
| 20 | Cut off Valve | 071302391 |
| 21 | Valve Support | 0171314201P |
| 22 | Right Side Plate Sub-Assy | 0130317801 |
| 23 | 4-Way Valve Assy | 030152060355 |
| 24 | Clapboard Sub-Assy | 0123338502 |
| 25 | Magnet Coil | 4300040050 |
| 26 | Compressor and Fittings | 009001060050 |
| 27 | Drainage Connecter | 06123401 |
| Note of extra parts | Temperature Sensor | 3900030805 |
GWH12AAC-K6DNA1F/I
Exploded View

GWH12AAC-K6DNA1F/I
Spare Parts List
| NO. | Part Description | Part Code |
| 1 | Front Panel | 20000300003801T |
| 2 | Display Board | 300001000037 |
| 3 | Front Case | 20000200000901 |
| 4 | Helicoid Tongue | 26112436 |
| 5 | Left Axile Bush | 10512037 |
| 6 | Rear Case assy | 000001000010 |
| 7 | Drainage Hose | 05230014 |
| 8 | Ring of Bearing | 26152022 |
| 9 | O-Gasket sub-assy of Bearing | 76512051 |
| 10 | Evaporator support | 24212179 |
| 11 | Evaporator Assy | 01100106016201 |
| 12 | Wall Mounting Frame | 01204300000401 |
| 13 | Cross Flow Fan | 10352056 |
| 14 | Motor | 1501214606 |
| 15 | Connecting pipe clamp | 2611216401 |
| 16 | Rubber Plug (Water Tray) | 76712012 |
| 17 | Stepping Motor | 1521210712 |
| 18 | Crank | 73012005 |
| 19 | Electric Box Assy | 100002067782 |
| 20 | Axile Bush | 10542036 |
| 21 | Terminal Board | 42011233 |
| 22 | Jumper | 4202021906 |
| 23 | Main Board | 300002061108 |
| 24 | Electric Box Cover Sub-Assy | 017053060075 |
| 25 | Shield Cover of Electric Box Cover | 01592150 |
| 26 | Electric Box Cover | 20112207 |
| 27 | Power Cord | N/A |
| 28 | Connecting Cable | 4002052317 |
| 29 | Connecting Cable | N/A |
| 30 | Remote Control | 305001060019C35 |
| Note of extra parts | Temperature Sensor | 3900031302 |
GWH12AAC-K6DNA1F/O
Exploded View

| NO. | Part Description | Part Code |
| 1 | Left Side Plate | 01303200P |
| 2 | Brushless DC Motor | 1501308511 |
| 3 | Motor Support | 01703136 |
| 4 | Condenser Assy | 011002060489 |
| 5 | Top Cover Sub-Assy | 000051060094 |
| 6 | Rear Grill | 01475014 |
| 7 | Clapboard Sub-Assy | 01233180 |
| 8 | Compressor and Fittings | 009001060066 |
| 9 | Compressor Gasket | 009012000027 |
| 10 | 4-way Valve Assy | 030152060090 |
| 11 | Big Handle | 2623343106 |
| 12 | Cut off Valve | 07130239 |
| 13 | Cut off Valve | 071302391 |
| 14 | Valve Support | 0171314201P |
| 15 | Front Grill | 22413044 |
| 16 | Front Panel Assy | 00000306003405 |
| 17 | Axial Flow Fan | 10333011 |
| 18 | Chassis Sub-assy | 01700006008301P |
| 19 | Electric Box Assy | 100002067779 |
| 20 | Electric Box Sub-Assy | 017007061645 |
| 21 | Filter Board | N/A |
| 22 | Main Board | 300027060979 |
| 23 | Reactor | 43130184 |
| 24 | Wire Clamp | 71010103 |
| 25 | Terminal Board | 422000060016 |
| Note of extra parts | Temperature Sensor | 3900030805 |
GWH18AAD-K6DNA1D/I
Exploded View

| NO. | Part Description | Part Code |
| 1 | Decorative Strip | N/A |
| 2 | Front Panel | 20000300003101 |
| 3 | Display Board | 300001000037 |
| 4 | Filter Sub-Assy | 1112208906 |
| 5 | Decorative Board (Left) | N/A |
| 6 | Front Case | 20000200000801 |
| 7 | Guide Louver | 20000400000401 |
| 8 | Axile Bush | 10542036 |
| 9 | Air Louver(Manual) | 10512732 |
| 10 | Helicoid Tongue | 26112512 |
| 11 | Left Axile Bush | 10512037 |
| 12 | Rear Case assy | 000001000009 |
| 13 | Rubber Plug (Water Tray) | 76712012 |
| 14 | O-Gasket sub-assy of Bearing | 76512051 |
| 15 | Ring of Bearing | 26152025 |
| 16 | Evaporator Support | 24212177 |
| 17 | Evaporator Assy | 011001000207 |
| 18 | Cross Flow Fan | 10352060 |
| 19 | Fan Motor | 1501214508 |
| 20 | Motor Press Plate | 26112511 |
| 21 | Wall Mounting Frame | 012043000006 |
| 22 | Connecting pipe clamp | 2611218801 |
| 23 | Crank | 73012005 |
| 24 | Stepping Motor | 1521240210 |
| 25 | Drainage Hose | 05230014 |
| 26 | Electric Box Assy | 100002067784 |
| 27 | Lower Shield of Electric Box | 01592139 |
| 28 | Electric Box | 2011221104 |
| 29 | Jumper | 4202021909 |
| 30 | Main Board | 300002061107 |
| 31 | Shield Cover of Electric Box | 01592176 |
| 32 | Electric Box Cover | 20112209 |
| 33 | Terminal Board | 42011233 |
| 34 | Decorative Board (Right) | N/A |
| 35 | Screw Cover | 242520179 |
| 36 | Electric Box Cover2 | 20112210 |
| 37 | Power Cord | N/A |
| 38 | Connecting Cable | 4002052317 |
| 39 | Connecting Cable | N/A |
| 40 | Remote Control | 305001060019 |
| 41 | Cold Plasma Generator | N/A |
| Note of extra parts | Temperature Sensor | 3900031302 |
GWH18AAD-K6DNA1D/O
Exploded View

| NO. | Part Description | Part Code |
| 1 | Axial Flow Fan | 10333023 |
| 2 | Brushless DC Motor | 1501506406 |
| 3 | Electric Box Assy | 100002067780 |
| 4 | Handle | 26233014 |
| 5 | Left Side Plate | 01303025 |
| 6 | Top Cover Assy | 02200300001 |
| 7 | Motor Support Sub-Assy | 01701200009 |
| 8 | Clapboard Sub-Assy | 017021000063 |
| 9 | Condenser Assy | 011002000378 |
| 10 | 4-Way Valve Assy | 030152000232 |
| 11 | Rear Grill | 016001000023 |
| 12 | Right Side Plate Assy | 000081000021 |
| 13 | Valve Support Block | 26113017 |
| 14 | Handle | 26233013 |
| 15 | Valve Cover | 22243015 |
| 16 | Cut off Valve | 071302392 |
| 17 | Cut off Valve | 07130239 |
| 18 | Valve Support Sub-Assy | 017104000002P |
| 19 | Compressor and Fittings | 00103919G |
| 20 | Chassis Sub-assy | 017000000187P |
| 21 | Drainage Joint | 26113009 |
| 22 | Front Panel Assy | 02200200003 |
| 23 | Front Grill | 22413051 |
| Note of extra parts | Temperature Sensor | 3900030902 |
GWH24AAE-K6DNA1F/I
Exploded View

| NO. | Part Description | Part Code |
| 1 | Front Panel | 20000300007001 |
| 2 | Filter Sub-Assy | 1101200703 |
| 3 | Screw Cover | 24252453 |
| 4 | Left Side Plate | N/A |
| 5 | Decorative Strip(Left) | N/A |
| 6 | Front Case | 20000200001506 |
| 7 | Air Louver(Manual) | 10512737 |
| 8 | Helicoid Tongue | 26112513 |
| 9 | Left Axile Bush | 10512037 |
| 10 | Rear Case assy | 000001000016 |
| 11 | Rubber Plug (Water Tray) | 76712012 |
| 12 | Ring of Bearing | 26152025 |
| 13 | O-Gasket sub-assy of Bearing | 76512051 |
| 14 | Cross Flow Fan | 10352057 |
| 15 | Evaporator Support | 24212178 |
| 16 | Evaporator Assy | 01100100007304 |
| 17 | Cold Plasma Generator | N/A |
| 18 | Wall Mounting Frame | 012043000007 |
| 19 | Motor Press Plate | 26112515 |
| 20 | Fan Motor | 15012145 |
| 21 | Connecting pipe clamp | 26112514 |
| 22 | Drainage Hose | 0523001405 |
| 23 | Stepping Motor | 1521240210 |
| 24 | Crank | 73012005 |
| 25 | Guide Louver | 20000400001301 |
| 26 | Axile Bush | 10542036 |
| 27 | Right Side Plate | N/A |
| 28 | Decorative Strip(Right) | N/A |
| 29 | Shield Cover of Electric Box Cover 2 | 01202000099 |
| 30 | Electric Box Cover2 | 20112210 |
| 31 | Electric Box | 2011221104 |
| 32 | Side plate (electric box) | 01302002 |
| 33 | Terminal Board | 42011233 |
| 34 | Display Board | 300001000037 |
| 35 | Main Board | 300002061098 |
| 36 | Shield Cover of Electric Box | 01592176 |
| 37 | Electric Box Cover | 20112209 |
| 38 | Jumper | 4202021913 |
| 39 | Lower Shield of Electric Box | 01592139 |
| 40 | Electric Box Assy | 100002067353 |
| 41 | Connecting Cable | 4002052318 |
| 42 | Connecting Cable | N/A |
| 43 | Temperature Sensor | 3900031302 |
| 44 | Remote Controller | 305001000009 |
| Note of extra parts | Temperature Sensor | 3900031302 |
GWH24AAE-K6DNA1F/O
Exploded View

| NO. | Part Description | Part Code |
| 1 | Axial Flow Fan | 10333023 |
| 2 | Brushless DC Motor | 1501506406 |
| 3 | Handle | 26233014 |
| 4 | Electric Box Assy | 100002067354 |
| 5 | Left Side Plate | 01303025 |
| 6 | Coping | 01253105 |
| 7 | Motor Support | 01703245 |
| 8 | Clapboard Sub-Assy | 017021000063 |
| 9 | Condenser Assy | 011002000378 |
| 10 | 4-Way Valve Assy | 030152060381 |
| 11 | Rear Grill | 016001000023 |
| 12 | Right Side Plate | 01303312 |
| 13 | Handle | 26233013 |
| 14 | Valve Cover | 22243015 |
| 15 | Valve Support Sub-Assy | 017104060025P |
| 16 | Compressor and Fittings | 009001060387 |
| 17 | Chassis Sub-assy | 017000000187P |
| 18 | Cabinet | 01433072 |
| 19 | Front Grill | 20005700000 |
| Note of extra parts | Temperature Sensor | 3900030902 |
It is the policy of Gree Australia to introduce continuous product improvements.
Accordingly, specifications are subject to change without notice. Please consult with your dealer to confirm the specifications of the model selected.
1800 473 346
greeac.com.au

Read More About This Manual & Download PDF: